INFO: Dieses Forum nutzt Cookies...
Cookies sind für den Betrieb des Forums unverzichtbar. Mit der Nutzung des Forums erklärst Du dich damit einverstanden, dass wir Cookies verwenden.

Es wird in jedem Fall ein Cookie gesetzt um diesen Hinweis nicht mehr zu erhalten. Desweiteren setzen wir Google Adsense und Google Analytics ein.


Antwort schreiben 

txt-Datei erstellen geht nicht?



Wenn dein Problem oder deine Frage geklärt worden ist, markiere den Beitrag als "Lösung",
indem du auf den "Lösung" Button rechts unter dem entsprechenden Beitrag klickst. Vielen Dank!

19.12.2012, 10:48
Beitrag #1

Holg Offline
LVF-Grünschnabel
*


Beiträge: 39
Registriert seit: Feb 2012

2011
2012
DE



txt-Datei erstellen geht nicht?
Hallo zusammen,

ich habe ein kleines Programm geschrieben, welches einige Messdaten erfasst und diese in eine *.txt Datei schreiben soll.
Das Programm funktioniert in Labview sehr gut.
Wenn ich jedoch eine executable mit dem application builder erstelle, dann kommte immer eine Fehlermeldung.
In der Fehlermeldung steht, dass die Datei nicht gefunden wird.
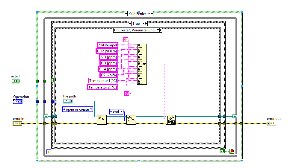
Ich hab unten mal ein picture vom "creat" teil angehängt.
Vielleicht hatte ja jemand schon ein ähnliches Problem.


Angehängte Datei(en) Thumbnail(s)
   
Alle Beiträge dieses Benutzers finden
Diese Nachricht in einer Antwort zitieren to top
Anzeige
19.12.2012, 10:57
Beitrag #2

Y-P Offline
☻ᴥᴥᴥ☻ᴥᴥᴥ☻
LVF-Team

Beiträge: 12.612
Registriert seit: Feb 2006

Developer Suite Core -> LabVIEW 2015 Prof.
2006
EN

71083
Deutschland
RE: txt-Datei erstellen geht nicht?
Lad' am besten mal Dein VI hoch, oder sag' mal wie Dein File-Path aussieht und wie die Fehlermeldung genau lautet.

Gruß Markus

--------------------------------------------------------------------------
Bitte stellt mir keine Fragen über PM, dafür ist das Forum da - andere haben vielleicht auch Interesse an der Antwort !!
--------------------------------------------------------------------------
Alle Beiträge dieses Benutzers finden
Diese Nachricht in einer Antwort zitieren to top
19.12.2012, 11:02 (Dieser Beitrag wurde zuletzt bearbeitet: 19.12.2012 11:06 von Holg.)
Beitrag #3

Holg Offline
LVF-Grünschnabel
*


Beiträge: 39
Registriert seit: Feb 2012

2011
2012
DE



RE: txt-Datei erstellen geht nicht?
Hier mein file-path.

Und so wird es aufgerufen:
Und hier mal das File Modul:


Angehängte Datei(en) Thumbnail(s)
       

11.0 .vi  File Module.vi (Größe: 28,57 KB / Downloads: 386)
Alle Beiträge dieses Benutzers finden
Diese Nachricht in einer Antwort zitieren to top
19.12.2012, 11:25 (Dieser Beitrag wurde zuletzt bearbeitet: 19.12.2012 18:09 von Lucki.)
Beitrag #4

Lucki Offline
Tech.Exp.2.Klasse
LVF-Team

Beiträge: 7.699
Registriert seit: Mar 2006

LV 2016-18 prof.
1995
DE

01108
Deutschland
RE: txt-Datei erstellen geht nicht?
Jetz hast Du aber gemogelt. Das Bedienelement "file path" in Posting #1 ist doch nicht mit einem der FP-Elemente in Posting #3 identisch.
Wie Markus schon sagte: "VI-Hochladen oder ..", wobei die Reihenfolge der Aufzählung etwas über den Informationswert des Postings aussagt.

Uups.. Plötzlich taucht noch eine zweite Grafik auf, die zur ersten passt.
Die Pfaderstellung wäre besser so, aber das hat nichts mit dem Fehler zu tun:
   
Alle Beiträge dieses Benutzers finden
Diese Nachricht in einer Antwort zitieren to top
19.12.2012, 16:32
Beitrag #5

GerdW Offline
______________
LVF-Team

Beiträge: 17.533
Registriert seit: May 2009

LV2019 (LV2021)
1995
DE_EN

10×××
Deutschland
RE: txt-Datei erstellen geht nicht?
Hallo Holg,

Zitat:Wenn ich jedoch eine executable mit dem application builder erstelle, dann kommte immer eine Fehlermeldung.
In der Fehlermeldung steht, dass die Datei nicht gefunden wird.
Wenn der Fehler nur in der Executable auftaucht, dürfte das wohl ein Pfadproblem sein...
- Mit welchem Pfad wird denn der "Create-Teil" aufgerufen?
- Lass dir doch bei einem Fehler ein Dialogfenster anzeigen, welches den Pfad anzeigt (simples Debugging).
- Und wie Lucki schon sagte: Fehler minimiert man durch Verwendung von Pfad-Controls und Pfad-Funktionen statt stur Strings zu verwenden...

P.S.:
Deinen "Write-Teil" könnte man duruch Verwendung eines FormatIntoString-Aufrufs extrem vereinfachen...

Alle Beiträge dieses Benutzers finden
Diese Nachricht in einer Antwort zitieren to top
20.12.2012, 08:55
Beitrag #6

Holg Offline
LVF-Grünschnabel
*


Beiträge: 39
Registriert seit: Feb 2012

2011
2012
DE



RE: txt-Datei erstellen geht nicht?
Ich glaube es liegt überhaupt nicht an der txt Datei.
Ich lad einfach mal das gesamte Programm hoch.
Ich vermute der Fehler kommt von dem Eurotherm Driver den in implementiert habe.
Denn wenn ich die entsprechenden vi´s auskommentiere tritt der Fehler nicht mehr auf.
Aber warum?


Angehängte Datei(en) Thumbnail(s)
   

0.0 .rar  EL2030.rar (Größe: 1,1 MB / Downloads: 460)
Alle Beiträge dieses Benutzers finden
Diese Nachricht in einer Antwort zitieren to top
Anzeige
20.12.2012, 09:04
Beitrag #7

Y-P Offline
☻ᴥᴥᴥ☻ᴥᴥᴥ☻
LVF-Team

Beiträge: 12.612
Registriert seit: Feb 2006

Developer Suite Core -> LabVIEW 2015 Prof.
2006
EN

71083
Deutschland
RE: txt-Datei erstellen geht nicht?
Dein Test.vi funktioniert bei mir.

Gruß Markus

--------------------------------------------------------------------------
Bitte stellt mir keine Fragen über PM, dafür ist das Forum da - andere haben vielleicht auch Interesse an der Antwort !!
--------------------------------------------------------------------------
Alle Beiträge dieses Benutzers finden
Diese Nachricht in einer Antwort zitieren to top
20.12.2012, 09:19 (Dieser Beitrag wurde zuletzt bearbeitet: 20.12.2012 09:26 von Holg.)
Beitrag #8

Holg Offline
LVF-Grünschnabel
*


Beiträge: 39
Registriert seit: Feb 2012

2011
2012
DE



RE: txt-Datei erstellen geht nicht?
genau Test-vi geht bei mir auch. Aber das Hauptprogramm EL2030 bringt die Fehlermeldung wenn ich es als exe erstelle.
Es liegt wie schon gesagt warscheinlich an den Eurotherm Treiber. Der befindet sich auch in der zip Datei.
Der Treiber ist für Labview 2009 geschrieben. Kann das sein, dass es da Probleme gibt?
Hier meine Treiber Implementierung.


Angehängte Datei(en) Thumbnail(s)
   
Alle Beiträge dieses Benutzers finden
Diese Nachricht in einer Antwort zitieren to top
20.12.2012, 09:42
Beitrag #9

Y-P Offline
☻ᴥᴥᴥ☻ᴥᴥᴥ☻
LVF-Team

Beiträge: 12.612
Registriert seit: Feb 2006

Developer Suite Core -> LabVIEW 2015 Prof.
2006
EN

71083
Deutschland
RE: txt-Datei erstellen geht nicht?
Hab' leider die Treiber nicht. Setz' doch mal ein paar "Indicator" an Deine Errorcluster und schau' wo der Fehler genau erzeugt wird.

Gruß Markus

--------------------------------------------------------------------------
Bitte stellt mir keine Fragen über PM, dafür ist das Forum da - andere haben vielleicht auch Interesse an der Antwort !!
--------------------------------------------------------------------------
Alle Beiträge dieses Benutzers finden
Diese Nachricht in einer Antwort zitieren to top
20.12.2012, 09:55 (Dieser Beitrag wurde zuletzt bearbeitet: 20.12.2012 10:01 von Holg.)
Beitrag #10

Holg Offline
LVF-Grünschnabel
*


Beiträge: 39
Registriert seit: Feb 2012

2011
2012
DE



RE: txt-Datei erstellen geht nicht?
Die Treiber sind in der EL2030.zip.
Den Ordner "Eurotherm 32xx Series" einfach hier hin Kopieren:
C:\Program Files (x86)\National Instruments\LabVIEW 2011\instr.lib

Er findet anscheinend die vi´s vom Treiber nicht.
Alle Beiträge dieses Benutzers finden
Diese Nachricht in einer Antwort zitieren to top
30
Antwort schreiben 


Möglicherweise verwandte Themen...
Themen Verfasser Antworten Views Letzter Beitrag
  Exe erstellen funktioniert und EXE ausführen nicht Woodeye 9 5.242 14.04.2025 08:20
Letzter Beitrag: Woodeye
  Exe Datei erstellen für ältere Version Tobiii 3 11.859 24.02.2017 16:28
Letzter Beitrag: jg
  exe geht nicht auf anderen Rechnern Hydrogencarbonat 3 11.952 09.08.2016 16:25
Letzter Beitrag: Hydrogencarbonat
  USRP SubVIs können in .exe Datei nicht geöffnet werden irrational5 3 7.122 17.07.2014 08:26
Letzter Beitrag: GerdW
  EXE erstellen - Option App wird nicht angezeigt Mietzekatze 5 8.891 07.04.2014 09:21
Letzter Beitrag: Mietzekatze
  EXE erstellen funktioniert nicht dernp 4 9.235 18.01.2013 14:00
Letzter Beitrag: dernp

Gehe zu: