INFO: Dieses Forum nutzt Cookies...
Cookies sind für den Betrieb des Forums unverzichtbar. Mit der Nutzung des Forums erklärst Du dich damit einverstanden, dass wir Cookies verwenden.

Es wird in jedem Fall ein Cookie gesetzt um diesen Hinweis nicht mehr zu erhalten. Desweiteren setzen wir Google Adsense und Google Analytics ein.


Antwort schreiben 

vi Projekt muss nach jeder Messung neu gestartet werden



Wenn dein Problem oder deine Frage geklärt worden ist, markiere den Beitrag als "Lösung",
indem du auf den "Lösung" Button rechts unter dem entsprechenden Beitrag klickst. Vielen Dank!

18.10.2011, 13:01
Beitrag #1

heinz123 Offline
LVF-Grünschnabel
*


Beiträge: 10
Registriert seit: Oct 2011

8.6
-
kA



vi Projekt muss nach jeder Messung neu gestartet werden
Hallo ihr Profis,
bin leider noch keiner von euch Sad ....ich hoff mal des wird noch.
Da dies für ein Projekt eilig ist und ich mit LabView bisher noch nicht gearbeitet habe,
wäre es genial wenn mir jemand zügig helfen könnte.

Es geht um ein Lab View vi, das Messwerte eines Temperaturmessgerätes aufnimmt und abspeichert.
Soweit so gut.
Leider muss Labview nach jeder Messreihe beendet und erneut gestartet werden um die nächste
Messreihe ausführen zu können.
Da viele Messreihen nacheinander aufgenommen werden sollen, sollte das Programm nicht jedes mal beendet und
neugestartet werden.

Meine Vermutung ist, dass zwischen jeder Messreihe nicht initialisiert ist, dies aber für den geschilderten Fall von Nöten ist!
Stimmt dies oder lieg ich damit komplett falsch?
Und vor allem wie kann das praktisch umgesetzt werden?
Wie gesagt ich bin leider noch blutiger Anfänger!

Ich hoffe ihr habt mir einige Vorschläge zur Lösung meines Problemes.

Gruß Heinz
Alle Beiträge dieses Benutzers finden
Diese Nachricht in einer Antwort zitieren to top
Anzeige
18.10.2011, 13:41
Beitrag #2

jg Offline
CLA & CLED
LVF-Team

Beiträge: 15.864
Registriert seit: Jun 2005

20xx / 8.x
1999
EN

Franken...
Deutschland
RE: vi Projekt muss nach jeder Messung neu gestartet werden
Glas2
Da mir meine Glaskugel nicht erzählt, was du wie programmiert hast, kann ich dir auch keine konkrete Antwort geben.

Aber wenn etwas mehrfach durchgeführt werden soll, dann soll es helfen, eine While-Loop in das Haupt-VI einzubauen.

Gruß, Jens

P.S.: Das ist sicher kein LV-Bug, deshalb Verschoben

Wer die erhabene Weisheit der Mathematik tadelt, nährt sich von Verwirrung. (Leonardo da Vinci)

!! BITTE !! stellt mir keine Fragen über PM, dafür ist das Forum da - andere haben vielleicht auch Interesse an der Antwort!

Einführende Links zu LabVIEW, s. GerdWs Signatur.
Alle Beiträge dieses Benutzers finden
Diese Nachricht in einer Antwort zitieren to top
18.10.2011, 20:51
Beitrag #3

heinz123 Offline
LVF-Grünschnabel
*


Beiträge: 10
Registriert seit: Oct 2011

8.6
-
kA



RE: vi Projekt muss nach jeder Messung neu gestartet werden
Servus Jens,
ich habe ja leider auch keine Ahnung von dem Programm,
habe auch nichts an diesem programmiert, sondern soll lediglich das Genannte ändern...
Ne while Schleife einbinden habe ich mir auch schon überlegt, kann mir aber nicht vorstellen wie ich das mit
der Initialisierung hinbekommen kann.

Gruß Heinz
Alle Beiträge dieses Benutzers finden
Diese Nachricht in einer Antwort zitieren to top
18.10.2011, 22:08
Beitrag #4

jg Offline
CLA & CLED
LVF-Team

Beiträge: 15.864
Registriert seit: Jun 2005

20xx / 8.x
1999
EN

Franken...
Deutschland
RE: vi Projekt muss nach jeder Messung neu gestartet werden
Ohne Kenntnis des Sourcecodes (Wink mit Zaunpfahl, VI hochladen Big Grin) kann das alles Mögliche sein.

Gruß, Jens

Wer die erhabene Weisheit der Mathematik tadelt, nährt sich von Verwirrung. (Leonardo da Vinci)

!! BITTE !! stellt mir keine Fragen über PM, dafür ist das Forum da - andere haben vielleicht auch Interesse an der Antwort!

Einführende Links zu LabVIEW, s. GerdWs Signatur.
Alle Beiträge dieses Benutzers finden
Diese Nachricht in einer Antwort zitieren to top
19.10.2011, 06:39
Beitrag #5

NWOmason Offline
Simultator
*****


Beiträge: 1.078
Registriert seit: Dec 2010

2012.SP1
2008
EN

93047
Deutschland
RE: vi Projekt muss nach jeder Messung neu gestartet werden
Hallo Heinz,

(18.10.2011 20:51 )heinz123 schrieb:  Ne while Schleife einbinden habe ich mir auch schon überlegt, kann mir aber nicht vorstellen wie ich das mit
der Initialisierung hinbekommen kann.

Generell kann man sagen, die intialisierung der Schnittstelle vor der Whileschleife vornehmen. Die Erfassung der Messdaten und das Speichern in die Schleife. Genaueres können wir - wie bereits erwähnt - erst sagen, wenn wir den Code gesehen haben.



(18.10.2011 13:01 )heinz123 schrieb:  Da dies für ein Projekt eilig ist und ich mit LabView bisher noch nicht gearbeitet habe,
....

Wie gesagt ich bin leider noch blutiger Anfänger!

Selbst wenn das Projekt eilt, könnte sich der ein oder andere Blick auf die folgenden Links vorab lohnen:


Getting Started with NI LabVIEW Student Training
http://zone.ni.com/devzone/cda/tut/p/id/7466

Introduction to NI LabVIEW - Learn LabVIEW Basics
http://www.ni.com/gettingstarted/labviewbasics/

Das Projekt lässt sich mit ziemlicher Sicherheit besser durchführen, wenn die Basics bekannt sind.

Beste Grüße,
NWO

9 von 10 Stimmen in meinem Kopf sagen: Ich bin nicht verrückt,
die andere summt die Melodie von Tetris
.

NI schrieb:To use the abort button is like using a tree to stop a car!

(20.01.2012 11:02 )NWOmason schrieb:  Getting Started with NI LabVIEW Student Training
http://zone.ni.com/devzone/cda/tut/p/id/7466

Introduction to NI LabVIEW - Learn LabVIEW Basics
http://www.ni.com/gettingstarted/labviewbasics/

Top 5 der Empfehlungen für LabVIEW-Einsteiger
http://www.ni.com/newsletter/51735/de/
Alle Beiträge dieses Benutzers finden
Diese Nachricht in einer Antwort zitieren to top
19.10.2011, 15:29
Beitrag #6

heinz123 Offline
LVF-Grünschnabel
*


Beiträge: 10
Registriert seit: Oct 2011

8.6
-
kA



RE: vi Projekt muss nach jeder Messung neu gestartet werden
Vielen Dank schonmal für die Antworten.
Leider kann ich mein vi mitsamt den sub vi's nicht hochladen, da der Speicherplatz dafür wohl
zu groß ist. Morgen werde ich ein Blockschaltplan vom vi hochladen.
Ich hoffe das bringt euch auch die nötigen Informationen.
Gruß Heinz
Alle Beiträge dieses Benutzers finden
Diese Nachricht in einer Antwort zitieren to top
Anzeige
20.10.2011, 06:15
Beitrag #7

NWOmason Offline
Simultator
*****


Beiträge: 1.078
Registriert seit: Dec 2010

2012.SP1
2008
EN

93047
Deutschland
RE: vi Projekt muss nach jeder Messung neu gestartet werden
(19.10.2011 15:29 )heinz123 schrieb:  Leider kann ich mein vi mitsamt den sub vi's nicht hochladen, da der Speicherplatz dafür wohl
zu groß ist

Wie viele VIs sind das denn Blink? Wenn sich keine großen Hintergrundbilder auf dem FP verstecken, sollten auch 50 VIs kein Problem sein. Außerdam kann man ja zippen Smile

Beste Grüße,
NWO

9 von 10 Stimmen in meinem Kopf sagen: Ich bin nicht verrückt,
die andere summt die Melodie von Tetris
.

NI schrieb:To use the abort button is like using a tree to stop a car!

(20.01.2012 11:02 )NWOmason schrieb:  Getting Started with NI LabVIEW Student Training
http://zone.ni.com/devzone/cda/tut/p/id/7466

Introduction to NI LabVIEW - Learn LabVIEW Basics
http://www.ni.com/gettingstarted/labviewbasics/

Top 5 der Empfehlungen für LabVIEW-Einsteiger
http://www.ni.com/newsletter/51735/de/
Alle Beiträge dieses Benutzers finden
Diese Nachricht in einer Antwort zitieren to top
20.10.2011, 07:03 (Dieser Beitrag wurde zuletzt bearbeitet: 20.10.2011 20:35 von jg.)
Beitrag #8

heinz123 Offline
LVF-Grünschnabel
*


Beiträge: 10
Registriert seit: Oct 2011

8.6
-
kA



RE: vi Projekt muss nach jeder Messung neu gestartet werden
Morgen zusammen,
hab se nicht gezählt....sind aber schon einige und gezippt definitiv zu groß zum Hochladen.
Das wollt ich gestern schon machen hat aber auf Grund der Größe nicht funktioniert.
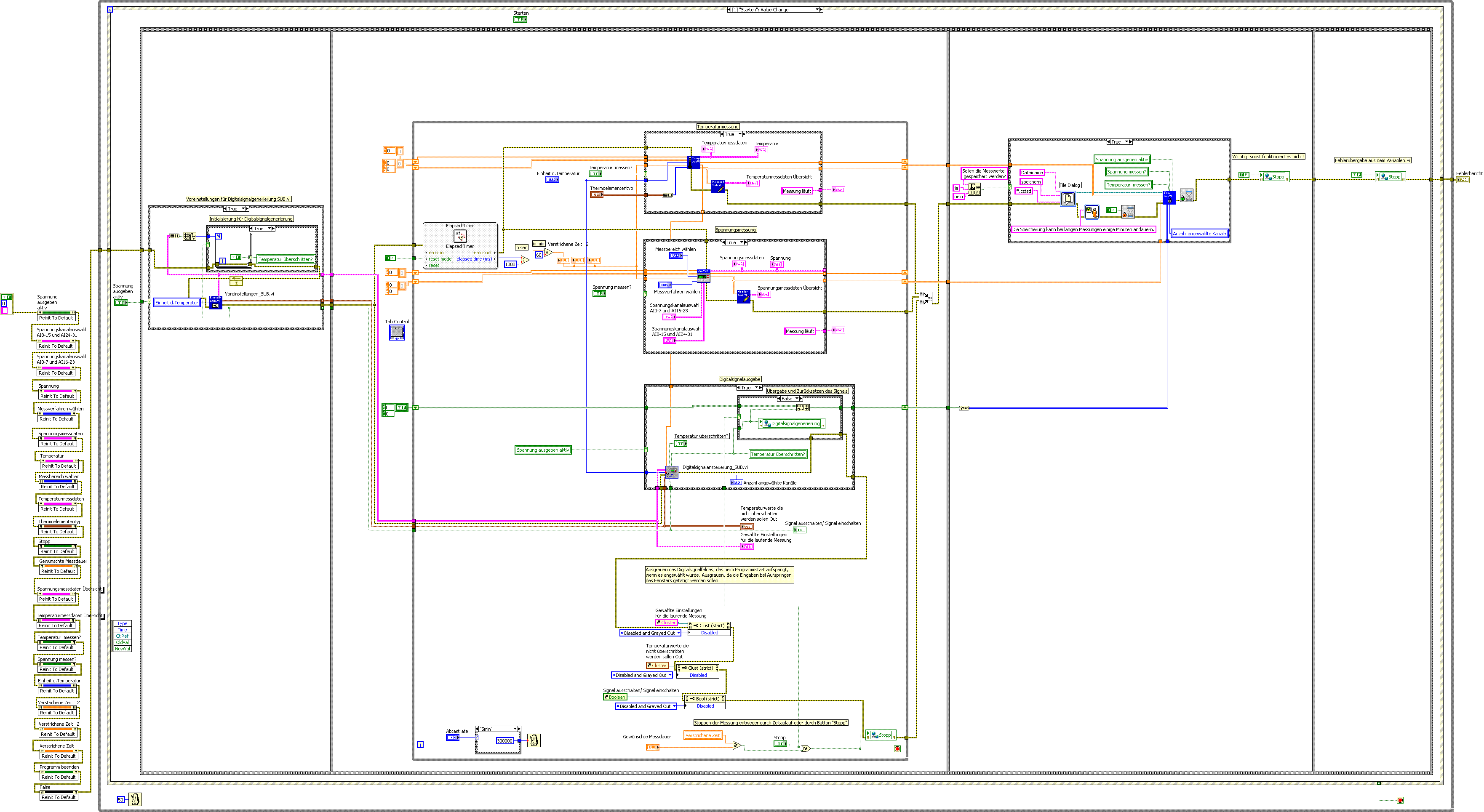
Hier nun das Blockschaltbild des vi's.
Gruß Heinz

   
Alle Beiträge dieses Benutzers finden
Diese Nachricht in einer Antwort zitieren to top
20.10.2011, 08:12
Beitrag #9

mkf Offline
CLAD


Beiträge: 8
Registriert seit: Mar 2011

2010
2010
DE


Deutschland
RE: vi Projekt muss nach jeder Messung neu gestartet werden
Wenn das VI nur beim ersten Start von Labview funktioniert, dann ist fast sicher ein Schieberegister nicht initialisiert.
Außerdem solltest du mal die Rückkopplungsknoten (vielleicht sind noch mehr drin als der eine den ich gesehen hab) durch Schiebregister ersetzen.
Alle Beiträge dieses Benutzers finden
Diese Nachricht in einer Antwort zitieren to top
20.10.2011, 12:08
Beitrag #10

heinz123 Offline
LVF-Grünschnabel
*


Beiträge: 10
Registriert seit: Oct 2011

8.6
-
kA



RE: vi Projekt muss nach jeder Messung neu gestartet werden
Genau das VI funktioniert nur beim ersten Start, danach muss es neugestartet werden bis es wieder funktioniert.
Nun habe ich versucht die Schieberegister zu initialisieren, dies ist mir leider nicht gelungen.
Für dies und für das Ersetzen des Rückkopplungsknoten (habe nur einen finden können) wäre ich um eine Anleitung dankbar da ich im Handbuch von LabView nichts dazu gefunden habe.

Beste Grüße
Alle Beiträge dieses Benutzers finden
Diese Nachricht in einer Antwort zitieren to top
Antwort schreiben 


Möglicherweise verwandte Themen...
Themen Verfasser Antworten Views Letzter Beitrag
  Muss man Referenzen von controls überhaupt schließen? dimitri84 4 5.577 21.04.2022 11:57
Letzter Beitrag: dimitri84
  Zeitstempel hinter jeder messaufnahme bachatero18 5 4.447 17.02.2019 11:50
Letzter Beitrag: Lucki
  Neuentdeckung in der Palette, hat diese Funktion jeder? Lucki 1 3.624 25.04.2016 16:22
Letzter Beitrag: jg
  Projekt in anderes Projekt einbinden A.Limbach 4 7.940 19.09.2014 11:52
Letzter Beitrag: A.Limbach
  Projekt verbleibt nach Schließen im Speicher danielsan 1 3.342 14.05.2013 08:16
Letzter Beitrag: Y-P
  String Feld muss gefüllt sein. erzengelsamael 4 6.376 04.04.2013 14:34
Letzter Beitrag: GerdW

Gehe zu: