INFO: Dieses Forum nutzt Cookies...
Cookies sind für den Betrieb des Forums unverzichtbar. Mit der Nutzung des Forums erklärst Du dich damit einverstanden, dass wir Cookies verwenden.

Es wird in jedem Fall ein Cookie gesetzt um diesen Hinweis nicht mehr zu erhalten. Desweiteren setzen wir Google Adsense und Google Analytics ein.


Antwort schreiben 

write to spreadsheet file - werte unvollständig abgelegt



Wenn dein Problem oder deine Frage geklärt worden ist, markiere den Beitrag als "Lösung",
indem du auf den "Lösung" Button rechts unter dem entsprechenden Beitrag klickst. Vielen Dank!

24.09.2008, 19:19
Beitrag #1

??? Offline
LVF-Neueinsteiger


Beiträge: 7
Registriert seit: Sep 2008

2009
-
en

7743
Deutschland
write to spreadsheet file - werte unvollständig abgelegt
Hallo,

ich habe ein Problem wenn ich ein 2D-Array in ein spreadsheet file schreiben will. Das Array besteht aus ca. 700 Werte und 8 Spalten, es werden aber nur 150 Werte in der Datei gespeichert, wenn ich sie nach Programmende aufrufe. Seltsam ist auch, dass ich in einer FOR-Schleife 4x ein Array in 4 verschiedene Dateien schreibe und bei jeder Iteration werden mehr Werten gespeichert, aber nie der komplette Datensatz aus dem Array. Also beim 4. Array sind es bspw. immerhin 250 Werte. Ich steh schon seit Tagen auf dem Schlauch und hoffe ihr könnt mir weiterhelfen...

Übrigens funktioniert dieselbe Routine in LabVIEW 5.1 einwandfrei, nur in 7.1 sind die Daten seltsamerweise unvollständig. Ich hab aber nix verändert in dieser Sequenz...
Alle Beiträge dieses Benutzers finden
Diese Nachricht in einer Antwort zitieren to top
Anzeige
24.09.2008, 19:31
Beitrag #2

jg Offline
CLA & CLED
LVF-Team

Beiträge: 15.864
Registriert seit: Jun 2005

20xx / 8.x
1999
EN

Franken...
Deutschland
write to spreadsheet file - werte unvollständig abgelegt
Ohne Einblick in den Sourcecode kann ich da auch nur raten...

Also, Minimum ist Screenshot hochladen, besser noch VI.

Gruß, Jens

Wer die erhabene Weisheit der Mathematik tadelt, nährt sich von Verwirrung. (Leonardo da Vinci)

!! BITTE !! stellt mir keine Fragen über PM, dafür ist das Forum da - andere haben vielleicht auch Interesse an der Antwort!

Einführende Links zu LabVIEW, s. GerdWs Signatur.
Alle Beiträge dieses Benutzers finden
Diese Nachricht in einer Antwort zitieren to top
24.09.2008, 20:07
Beitrag #3

??? Offline
LVF-Neueinsteiger


Beiträge: 7
Registriert seit: Sep 2008

2009
-
en

7743
Deutschland
write to spreadsheet file - werte unvollständig abgelegt
danke für die schnelle antwort!
Werde morgen früh was hochladen, da die dateien auf arbeit sind...
Alle Beiträge dieses Benutzers finden
Diese Nachricht in einer Antwort zitieren to top
25.09.2008, 05:24
Beitrag #4

??? Offline
LVF-Neueinsteiger


Beiträge: 7
Registriert seit: Sep 2008

2009
-
en

7743
Deutschland
write to spreadsheet file - werte unvollständig abgelegt
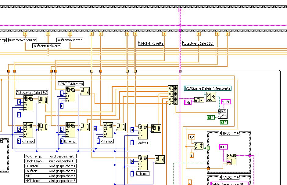
Ich hoffe der Screenshot reicht erstmal, das VI ist sehr komplex und etwas unübersichtlich...

   
Alle Beiträge dieses Benutzers finden
Diese Nachricht in einer Antwort zitieren to top
25.09.2008, 06:16
Beitrag #5

Achim Offline
*****
*****


Beiträge: 4.226
Registriert seit: Nov 2005

20xx
2000
EN

978xx
Deutschland
write to spreadsheet file - werte unvollständig abgelegt
Hi,
bist du sicher, das auch genügend Werte (Zeilen) pro Schleifendurchlauf vorhanden sind? Hast du mal ne Probe gesetzt oder das VI mal mit Dummy-Werten in der Schleife laufen lassen? Die Anzahl der Spalten stimmt ja scheinbar, oder?

Gruß
Achim

"Is there some mightier sage, of whom we have yet to learn?"

"Opportunity is missed by most people because it is dressed in overalls and looks like work." (Thomas Edison)
Alle Beiträge dieses Benutzers finden
Diese Nachricht in einer Antwort zitieren to top
25.09.2008, 10:08
Beitrag #6

??? Offline
LVF-Neueinsteiger


Beiträge: 7
Registriert seit: Sep 2008

2009
-
en

7743
Deutschland
write to spreadsheet file - werte unvollständig abgelegt
Vielen dank schonmal für den Tip mit der Probe! :)Die Werte kommen tatsächlich nicht vollständig an, nach Array Subset geht was verloren, vorher sind die Daten noch komplett...jetzt muss ich nur noch herausfinden woran es liegt...
Alle Beiträge dieses Benutzers finden
Diese Nachricht in einer Antwort zitieren to top
Anzeige
25.09.2008, 14:06
Beitrag #7

??? Offline
LVF-Neueinsteiger


Beiträge: 7
Registriert seit: Sep 2008

2009
-
en

7743
Deutschland
write to spreadsheet file - werte unvollständig abgelegt
ich bin echt ratlos, hab jetzt nichmal ein versuch mit probedaten gemacht und da waren die daten nach 'array erstellen' wieder vollständig nur in der excel tabelle leider nicht...

hat noch jemand eine idee?

Huh
Alle Beiträge dieses Benutzers finden
Diese Nachricht in einer Antwort zitieren to top
30
Antwort schreiben 


Möglicherweise verwandte Themen...
Themen Verfasser Antworten Views Letzter Beitrag
  Probleme mit "Write to Measurement File" bastipa93 11 12.577 04.06.2020 05:29
Letzter Beitrag: bastipa93
  2 D Array wird falsch in spreadsheet gespeichert Brainbug 2 5.614 03.06.2014 13:35
Letzter Beitrag: Brainbug
  Uhrzeit/Datum über "Write to Measurement File" Sandro5 10 13.195 22.05.2014 11:21
Letzter Beitrag: Sandro5
  Write to Spreadsheet File => Daten werden nicht rein geschrieben nusser 8 10.217 14.01.2014 21:06
Letzter Beitrag: jg
  Signal wird in "Write to spreadsheet" falsch dargestellt redhand 4 6.981 19.11.2013 10:51
Letzter Beitrag: redhand
  Pfad eingeben bei "write spreadsheet" Labview-Beginner 9 12.648 11.09.2013 16:27
Letzter Beitrag: jg

Gehe zu: