INFO: Dieses Forum nutzt Cookies...
Cookies sind für den Betrieb des Forums unverzichtbar. Mit der Nutzung des Forums erklärst Du dich damit einverstanden, dass wir Cookies verwenden.

Es wird in jedem Fall ein Cookie gesetzt um diesen Hinweis nicht mehr zu erhalten. Desweiteren setzen wir Google Adsense und Google Analytics ein.


Antwort schreiben 

Min- und Max- Werte ausschließlich anzeigen lassen



Wenn dein Problem oder deine Frage geklärt worden ist, markiere den Beitrag als "Lösung",
indem du auf den "Lösung" Button rechts unter dem entsprechenden Beitrag klickst. Vielen Dank!

19.08.2010, 21:32
Beitrag #1

Safa Offline
LVF-Gelegenheitsschreiber
**


Beiträge: 76
Registriert seit: May 2009

2010
-
kA

44866
Deutschland
Min- und Max- Werte ausschließlich anzeigen lassen
Hallo,

ich stehe mal wieder vor einem Problem mit dem XY-Graphen. Ich nehme Messwerte in einem XY-Graphen auf. Es handelt sich dabei um Längenänderungswerte und Zyklenwerte. Ich erhalte also viele senkrechte Linien nebeneinander. Würde mir gerne nur die Min- und Max- Werte pro Zyklus anzeigen lassen. Dachte mir, man könnte das über die Property-Nodes erreichen, da ich in den Unterpunkten irgendwas von "Nur Maxima anzeigen" gelesen habe.
Ist dies prinzipiell möglich? oder sollte man eher im Programmablauf die entsprechenden Werte in einen Array packen und dann an den Graphen weiter geben?

Wäre wiedermal für eure Hilfe dankbar.
Gruß,
Safa
Alle Beiträge dieses Benutzers finden
Diese Nachricht in einer Antwort zitieren to top
Anzeige
19.08.2010, 21:36
Beitrag #2

Y-P Offline
☻ᴥᴥᴥ☻ᴥᴥᴥ☻
LVF-Team

Beiträge: 12.612
Registriert seit: Feb 2006

Developer Suite Core -> LabVIEW 2015 Prof.
2006
EN

71083
Deutschland
Min- und Max- Werte ausschließlich anzeigen lassen
Kannst Du mal ein kleines Bsp. machen, wie Deine Signale aussehen, und welche Werte für Dich relevant sind. Am besten lädst Du mal ein paar Bsp. Werte hoch.

Gruß Markus

--------------------------------------------------------------------------
Bitte stellt mir keine Fragen über PM, dafür ist das Forum da - andere haben vielleicht auch Interesse an der Antwort !!
--------------------------------------------------------------------------
Alle Beiträge dieses Benutzers finden
Diese Nachricht in einer Antwort zitieren to top
22.08.2010, 18:21 (Dieser Beitrag wurde zuletzt bearbeitet: 22.08.2010 18:22 von Safa.)
Beitrag #3

Safa Offline
LVF-Gelegenheitsschreiber
**


Beiträge: 76
Registriert seit: May 2009

2010
-
kA

44866
Deutschland
Min- und Max- Werte ausschließlich anzeigen lassen
Hallo Y-P:

Ich werde mein Programm so vereinfachen, das der Datenfluss ersichtlich ist. Stelle dann ein Beispiel VI zur Verfügung, sobald dies geschehen ist.
Ich lade schonmal ein paar Werte in einer Editor-Datei hoch. In diese Datei sollten eigentlich neben jedem Längenwert die Zahl des Zykluses stehen.
(Damit jeweils eine x- bzw. y- Koordinate zur Verfügung steht.)

Zum Programm:
Die For-Schleife zählt die Anzahl der Zyklen hoch, in einem Array werden Daten gespeichert, welche von einer Messkarte ausgesendet werden (Längenänderungen werden hier erfasst.). Also es werden pro Zyklus alle auftretenden Längenänderungswerte in einem Array festgehalten und "just in time" per lokale Variable in den Graphen geplottet.

Hoffe dass Hilf weiter, um mir bei meinem Problem zu helfen.

Gruß,
Safa


Angehängte Datei(en)
Sonstige .txt  Beispielwerte.txt (Größe: 10,32 KB / Downloads: 450)
Alle Beiträge dieses Benutzers finden
Diese Nachricht in einer Antwort zitieren to top
23.08.2010, 10:19 (Dieser Beitrag wurde zuletzt bearbeitet: 23.12.2010 14:44 von Lucki.)
Beitrag #4

Lucki Offline
Tech.Exp.2.Klasse
LVF-Team

Beiträge: 7.699
Registriert seit: Mar 2006

LV 2016-18 prof.
1995
DE

01108
Deutschland
Min- und Max- Werte ausschließlich anzeigen lassen
Habe mal die von Dir geposteten Daten zyklusweise geplottet. Vielleicht lässt sich dann beser erklären was Du willst - ich verstehs nämlich immer noch nicht.
   
Alle Beiträge dieses Benutzers finden
Diese Nachricht in einer Antwort zitieren to top
23.08.2010, 23:10
Beitrag #5

Safa Offline
LVF-Gelegenheitsschreiber
**


Beiträge: 76
Registriert seit: May 2009

2010
-
kA

44866
Deutschland
Min- und Max- Werte ausschließlich anzeigen lassen
Hallo,
eigentlich sollte der Graph anders aussehen.
Ich habe mal ein "Beispielbild" gemalt, damit mein Problem vielleicht deutlicher wird.

Stelle gerade noch das vereinfachte VI dar und lade es dann hoch.

bis später,

Gruß,
Safa


Angehängte Datei(en) Thumbnail(s)
   
Alle Beiträge dieses Benutzers finden
Diese Nachricht in einer Antwort zitieren to top
24.08.2010, 07:22
Beitrag #6

GerdW Offline
______________
LVF-Team

Beiträge: 17.536
Registriert seit: May 2009

LV2019 (LV2021)
1995
DE_EN

10×××
Deutschland
Min- und Max- Werte ausschließlich anzeigen lassen
Hallo Safa,

dann bestimme doch einfach das Minimum und Maximum der jeweiligen Kurve (ArrayMinMax) und plotte nur diese Punkte...

Alle Beiträge dieses Benutzers finden
Diese Nachricht in einer Antwort zitieren to top
24.08.2010, 08:53
Beitrag #7

Lucki Offline
Tech.Exp.2.Klasse
LVF-Team

Beiträge: 7.699
Registriert seit: Mar 2006

LV 2016-18 prof.
1995
DE

01108
Deutschland
Min- und Max- Werte ausschließlich anzeigen lassen
Wahrscheinlich meint er es so:
(Das VI ist etwas umständlich, da ich es aus dem vorhergehendem mit mit möglichst geringem zusätzlichen Aufwand erstellt habe)
   
Alle Beiträge dieses Benutzers finden
Diese Nachricht in einer Antwort zitieren to top
26.08.2010, 11:38
Beitrag #8

Safa Offline
LVF-Gelegenheitsschreiber
**


Beiträge: 76
Registriert seit: May 2009

2010
-
kA

44866
Deutschland
Min- und Max- Werte ausschließlich anzeigen lassen
Hm.
Danke für eure Antworten. Irgendwie bekomme ich mein VI nicht vereinfacht, sodass ich euch dass hier hochladen kann. Es ist nicht funktionsfähig ohne die Geräte...

Also ich versuchs mal mit einem Screenshot.
@GerdW:
Ich würde ungerne mit min/max Array arbeiten, wenn es über die PropertyNodes lösbar ist.

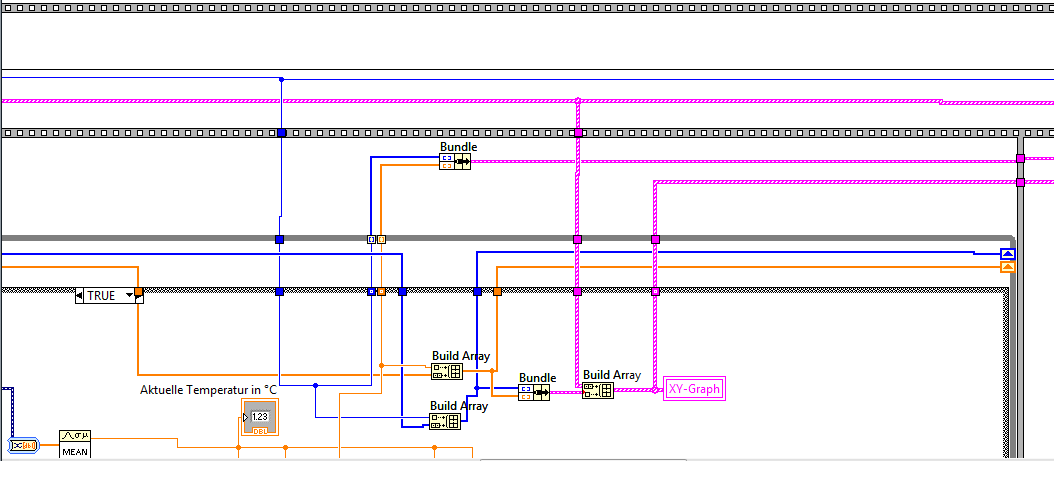
Also in meinem Bild ist zu sehen:
Die blauen Linien sind die Anzahl der Zyklen, welche von einer For-Schleife abgegriffen werden. Die dickere blaue Linie stellt ein Shift-Register dar, welches die Anzahlen der Zyklen in einem Array speichert. Analog funktioniert das ganze mit den orangenen Linien, diese sind Werte aus der Messkarte für die Länge. Die dickere orangene Linie ist benfalls ein Shift-Register, welches alle Werte speichert und an das Array weitergibt. Beide Arrays werden gebündelt und in den Graphen gepackt.Wie kann ich nun die Min/Max-Werte am Besten abgreifen?

@Lucki:
Ich kann deinem VI nicht ganz folgen, da mir einige Symbole nicht bekannt sind, ist für mich als Neuling etwas kompliziert:(Sorry.
Vielleicht kannst Du mir nochmal anhand meines Bildes ein VI bauen, welches das gezeigte Ergebnis liefert? Oder mir vielleicht nochmals bei der Umsetzung helfen? Das wäre nettSmile

Gruß,
Safa


Angehängte Datei(en) Thumbnail(s)
   
Alle Beiträge dieses Benutzers finden
Diese Nachricht in einer Antwort zitieren to top
28.08.2010, 23:16
Beitrag #9

Safa Offline
LVF-Gelegenheitsschreiber
**


Beiträge: 76
Registriert seit: May 2009

2010
-
kA

44866
Deutschland
Min- und Max- Werte ausschließlich anzeigen lassen
Hallo,
hänge leider immer noch an dem Problem festSad

Ich habe nun versucht den Vorschlag von GerdW umzusetzen. Habe die Min und Max-Werte aus dem ankommenden Array bestimmt und in den Graphen zum plotten gegeben. Leider kommen immer noch nicht die Min und Max-Werte an. Der Graph sollte eigentlich wie bei Lucki aussehen (evtl ohne die Strichverbindung)

Ich hänge nochmal ein Bild an, um zu zeigen was ich gemacht habe. Vielleicht kann mir jemand nochmal bitte sagen, wo mein Fehler liegt.

Vielen Dank,

Gruß,
Safa


Angehängte Datei(en) Thumbnail(s)
   
Alle Beiträge dieses Benutzers finden
Diese Nachricht in einer Antwort zitieren to top
28.08.2010, 23:55
Beitrag #10

Matze Offline
LVF-Team
LVF-Team

Beiträge: 1.027
Registriert seit: Apr 2010

20xx
2010
DE_EN

7xxxx
Deutschland
Min- und Max- Werte ausschließlich anzeigen lassen
Hallo Safa,

ich habe dir Luckis VI nachgebaut und angehängt. Da kannst du die einzelnen SubVIs mit deinen vergleichen.


Sonstige .vi  minmax.vi (Größe: 27,49 KB / Downloads: 377)
Lv85_img

   

Grüße
Alle Beiträge dieses Benutzers finden
Diese Nachricht in einer Antwort zitieren to top
Antwort schreiben 


Möglicherweise verwandte Themen...
Themen Verfasser Antworten Views Letzter Beitrag
  Signalverlaufsdiagramm - Zeit in s anzeigen lassen Lifter 1 5.362 05.12.2013 08:42
Letzter Beitrag: Lucki
  0 Sprung nicht Anzeigen lassen im XY Graph Magusi 8 7.857 22.11.2013 12:37
Letzter Beitrag: Magusi
  Daten nacheinander anzeigen lassen Lutz 11 10.760 08.12.2012 12:10
Letzter Beitrag: Lutz
  (Mess-)Werte laufend ausgeben lassen Elliel 2 4.423 01.09.2011 13:27
Letzter Beitrag: Elliel
  Werte in XY graphen fest anzeigen lycaner274 22 21.401 13.04.2011 14:45
Letzter Beitrag: Lucki
  Mehrere Excel-Dateien in einem Graph anzeigen lassen Graf_Nasenbär 13 17.144 18.03.2011 10:21
Letzter Beitrag: Graf_Nasenbär

Gehe zu: