INFO: Dieses Forum nutzt Cookies...
Cookies sind für den Betrieb des Forums unverzichtbar. Mit der Nutzung des Forums erklärst Du dich damit einverstanden, dass wir Cookies verwenden.

Es wird in jedem Fall ein Cookie gesetzt um diesen Hinweis nicht mehr zu erhalten. Desweiteren setzen wir Google Adsense und Google Analytics ein.


Antwort schreiben 

XY-Graph+Encoder zu 3D-Oberfläche



Wenn dein Problem oder deine Frage geklärt worden ist, markiere den Beitrag als "Lösung",
indem du auf den "Lösung" Button rechts unter dem entsprechenden Beitrag klickst. Vielen Dank!

23.07.2011, 08:55
Beitrag #1

Fabian123
Unregistered


 







XY-Graph+Encoder zu 3D-Oberfläche
Hallo,

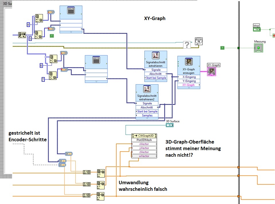
ich habe ein Problem bei LabView. Ich soll mit einem Laser Oberflächenprofile vermessen. Diese werden dann in einem XY-Graph angezeigt. Der Encoder wird verwendet, um die Messung bei einer bestimmten Anzahl an Schitten auszulösen. Mein Problem ist nun die XY-Daten und encoder-Signale sinnvoll in einen 3D Oberflächengraphen zu überführen. Nach jeder Profilmessung soll der Wert in den 3D Graphen übetragen werden, sodass Schritt für Schritt die Oberfläche sichtbar wird.

Ich habe schon einiges probiert, aber leider wird immer nur ein Messpunkt in den 3D Graph übetragen, sodass wirre Grafiken erscheinen nach mehreren Messvorgängen. Meiner Meinung nach stimmt die Umwandlung der Daten von XY-Graphen zu 3D nicht.

Da ich leider nur LabView 8.5 verwenden kann, muss ich leider auf die 3D Graphen Wasserfall etc verzichten, die in den höheren Versionen zu finden sind.


Im Anhang findet ihr Screenshoots, wie der 3d Graph ungefähr ausschauen sollte und einen Ausschnitt meines Programms

Lv85_img


Angehängte Datei(en) Thumbnail(s)
       
Diese Nachricht in einer Antwort zitieren to top
Anzeige
25.07.2011, 07:22 (Dieser Beitrag wurde zuletzt bearbeitet: 25.07.2011 07:24 von Andora.)
Beitrag #2

Andora Offline
LVF-Gelegenheitsschreiber
**


Beiträge: 124
Registriert seit: Jul 2008

2009
2001
de

81539
Deutschland
RE: XY-Graph+Encoder zu 3D-Oberfläche
(23.07.2011 08:55 )Fabian123 schrieb:  ... aber leider wird immer nur ein Messpunkt in den 3D Graph übetragen

Hallo Fabian,

ich glaube, mit     , ohne etwas daran angeschlossen zu haben, erzeugst nur ein Punkt, was du zu sehen bekommst. Ich würde an "Teil-Array"     verzichten.

Gruß,
Daniel
Alle Beiträge dieses Benutzers finden
Diese Nachricht in einer Antwort zitieren to top
25.07.2011, 08:33
Beitrag #3

Fabian123
Unregistered


 







RE: XY-Graph+Encoder zu 3D-Oberfläche
Hi Andora,

danke für den Tip. Ich werde ihn glaub mal probieren.

Grüße Fabian
Diese Nachricht in einer Antwort zitieren to top
25.07.2011, 09:37
Beitrag #4

Fabian123
Unregistered


 







RE: XY-Graph+Encoder zu 3D-Oberfläche
Der Tip hat leider nicht funktioniert. Es wird immer noch pro Messung nur 1 Punkt auf dem Graphen dargestellt.

Findet keiner den Fehler?


Grüße Fabian
Diese Nachricht in einer Antwort zitieren to top
25.07.2011, 10:21
Beitrag #5

Y-P Offline
☻ᴥᴥᴥ☻ᴥᴥᴥ☻
LVF-Team

Beiträge: 12.612
Registriert seit: Feb 2006

Developer Suite Core -> LabVIEW 2015 Prof.
2006
EN

71083
Deutschland
RE: XY-Graph+Encoder zu 3D-Oberfläche
Lad' mal Dein VI hoch.

Gruß Markus

--------------------------------------------------------------------------
Bitte stellt mir keine Fragen über PM, dafür ist das Forum da - andere haben vielleicht auch Interesse an der Antwort !!
--------------------------------------------------------------------------
Alle Beiträge dieses Benutzers finden
Diese Nachricht in einer Antwort zitieren to top
25.07.2011, 10:58
Beitrag #6

Fabian123
Unregistered


 







RE: XY-Graph+Encoder zu 3D-Oberfläche
Leider kann ich das komplette Vi nicht hochladen. Ich habe nur die relevanten Bausteine im Vi belassen. Damit müsste man eigentlich den Fehler finden.


Grüße Fabian


Angehängte Datei(en)
8.5 .vi  3D-Fehler.vi (Größe: 189,73 KB / Downloads: 275)
Diese Nachricht in einer Antwort zitieren to top
Anzeige
26.07.2011, 20:42
Beitrag #7

jg Offline
CLA & CLED
LVF-Team

Beiträge: 15.864
Registriert seit: Jun 2005

20xx / 8.x
1999
EN

Franken...
Deutschland
RE: XY-Graph+Encoder zu 3D-Oberfläche
Hier einmal eine Variante, die dir in einer Simulation die Oberfläche über einem "Rechteck-Gitter" erzeugt und nach jedem Linienscan neu anzeigt:

8.5 .vi  3D-Fehler.vi (Größe: 93,3 KB / Downloads: 307)

Vielleicht wolltest du so was in der Richtung.

Gruß, Jens

Wer die erhabene Weisheit der Mathematik tadelt, nährt sich von Verwirrung. (Leonardo da Vinci)

!! BITTE !! stellt mir keine Fragen über PM, dafür ist das Forum da - andere haben vielleicht auch Interesse an der Antwort!

Einführende Links zu LabVIEW, s. GerdWs Signatur.
Alle Beiträge dieses Benutzers finden
Diese Nachricht in einer Antwort zitieren to top
09.08.2011, 09:19
Beitrag #8

Fabian123
Unregistered


 







RE: XY-Graph+Encoder zu 3D-Oberfläche
Hey danke für die Mühe. Ich habe das Problem zwischenzeitlich schon selbst gelöst.

Trotzdem danke!
Diese Nachricht in einer Antwort zitieren to top
09.08.2011, 09:38
Beitrag #9

Martin Heller Offline
LVF-Stammgast
***


Beiträge: 250
Registriert seit: Feb 2010

2011 SP1
2008
EN

5232
Schweiz
RE: XY-Graph+Encoder zu 3D-Oberfläche
Hallo Fabian123

Und wie hast du es gelöst? Andere hätten sicher auch interesse

mfg
Alle Beiträge dieses Benutzers finden
Diese Nachricht in einer Antwort zitieren to top
30
Antwort schreiben 


Möglicherweise verwandte Themen...
Themen Verfasser Antworten Views Letzter Beitrag
  Oberfläche aus drei 1D-Arrays erzeugen cdegelmann 10 9.920 05.02.2015 08:19
Letzter Beitrag: teegee

Gehe zu: