INFO: Dieses Forum nutzt Cookies...
Cookies sind für den Betrieb des Forums unverzichtbar. Mit der Nutzung des Forums erklärst Du dich damit einverstanden, dass wir Cookies verwenden.

Es wird in jedem Fall ein Cookie gesetzt um diesen Hinweis nicht mehr zu erhalten. Desweiteren setzen wir Google Adsense und Google Analytics ein.


Antwort schreiben 

Aus Datei lesen und damit weiterarbeiten



Wenn dein Problem oder deine Frage geklärt worden ist, markiere den Beitrag als "Lösung",
indem du auf den "Lösung" Button rechts unter dem entsprechenden Beitrag klickst. Vielen Dank!

30.07.2013, 13:03
Beitrag #21

Lucki Offline
Tech.Exp.2.Klasse
LVF-Team

Beiträge: 7.699
Registriert seit: Mar 2006

LV 2016-18 prof.
1995
DE

01108
Deutschland
RE: Aus Datei lesen und damit weiterarbeiten
Kleine Zusatzinformation am Rande des Themas - nützlich oder auch nicht:
Komplexe Zahlen muss man nicht in Real- und Imaginärteil aufspalten, um sie in einer Textdatei zu speichern , und beim Lesen muß man nicht Real- und Imaginärteil zu Komplex zusammensetzen.
Beispiel:
   
Natürlich hat man im String 2 Zahlen, die sind aber nicht durch einen Separator (z.B. TAB) getrennt, sondern durch Leerzeichen, und deshalb wird der String bei der Rückkonvertierung als 1 komplexer Wert behandelt.
Alle Beiträge dieses Benutzers finden
Diese Nachricht in einer Antwort zitieren to top
Anzeige
30.07.2013, 15:36
Beitrag #22

max.milt Offline
LVF-Grünschnabel
*


Beiträge: 37
Registriert seit: Jun 2013

2012
2013
DE



RE: Aus Datei lesen und damit weiterarbeiten
Hab jetzt mal richtige Messdaten bekommen, mit denen hats gestimmt, also liegts an den Messdaten...
Danke für die Hilfe!
Alle Beiträge dieses Benutzers finden
Diese Nachricht in einer Antwort zitieren to top
30.07.2013, 16:04
Beitrag #23

max.milt Offline
LVF-Grünschnabel
*


Beiträge: 37
Registriert seit: Jun 2013

2012
2013
DE



RE: Aus Datei lesen und damit weiterarbeiten
Eine Frage hätte ich doch noch, kann es sein, dass bei der Speicherung bzw. Übergabe der Messdaten der Fehler liegt? Ich habe jetzt eingestellt, dass
er 12000 Samples mit einer Rate von 12000 machen soll und lasse das ganze 20 Sekunden lang laufen. Auf den Graphen sieht das alles richtig aus und
auch genauso, wie die Referenz. Nun habe ich 6000 Daten zu jeder Frequenz 1 Wert. Kann es sein, dass ich da nur die ersten Werte bekomme und nicht
die letzten gemittelten?
Gruß

Maxi
Alle Beiträge dieses Benutzers finden
Diese Nachricht in einer Antwort zitieren to top
30.07.2013, 17:27
Beitrag #24

jg Offline
CLA & CLED
LVF-Team

Beiträge: 15.864
Registriert seit: Jun 2005

20xx / 8.x
1999
EN

Franken...
Deutschland
RE: Aus Datei lesen und damit weiterarbeiten
Was ist denn der aktuelle Programm-Stand? Doch hoffentlich nicht mehr das VI vom Anfang?

Gruß, Jens

Wer die erhabene Weisheit der Mathematik tadelt, nährt sich von Verwirrung. (Leonardo da Vinci)

!! BITTE !! stellt mir keine Fragen über PM, dafür ist das Forum da - andere haben vielleicht auch Interesse an der Antwort!

Einführende Links zu LabVIEW, s. GerdWs Signatur.
Alle Beiträge dieses Benutzers finden
Diese Nachricht in einer Antwort zitieren to top
31.07.2013, 07:52
Beitrag #25

max.milt Offline
LVF-Grünschnabel
*


Beiträge: 37
Registriert seit: Jun 2013

2012
2013
DE



RE: Aus Datei lesen und damit weiterarbeiten
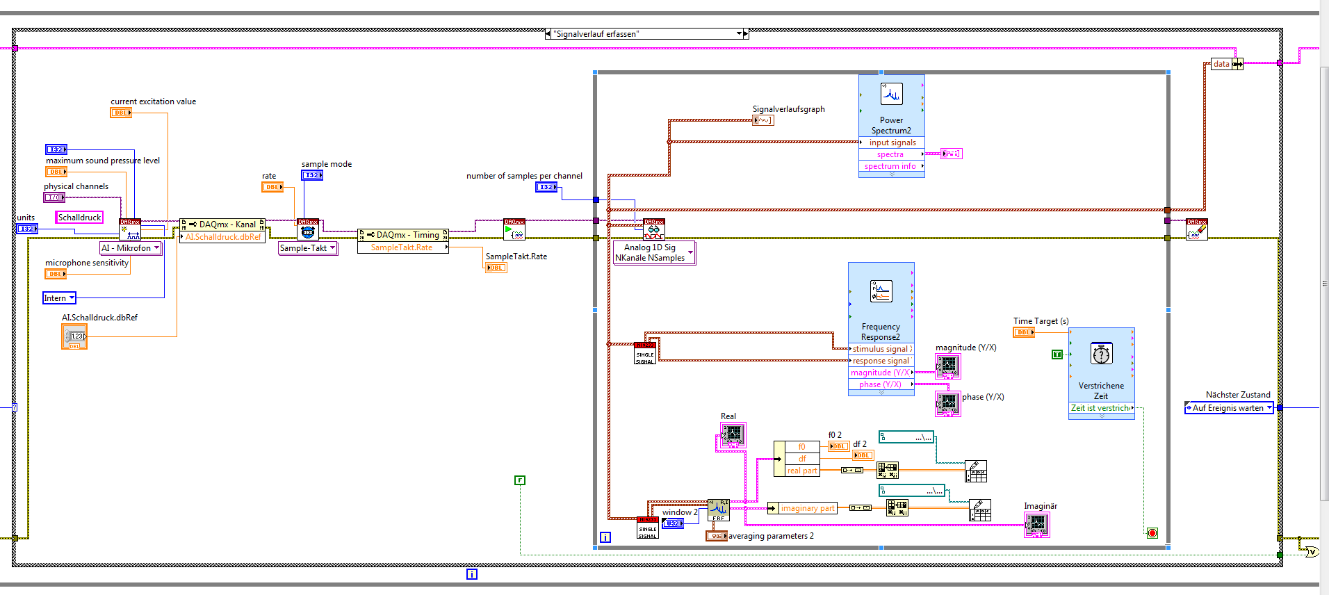
Also meine Daten hole ich mir im Case Signalverlauf erfassen (siehe Bild)
Die Frage is jetzt, ob SVFA Frequency Response dann die gemittelten Daten ausspuckt oder die aktuell und
die andere Frage ich hab halt bei Taktrate 12500 eingegeben und lass die Schleife 10 Sekunden laufen, das
hat ja bestimmt auch nen Einfluss auf die Werte, die ich bekomme oder? Bitte nicht schlagen Blush , aber ich kenn
mich da halt einfach noch nicht so gut aus...


Angehängte Datei(en) Thumbnail(s)
   

12.0 .vi  Versuch mit Moeser Formel.vi (Größe: 439,57 KB / Downloads: 243)
Alle Beiträge dieses Benutzers finden
Diese Nachricht in einer Antwort zitieren to top
31.07.2013, 08:01
Beitrag #26

GerdW Offline
______________
LVF-Team

Beiträge: 17.538
Registriert seit: May 2009

LV2019 (LV2021)
1995
DE_EN

10×××
Deutschland
RE: Aus Datei lesen und damit weiterarbeiten
Hallo Max,

WriteToSpreadsheetFile hat auch einen Eingang für 1D-Arrays sowie zwei Eingänge "An Datei anhängen" und "Transponieren". Hast du die alle beachtet?

#7500#

Alle Beiträge dieses Benutzers finden
Diese Nachricht in einer Antwort zitieren to top
Anzeige
31.07.2013, 08:12
Beitrag #27

max.milt Offline
LVF-Grünschnabel
*


Beiträge: 37
Registriert seit: Jun 2013

2012
2013
DE



RE: Aus Datei lesen und damit weiterarbeiten
Ohja stimmt, wenn ich an Datei anhängen False mache, dann bekomm ich immer nur die aktuellen Werte des Schleifendurchlaufs oder?
Das heißt im Prinzip, wenn ich die Schleife 10 Sekunden durchlaufen lasse stehen dann bei mir die Werte des letzten Schleifendurchlaufs
drin? Also ich habe nur den 2d Eingang verwendet, weil ich ja ein 2d Array von daten bekomm, wobei in meiner Tabelle dann nur eine Spalte
gespeichert is, jetzt bin ich wieder verwirrt...
Alle Beiträge dieses Benutzers finden
Diese Nachricht in einer Antwort zitieren to top
31.07.2013, 08:17
Beitrag #28

GerdW Offline
______________
LVF-Team

Beiträge: 17.538
Registriert seit: May 2009

LV2019 (LV2021)
1995
DE_EN

10×××
Deutschland
RE: Aus Datei lesen und damit weiterarbeiten
Hallo Max,

Zitat:Also ich habe nur den 2d Eingang verwendet, weil ich ja ein 2d Array von daten bekomm
Ich sehe in deinem BD sehr deutlich, dass deine Daten als 1D-Array geliefert werden. Du dagegen machst daraus ein 2D-Array...
Genau die selbe Funktionalität ist schon im WriteToSpreadsheetFile enthalten, guck es dir doch einfach an!

Alle Beiträge dieses Benutzers finden
Diese Nachricht in einer Antwort zitieren to top
31.07.2013, 08:21
Beitrag #29

max.milt Offline
LVF-Grünschnabel
*


Beiträge: 37
Registriert seit: Jun 2013

2012
2013
DE



RE: Aus Datei lesen und damit weiterarbeiten
Oh man klar ich idiot, hast recht, also geb ich die Daten an den 1d array eingang ok,
jetzt hab ichs gerade ausprobiert, mit Werte anhängen auf True, jetzt bekomm ich
10x6250 Werte für 10 Sekunden Schleifendurchlauf, das bedeutet ja im Umkehrschluss
dann,wenn ich es auf False lasse, dass ich nur die Werte des letzten Schleifendurchlaufs bekomme oder?
Alle Beiträge dieses Benutzers finden
Diese Nachricht in einer Antwort zitieren to top
31.07.2013, 08:23
Beitrag #30

jg Offline
CLA & CLED
LVF-Team

Beiträge: 15.864
Registriert seit: Jun 2005

20xx / 8.x
1999
EN

Franken...
Deutschland
RE: Aus Datei lesen und damit weiterarbeiten
(31.07.2013 08:21 )max.milt schrieb:  dann,wenn ich es auf False lasse, dass ich nur die Werte des letzten Schleifendurchlaufs bekomme oder?
RICHTIG!!!

Wer die erhabene Weisheit der Mathematik tadelt, nährt sich von Verwirrung. (Leonardo da Vinci)

!! BITTE !! stellt mir keine Fragen über PM, dafür ist das Forum da - andere haben vielleicht auch Interesse an der Antwort!

Einführende Links zu LabVIEW, s. GerdWs Signatur.
Alle Beiträge dieses Benutzers finden
Diese Nachricht in einer Antwort zitieren to top
Antwort schreiben 


Möglicherweise verwandte Themen...
Themen Verfasser Antworten Views Letzter Beitrag
  TDMS-Datei lesen und ausgeben Sakis 6 6.979 26.09.2018 15:32
Letzter Beitrag: Sakis
  .NET Reference, Invoke Node - Wie damit umgehen thz89 6 6.832 09.08.2017 08:39
Letzter Beitrag: thz89
  nur einen Teil einer TDMS Datei lesen gottfried 1 5.639 06.02.2017 17:47
Letzter Beitrag: gottfried
  Messdaten aus Datei Lesen und in Graphen anzeigen. erzengelsamael 2 6.311 02.11.2012 10:52
Letzter Beitrag: erzengelsamael
  STLASCII Datei lesen und bearbeiten moruk 2 4.533 26.11.2010 10:04
Letzter Beitrag: moruk
  Erstellungsdatum einer Datei lesen Ricardo1980 4 9.396 26.07.2010 13:54
Letzter Beitrag: GerdW

Gehe zu: