INFO: Dieses Forum nutzt Cookies...
Cookies sind für den Betrieb des Forums unverzichtbar. Mit der Nutzung des Forums erklärst Du dich damit einverstanden, dass wir Cookies verwenden.

Es wird in jedem Fall ein Cookie gesetzt um diesen Hinweis nicht mehr zu erhalten. Desweiteren setzen wir Google Adsense und Google Analytics ein.


Antwort schreiben 

DAQ Box SCB-68 mit PCIe 6259 - Erzeugen von 2 Analogen Ausgängen mit Lab View



Wenn dein Problem oder deine Frage geklärt worden ist, markiere den Beitrag als "Lösung",
indem du auf den "Lösung" Button rechts unter dem entsprechenden Beitrag klickst. Vielen Dank!

28.01.2014, 19:28
Beitrag #1

mobe Offline
LVF-Grünschnabel
*


Beiträge: 10
Registriert seit: Jan 2014

2012 SP1
2013
DE_EN


Deutschland
DAQ Box SCB-68 mit PCIe 6259 - Erzeugen von 2 Analogen Ausgängen mit Lab View
Hallo,

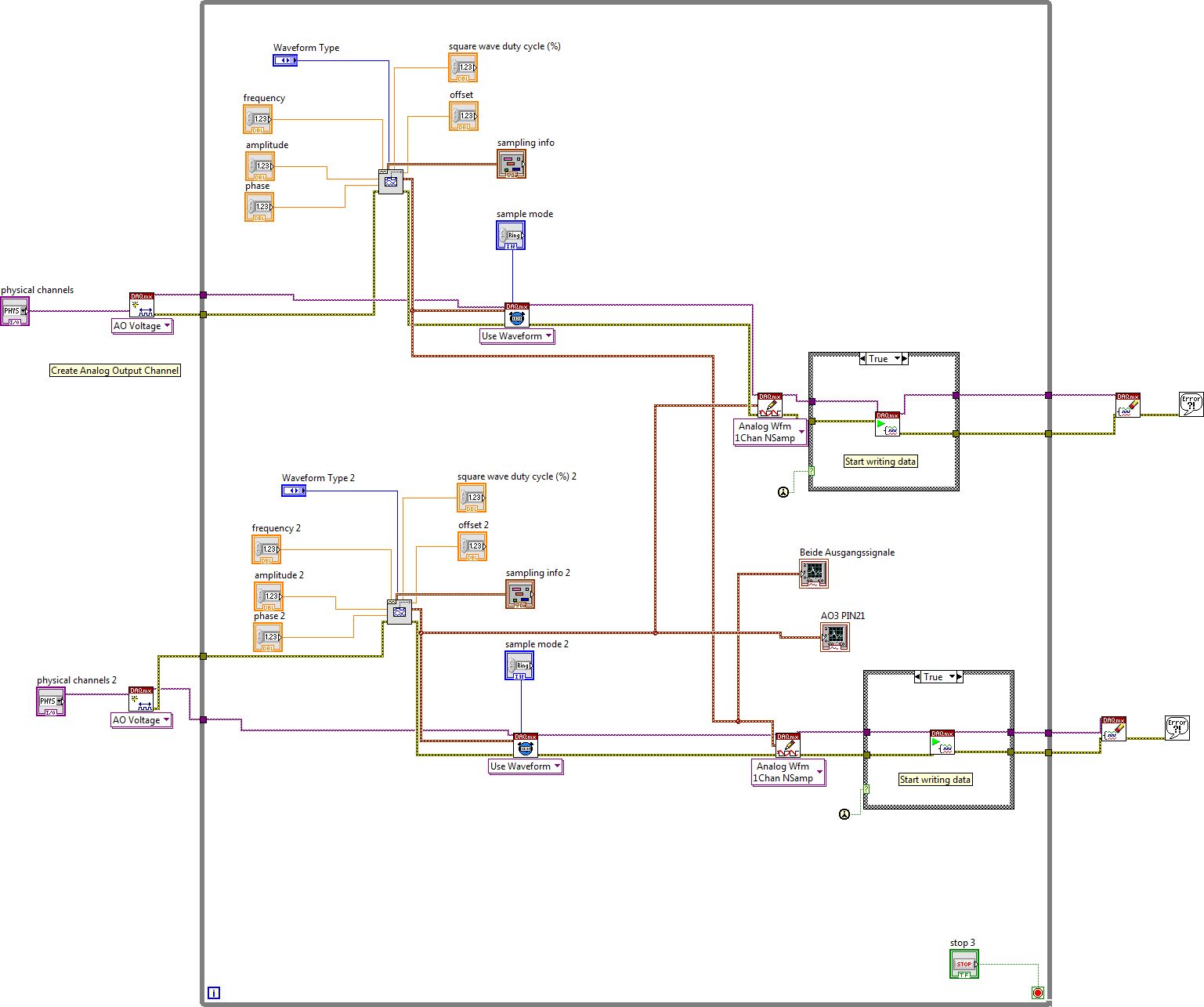
ich bin noch relativ neu in LabView und möchte gerade 2 analoge Ausgänge generieren um damit eine Laserdioden-Treiberplatine zu steuern. Ein Signal soll gepulst werden mit einstellbarem Duty-Cycle und das andere soll gepulst und gesweept werden. Ich habe es hinbekommen ein VI aufzubauen um 1 analogen Ausgang der DAQ-BOX SCB-68 anzusteuern, allerdings verstehe ich nicht ganz wie ich 2 parallel ansteuern kann.
Bei dem Block DAQ Write kann man auswählen ob man "Single Channel" oder "Multiple Channel" haben möchte. Kann mir vielleicht einer weiterhelfen ? Leider habe ich nichts ähnliches im Internet gefunden wie man mehrere physical Channels weiter verarbeiten kann.
Das Blockschaltbild habe ich einmal angehängt. Es ist nicht ganz so übersichtlich, da ich ziemlich viel rumprobiert habe aber so funktioniert immer nur einer der beiden Ausgänge und am anderen erhalte ich eine Fehlermeldung hinter dem DAQmx Write:
Error -50103 "The Specified Resource is Reserved"

Vielen Dank schonmal!
Viele Grüße,

Moritz


Angehängte Datei(en) Thumbnail(s)
   
Alle Beiträge dieses Benutzers finden
Diese Nachricht in einer Antwort zitieren to top
Anzeige
28.01.2014, 19:44
Beitrag #2

Y-P Offline
☻ᴥᴥᴥ☻ᴥᴥᴥ☻
LVF-Team

Beiträge: 12.612
Registriert seit: Feb 2006

Developer Suite Core -> LabVIEW 2015 Prof.
2006
EN

71083
Deutschland
RE: DAQ Box SCB-68 mit PCIe 6259 - Erzeugen von 2 Analogen Ausgängen mit Lab View
Hab' hier ein Bsp. für zwei Eingänge:

9.0 .vi  Analog_Input_Mehrere_Kanaele_NEU.vi (Größe: 54,24 KB / Downloads: 365)

Bei Ausgängen funktioniert's auch so.

Gruß Markus

--------------------------------------------------------------------------
Bitte stellt mir keine Fragen über PM, dafür ist das Forum da - andere haben vielleicht auch Interesse an der Antwort !!
--------------------------------------------------------------------------
Alle Beiträge dieses Benutzers finden
Diese Nachricht in einer Antwort zitieren to top
29.01.2014, 09:22 (Dieser Beitrag wurde zuletzt bearbeitet: 29.01.2014 09:22 von GerdW.)
Beitrag #3

GerdW Offline
______________
LVF-Team

Beiträge: 17.536
Registriert seit: May 2009

LV2019 (LV2021)
1995
DE_EN

10×××
Deutschland
RE: DAQ Box SCB-68 mit PCIe 6259 - Erzeugen von 2 Analogen Ausgängen mit Lab View
Hallo Moritz,

Zitat:Leider habe ich nichts ähnliches im Internet gefunden wie man mehrere physical Channels weiter verarbeiten kann.
Da sollte man auch nicht im Internet suchen, sondern einfach im Hilfe-Menü von LabVIEW auf "Beispiele finden…" klicken!

Zitat:um … Ausgang der DAQ-BOX SCB-68 anzusteuern
Die SCB68 ist nur ein Anschlusskasten und für das Thema reichlich uninteressant. Wichtig ist hier die DAQ-Karte PCIe6259…

Alle Beiträge dieses Benutzers finden
Diese Nachricht in einer Antwort zitieren to top
30.01.2014, 10:01
Beitrag #4

mobe Offline
LVF-Grünschnabel
*


Beiträge: 10
Registriert seit: Jan 2014

2012 SP1
2013
DE_EN


Deutschland
RE: DAQ Box SCB-68 mit PCIe 6259 - Erzeugen von 2 Analogen Ausgängen mit Lab View
(28.01.2014 19:44 )Y-P schrieb:  Hab' hier ein Bsp. für zwei Eingänge:

Bei Ausgängen funktioniert's auch so.

Gruß Markus

Hi,

Danke für das VI! Ich habe es gerade mal damit probiert allerdings bekomme ich es nicht ganz hin. Das Problem ist, dass bei den Eingängen ein Array als Ausgang für die Wavechart gewählt worden ist. Allerdings weiß ich nicht wie ich es schaffen kann, 2 verschiedene Waveforms in ein Array zu packen damit er von dem DAQmx erkannt wird. In deinem Beispiel wurde ein Block "Convert from Dynamic Data" verwendet. Kann ich einfach zwei von den Waveform generieren und in ein Array legen oder muss man vorher das Signal umwandeln. Ich weiß nicht genau wie das Array aussehen muss damit das DAQmx Write die beiden verschiedenen Waveforms erkennt.

(29.01.2014 09:22 )GerdW schrieb:  Hallo Moritz,
Da sollte man auch nicht im Internet suchen, sondern einfach im Hilfe-Menü von LabVIEW auf "Beispiele finden…" klicken!

Die SCB68 ist nur ein Anschlusskasten und für das Thema reichlich uninteressant. Wichtig ist hier die DAQ-Karte PCIe6259…
Ich habe dann mal das Beispiel von LabView für einen Ausgang (Voltage - Continuous Output.vi) angesehen und es mal angefangen zu erweitern.
Ja da hast du recht ich versuche die Ausänge der Karte anzusteuern. Das habe ich leider flasch beschrieben.
Ich habe mal das VI angehängt vielleicht kann mir ja einer Helfen. Das wäre echt nett, da ich noch nicht sehr lange mit LabView arbeite.

Vielen Dank schonmal !


Angehängte Datei(en)
12.0 .vi  Voltage - 2 analog outputs.vi (Größe: 69,4 KB / Downloads: 306)
Alle Beiträge dieses Benutzers finden
Diese Nachricht in einer Antwort zitieren to top
30.01.2014, 10:19
Beitrag #5

Y-P Offline
☻ᴥᴥᴥ☻ᴥᴥᴥ☻
LVF-Team

Beiträge: 12.612
Registriert seit: Feb 2006

Developer Suite Core -> LabVIEW 2015 Prof.
2006
EN

71083
Deutschland
RE: DAQ Box SCB-68 mit PCIe 6259 - Erzeugen von 2 Analogen Ausgängen mit Lab View
Schau auch mal dort:
https://decibel.ni.com/content/docs/DOC-3457
Da gibt's dieses Bsp.:

8.6 .vi  Cont Gen 2 Standard Wfms-Diff Freq-Int Clk_LV_8.6.vi (Größe: 65,86 KB / Downloads: 338)

   

Gruß Markus

--------------------------------------------------------------------------
Bitte stellt mir keine Fragen über PM, dafür ist das Forum da - andere haben vielleicht auch Interesse an der Antwort !!
--------------------------------------------------------------------------
Alle Beiträge dieses Benutzers finden
Diese Nachricht in einer Antwort zitieren to top
30.01.2014, 15:56
Beitrag #6

mobe Offline
LVF-Grünschnabel
*


Beiträge: 10
Registriert seit: Jan 2014

2012 SP1
2013
DE_EN


Deutschland
RE: DAQ Box SCB-68 mit PCIe 6259 - Erzeugen von 2 Analogen Ausgängen mit Lab View
(30.01.2014 10:19 )Y-P schrieb:  Schau auch mal dort:
https://decibel.ni.com/content/docs/DOC-3457
Da gibt's dieses Bsp.:



Gruß Markus


Hi Markus,

Vielen Dank, das hat mir geholfen jetzt funktioniert es schonmal die 2 Ausgänge seperat anzusteuern. Ich hab das gleich mal in mein VI mit reingeladen und ich stelle es mal zur Verfügung, falls jemand ein ähnliches Problem hat. Momentan bin ich noch am ausprobieren wie ich es hinbekomme z.B. Parallel ein Rechtecksignal mit 100kHz und ein Sägezahn-Signal mit 1/60 bis 1Hz zu erzeugen. Das Sägezahnsignal wollte ich so ausshen lassen wie ein "Treppensignal" also einfach die Samples runterdrehen, allerdings müssen die Samples von beiden Kanälen identisch sein. Gibt es noch eine andre Möglichkeit ein "Treppensignal mit dieser Frequenz zu erzeugen ?

Viele Grüße,

Moritz


Angehängte Datei(en)
12.0 .vi  Voltage - 2 analog outputs.vi (Größe: 58,72 KB / Downloads: 297)
Alle Beiträge dieses Benutzers finden
Diese Nachricht in einer Antwort zitieren to top
03.02.2014, 09:59
Beitrag #7

mobe Offline
LVF-Grünschnabel
*


Beiträge: 10
Registriert seit: Jan 2014

2012 SP1
2013
DE_EN


Deutschland
RE: DAQ Box SCB-68 mit PCIe 6259 - Erzeugen von 2 Analogen Ausgängen mit Lab View
Hallo,

weiß jemand wie es möglich ist, nach jedem Durchlauf einer While-Schleife ein Signal außerhalb der While Schleife weiter zu verarbeiten. So wollte ich das Pulse Signal erstellen. Ich habe mal das VI und ein Screenshot angehängt, wie ich es aufgebaut habe, allerdings läuft erst die While Schleife durch und gibt erst bei Erreichen des Endwertes das Signal aus.
Alternativ habe ich es noch mit einer For SChleife Probiert, allerdings habe ich da das gleiche Problem. ODer es wird als Ausgang ein Array aus allen Amplituden erstellt.


12.0 .vi  Voltage - 2 analog outputs.vi (Größe: 63,1 KB / Downloads: 327)
   
12.0 .vi  Voltage - 2 analog outputs.vi (Größe: 63,1 KB / Downloads: 327)


Vielen Dank und Viele Grüße,

Moritz
Alle Beiträge dieses Benutzers finden
Diese Nachricht in einer Antwort zitieren to top
03.02.2014, 10:05 (Dieser Beitrag wurde zuletzt bearbeitet: 03.02.2014 10:05 von GerdW.)
Beitrag #8

GerdW Offline
______________
LVF-Team

Beiträge: 17.536
Registriert seit: May 2009

LV2019 (LV2021)
1995
DE_EN

10×××
Deutschland
RE: DAQ Box SCB-68 mit PCIe 6259 - Erzeugen von 2 Analogen Ausgängen mit Lab View
Hallo Moritz,

Zitat:allerdings läuft erst die While Schleife durch und gibt erst bei Erreichen des Endwertes das Signal aus.
Genau beobachtet. THINK DATAFLOW!

Zitat:weiß jemand wie es möglich ist, nach jedem Durchlauf einer While-Schleife ein Signal außerhalb der While Schleife weiter zu verarbeiten
Ja. Melder, Queues, lokale/globale/shared Variablen, …

Warum willst du hier etwas außerhalb der While-Loop machen? Wäre es nicht viel einfacher, du würdest die Signalausgabe (DAQmxWrite) einfach mit in die Schleife nehmen? (Und evtl. die erste Waveform-Erstellung ebenfalls mit hinein?)

Alles, was in der Schleife erledigt werden soll, gehört dort auch hinein! Also bei dir wohl Signalgenerierung und Signalausgabe…

Alle Beiträge dieses Benutzers finden
Diese Nachricht in einer Antwort zitieren to top
03.02.2014, 10:49
Beitrag #9

mobe Offline
LVF-Grünschnabel
*


Beiträge: 10
Registriert seit: Jan 2014

2012 SP1
2013
DE_EN


Deutschland
RE: DAQ Box SCB-68 mit PCIe 6259 - Erzeugen von 2 Analogen Ausgängen mit Lab View
(03.02.2014 10:05 )GerdW schrieb:  Ja. Melder, Queues, lokale/globale/shared Variablen, …

Warum willst du hier etwas außerhalb der While-Loop machen? Wäre es nicht viel einfacher, du würdest die Signalausgabe (DAQmxWrite) einfach mit in die Schleife nehmen? (Und evtl. die erste Waveform-Erstellung ebenfalls mit hinein?)

Alles, was in der Schleife erledigt werden soll, gehört dort auch hinein! Also bei dir wohl Signalgenerierung und Signalausgabe…

Hi!

Danke ja das macht durchaus Sinn! Habe jetzt alles mit in die Schleife gepackt und es funktioniert auch soweit. Das Signal wird einmal generiert ( auch am Oszi zu sehen), allerdings bekomme ich dann den Fehler:

Error -200479 occurred at DAQmx Start Task.vi:1
Possible reason(s):

Specified operation cannot be performed while the task is running.

Task Name: _unnamedTask<3F>

Weißt du woran das liegen kann ? hab auch versucht die Indkrement und Ende (V) mit in die Schleife zu nehmen, das hat aber nicht funktioniert.

Viele Grüße,

Moritz


Angehängte Datei(en) Thumbnail(s)
       
Alle Beiträge dieses Benutzers finden
Diese Nachricht in einer Antwort zitieren to top
03.02.2014, 10:51 (Dieser Beitrag wurde zuletzt bearbeitet: 03.02.2014 10:54 von GerdW.)
Beitrag #10

GerdW Offline
______________
LVF-Team

Beiträge: 17.536
Registriert seit: May 2009

LV2019 (LV2021)
1995
DE_EN

10×××
Deutschland
RE: DAQ Box SCB-68 mit PCIe 6259 - Erzeugen von 2 Analogen Ausgängen mit Lab View
Hallo Moritz,

Zitat:Specified operation cannot be performed while the task is running.
Du kannst also keine neue Daten schreiben solange noch die Ausgabe läuft…
Meine Vermutung: Deine Schleife läuft so schnell ab wie möglich. Das heißt, dass du quasi direkt nach dem DAQTaskStart schon wieder eine neue Waveform berechnet hast und diese ausgeben willst - obwohl deine Hardware noch damit beschäftigt ist, die Daten des letzten DAQmxWrite-Aufruf abzuarbeiten…


- Warum wird der Task in jeder Iteration erneut gestartet?

Alle Beiträge dieses Benutzers finden
Diese Nachricht in einer Antwort zitieren to top
30
Antwort schreiben 


Möglicherweise verwandte Themen...
Themen Verfasser Antworten Views Letzter Beitrag
  PCIe-Karte nicht erkannt ad1205 2 3.347 01.02.2024 07:00
Letzter Beitrag: Martin.Henz
  Synchronisierung von Analogen Signalen mit digitalem Encoder Benj1man 8 8.529 12.05.2020 10:38
Letzter Beitrag: Benj1man
  PCIe 6361 gottfried 2 4.865 25.04.2019 15:14
Letzter Beitrag: gottfried
  Drahtbrucherkennung bei Digitalen Ausgängen MRL2018 1 4.217 09.04.2018 10:38
Letzter Beitrag: GerdW
  Analogen Eingang Überwachen mmk1988 3 5.807 17.10.2016 21:32
Letzter Beitrag: GerdW
  PXI-6259 ctr0 - Frequenzmessung tss 0 4.414 26.11.2014 13:46
Letzter Beitrag: tss

Gehe zu: