INFO: Dieses Forum nutzt Cookies...
Cookies sind für den Betrieb des Forums unverzichtbar. Mit der Nutzung des Forums erklärst Du dich damit einverstanden, dass wir Cookies verwenden.

Es wird in jedem Fall ein Cookie gesetzt um diesen Hinweis nicht mehr zu erhalten. Desweiteren setzen wir Google Adsense und Google Analytics ein.


Antwort schreiben 

Dieses Thema hat akzeptierte Lösungen:

4 Signale unabhängig Mitteln



Wenn dein Problem oder deine Frage geklärt worden ist, markiere den Beitrag als "Lösung",
indem du auf den "Lösung" Button rechts unter dem entsprechenden Beitrag klickst. Vielen Dank!

18.01.2016, 16:03
Beitrag #1

LV_Vladi Offline
LVF-Grünschnabel
*


Beiträge: 19
Registriert seit: Nov 2015

2014
2015
EN



4 Signale unabhängig Mitteln
Hey Leute,

Ich habe hier ein NI USB-6218 wodran ich 4 Sensoren angeschlossen habe.

In moment Messe ich vier Werte und schreibe sie in Arrays.

Ich würde aber gerne die Messwerte von jedem Sensor über 100ms aufnehmen und Mitteln und Anschließend in die Arrays schreiben.


Alles was ich bis jetz versucht habe, hat dazu geführt das er die 4 Werte der Sensoren gemittelt hat und mir 1 Wert ausgespuckt hat Sad.

Hat jemand eine Idee ?

VI im Anhang

mfg
Vladi


Angehängte Datei(en)
14.0 .vi  4 Sensor Messung.vi (Größe: 75,36 KB / Downloads: 257)
Alle Beiträge dieses Benutzers finden
Diese Nachricht in einer Antwort zitieren to top
Anzeige
18.01.2016, 16:19
Beitrag #2

GerdW Offline
______________
LVF-Team

Beiträge: 17.540
Registriert seit: May 2009

LV2019 (LV2021)
1995
DE_EN

10×××
Deutschland
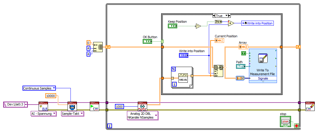
RE: 4 Signale unabhängig Mitteln

Akzeptierte Lösung

Hallo Vladi,

und wo willst du jetzt mitteln?

Zitat:In moment Messe ich vier Werte und schreibe sie in Arrays.
Du liest Werte von 4 Kanälen. Leider immer nur einen Wert pro DAQmxRead-Aufruf. Und das, obwohl du eine Samplerate von 10kS/s definiert hast…

Zitat:Ich würde aber gerne die Messwerte von jedem Sensor über 100ms aufnehmen und Mitteln und Anschließend in die Arrays schreiben.
Dann solltest du eben auch Messwerte für den Zeitbereich von 100ms abfragen. Bei deiner Samplerate sind das 10kS/s*0.1s Werte pro Kanal!

So z.B.:
   

Zitat:Alles was ich bis jetz versucht habe, hat dazu geführt das er die 4 Werte der Sensoren gemittelt hat und mir 1 Wert ausgespuckt hat
Was genau hast du denn probiert?

Alle Beiträge dieses Benutzers finden
Diese Nachricht in einer Antwort zitieren to top
19.01.2016, 09:49 (Dieser Beitrag wurde zuletzt bearbeitet: 19.01.2016 09:56 von LV_Vladi.)
Beitrag #3

LV_Vladi Offline
LVF-Grünschnabel
*


Beiträge: 19
Registriert seit: Nov 2015

2014
2015
EN



RE: 4 Signale unabhängig Mitteln
Hallo GerdW,

Vielen Dank für die Hilfe.



Zitat:und wo willst du jetzt mitteln?

Ich wollte die Messwerte die über diese 100ms aufgenommen werden mitteln. Aber dein Beispiel macht das schon oder ?

Zitat:Du liest Werte von 4 Kanälen. Leider immer nur einen Wert pro DAQmxRead-Aufruf. Und das, obwohl du eine Samplerate von 10kS/s definiert hast…
Oh das hab ich ganz vergessen zu beachten. Vielen Dank für den Tipp.

Zitat: Dann solltest du eben auch Messwerte für den Zeitbereich von 100ms abfragen. Bei deiner Samplerate sind das 10kS/s*0.1s Werte pro Kanal!

Achso!! Hab ich das jetz also richtig verstanden, dass ich über die "number of sampels per channal" die Dauer der Messung bestimmen kann ? Sprich wenn ich jetz über 500ms messen möchte,
dann müsste ich in die "number of samples per channal" 5000 eintragen ?


Zitat:Was genau hast du denn probiert?

Ich habe es einmal mit dem "Averaged DC-RMS.vi" probiert. Und einmal mit dem "Mean PTByPt.vi" der sieht genauso aus wie dein Mean.vi, ich wusste garnicht,dass es davon 2 Möglichkeiten gibt.
Und da hatte ich immer das Problem, dass ich bei der Einstellung "Analog 2DBL Nchan Nsamp" den Error "you have connected two terminals of diffrent types" hatte.

mfg
Vladi
Alle Beiträge dieses Benutzers finden
Diese Nachricht in einer Antwort zitieren to top
19.01.2016, 10:33
Beitrag #4

GerdW Offline
______________
LVF-Team

Beiträge: 17.540
Registriert seit: May 2009

LV2019 (LV2021)
1995
DE_EN

10×××
Deutschland
RE: 4 Signale unabhängig Mitteln
Hallo Vladi,

Zitat:Hab ich das jetz also richtig verstanden, dass ich über die "number of sampels per channal" die Dauer der Messung bestimmen kann ?
Ja. Zeit = Samplerate * Sampleanzahl.

Zitat:Aber dein Beispiel macht das schon oder ?
Ja.

Zitat:Ich habe es einmal mit…
Warum so kompliziert? Mathematik-Funktionen -> Statistik…

Alle Beiträge dieses Benutzers finden
Diese Nachricht in einer Antwort zitieren to top
19.01.2016, 10:39
Beitrag #5

LV_Vladi Offline
LVF-Grünschnabel
*


Beiträge: 19
Registriert seit: Nov 2015

2014
2015
EN



RE: 4 Signale unabhängig Mitteln
(19.01.2016 10:33 )GerdW schrieb:  
Zitat:Ich habe es einmal mit…
Warum so kompliziert? Mathematik-Funktionen -> Statistik…

Ja, dass frag ich mich auch Confused. Als Anfänger steht man oft auf dem Schlauch und geht die kompliezierten Wege :/ .


Vielen Dank für die Lösung, dass hat mir sehr geholfen.

mfg
Vladi
Alle Beiträge dieses Benutzers finden
Diese Nachricht in einer Antwort zitieren to top
30
Antwort schreiben 


Möglicherweise verwandte Themen...
Themen Verfasser Antworten Views Letzter Beitrag
  Ports unabhängig ABER parallel auslesen (cDAQ NI 9421) Mirko0905 3 5.000 25.06.2015 13:54
Letzter Beitrag: Lucki
  eingehende Messwerte mitteln Annabell 2 7.104 24.05.2012 10:57
Letzter Beitrag: AnnaZim
  Kanäle in einem Task unabhängig voneinander auswählen Funky_Popo 4 6.460 15.09.2011 08:15
Letzter Beitrag: GerdW
  Messwerte mitteln mfader 1 5.300 02.06.2010 14:10
Letzter Beitrag: SeBa

Gehe zu: