INFO: Dieses Forum nutzt Cookies...
Cookies sind für den Betrieb des Forums unverzichtbar. Mit der Nutzung des Forums erklärst Du dich damit einverstanden, dass wir Cookies verwenden.

Es wird in jedem Fall ein Cookie gesetzt um diesen Hinweis nicht mehr zu erhalten. Desweiteren setzen wir Google Adsense und Google Analytics ein.


Antwort schreiben 

DI und DO zeitgleich nutzen (NI 9375)



Wenn dein Problem oder deine Frage geklärt worden ist, markiere den Beitrag als "Lösung",
indem du auf den "Lösung" Button rechts unter dem entsprechenden Beitrag klickst. Vielen Dank!

28.05.2017, 12:08
Beitrag #1

SmokiDok Offline
LVF-Neueinsteiger


Beiträge: 2
Registriert seit: May 2017

2016
2017
DE


Deutschland
DI und DO zeitgleich nutzen (NI 9375)
Hallo,

ich bin ein weiterer LV-Anfänger, der von der Komplexität von LabView erdrückt wird Smile

Aufbau:
Chassi: NI cDAQ-9174
mit
Steckplatz 1: NI 9212 zur Temperaturmessung mit Thermoelementen
Steckplatz 2: NI 9216 zur Temperaturmessung mit PT100
Steckplatz 3: NI 9375 DI/O zur Pumpensteuerung mit PWM (200Hz) und Massenstrommessung (Impulsverlauf ca 1Hz)
Steckplatz 4: NI 9212 zur Temperaturmessung mit Thermoelementen

Ich muss mit diesem Aufbau wie oben beschrieben ein PWM Signal erzeugen und den Abstand zweier Impulse fortlaufend ermitteln um einen Massenstrom zu berechnen.

Ein DAQ-Assistent alleine bietet mir leider nicht die Möglichkeit die DIs und DOs vom NI 9375 zeitgleich kontinuierlich zu verwenden. Zwei DAQ-Assistenten erzeugen zwei Tasks welche miteinander konkurrieren (wenn ich das richtig verstanden habe, werden zwei Tasks von Modulen der C-Serie nicht unterstützt). Wenn ich im DAQ-Assistenten "Endliche Anzahl" statt "Kontinuierlich" wähle und die Asisstenten miteinander verschalte, kann ich Signale ausgeben und einlesen, erhalte damit aber nicht das gewünschte PWM Bild.

Gibt es eine andere Herangehensweise mit einem NI 9375 Modul ein unterbrechungsfreies PWM Signal zu erzeugen und einen Impulsverlauf zu lesen? Meine Recherchen sagen leider "nein", es wäre nett wenn mir das eine fachkundige Person bestätigen könnte.
Alle Beiträge dieses Benutzers finden
Diese Nachricht in einer Antwort zitieren to top
Anzeige
13.06.2017, 09:40
Beitrag #2

Freddy Offline
Oldtimer
****


Beiträge: 729
Registriert seit: Aug 2008

2019, 2020, 2021
1996
DE

76275
Deutschland
RE: DI und DO zeitgleich nutzen (NI 9375)
Hallo SmokiDok,
Deinem Problem kann ich nicht richtig folgen.
Kannst Du mal ein VI anhängen, dass Dein Problem besser beschreibt.

Gruß
Freddy

Einführende Links zu LabVIEW, s. GerdWs Signatur.
Webseite des Benutzers besuchen Alle Beiträge dieses Benutzers finden
Diese Nachricht in einer Antwort zitieren to top
29.06.2017, 13:51 (Dieser Beitrag wurde zuletzt bearbeitet: 29.06.2017 13:53 von SmokiDok.)
Beitrag #3

SmokiDok Offline
LVF-Neueinsteiger


Beiträge: 2
Registriert seit: May 2017

2016
2017
DE


Deutschland
RE: DI und DO zeitgleich nutzen (NI 9375)
Wir haben ein neues DO-Modul angeschlossen. Das hat unser Problem vorübergehend gelöst.

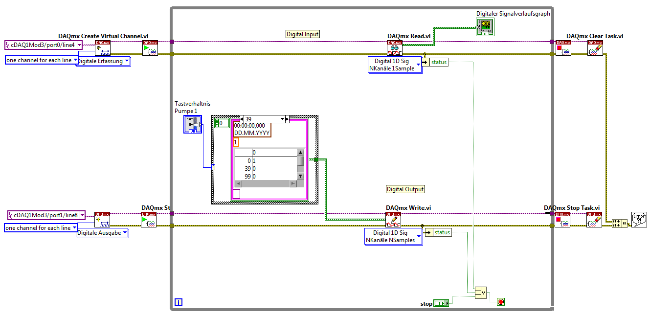
Ich habe ein Beispiel VI so modifiziert, dass ich testweise ein PWM Signal ausgeben und einen Impulsverlauf einlesen kann (Anhang). Leider nicht mit zufriedenstellender Frequenz (4-10Hz).
Das PWM Signal sollte 200Hz haben. Die eingelesenen Impulse haben eine breite von 100ms.
Ich arbeite mit dem NI 9375 DI/O Modul.

Falls mir jemand nützliche Tips geben kann wie ich mit dem NI 9375 eine saubere PWM erzeugen und einen Impulsverlauf einlesen kann wäre ich sehr dankbar.


Angehängte Datei(en) Thumbnail(s)
   
Alle Beiträge dieses Benutzers finden
Diese Nachricht in einer Antwort zitieren to top
29.06.2017, 18:25 (Dieser Beitrag wurde zuletzt bearbeitet: 29.06.2017 18:25 von GerdW.)
Beitrag #4

GerdW Offline
______________
LVF-Team

Beiträge: 17.538
Registriert seit: May 2009

LV2019 (LV2021)
1995
DE_EN

10×××
Deutschland
RE: DI und DO zeitgleich nutzen (NI 9375)
Hallo Dok,

in deinem Bild sieht es so aus, als würdest du eine Samplerate von 1Hz in der Waveformkonstante vorgeben - ich würde denken, dass wäre zu langsam für den angedachten Zweck…

Kannst du keine PWM/CTR-Ausgänge erstellen? (Wird das von deiner Hardware unterstützt?)

Alle Beiträge dieses Benutzers finden
Diese Nachricht in einer Antwort zitieren to top
30
Antwort schreiben 


Möglicherweise verwandte Themen...
Themen Verfasser Antworten Views Letzter Beitrag
  Umschaltzeit Input/Output NI-9375 Ch.Mueller 2 4.605 29.09.2021 06:55
Letzter Beitrag: Ch.Mueller
  CJC Kompensation im SCB-68A als Temperatursensor nutzen? gottfried 2 5.649 09.03.2017 10:12
Letzter Beitrag: gottfried
  3 analoge Ein- und Ausgänge nutzen karo_ass 5 7.611 29.10.2013 12:56
Letzter Beitrag: karo_ass
  Anzeige mehrerer Analoger Eingänge zeitgleich Christian-2010 3 5.582 27.04.2010 06:57
Letzter Beitrag: Christian-2010
  2 DAQ-tasks gleichzietig nutzen kaloy 9 12.417 27.06.2007 19:41
Letzter Beitrag: cb

Gehe zu: