INFO: Dieses Forum nutzt Cookies...
Cookies sind für den Betrieb des Forums unverzichtbar. Mit der Nutzung des Forums erklärst Du dich damit einverstanden, dass wir Cookies verwenden.

Es wird in jedem Fall ein Cookie gesetzt um diesen Hinweis nicht mehr zu erhalten. Desweiteren setzen wir Google Adsense und Google Analytics ein.


Antwort schreiben 

Dieses Thema hat akzeptierte Lösungen:

Sensor mit VISA auslesen



Wenn dein Problem oder deine Frage geklärt worden ist, markiere den Beitrag als "Lösung",
indem du auf den "Lösung" Button rechts unter dem entsprechenden Beitrag klickst. Vielen Dank!

13.05.2019, 10:21
Beitrag #1

AAlp Offline
LVF-Grünschnabel
*


Beiträge: 24
Registriert seit: Apr 2019

2018
2017
DE



Sensor mit VISA auslesen
Hallo zusammen,

ich versuche über VISA einen Temperatursensor (Newport INFP) auszulesen.
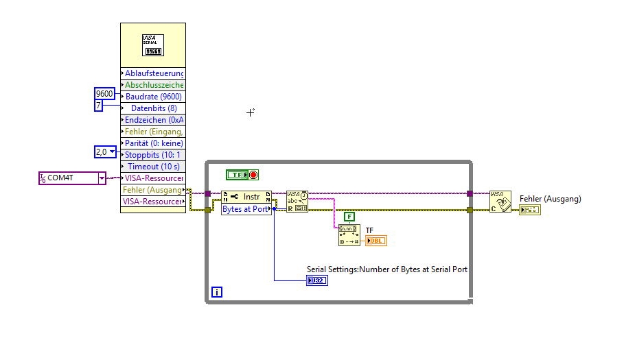
Mit einem Eigenschaftsknoten will ich die Anzahl der Bytes bestimmen, allerdings erhalte ich konstant den Wert 0 und ich auch der Wert des Sensors wird mir nicht angezeigt.
Der Port müsste richtig konfiguriert sein, somit kann ich nicht nachvollziehen, wo das Problem ist.
Hat es etwas mit dem "Endzeichen" zu tun bzw. woran könnte das liegen?

   

Gruß
AAlp
Alle Beiträge dieses Benutzers finden
Diese Nachricht in einer Antwort zitieren to top
Anzeige
13.05.2019, 10:33
Beitrag #2

GerdW Offline
______________
LVF-Team

Beiträge: 17.540
Registriert seit: May 2009

LV2019 (LV2021)
1995
DE_EN

10×××
Deutschland
RE: Sensor mit VISA auslesen
Hallo AAlp,

Zitat:Mit einem Eigenschaftsknoten will ich die Anzahl der Bytes bestimmen, allerdings erhalte ich konstant den Wert 0 und ich auch der Wert des Sensors wird mir nicht angezeigt.
BytesAtPort ist zu 99.9% aller Fälle unnötig:
1. du weißt im Voraus, wieviele Bytes zu empfangen sind: dann frage diese auch ab
2. du weißt nicht im Voraus, wieviele Bytes zu empfangen sind: dann benutze ein TermChar und frage eine hohe Anzahl Bytes ab…
Damit hast du eben diese 99.9% aller Anwendungsfälle erschlagen.
Der Rest geht wie folgt:
3. Warte mit BytesAtPort, bis ein Byte im Buffer ankommt. Dann lese mit einem (kleinen, angepassten) Timeout die folgenden Bytes vom Port…

Außerdem senden viele Geräte erst nach Aufforderung einen Messwert: das sieht man bei dir aber nicht. Was sagt deine Anleitung eigentlich dazu?

Zitat:Hat es etwas mit dem "Endzeichen" zu tun…?
Auch hier: was sagt deine Anleitung dazu?

Alle Beiträge dieses Benutzers finden
Diese Nachricht in einer Antwort zitieren to top
13.05.2019, 13:55
Beitrag #3

AAlp Offline
LVF-Grünschnabel
*


Beiträge: 24
Registriert seit: Apr 2019

2018
2017
DE



RE: Sensor mit VISA auslesen
Hallo Gerd,
vielen Dank für deine Antwort.
Ich denke meine Probleme wären gelöst, wenn ich eine Anleitung hätte. Die habe ich aber nicht.
Ich habe daher versucht deine Hinweise im Programm umzusetzen, allerdings mit mäßigem Erfolg.

   

Ist es denn so, wie du es beschrieben hast, oder habe ich etwas falsch verstanden. Da ich keine Werte übertragen bekomme, muss wohl etwas falsch sein.

Gruß
AAlp
Alle Beiträge dieses Benutzers finden
Diese Nachricht in einer Antwort zitieren to top
13.05.2019, 15:38
Beitrag #4

jg Offline
CLA & CLED
LVF-Team

Beiträge: 15.864
Registriert seit: Jun 2005

20xx / 8.x
1999
EN

Franken...
Deutschland
RE: Sensor mit VISA auslesen
(13.05.2019 13:55 )AAlp schrieb:  Ich denke meine Probleme wären gelöst, wenn ich eine Anleitung hätte. Die habe ich aber nicht.
Das ist schlecht - sogar sehr schlecht. Da musst du jetzt ja bei ALLEM raten, beginnend bei der Baudrate über Anzahl Start/Daten/Stopbits bis zum Kommunikationsprotokoll.

Jedes Gerät kann da ihr eigenes Süppchen kochen, also IMHO so gut wie keine Chance ohne Protokollbeschreibung.

Gruß, Jens

Wer die erhabene Weisheit der Mathematik tadelt, nährt sich von Verwirrung. (Leonardo da Vinci)

!! BITTE !! stellt mir keine Fragen über PM, dafür ist das Forum da - andere haben vielleicht auch Interesse an der Antwort!

Einführende Links zu LabVIEW, s. GerdWs Signatur.
Alle Beiträge dieses Benutzers finden
Diese Nachricht in einer Antwort zitieren to top
14.05.2019, 06:16
Beitrag #5

NoWay Offline
LVF-Gelegenheitsschreiber
**


Beiträge: 241
Registriert seit: Jul 2013

LV-2019
2013
EN


Deutschland
RE: Sensor mit VISA auslesen
(13.05.2019 13:55 )AAlp schrieb:  Ich denke meine Probleme wären gelöst, wenn ich eine Anleitung hätte. Die habe ich aber nicht.

Hi AAlp.

Jetzt mal ganz naiv gefragt: Hier ist die Anleitung für deinen Sensor nicht dabei?
http://www.newportus.com/manuals/Temp.htm

Mal bei Newport angefragt, ob sie dir die Anleitung zuschicken können (für den Fall dass du ggf. ein veraltetes/abgekündigtes Teil verwendest)?
Ich bin da ganz bei Jens: Ohne Handbuch wird das eine sehr ungemütliche Aufgabe werden.
Alle Beiträge dieses Benutzers finden
Diese Nachricht in einer Antwort zitieren to top
14.05.2019, 10:12
Beitrag #6

AAlp Offline
LVF-Grünschnabel
*


Beiträge: 24
Registriert seit: Apr 2019

2018
2017
DE



RE: Sensor mit VISA auslesen
Hallo,
danke für eure Antworten. Ich habe nun nach längerer Suche im Internet das richtige Handbuch gefunden. Somit sollten die WErte die ich jetzt eingestellt habe auch richtig sein.
Da mein Gerät von alleine keine Daten sendet, muss ich diese Anfordern. Vorher habe ich das immer mit Dasylab gemacht, in Labview scheint das etwas anders zu laufen. Welche Eingabe ermöglicht mir das Anfordern von Daten?

Gruß
AAlp
Alle Beiträge dieses Benutzers finden
Diese Nachricht in einer Antwort zitieren to top
Anzeige
14.05.2019, 11:04
Beitrag #7

NoWay Offline
LVF-Gelegenheitsschreiber
**


Beiträge: 241
Registriert seit: Jul 2013

LV-2019
2013
EN


Deutschland
RE: Sensor mit VISA auslesen
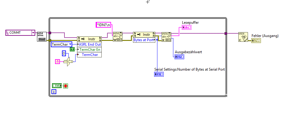
Du hast Read und Write Funktionen zur Verfügung. Aus deinem Handbuch müsste ersichtlich sein, welches Kommando du schicken musst um eine bestimmte Antwort zu erhalten.

Meine Glaskugel wurde die Tage überstrapaziert und kann mir keine näheren Infos dazu liefern, da ich weder das Handbuch deines Sensors noch den Sensor selbst erkennen kann.

Im einfachsten Fall schickst du ein bestimmtes Kommando (siehe Handbuch) und liest anschließend die Antwort deines Gerätes aus. Die muss dann unter Umständen noch aufbereitet werden.

Klartext: Welches Gerät benutzt du? Lass doch einfach mal einen Link zum Handbuch hier. Dann kann man sich besser in deine Situation hineinversetzen und eventuell konkrete Hilfeleistung anbieten.

Gruß
NoWay
Alle Beiträge dieses Benutzers finden
Diese Nachricht in einer Antwort zitieren to top
14.05.2019, 12:35
Beitrag #8

AAlp Offline
LVF-Grünschnabel
*


Beiträge: 24
Registriert seit: Apr 2019

2018
2017
DE



RE: Sensor mit VISA auslesen
Hallo,
also es handelt sich um folgendes Gerät:
Firma: Omega
Serie: INFINITY, davon die INFT-Anzeige (speziell für Temperatur geeignet)
https://www.omega.de/pptst/INF_SER.html


Mein bisheriger Versuch sieht so aus, dass ich es wie in meinem Dasylab-Programm eingestellt habe, da hat ja auch alles gut geklappt.
D.h Baud, Datenbits, Stoppbit, Timeout und Parität übernommen. (Sollte soweit stimmen, oder?)

In Dasylab gebe ich verschieden Kommandos ein (Reset, Start, Messdaten-Anforderung und Messdaten-Format)
In Labview übernehme ich nur die Messdaten-Anforderung: *X01\r

Mein einfaches Programm sieht so aus:
   

Nun wird mir aber keine Temperaturwert in Labview angezeigt. Woran kann das liegen bzw. habe ich etwas übersprungen?


Gruß
AAlp
Alle Beiträge dieses Benutzers finden
Diese Nachricht in einer Antwort zitieren to top
14.05.2019, 12:46
Beitrag #9

NoWay Offline
LVF-Gelegenheitsschreiber
**


Beiträge: 241
Registriert seit: Jul 2013

LV-2019
2013
EN


Deutschland
RE: Sensor mit VISA auslesen
Check mal die Baudrate. Du hast da im Screenshot "Timeout" dranstehen.
Alle Beiträge dieses Benutzers finden
Diese Nachricht in einer Antwort zitieren to top
14.05.2019, 12:53
Beitrag #10

AAlp Offline
LVF-Grünschnabel
*


Beiträge: 24
Registriert seit: Apr 2019

2018
2017
DE



RE: Sensor mit VISA auslesen
Hallo,
ich hatte die Konstante nicht erstellt, stimmt aber soweit.

   


Gruß
AAlp
Alle Beiträge dieses Benutzers finden
Diese Nachricht in einer Antwort zitieren to top
30
Antwort schreiben 


Möglicherweise verwandte Themen...
Themen Verfasser Antworten Views Letzter Beitrag
  VISA Sensor auslesen derloewe 8 9.111 21.04.2021 12:34
Letzter Beitrag: derloewe
  Sensor auslesen - Datenüberlauf aufgrund zu langsamer Programmlaufzeit stefan1312 5 7.509 22.10.2019 07:08
Letzter Beitrag: GerdW
  Messgerät über Visa auslesen AAlp 10 12.292 07.05.2019 08:59
Letzter Beitrag: AAlp
  VISA: I/O Fehler beim Auslesen einer seriellen Schnittstelle konne 5 9.725 19.07.2017 13:04
Letzter Beitrag: konne
  VISA ansprechen / auslesen Joachim 5 7.892 06.02.2016 15:11
Letzter Beitrag: Joachim
  Sensor - USB to RS-485 Wandler - LabVIEW Mietzekatze 4 9.205 02.04.2014 10:37
Letzter Beitrag: Mietzekatze

Gehe zu: