INFO: Dieses Forum nutzt Cookies...
Cookies sind für den Betrieb des Forums unverzichtbar. Mit der Nutzung des Forums erklärst Du dich damit einverstanden, dass wir Cookies verwenden.

Es wird in jedem Fall ein Cookie gesetzt um diesen Hinweis nicht mehr zu erhalten. Desweiteren setzen wir Google Adsense und Google Analytics ein.


Antwort schreiben 

Video im Frontpanel ab bestimmter Position abspielen



Wenn dein Problem oder deine Frage geklärt worden ist, markiere den Beitrag als "Lösung",
indem du auf den "Lösung" Button rechts unter dem entsprechenden Beitrag klickst. Vielen Dank!

28.04.2008, 15:18
Beitrag #1

Lord Chaos Offline
LVF-Grünschnabel
*


Beiträge: 22
Registriert seit: Feb 2008

8.00
-
kA

58256
Deutschland
Video im Frontpanel ab bestimmter Position abspielen
Hallo,

ich würde gerne in einer *.wmv File an einer bestimmten Position starten und dachte, dass würde mit Current Position funktionieren (Media Player 2 Bibliothek). Der Film srtartet jedoch immer am Anfang. Weiß jemand, ob ich das mit der Eigenschaft überhaupt machen kann und wenn ja, warum das nicht so funktioniert? (siehe Anhang, LabVIEW 8.0)
Das VI lässt sich nur mit Media Player 9 öffnen, höhere Versionen unterstützen diese Eigenschaft nciht.

Ich habe
hdas Beispiel hier auf das nötigste reduziert.

Grüße

Lord Chaos


Angehängte Datei(en) Thumbnail(s)
   
Alle Beiträge dieses Benutzers finden
Diese Nachricht in einer Antwort zitieren to top
28.04.2008, 15:24
Beitrag #2

Lord Chaos Offline
LVF-Grünschnabel
*


Beiträge: 22
Registriert seit: Feb 2008

8.00
-
kA

58256
Deutschland
Video im Frontpanel ab bestimmter Position abspielen
hier noch das VI:

lv80und media player 9


Angehängte Datei(en)
Sonstige .vi  Mediaplayer.vi (Größe: 16,63 KB / Downloads: 484)
Alle Beiträge dieses Benutzers finden
Diese Nachricht in einer Antwort zitieren to top
29.04.2008, 14:00
Beitrag #3

Lord Chaos Offline
LVF-Grünschnabel
*


Beiträge: 22
Registriert seit: Feb 2008

8.00
-
kA

58256
Deutschland
Video im Frontpanel ab bestimmter Position abspielen
Hallo,

ich würde gerne ein Video abspielen, das auf dem Frontpanel im ActiveX-Container abgespielt wird und das bei einer bestimmten Position startet. Ich habe es zunächst mit dem MediaPlayer probiert, jedoch kann ich ab Media Player 11 weder die Startposition bestimmen, noch das Video auf dem Frontpanel abspielen (es öffnet sich der komplette Media Player) Auf der Suche nach Alternativen bin ich auf den VLC Player und auf Qucktime gestoßen, beide konnte ich jedoch nicht ausführen. Über "Active X Object einfügen" konnte ich zwar beide auswählen, aber ich konnte kein Video sehen.

Hat irgendjemand ein Video mit Quicktime oder VLC abspielen können und mir sagen, welche Methoden/Eigenschaften ich wie setzen muss, oder einen anderen Player, der die beiden Bedingungen erfüllt?

Ich habe diese Frage auch im NI-Forum und werde auf eine Antwort verlinken, wenn sich etwas ergibt

Vielen Dank im Voraus



Lord Chaos
Alle Beiträge dieses Benutzers finden
Diese Nachricht in einer Antwort zitieren to top
29.04.2008, 15:06
Beitrag #4

jg Offline
CLA & CLED
LVF-Team

Beiträge: 15.864
Registriert seit: Jun 2005

20xx / 8.x
1999
EN

Franken...
Deutschland
Video im Frontpanel ab bestimmter Position abspielen
Habe Themen zusammengeführt.

Sehr löblich, dass du auch auf deine Fragestellung im anderen Forum hinweist!

MfG, Jens

Wer die erhabene Weisheit der Mathematik tadelt, nährt sich von Verwirrung. (Leonardo da Vinci)

!! BITTE !! stellt mir keine Fragen über PM, dafür ist das Forum da - andere haben vielleicht auch Interesse an der Antwort!

Einführende Links zu LabVIEW, s. GerdWs Signatur.
Alle Beiträge dieses Benutzers finden
Diese Nachricht in einer Antwort zitieren to top
29.04.2008, 16:37
Beitrag #5

Lord Chaos Offline
LVF-Grünschnabel
*


Beiträge: 22
Registriert seit: Feb 2008

8.00
-
kA

58256
Deutschland
Video im Frontpanel ab bestimmter Position abspielen
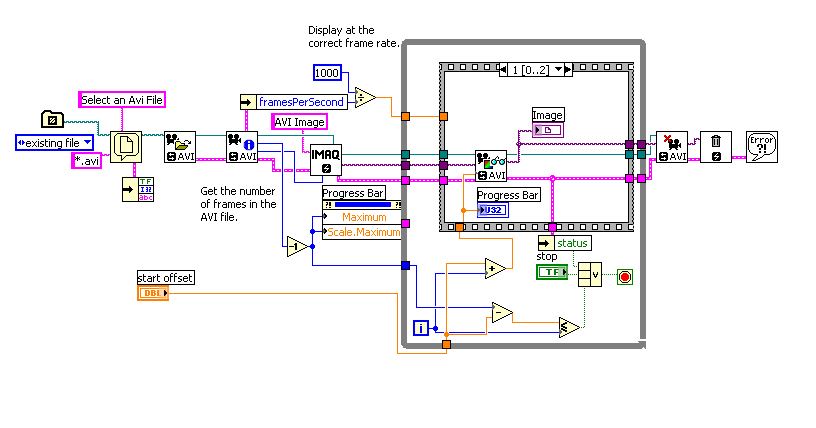
Habe im NI-Forum erfahren, dass es unter der Visio Hilfe ein Beispiel für "Play Avi" gibt. (NI Example Finder-> Vision-> Functions->read AVI Example.vi) Habe es ein wenig abgeändert, um einen Offset für die Start setzen zu können.
Das Problem ist eben, dass es nur mit Visio läuft, welches ich momentan auf meinem Rechner habe, ich plane aber das VI auf einem Rechner ohne Visio laufen zu lassen. Bin also für Ideen immer noch offen...


Lord Chaos

LabVIEW 8.0 / Visio 8.2


Angehängte Datei(en) Thumbnail(s)
   
Alle Beiträge dieses Benutzers finden
Diese Nachricht in einer Antwort zitieren to top
29.04.2008, 19:13 (Dieser Beitrag wurde zuletzt bearbeitet: 29.04.2008 19:14 von Lord Chaos.)
Beitrag #6

Lord Chaos Offline
LVF-Grünschnabel
*


Beiträge: 22
Registriert seit: Feb 2008

8.00
-
kA

58256
Deutschland
Video im Frontpanel ab bestimmter Position abspielen
Hallo,

hab im NI-Forum diesen Tipp bekommen, und es funktioniert. Problem gelöst...
Alle Beiträge dieses Benutzers finden
Diese Nachricht in einer Antwort zitieren to top
Anzeige
30
Antwort schreiben 


Möglicherweise verwandte Themen...
Themen Verfasser Antworten Views Letzter Beitrag
  Video abspielen mexas450 2 7.368 26.11.2014 13:50
Letzter Beitrag: mexas450
  Musikdateien über den WindowsMediaplayer und activeX abspielen Trinitatis 3 7.181 28.10.2013 23:58
Letzter Beitrag: Trinitatis

Gehe zu: