INFO: Dieses Forum nutzt Cookies...
Cookies sind für den Betrieb des Forums unverzichtbar. Mit der Nutzung des Forums erklärst Du dich damit einverstanden, dass wir Cookies verwenden.

Es wird in jedem Fall ein Cookie gesetzt um diesen Hinweis nicht mehr zu erhalten. Desweiteren setzen wir Google Adsense und Google Analytics ein.


Antwort schreiben 

Sub VI soll im Hintergrund weiterlaufen



Wenn dein Problem oder deine Frage geklärt worden ist, markiere den Beitrag als "Lösung",
indem du auf den "Lösung" Button rechts unter dem entsprechenden Beitrag klickst. Vielen Dank!

23.06.2008, 15:34
Beitrag #11

Labview-Beginner Offline
LVF-Gelegenheitsschreiber
**


Beiträge: 114
Registriert seit: Oct 2007

6.1
2007
kA

67705
Deutschland
Sub VI soll im Hintergrund weiterlaufen
Zitat:So wie du das gepostet hast, besteht ein weiterer Fehler: Die Variable RampenArray hat immer den selben Wert. Deine Hauptschleife wird nie verlassen (außer Programmabbruch). Daher wird das Anzeigeelement nie beschrieben, sodass in der Lokalen Variablen nie was neues hineinkommt.

Im Schieberegister steht zwar immer die Aktuelle Eingabe - dort wird es aber niemals herausgeholt.

Ja, das habe ich eben nach einigem rumprobieren auch gemerkt. Nachdem ich mir die queue hab mal anzeigen lassen und mit erschrecken hab feststelllen müssen, dass sie gänzlich leer ist. O



Zitat:Mach das Weiterleiten (Schreiben in die Queue) in die große Schleife - und zwar im True-Case nach dem Bedienelement Rampen.

Also das der Array direkt in die Queue geschrieben wird, sobald er erstellt wurde?
Aber dann wird er doch auch direkt ausgeführt, oder nicht? Weil dann etwas in die Queue geschoben wurde und das dequeue element sofot aktiv wird und somit den Array ausführt.

Ich mag doch aber zum abschicken bzw. ausführen des Arrays eine "Ok" Button.

Cheers.
Alle Beiträge dieses Benutzers finden
Diese Nachricht in einer Antwort zitieren to top
Anzeige
23.06.2008, 16:21
Beitrag #12

IchSelbst Offline
LVF-Guru
*****


Beiträge: 3.708
Registriert seit: Feb 2005

11, 14, 15, 17, 18
-
DE

97437
Deutschland
Sub VI soll im Hintergrund weiterlaufen
' schrieb:Ich mag doch aber zum abschicken bzw. ausführen des Arrays eine "Ok" Button.
Dann mach halt den Button in die Haupt-While-Schleife rein. Praktisch neben der jetzt vorhandenen Case-Sequenz eine zweite Case-Sequenz, die vom OK-Button angesteuert wird.

Eigentlich müsstest du wie folgt vorgehen: Eine dritte While-Schleife! Erste: Eingabe der Rampe; Zweite: Ausführen der Rampe; Dritte: Eventstruktur (<= Guckst du Hilfe). Dort wird der OK per Event verarbeitet.

Jeder, der zur wahren Erkenntnis hindurchdringen will, muss den Berg Schwierigkeit alleine erklimmen (Helen Keller).
Alle Beiträge dieses Benutzers finden
Diese Nachricht in einer Antwort zitieren to top
23.06.2008, 16:25
Beitrag #13

Labview-Beginner Offline
LVF-Gelegenheitsschreiber
**


Beiträge: 114
Registriert seit: Oct 2007

6.1
2007
kA

67705
Deutschland
Sub VI soll im Hintergrund weiterlaufen
Zitat:Eventstruktur (<= Guckst du Hilfe)

Gibt es bei Lab View 6.1 noch nit.Wink

Ich arbeit bei solchen Sachen immer mit Waiting for Front Panel Activity. Ich denke das geht so in die Richtung, die du meinst?

Das mit einer weiteren Case Schleife habe ich auch schon ausprobiert, hatte aber keinen Erfolg. Ich probier mal weiter.

Auf jeden Fall schonmal Danke!Smile

Cheers.
Alle Beiträge dieses Benutzers finden
Diese Nachricht in einer Antwort zitieren to top
23.06.2008, 16:34
Beitrag #14

Labview-Beginner Offline
LVF-Gelegenheitsschreiber
**


Beiträge: 114
Registriert seit: Oct 2007

6.1
2007
kA

67705
Deutschland
Sub VI soll im Hintergrund weiterlaufen
Hi,

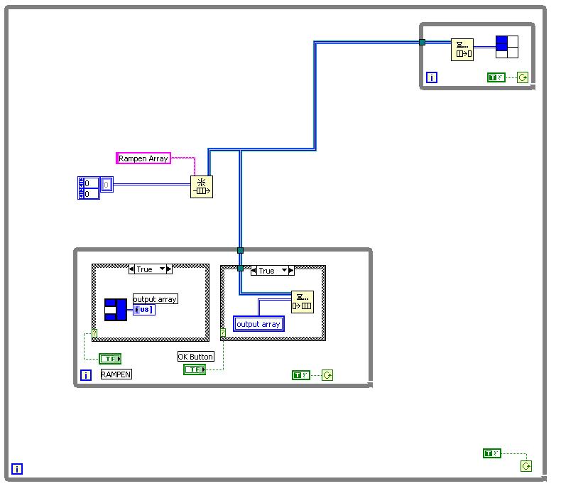
also das mit der zweiten Case - Schleife sieht nun folgendermaßen aus und scheint auch zu funktionieren.

Noch irgendwelche Tipps vom Profi?Smile

Cheers.


Angehängte Datei(en) Thumbnail(s)
   
Alle Beiträge dieses Benutzers finden
Diese Nachricht in einer Antwort zitieren to top
23.06.2008, 19:11
Beitrag #15

IchSelbst Offline
LVF-Guru
*****


Beiträge: 3.708
Registriert seit: Feb 2005

11, 14, 15, 17, 18
-
DE

97437
Deutschland
Sub VI soll im Hintergrund weiterlaufen
' schrieb:und scheint auch zu funktionieren.
Nicht "scheint zu funktionieren", sondern "funktioniert".

Zitat:Noch irgendwelche Tipps vom Profi?
Wenn du schon fragst - bezogen auf genau das, was du gepostet hast:
Lass die äußere While-Schleife weg, die ist überflüssig. Halte die Daten in einem Schieberegister, dann brauchst du die Lokale Variable nicht.

Jeder, der zur wahren Erkenntnis hindurchdringen will, muss den Berg Schwierigkeit alleine erklimmen (Helen Keller).
Alle Beiträge dieses Benutzers finden
Diese Nachricht in einer Antwort zitieren to top
25.06.2008, 14:49
Beitrag #16

Labview-Beginner Offline
LVF-Gelegenheitsschreiber
**


Beiträge: 114
Registriert seit: Oct 2007

6.1
2007
kA

67705
Deutschland
Sub VI soll im Hintergrund weiterlaufen
Hi,

Zitat:Lass die äußere While-Schleife weg, die ist überflüssig. Halte die Daten in einem Schieberegister, dann brauchst du die Lokale Variable nicht.

Oke.

Aber dann muss ich eben mal ganz naiv fragen: Warum? Mellow

Schließlich will ich ja nicht einfach nur irgendwas programmieren, weil ihr es sagt - sondern auch verstehen was daran besser ist!Smile

Cheers.
Alle Beiträge dieses Benutzers finden
Diese Nachricht in einer Antwort zitieren to top
Anzeige
30
Antwort schreiben 


Möglicherweise verwandte Themen...
Themen Verfasser Antworten Views Letzter Beitrag
  Ansprechendes Design des Frontpanels | Muster in Hintergrund einfügen dulfried 3 5.523 23.08.2017 17:45
Letzter Beitrag: GerdW
  Hintergrund TiCy 5 5.946 27.11.2012 10:56
Letzter Beitrag: TiCy
  Events filtern, wenn GUI im Hintergrund dimitri84 7 8.810 07.03.2012 12:37
Letzter Beitrag: dimitri84
  VI's im Hintergrund Jontef 8 7.885 24.01.2012 10:21
Letzter Beitrag: Jontef
  Win Explorer im hintergrund? Escatec 2 5.412 06.10.2011 09:50
Letzter Beitrag: M@rRy
  UserInterface mit LabView Hintergrund schiebt sich vor Controls Cluster5020 2 4.943 05.04.2011 09:12
Letzter Beitrag: Cluster5020

Gehe zu: