INFO: Dieses Forum nutzt Cookies...
Cookies sind für den Betrieb des Forums unverzichtbar. Mit der Nutzung des Forums erklärst Du dich damit einverstanden, dass wir Cookies verwenden.

Es wird in jedem Fall ein Cookie gesetzt um diesen Hinweis nicht mehr zu erhalten. Desweiteren setzen wir Google Adsense und Google Analytics ein.


Antwort schreiben 

Problem mit Dauermessung - immer wieder Absturz



Wenn dein Problem oder deine Frage geklärt worden ist, markiere den Beitrag als "Lösung",
indem du auf den "Lösung" Button rechts unter dem entsprechenden Beitrag klickst. Vielen Dank!

27.08.2008, 13:49 (Dieser Beitrag wurde zuletzt bearbeitet: 27.08.2008 13:50 von Achim.)
Beitrag #21

Achim Offline
*****
*****


Beiträge: 4.226
Registriert seit: Nov 2005

20xx
2000
EN

978xx
Deutschland
Problem mit Dauermessung - immer wieder Absturz
Zitat:Nun ja: letztlich sind 5V Gleichspannung und eine Rechteckspannung mit 5V Peak beides Signalformen, die LV ausgeben kann. So unlogisch ist es da nicht, nachzufragen, ob wirklich die eine Signalfom bei einem Programmabsturz am Ausgang unverändert ansteht und die andere nicht. Hängt von der Programmstruktur von LV ab.
Falsch! Nicht LV erzeugt das Signal, sondern der DAQmx-Treiber. Und dieser "läuft" direkt auf der Karte. Es hängt also nicht von der Programmstruktur ab, sondern davon, an welcher Stelle sich die SW aufhängt. Sobald das passiert, wird der Karte kein Vorgabewert mehr übermittelt, die Karte macht also einfach weiter wie bisher...der Pegel bleibt erhalten! Es steht genau das Signal am Ausgang an, das durch die SW als letztes (im normalen Betrieb) vorgegeben wurde!

Zitat:Das Prinzip mit Gleichrichtung ist ja dasselbe: LabVIEW erzeugt (anscheinend) solange ein Rechtecksignal am Ausgang bis es nicht mehr korrekt läuft (dann aktualisiert es den Ausgang nicht mehr). Also habe ich dann entweder 0V oder 5V am Ausgang, aber keinesfalls mehr den Wert, der durch die Gleichrichtung entstünde. Sicher ist da ein Watchdog-Schalter eleganter, weil er nicht die Pegel kontrolliert, sondern den Takt.
Und? Wie du an meinen Ausführungen oben siehst, wird einfach keine Ausgabeaktualisierung angestoßen, wenn die SW hängt...Ich verstehe nicht, was du damit sagen willst!

Zitat:Das ist doch solange zulässig wie der PC funktioniert. Und wenn ich - so wie geplant - einen PC- oder Softwarefehler hardwaretechnisch abfange (durch Ausschaltung der gesamten Anlage) sehe ich da kaum Risiko.
Und wie fängst du einen PC-/SW-Fehler "hardwaretechnisch" ab, wenn nicht durch einen Watchdog? Wie erkennt deine HW, das das Programm spinnt/hängt? Wie erkennst du, dass du die Anlage ausschalten musst?

"Is there some mightier sage, of whom we have yet to learn?"

"Opportunity is missed by most people because it is dressed in overalls and looks like work." (Thomas Edison)
Alle Beiträge dieses Benutzers finden
Diese Nachricht in einer Antwort zitieren to top
Anzeige
27.08.2008, 13:54
Beitrag #22

Achim Offline
*****
*****


Beiträge: 4.226
Registriert seit: Nov 2005

20xx
2000
EN

978xx
Deutschland
Problem mit Dauermessung - immer wieder Absturz
Zitat:Software auf einem PC ist per se nicht sicher. Ebenso normale Standard-Hardware, wenn sie nicht ausdrücklich für einen Sicherheitsaspekt geeignet ist.
Genau!

Zitat:Auch ein eigenes Rechtecksignal mit Gleichrichtung etc. gilt per se als nicht sicher und ist somit ungeeignet zum Abschalten z.B. des Notauskreises.
Ich versteh nicht, was eine Gleichrichtung hier bringen soll...wenn ich einen festen Pegel wollte, bräuchte ich ja nicht erst ein Wechselsignal erzeugen...nur Flanken = Pegeländerungen sind doch überprüfbar!

"Is there some mightier sage, of whom we have yet to learn?"

"Opportunity is missed by most people because it is dressed in overalls and looks like work." (Thomas Edison)
Alle Beiträge dieses Benutzers finden
Diese Nachricht in einer Antwort zitieren to top
27.08.2008, 14:01 (Dieser Beitrag wurde zuletzt bearbeitet: 27.08.2008 14:03 von IchSelbst.)
Beitrag #23

IchSelbst Offline
LVF-Guru
*****


Beiträge: 3.708
Registriert seit: Feb 2005

11, 14, 15, 17, 18
-
DE

97437
Deutschland
Problem mit Dauermessung - immer wieder Absturz
' schrieb:Ich versteh nicht, was eine Gleichrichtung hier bringen soll...wenn ich einen festen Pegel wollte, bräuchte ich ja nicht erst ein Wechselsignal erzeugen...nur Flanken = Pegeländerungen sind doch überprüfbar!
Naja, eine Gleichrichtung eines 1:1 getakteten 0V/10V-Analogausganges ergibt nach der Gleichrichtung nominal 5V. Aber nur, wenn der Taktgenerator noch funktioniert.

Da ich dieses Verfahren sowieso nicht für geeignet halte, habe ich mir über die Sinnhaftigkeit dieses Vorgehen auch keine weiteren Gedanken gemacht.

Jeder, der zur wahren Erkenntnis hindurchdringen will, muss den Berg Schwierigkeit alleine erklimmen (Helen Keller).
Alle Beiträge dieses Benutzers finden
Diese Nachricht in einer Antwort zitieren to top
27.08.2008, 14:11 (Dieser Beitrag wurde zuletzt bearbeitet: 27.08.2008 14:11 von Lucki.)
Beitrag #24

Lucki Offline
Tech.Exp.2.Klasse
LVF-Team

Beiträge: 7.699
Registriert seit: Mar 2006

LV 2016-18 prof.
1995
DE

01108
Deutschland
Problem mit Dauermessung - immer wieder Absturz
' schrieb:Nun das Problem: Wenn das Programm läuft und ich beende es ordnungsgemäß (was aber auch durch einen LabVIEW-Fehler passieren könnte), liegen nach wie vor die 5 V am Ausgang an.
Das mag von Dir aus gesehen ein Problem sein, von LabVIEW aus gesehen ist es ein normales Feature. D.h selbst bei normalem Beenden des Programms inklusive Rücksetzen der DAQ-Tasks bleibt die zuletzt ausgegebene Spannung erhalten.
Eine besondere Funktion um dem abzuhelfen braucht man dazu nicht, man muß eben, genau so wie man geöffnete Dateien schließt, noch einen Einzelwert von 0V ausgeben, oder auch zwei Mal, wenn es beide AO-Kanäle betrifft.
Alle Beiträge dieses Benutzers finden
Diese Nachricht in einer Antwort zitieren to top
27.08.2008, 14:45 (Dieser Beitrag wurde zuletzt bearbeitet: 27.08.2008 14:46 von RoLe.)
Beitrag #25

RoLe Offline
LVF-Guru
*****


Beiträge: 1.236
Registriert seit: Jul 2007

-
1997
en

0
Schweiz
Problem mit Dauermessung - immer wieder Absturz
Als in DAQmx gibt es 2 VI's die dazu nützlich sein können. (solange dein Programm noch reagiert)

"DAQmx Set Power Up States"
Setzt den Initalwert beim Einschalten oder Reset des Device

"DAQmx Reset Device"
Initialisiert den Device auf den Standard Wert.
gem. Hilfe ist das bei einer M-Serie Karte AO= 0Volt

Wäre doch mal Wert das anzuschauen.Cool
ev. liege ich aber auch falsch, da ich erst seit dieser Woche mit DAQmx arbeite (portieren alter Anwendungen auf DAQmx, wegen VISTA)

.·´¯)--> Leben ist das, was dir passiert, wenn du eifrig dabei bist andere Pläne zu machen <--(¯`·.
Alle Beiträge dieses Benutzers finden
Diese Nachricht in einer Antwort zitieren to top
27.08.2008, 14:47
Beitrag #26

Achim Offline
*****
*****


Beiträge: 4.226
Registriert seit: Nov 2005

20xx
2000
EN

978xx
Deutschland
Problem mit Dauermessung - immer wieder Absturz
' schrieb:Als in DAQmx gibt es 2 VI's die dazu nützlich sein können. (solange dein Programm noch reagiert)

"DAQmx Set Power Up States"
Setzt den Initalwert beim Einschalten oder Reset des Device

"DAQmx Reset Device"
Initialisiert den Device auf den Standard Wert.
gem. Hilfe ist das bei einer M-Serie Karte AO= 0Volt

Wäre doch mal Wert das anzuschauen.Cool
ev. liege ich aber auch falsch, da ich erst seit dieser Woche mit DAQmx arbeite (portieren alter Anwendungen auf DAQmx, wegen VISTA)

Ja, diese Funktionen sind toll! Aber bei nem Programmabsturz kommst du halt gar nicht dazu...

"Is there some mightier sage, of whom we have yet to learn?"

"Opportunity is missed by most people because it is dressed in overalls and looks like work." (Thomas Edison)
Alle Beiträge dieses Benutzers finden
Diese Nachricht in einer Antwort zitieren to top
Anzeige
27.08.2008, 15:57 (Dieser Beitrag wurde zuletzt bearbeitet: 28.08.2008 18:21 von Lucki.)
Beitrag #27

Lucki Offline
Tech.Exp.2.Klasse
LVF-Team

Beiträge: 7.699
Registriert seit: Mar 2006

LV 2016-18 prof.
1995
DE

01108
Deutschland
Problem mit Dauermessung - immer wieder Absturz
' schrieb:Als in DAQmx gibt es 2 VI's die dazu nützlich sein können. (solange dein Programm noch reagiert)
"DAQmx Reset Device"
Initialisiert den Device auf den Standard Wert.
gem. Hilfe ist das bei einer M-Serie Karte AO= 0Volt
Danke für den den Hinweis. Diese VIs sind im Funktionenmenü außerordentlich gut getarnt, so daß man auf so einen Tip echt angewiesen ist.
Was Du hier so indirekt andeutest, sollte aber noch mal deutlich gesagt werden: Das Rücksetzen auf Null Volt funktioniert damit lt. Hilfe nicht bei allen DAQmx-Karten, also nicht bei der E- S-- und AO-Serie
Alle Beiträge dieses Benutzers finden
Diese Nachricht in einer Antwort zitieren to top
28.08.2008, 18:11 (Dieser Beitrag wurde zuletzt bearbeitet: 28.08.2008 18:12 von ph1211.)
Beitrag #28

ph1211 Offline
LVF-Grünschnabel
*


Beiträge: 12
Registriert seit: Aug 2008

7.1 & 8.5.1
2008
de

6xxxx
Deutschland
Problem mit Dauermessung - immer wieder Absturz
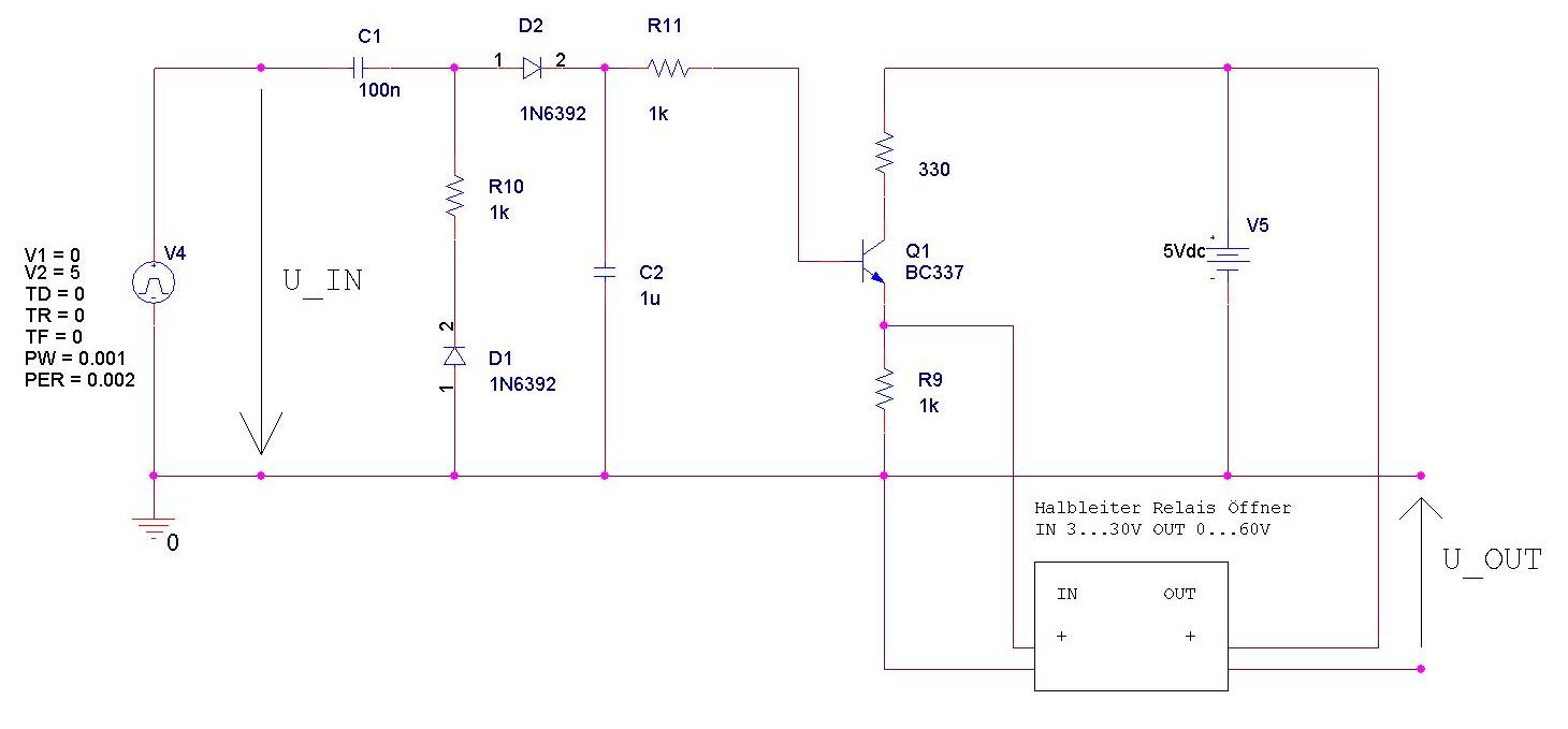
Ich habe mich vielleicht etwas knapp ausgedrückt mit "Gleichrichten". Also meine Lösung geht so (siehe Bild im Anhang):
   
Als Eingang habe ich ein hochfrequentes (Rechteck)Signal, das mir LabVIEW im Normalbetrieb ausgibt, also solange es funktioniert. Sprich, das selbe Signal, das einem Watchdog-Relais übergeben wird. Der erste Kondensator C1 dient als eine Art Hochpass, lässt also keine Gleichspannungen durch. Das könnte passieren, wenn das Rechtecksignal bei bspw. 0V oder 5V hängen bleibt. Danach wird das Signal nach Greinacher gleichgerichtet (D1, D2, R10, R11) und geglättet (C2). An der Basis des Transistors Q1 kommt also nur eine Gleichspannung an, solange am Eingang ein hochfrequentes Signal anliegt. Ist das der Fall, wird die Kollektor-Emitter-Strecke durchgeschaltet und am Widerstand R9 liegt die Spannung der Quelle V5 an. Diese Spannung öffnet damit ein Halbleiterrelais, so daß U_OUT gleich 0 ist. Fällt die Eingangsspannung U_In einmal weg oder friert ein, so kann man mit U_Out ein Sicherheitsrelais ansteuern, das die gesamt Anlage (über ein Schütz) ausschaltet.

Ich hoffe, es wurde ein wenig klarer. Ich sehe da vom Wirkprinzip keine elementaren Unterschiede zu einem 300 Euro Relais von ABB.

Gruß,
Alle Beiträge dieses Benutzers finden
Diese Nachricht in einer Antwort zitieren to top
29.08.2008, 06:50 (Dieser Beitrag wurde zuletzt bearbeitet: 29.08.2008 06:51 von Achim.)
Beitrag #29

Achim Offline
*****
*****


Beiträge: 4.226
Registriert seit: Nov 2005

20xx
2000
EN

978xx
Deutschland
Problem mit Dauermessung - immer wieder Absturz
Zitat:Ich hoffe, es wurde ein wenig klarer. Ich sehe da vom Wirkprinzip keine elementaren Unterschiede zu einem 300 Euro Relais von ABB.

Jou, klingt ganz gut...es spricht ja nichts dagegen, selber was zu entwickeln!

Die Sache ist oftmals aber die: Die Zeit, die du für die Entwicklung und den Gehirnschmalz investiert hast, kostet auch! Was kostet es real, wenn DU das entwickelst, lötest und testest? Und wenn du nur einen wie auch immer gearteten Fehler hast und dann nachträglich nochmal suchen musst, wirds immer teurer.

Ein anderer Punkt ist, dass du für eine Anlage, die du kommerziell einsetzen - d.h. einem Kunden verkaufen - willst, musst du im Normalfall eine Gefahrenanalyse machen. Wenn du nach den Vorschriften arbeitest, sollte dabei jedes Bauteil eine CE-Kennzeichnung haben. Und speziell bei solchen Sicherheitsfunktionen muss das jeweilige Bauteil dazu explizit "fähig" sein.

Von daher würde ich sagen daß in den meisten Fällen kommerzielle Lösungen ( aka "Kaufteile") eine sichere und stressfreie Lösung sind...und Garantie hast du dann auch!

Gruß
Achim

"Is there some mightier sage, of whom we have yet to learn?"

"Opportunity is missed by most people because it is dressed in overalls and looks like work." (Thomas Edison)
Alle Beiträge dieses Benutzers finden
Diese Nachricht in einer Antwort zitieren to top
29.08.2008, 08:26
Beitrag #30

IchSelbst Offline
LVF-Guru
*****


Beiträge: 3.708
Registriert seit: Feb 2005

11, 14, 15, 17, 18
-
DE

97437
Deutschland
Problem mit Dauermessung - immer wieder Absturz
' schrieb:An der Basis des Transistors Q1 kommt also nur eine Gleichspannung an
Oh, ein Transistor.

Was machst du denn, wenn der genau so kaputt geht - und glaub mir das geht - dass er einen OK-Zustand proviziert?

Und sehe ich das richtig: Wenn der Sicherheitsfall eintreten solle, dann erst wird ein Schütz aktiviert? D.h. ist es nicht aktiviert, so ist alles in Ordnung? Was machst du dann bei Kabelbruch zum Schutz hin?

Jeder, der zur wahren Erkenntnis hindurchdringen will, muss den Berg Schwierigkeit alleine erklimmen (Helen Keller).
Alle Beiträge dieses Benutzers finden
Diese Nachricht in einer Antwort zitieren to top
30
Antwort schreiben 


Möglicherweise verwandte Themen...
Themen Verfasser Antworten Views Letzter Beitrag
  Absturz von LabView bei Doppelklick auf DAQ-Assistant jaqui 0 4.357 06.08.2015 07:58
Letzter Beitrag: jaqui
  LV Absturz nach ca. 11 Stunden, letzter Wert "NUL" - Was tun ? bernysberny 9 6.847 17.03.2012 19:39
Letzter Beitrag: bernysberny

Gehe zu: