INFO: Dieses Forum nutzt Cookies...
Cookies sind für den Betrieb des Forums unverzichtbar. Mit der Nutzung des Forums erklärst Du dich damit einverstanden, dass wir Cookies verwenden.

Es wird in jedem Fall ein Cookie gesetzt um diesen Hinweis nicht mehr zu erhalten. Desweiteren setzen wir Google Adsense und Google Analytics ein.


Antwort schreiben 

.txt file auslesen und in Felder ablegen



Wenn dein Problem oder deine Frage geklärt worden ist, markiere den Beitrag als "Lösung",
indem du auf den "Lösung" Button rechts unter dem entsprechenden Beitrag klickst. Vielen Dank!

02.03.2009, 15:50 (Dieser Beitrag wurde zuletzt bearbeitet: 02.03.2009 16:14 von Robi.)
Beitrag #1

Robi Offline
LVF-Grünschnabel
*


Beiträge: 37
Registriert seit: Feb 2009

8,6
2008
de

5204
Oesterreich
.txt file auslesen und in Felder ablegen
Hi Leute,

habe jetzt schon die Forensuche gequält und google aber ich finde einfach nicht das richtige.

Und zwar zu meinem Problem: ich habe ein .txt File welches ich einlese und die einzelnen Daten daraus in arrays ablegen will.
Soweit funktioniert ja alles recht gut.
Ich beschreibe die Arrays in For Schleifen und es kommen auch die richtigen Daten an die richtigen Stellen.
Aber:
Ich triggere das ganze über einen OK Button sobald dieser wieder weg ist werden die For Schleifen zu ende bearbeitet währenddessen die Arrays noch beschreiben und so weiter.
Danach aber sind die Daten wieder weg???
Zu meiner Frage wie kann ich es machen dass das ganze funktioniert??
Bitte helft mir bin schon am verzweifeln.

Gruß Robert

Ich hab mal meine VI´s hochgeladen vlt findet ja wer die zeit und kann sie sich ansehen
das .txt file sollte eingelesen werden

--

LV Vers. 8.6


Angehängte Datei(en)
Sonstige .vi  File_Opener.vi (Größe: 17,82 KB / Downloads: 304)

Sonstige .vi  txt_Analyzer_new.vi (Größe: 34,24 KB / Downloads: 323)

Sonstige .vi  versuch_02032009.vi (Größe: 9,73 KB / Downloads: 278)

Sonstige .txt  090128.txt (Größe: 13,6 KB / Downloads: 353)
Alle Beiträge dieses Benutzers finden
Diese Nachricht in einer Antwort zitieren to top
Anzeige
02.03.2009, 16:13
Beitrag #2

TSC Offline
LVF-Team
LVF-Team

Beiträge: 1.882
Registriert seit: Sep 2008

LV 2018 SP1
2008
EN

52379
Deutschland
.txt file auslesen und in Felder ablegen
' schrieb:Hi Leute,

habe jetzt schon die Forensuche gequält und google aber ich finde einfach nicht das richtige.

Und zwar zu meinem Problem: ich habe ein .txt File welches ich einlese und die einzelnen Daten daraus in arrays ablegen will.
Soweit funktioniert ja alles recht gut.
Ich beschreibe die Arrays in For Schleifen und es kommen auch die richtigen Daten an die richtigen Stellen.
Aber:
Ich triggere das ganze über einen OK Button sobald dieser wieder weg ist werden die For Schleifen zu ende bearbeitet währenddessen die Arrays noch beschreiben und so weiter.
Danach aber sind die Daten wieder weg???
Zu meiner Frage wie kann ich es machen dass das ganze funktioniert??
Bitte helft mir bin schon am verzweifeln.

Gruß Robert

Ich hab mal meine VI´s hochgeladen vlt findet ja wer die zeit und kann sie sich ansehen
das .txt file sollte eingelesen werden


Das ist für mich leider zu viel ums mal eben so nebenher durch zu schauen, vielleicht kannst du das problem in einem VI auf den Punkt bringen (nur die wesentlichen Punkte und nicht zu viele Datensätze einlesen, eben übersichtlicher)?

LG
Torsten

"Über Fragen, die ich nicht beantworten kann, zerbreche ich mir nicht den Kopf!" (Konrad Zuse)
Alle Beiträge dieses Benutzers finden
Diese Nachricht in einer Antwort zitieren to top
02.03.2009, 16:15 (Dieser Beitrag wurde zuletzt bearbeitet: 02.03.2009 16:43 von jg.)
Beitrag #3

jg Offline
CLA & CLED
LVF-Team

Beiträge: 15.864
Registriert seit: Jun 2005

20xx / 8.x
1999
EN

Franken...
Deutschland
.txt file auslesen und in Felder ablegen
Was soll eigentlich die VI File_Opener machen? Wieso so kompliziert?
Pfad eines Verzeichnis als Eingang + Scrollbar (so klein, dass man da nichts auswählen kann, und was soll man vorher auswählen)?
Ich verstehe da nurBahn
Wieso nicht direkt File auswählen?

Und dann zur Struktur deines txt-Files: Das schreit doch nach einer Umwandlung in ein 2D-Array per "Spreadsheet String to Array" mit einem Komma als Delimiter.

Und in deinem File-Analyzer, die 2000 bei den For-Schleifen kannst du dir auch sparen, es gibt doch das tolle Feature "AutoIndexing"!

Gruß, Jens

EDIT: Denkanstoß: So stelle ich mir die Zerlegung des Files vor. Die restlichen Sub-Arrays kannst du selber einfügen.
   

Wer die erhabene Weisheit der Mathematik tadelt, nährt sich von Verwirrung. (Leonardo da Vinci)

!! BITTE !! stellt mir keine Fragen über PM, dafür ist das Forum da - andere haben vielleicht auch Interesse an der Antwort!

Einführende Links zu LabVIEW, s. GerdWs Signatur.
Alle Beiträge dieses Benutzers finden
Diese Nachricht in einer Antwort zitieren to top
03.03.2009, 09:20
Beitrag #4

Robi Offline
LVF-Grünschnabel
*


Beiträge: 37
Registriert seit: Feb 2009

8,6
2008
de

5204
Oesterreich
.txt file auslesen und in Felder ablegen
Wow Danke

@ Jens deine Lösung funktioniert super vielen Dank

Muss dazu sagen ich arbeite jetzt seit 2 wochen mit LabVIEW und bin von daher ein absoluter noob!

Sry falls meine Frage ein wenig dämlich war.

Zum File Opener: Dieser Baustein ist noch nicht fertig es sollen noch ein paar Funktionen rein von daher wollte ich ihn als eigenes VI behandeln

Also Danke nochmal super Forum hier!

Gruß Robert
Alle Beiträge dieses Benutzers finden
Diese Nachricht in einer Antwort zitieren to top
04.03.2009, 16:45
Beitrag #5

Robi Offline
LVF-Grünschnabel
*


Beiträge: 37
Registriert seit: Feb 2009

8,6
2008
de

5204
Oesterreich
.txt file auslesen und in Felder ablegen
So habe jetzt noch eine Frage und zwar:

Ich habe ein 2D Array zwischen den Daten die drinnen sind sind ab und zu leerzeilen aufgrund der vorhergehenden aufteilung.

Wie schaffe ich es das ich diese zeilen finde und löschen kann?
Hoffe ihr wisst was ich meine

Habe jetzt schon gegoogelt und die suche benutzt aber ich finde nichts das mir weiterhilft sorry

Hier noch ein Bild zur Erklärung


Gruß Robert


Angehängte Datei(en) Thumbnail(s)
   
Alle Beiträge dieses Benutzers finden
Diese Nachricht in einer Antwort zitieren to top
04.03.2009, 18:54
Beitrag #6

Y-P Offline
☻ᴥᴥᴥ☻ᴥᴥᴥ☻
LVF-Team

Beiträge: 12.612
Registriert seit: Feb 2006

Developer Suite Core -> LabVIEW 2015 Prof.
2006
EN

71083
Deutschland
.txt file auslesen und in Felder ablegen
Meinst Du so?


Sonstige .vi  Array.vi (Größe: 10,45 KB / Downloads: 320)

Lv80_img

Gruß Markus

--------------------------------------------------------------------------
Bitte stellt mir keine Fragen über PM, dafür ist das Forum da - andere haben vielleicht auch Interesse an der Antwort !!
--------------------------------------------------------------------------
Alle Beiträge dieses Benutzers finden
Diese Nachricht in einer Antwort zitieren to top
Anzeige
05.03.2009, 11:10 (Dieser Beitrag wurde zuletzt bearbeitet: 05.03.2009 11:25 von Robi.)
Beitrag #7

Robi Offline
LVF-Grünschnabel
*


Beiträge: 37
Registriert seit: Feb 2009

8,6
2008
de

5204
Oesterreich
.txt file auslesen und in Felder ablegen
Hi

EDIT:
Habs jetzt geschafft danke für die Hilfe!


Gruß Robert
Alle Beiträge dieses Benutzers finden
Diese Nachricht in einer Antwort zitieren to top
05.03.2009, 13:48
Beitrag #8

Robi Offline
LVF-Grünschnabel
*


Beiträge: 37
Registriert seit: Feb 2009

8,6
2008
de

5204
Oesterreich
.txt file auslesen und in Felder ablegen
Habe aber jetzt trotzdem noch eine Frage:

Und zwar habe ich ausgehend von einem Array mit normalen zahlen ein Bool Array erstellt.
Wie kann ich dieses Bool Array jetzt wieder in ein Zahlenarray wandeln ABER mit der Bool Struktur.

Also Zahlenarray

|0|5|0|23|7|5|2|0|

halt dann die binär codes für die einzelnen zahlen

also 0100010

Hoffe ihr wisst was ich meine

Gruß Robert
Alle Beiträge dieses Benutzers finden
Diese Nachricht in einer Antwort zitieren to top
05.03.2009, 14:02
Beitrag #9

jg Offline
CLA & CLED
LVF-Team

Beiträge: 15.864
Registriert seit: Jun 2005

20xx / 8.x
1999
EN

Franken...
Deutschland
.txt file auslesen und in Felder ablegen
Nein, so ganz verstehe ich dich nicht. Das Bsp hilft NICHT weiter.

Aber ich rate mal. Das hier? Lässt sich auch auf ein Array anwenden.
   

Gruß, Jens

Wer die erhabene Weisheit der Mathematik tadelt, nährt sich von Verwirrung. (Leonardo da Vinci)

!! BITTE !! stellt mir keine Fragen über PM, dafür ist das Forum da - andere haben vielleicht auch Interesse an der Antwort!

Einführende Links zu LabVIEW, s. GerdWs Signatur.
Alle Beiträge dieses Benutzers finden
Diese Nachricht in einer Antwort zitieren to top
06.03.2009, 09:19 (Dieser Beitrag wurde zuletzt bearbeitet: 06.03.2009 09:20 von Robi.)
Beitrag #10

Robi Offline
LVF-Grünschnabel
*


Beiträge: 37
Registriert seit: Feb 2009

8,6
2008
de

5204
Oesterreich
.txt file auslesen und in Felder ablegen
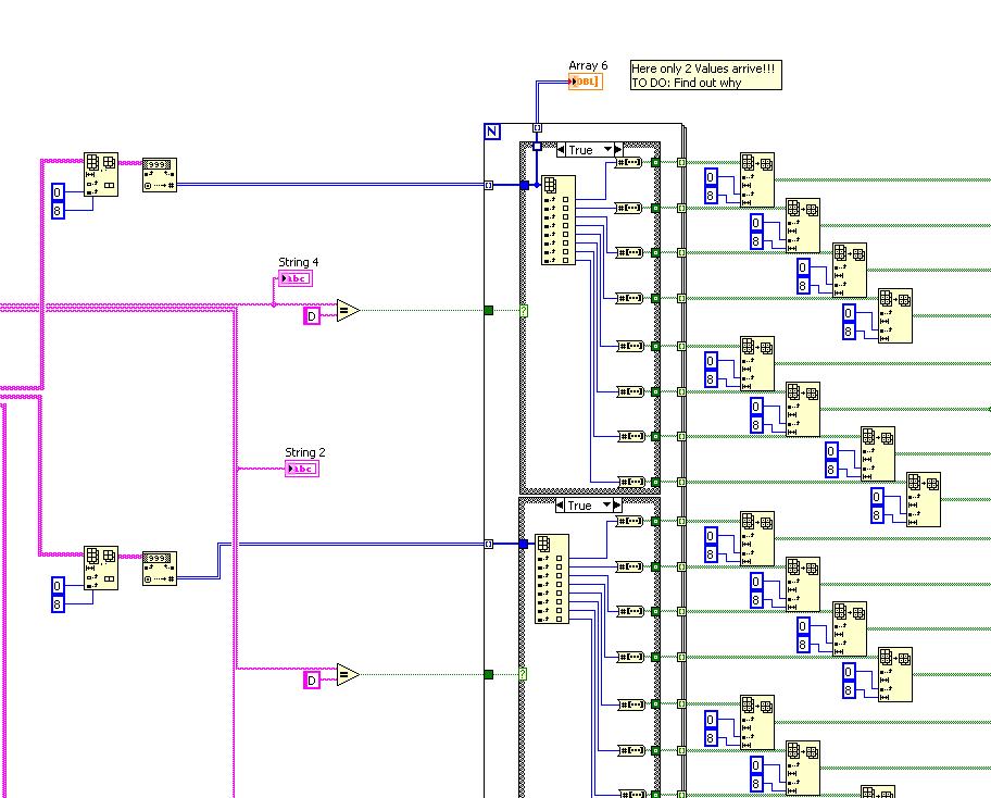
So und jetz hab ich wieder ein problem

Und zwar "verliere" ich daten beim übergeben von einem 2D Array in eine For schleife
Auf den Bildern sieht man wie ich das mache

Und auf dem Screen das obere Array sind die Daten VOR der Schleife und das untere in bzw. nach der Übergabe

Zu meiner Frage wie kann so etwas sein???
Ich hab dafür echt keine erklärung

Bitte helft mir

Gruß Robert


Angehängte Datei(en) Thumbnail(s)
       
Alle Beiträge dieses Benutzers finden
Diese Nachricht in einer Antwort zitieren to top
30
Antwort schreiben 


Möglicherweise verwandte Themen...
Themen Verfasser Antworten Views Letzter Beitrag
  Befehle bzw. Koordinaten in einer Tabelle ablegen fendtvarioful 3 5.127 08.12.2011 07:38
Letzter Beitrag: unicorn
  Leere Felder in Datenbank erhalten Badan 1 5.556 11.01.2011 15:38
Letzter Beitrag: nookie
  Dateien in SQL Datenbank ablegen BastiFantasti 12 26.450 06.04.2010 14:43
Letzter Beitrag: andimtb
  Messwertpaare in Array ablegen UDE 11 12.148 27.11.2008 22:52
Letzter Beitrag: jg
  xls. Daten in Ordner ablegen ThomasDipl 2 5.624 12.11.2008 17:16
Letzter Beitrag: ThomasDipl
  LVM Datei aus ZIP-File mit LabVIEW auslesen dukemichael 2 5.934 03.05.2006 12:13
Letzter Beitrag: dukemichael

Gehe zu: