INFO: Dieses Forum nutzt Cookies...
Cookies sind für den Betrieb des Forums unverzichtbar. Mit der Nutzung des Forums erklärst Du dich damit einverstanden, dass wir Cookies verwenden.

Es wird in jedem Fall ein Cookie gesetzt um diesen Hinweis nicht mehr zu erhalten. Desweiteren setzen wir Google Adsense und Google Analytics ein.


Antwort schreiben 

Synchronisieren 2 NI PCI Karten (6024E und 6225M)



Wenn dein Problem oder deine Frage geklärt worden ist, markiere den Beitrag als "Lösung",
indem du auf den "Lösung" Button rechts unter dem entsprechenden Beitrag klickst. Vielen Dank!

05.11.2009, 15:42
Beitrag #1

Prince Amir Offline
LVF-Gelegenheitsschreiber
**


Beiträge: 134
Registriert seit: Aug 2009

8.6 - 2009
2009
de_en

80809
Deutschland
Synchronisieren 2 NI PCI Karten (6024E und 6225M)
Hallo an alle,

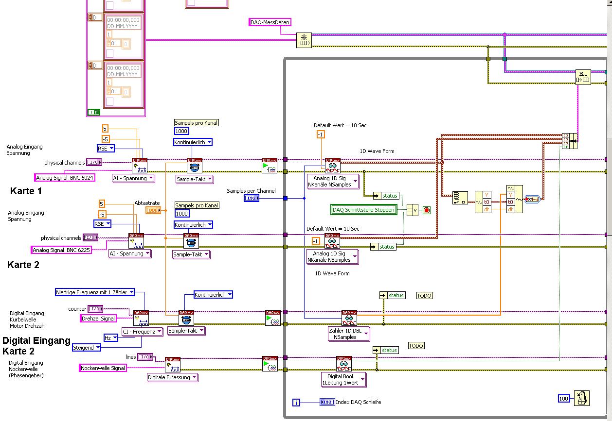
ich benutze 2 PCI NI karten zum datenerfassung. gibts eine möglichkeit, dass ich die daten von 2 karten synchron einlese ?ode ist es automaisch so wie ich die eingebaut habe ? (ziel ist einach dass die daten zum ersten mal gleichzeitig von beiden karten eingelesen werden.)
weil ich die daten alle in einem File speichern will, will einfach eine zeitspalte für alle daten haben, daher sollten die messdaten auch synchron sein.

bitte um tipp.


viele Grüße,
Amir.

anhand ein screenshot.


Angehängte Datei(en) Thumbnail(s)
   

Coming together is a beginning, keeping together is progress, working together is success.
Alle Beiträge dieses Benutzers finden
Diese Nachricht in einer Antwort zitieren to top
Anzeige
05.11.2009, 16:40
Beitrag #2

Achim Offline
*****
*****


Beiträge: 4.226
Registriert seit: Nov 2005

20xx
2000
EN

978xx
Deutschland
Synchronisieren 2 NI PCI Karten (6024E und 6225M)
Hi,
das eine ist ne E-Serie...die konnte man untereinander per RTSI synchronisieren. Aber ob das bei den M-Serie-Karten noch geht, musst du mal bei NI nachfragen!
A.

"Is there some mightier sage, of whom we have yet to learn?"

"Opportunity is missed by most people because it is dressed in overalls and looks like work." (Thomas Edison)
Alle Beiträge dieses Benutzers finden
Diese Nachricht in einer Antwort zitieren to top
05.11.2009, 16:43
Beitrag #3

Prince Amir Offline
LVF-Gelegenheitsschreiber
**


Beiträge: 134
Registriert seit: Aug 2009

8.6 - 2009
2009
de_en

80809
Deutschland
Synchronisieren 2 NI PCI Karten (6024E und 6225M)
' schrieb:Hi,
das eine ist ne E-Serie...die konnte man untereinander per RTSI synchronisieren. Aber ob das bei den M-Serie-Karten noch geht, musst du mal bei NI nachfragen!
A.

Hallo
danke für Antwort.

aber kannst du genauer erklären ?

Grüße

Coming together is a beginning, keeping together is progress, working together is success.
Alle Beiträge dieses Benutzers finden
Diese Nachricht in einer Antwort zitieren to top
05.11.2009, 16:45
Beitrag #4

Achim Offline
*****
*****


Beiträge: 4.226
Registriert seit: Nov 2005

20xx
2000
EN

978xx
Deutschland
Synchronisieren 2 NI PCI Karten (6024E und 6225M)
Genauer gehts nicht:

http://digital.ni.com/public.nsf/allkb/A12...6256C69007C8B27

http://zone.ni.com/wv/app/doc/p/id/wv-627

http://sine.ni.com/nips/cds/view/p/lang/en/nid/12631

"Is there some mightier sage, of whom we have yet to learn?"

"Opportunity is missed by most people because it is dressed in overalls and looks like work." (Thomas Edison)
Alle Beiträge dieses Benutzers finden
Diese Nachricht in einer Antwort zitieren to top
05.11.2009, 20:17
Beitrag #5

IchSelbst Offline
LVF-Guru
*****


Beiträge: 3.708
Registriert seit: Feb 2005

11, 14, 15, 17, 18
-
DE

97437
Deutschland
Synchronisieren 2 NI PCI Karten (6024E und 6225M)
' schrieb:gibts eine möglichkeit, dass ich die daten von 2 karten synchron einlese ?ode ist es automaisch so wie ich die eingebaut habe ? (ziel ist einach dass die daten zum ersten mal gleichzeitig von beiden karten eingelesen werden.)
Die Methode wie von Achim dargestellt ist natürlich die ideale Lösung - da hardwarenah.

Bei einer Abtastrate von wenger als 1kHz kann man aber notfalls auch folgendermaßen vorgehen.

Man startet alle Tasks gleichzeitig. Gleichzeitig geht zwar eigentlich nicht. Aber man kann durch Datenfluß (Error-Cluster verbinden) die vier Stück "Task starten" (Hinweis: bei der zweiten Task fehlt das Element "Start". Start geht aber auch automatisch.) so sequenzieren, dass nur ein unerheblicher (bezogen auf die Abtastrate) Zeitversatz entsteht. Dann ließt man aus allen DAQmx-Read immer die gleiche Anzahl aus. Das hast du ja schon gemacht. Da immer die gleiche Anzahl gelesen wird und zur (halbwegs) gleichen Zeit gestartet wurde, laufen alle vier Kurven synchron.

Jeder, der zur wahren Erkenntnis hindurchdringen will, muss den Berg Schwierigkeit alleine erklimmen (Helen Keller).
Alle Beiträge dieses Benutzers finden
Diese Nachricht in einer Antwort zitieren to top
30
Antwort schreiben 


Möglicherweise verwandte Themen...
Themen Verfasser Antworten Views Letzter Beitrag
  Counter-Eingänge synchronisieren für Positionsmessung Knödelmann 1 6.674 18.04.2016 15:56
Letzter Beitrag: Knödelmann
  AO und AI versetzt synchronisieren Bärbel 4 6.825 09.10.2014 06:27
Letzter Beitrag: Bärbel
  Ai mit Encoder Synchronisieren Magneto 14 14.832 25.07.2014 10:17
Letzter Beitrag: GerdW
  NI PXIe-6537 und NI PXI-5412 synchronisieren Bananenbrot 1 5.049 29.08.2012 07:21
Letzter Beitrag: Achim
  synchronisieren von Messdaten unterschiedlicher Quelle und Rate kob 2 5.498 03.08.2012 10:45
Letzter Beitrag: kob
  Synchronisation 2 PXI 4461 Karten BTB 0 3.793 08.12.2011 14:33
Letzter Beitrag: BTB

Gehe zu: