INFO: Dieses Forum nutzt Cookies...
Cookies sind für den Betrieb des Forums unverzichtbar. Mit der Nutzung des Forums erklärst Du dich damit einverstanden, dass wir Cookies verwenden.

Es wird in jedem Fall ein Cookie gesetzt um diesen Hinweis nicht mehr zu erhalten. Desweiteren setzen wir Google Adsense und Google Analytics ein.


Antwort schreiben 

Programm von MatLab inLabVIEW übersetzen



Wenn dein Problem oder deine Frage geklärt worden ist, markiere den Beitrag als "Lösung",
indem du auf den "Lösung" Button rechts unter dem entsprechenden Beitrag klickst. Vielen Dank!

19.11.2009, 15:36 (Dieser Beitrag wurde zuletzt bearbeitet: 19.11.2009 15:39 von dimitri84.)
Beitrag #11

dimitri84 Offline
Astronaut
*****


Beiträge: 1.496
Registriert seit: Aug 2009

2020 Developer Suite
2009
DE_EN

53562
Deutschland
Programm von MatLab inLabVIEW übersetzen
' schrieb:Ich weiß ehrlich gesagt auch noch nicht für was das Programm gut sein soll. Das primäre Ziel ist erstmal die "übersetzung" und dann wird sich der rest schon ergeben.

Das ist gar keine gute Vorraussetzung! Wie Achim schon sagte du musst den MatLab Code erst verstehen und dann Stück für Stück übersetzen.

Wie willst du wissen ob der Code richtig funktioniert, wenn du garnicht weißt was der Code tun soll?

„Sag nicht alles, was du weißt, aber wisse immer, was du sagst.“ (Matthias Claudius)
Webseite des Benutzers besuchen Alle Beiträge dieses Benutzers finden
Diese Nachricht in einer Antwort zitieren to top
Anzeige
19.11.2009, 16:20
Beitrag #12

Peterxxx Offline
LVF-Grünschnabel
*


Beiträge: 17
Registriert seit: Nov 2009

8.6
2009
de

71229
Deutschland
Programm von MatLab inLabVIEW übersetzen
Ich werde mich einfach Schritt für Schritt durchschlagen.

Frage zu folgendem Code:
<div class='codetop'>CODE</div><div class='codemain' style='height:200px;white-space:pre;overflow:auto'>[N,NS]=size(data);</div>
In Mathlab wird mir dann auf die Variable N, die Anzahl der Zeile von data und auf die Variable NS, die Anzahl der Spalten gesetzt.
Das erste Symbol in Array in LabVIEW ermöglichst es mir aber nicht Zeilen- und Spaltenanzahl separat zu erhalten.

Gibt es hierfür eine Lösung?
Alle Beiträge dieses Benutzers finden
Diese Nachricht in einer Antwort zitieren to top
19.11.2009, 16:24 (Dieser Beitrag wurde zuletzt bearbeitet: 19.11.2009 16:24 von Y-P.)
Beitrag #13

Y-P Offline
☻ᴥᴥᴥ☻ᴥᴥᴥ☻
LVF-Team

Beiträge: 12.612
Registriert seit: Feb 2006

Developer Suite Core -> LabVIEW 2015 Prof.
2006
EN

71083
Deutschland
Programm von MatLab inLabVIEW übersetzen
Ja, Du kriegst beim "ersten Symbol" (a.k.a. Array Size) ein 1D-Array zurück (wenn Du die Funktion auf ein 2D-Array anwendest). Mit "Index Array" kommst Du auf die einzelnen Elemente (Zeilen-, bzw. Spaltenanzahl).

Gruß Markus

' schrieb:Ich werde mich einfach Schritt für Schritt durchschlagen.
Gibt es hierfür eine Lösung?

--------------------------------------------------------------------------
Bitte stellt mir keine Fragen über PM, dafür ist das Forum da - andere haben vielleicht auch Interesse an der Antwort !!
--------------------------------------------------------------------------
Alle Beiträge dieses Benutzers finden
Diese Nachricht in einer Antwort zitieren to top
19.11.2009, 16:27
Beitrag #14

dimitri84 Offline
Astronaut
*****


Beiträge: 1.496
Registriert seit: Aug 2009

2020 Developer Suite
2009
DE_EN

53562
Deutschland
Programm von MatLab inLabVIEW übersetzen
Wie Markus gesagt hat:

   

„Sag nicht alles, was du weißt, aber wisse immer, was du sagst.“ (Matthias Claudius)
Webseite des Benutzers besuchen Alle Beiträge dieses Benutzers finden
Diese Nachricht in einer Antwort zitieren to top
19.11.2009, 16:41
Beitrag #15

Peterxxx Offline
LVF-Grünschnabel
*


Beiträge: 17
Registriert seit: Nov 2009

8.6
2009
de

71229
Deutschland
Programm von MatLab inLabVIEW übersetzen
Bei data handelt es sich um eine 2D-Array.
Ich bräuchte zwei Ausgänge an dem Symbol "Array-Größe". Einen für die Anzahl der Elemente in der Zeile und einen für die Anzahl der Elemente in der Spalte.
Allerdings bekomm ich nur eine Ausgang und kann somit nicht nur die Anzahl der Elemente in der Spalte abgreifen.
Alle Beiträge dieses Benutzers finden
Diese Nachricht in einer Antwort zitieren to top
19.11.2009, 16:56 (Dieser Beitrag wurde zuletzt bearbeitet: 19.11.2009 17:06 von dimitri84.)
Beitrag #16

dimitri84 Offline
Astronaut
*****


Beiträge: 1.496
Registriert seit: Aug 2009

2020 Developer Suite
2009
DE_EN

53562
Deutschland
Programm von MatLab inLabVIEW übersetzen
Das wird ein verdammt langer thread hier, wenn du jede Kleinigkeit nachfragst Huh

Also mit dem Baustein genau rechts von "Array-Größe ", der da heißt "Array indizieren" kannst du auf einzelne Elemente eines Arrays zugreifen. D.h. du legst den Ausgang von "Array-Größe" an "Array-Indizieren" und kannst dann mit Hilfe des Eingangs "Index" auf die Kolumnenanzahl oder Zeilenanzahl zugreifen. Oder du ziehst "Array-Indizieren" einfach auf und hast direkt beide Werte, wie gewollt.

Lese dir doch mal ein paar Grundlagen selber an sonst ufert das hier total aus. Die pdf-Dokumente, die ich dir gepostet habe im 2. Beitrag sollten helfen.


Gruß dimitri

„Sag nicht alles, was du weißt, aber wisse immer, was du sagst.“ (Matthias Claudius)
Webseite des Benutzers besuchen Alle Beiträge dieses Benutzers finden
Diese Nachricht in einer Antwort zitieren to top
Anzeige
19.11.2009, 17:16
Beitrag #17

Peterxxx Offline
LVF-Grünschnabel
*


Beiträge: 17
Registriert seit: Nov 2009

8.6
2009
de

71229
Deutschland
Programm von MatLab inLabVIEW übersetzen
Angenommen data ist eine Matrix der Größe 3x2.
Mein Ziel ist es nun die Zahl 2 zu erhalten um anschließen mit ihr weiterrechnen zu können.

Ich will also keinen bestimmten Eintrag in der Matrix, sondern die Anzahl der Spalten.
Alle Beiträge dieses Benutzers finden
Diese Nachricht in einer Antwort zitieren to top
19.11.2009, 17:21
Beitrag #18

jg Offline
CLA & CLED
LVF-Team

Beiträge: 15.864
Registriert seit: Jun 2005

20xx / 8.x
1999
EN

Franken...
Deutschland
Programm von MatLab inLabVIEW übersetzen
' schrieb:Also mit dem Baustein genau rechts von "Array-Größe ", der da heißt "Array indizieren" kannst du auf einzelne Elemente eines Arrays zugreifen. D.h. du legst den Ausgang von "Array-Größe" an "Array-Indizieren" und kannst dann mit Hilfe des Eingangs "Index" auf die Kolumnenanzahl oder Zeilenanzahl zugreifen. Oder du ziehst "Array-Indizieren" einfach auf und hast direkt beide Werte, wie gewollt.
   
' schrieb:Lese dir doch mal ein paar Grundlagen selber an sonst ufert das hier total aus. Die pdf-Dokumente, die ich dir gepostet habe im 2. Beitrag sollten helfen.
100% ACK

Gruß, Jens

Wer die erhabene Weisheit der Mathematik tadelt, nährt sich von Verwirrung. (Leonardo da Vinci)

!! BITTE !! stellt mir keine Fragen über PM, dafür ist das Forum da - andere haben vielleicht auch Interesse an der Antwort!

Einführende Links zu LabVIEW, s. GerdWs Signatur.
Alle Beiträge dieses Benutzers finden
Diese Nachricht in einer Antwort zitieren to top
23.11.2009, 18:22
Beitrag #19

Peterxxx Offline
LVF-Grünschnabel
*


Beiträge: 17
Registriert seit: Nov 2009

8.6
2009
de

71229
Deutschland
Programm von MatLab inLabVIEW übersetzen
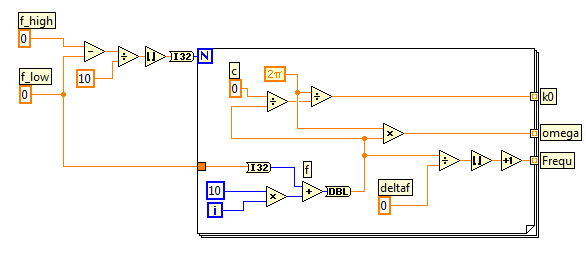
Momentan habe ich speziell mit der folgenden Schleife ein Problem:

<div class='codetop'>CODE</div><div class='codemain' style='height:200px;white-space:pre;overflow:auto'>for f=f_low:10:f_high;
lambda = c/f;
k0 = 2*pi/lambda;
omega=2*pi*f;
Frequ=floor(f/Deltaf)+1;
end
</div>

f low, f high, Deltaf und c sind vorgegeben.

Forschleife mit Schieberegister?
Alle Beiträge dieses Benutzers finden
Diese Nachricht in einer Antwort zitieren to top
23.11.2009, 19:04 (Dieser Beitrag wurde zuletzt bearbeitet: 23.11.2009 19:15 von dimitri84.)
Beitrag #20

dimitri84 Offline
Astronaut
*****


Beiträge: 1.496
Registriert seit: Aug 2009

2020 Developer Suite
2009
DE_EN

53562
Deutschland
Programm von MatLab inLabVIEW übersetzen
So oder so ähnlich:

   





Edit: Vote for Lucki's version.

Gruß dimitri

„Sag nicht alles, was du weißt, aber wisse immer, was du sagst.“ (Matthias Claudius)
Webseite des Benutzers besuchen Alle Beiträge dieses Benutzers finden
Diese Nachricht in einer Antwort zitieren to top
30
Antwort schreiben 


Möglicherweise verwandte Themen...
Themen Verfasser Antworten Views Letzter Beitrag
  Frage zu MATLAB script Lucki 5 7.197 15.08.2018 15:14
Letzter Beitrag: th13
  Matlab Funktionsumfang in Labview Vaati 2 5.630 29.02.2016 20:15
Letzter Beitrag: GerdW
  Matlab N-dim Matrix Vaati 4 5.678 26.02.2016 19:11
Letzter Beitrag: Vaati
  Matlab Skript einbinden LabViewPete 4 7.458 02.09.2015 11:34
Letzter Beitrag: LabViewPete
  Matlab in LabVIEW programmieren Carpediem47 1 4.909 17.09.2012 12:57
Letzter Beitrag: B033el
  InLabVIEW Anzeige Elemente zu einem SubVI zusammenfassen Florian_TU-BS 11 16.143 10.08.2010 14:36
Letzter Beitrag: jg

Gehe zu: