|
16.12.2009, 16:03
Beitrag #1
|
olmethn
LVF-Gelegenheitsschreiber
 
Beiträge: 139
Registriert seit: Jun 2008
2014-2019
2008
DE_EN
89081
Deutschland
|
Dialogfeld nach x Sekunden schließen
Hallo,
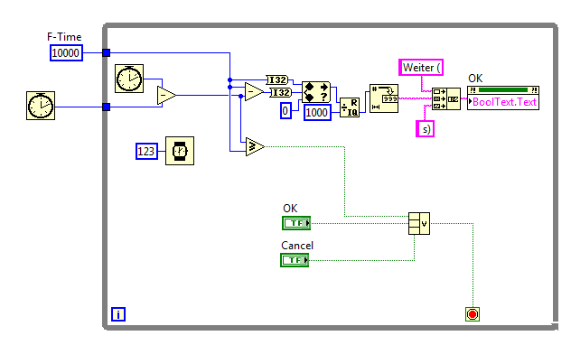
ich geb' über ein Dialogfeld, mit 2 Schaltflächen, eine Meldung aus. Der Bediener hat nun die Möglichkeit den Vorgang abzubrechen oder fortzusetzen. Soweit kein Problem, allerdings soll die Fortsetzung des Vorgangs nach x Sekunden automatisch erfolgen. Wie kann ich das meinem Dialogfeld "sagen"?
Danke für euren Support
|
|
|
|
|
16.12.2009, 16:23
Beitrag #2
|
|
|
|
|
16.12.2009, 16:38
(Dieser Beitrag wurde zuletzt bearbeitet: 16.12.2009 18:13 von dimitri84.)
Beitrag #3
|
|
|
|
|
|
16.12.2009, 17:10
Beitrag #4
|
olmethn
LVF-Gelegenheitsschreiber
 
Beiträge: 139
Registriert seit: Jun 2008
2014-2019
2008
DE_EN
89081
Deutschland
|
Dialogfeld nach x Sekunden schließen
als (Sub)VI hätte ich es auch hinbekommen. Das wollte ich aber vermeiden, denn es gibt da diese Dialogfelder.
Also gibt es noch eine Möglichkeit das ganze mit meinem Dialogfeld zu realisieren??
|
|
|
|
|
16.12.2009, 17:27
Beitrag #5
|
|
|
|
|
|
16.12.2009, 19:13
Beitrag #6
|
|
|
|
|
|
17.12.2009, 08:56
Beitrag #7
|
|
|
|
|
|
17.12.2009, 09:03
Beitrag #8
|
|
|
|
|
|
22.12.2009, 01:31
Beitrag #9
|
Dr. Jones
LVF-Neueinsteiger
Beiträge: 5
Registriert seit: Nov 2009
8.6
-
de
10248
Deutschland
|
Dialogfeld nach x Sekunden schließen
Man kann auch per .NET die dialogbox durch eine simulierte Eingabe von "enter" beenden, falls das was hilft...
send_enter.vi (Größe: 7,05 KB / Downloads: 418)
(LV 8.0)
|
|
|
|
| |