INFO: Dieses Forum nutzt Cookies...
Cookies sind für den Betrieb des Forums unverzichtbar. Mit der Nutzung des Forums erklärst Du dich damit einverstanden, dass wir Cookies verwenden.

Es wird in jedem Fall ein Cookie gesetzt um diesen Hinweis nicht mehr zu erhalten. Desweiteren setzen wir Google Adsense und Google Analytics ein.


Antwort schreiben 

Zeitstempel in Datum/Zeit



Wenn dein Problem oder deine Frage geklärt worden ist, markiere den Beitrag als "Lösung",
indem du auf den "Lösung" Button rechts unter dem entsprechenden Beitrag klickst. Vielen Dank!

17.03.2010, 10:27 (Dieser Beitrag wurde zuletzt bearbeitet: 17.03.2010 10:53 von eckilein.)
Beitrag #1

eckilein Offline
LVF-Gelegenheitsschreiber
**


Beiträge: 129
Registriert seit: Jan 2008

2010 FDS
2008
de

59929
Deutschland
Zeitstempel in Datum/Zeit
Hallo again.
Hier sind 2 Bilder von 2 Sonden die ich in meinem Blockdiagramm gesetzt habe.
Lv09_img2
       
Auf dem Ersten Bild ist zu erkennen, das ich einen Zeitstempel bekomme, der nichts beinhaltet, bzw. 0,0,0,000 ist
Im 2. Bild hat der der Umgewandelte Zwitstempel dann jedoch 8:51:22,000.
Dieser Zeitstempel der reinkommt, wird in einem andern VI erstellt, in dem ich die Daten aus einem Protokoll auswerte und da halt dieser Zeitstemepl drin liegt.
Im 2. Bild sieht man ja Werte. Dieses sind die Werte, die ich auch eigendlich in den Zeitstemepl geschrieben habe. Jedoch sollte ja (nach Sonde 17) nichts darin stehen.
Das Eigendliche Problem das ich hab ist, dass ich später im Programm die aktuelle Zeit als Zeitstepmel (Datum/Zeit in Sekunden ermitteln.vi) nehme und die Zeit in diesem Zeitstempel davon abziehe. Das Ergebnis der Subtraktion ist dann: 0.
Woran kann das liegen?

Thomas


*EDIT*
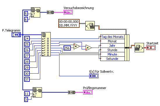
Ich denke nicht, aber vielleicht liegts ja doch an der Erstellung des Zeitstempels. So wird er erstellt:

   

Das Jahr sieht übrigends etwas verwirrend aus, weil es Byteweise übertragen wird und etwas verändert werden muss.

There are 10 types of people in this world. Those who understand binary and those who don't.
Alle Beiträge dieses Benutzers finden
Diese Nachricht in einer Antwort zitieren to top
Anzeige
17.03.2010, 11:06 (Dieser Beitrag wurde zuletzt bearbeitet: 17.03.2010 11:07 von Y-P.)
Beitrag #2

Y-P Offline
☻ᴥᴥᴥ☻ᴥᴥᴥ☻
LVF-Team

Beiträge: 12.612
Registriert seit: Feb 2006

Developer Suite Core -> LabVIEW 2015 Prof.
2006
EN

71083
Deutschland
Zeitstempel in Datum/Zeit
Hier geht's:
       

Gruß Markus

EDIT: Lad' mal Deine Erstellung hoch. Ich will das nicht nachbauen.

--------------------------------------------------------------------------
Bitte stellt mir keine Fragen über PM, dafür ist das Forum da - andere haben vielleicht auch Interesse an der Antwort !!
--------------------------------------------------------------------------
Alle Beiträge dieses Benutzers finden
Diese Nachricht in einer Antwort zitieren to top
17.03.2010, 11:20
Beitrag #3

eckilein Offline
LVF-Gelegenheitsschreiber
**


Beiträge: 129
Registriert seit: Jan 2008

2010 FDS
2008
de

59929
Deutschland
Zeitstempel in Datum/Zeit
Hi Markus.

Ich kann dir die beiden VIs und die benötigten zum starten hochladen die ich gepostet hab. Ich weiß nicht genau was du mit Einstellunge meinst^^
Lv09_img2

Sonstige .rar  LVF.rar (Größe: 54,6 KB / Downloads: 308)

CreateST ist das VI in dem der beschriebene Fehler auftritt und
GetParams wird unter anderem die Startzeit gesetzt.

Thomas

There are 10 types of people in this world. Those who understand binary and those who don't.
Alle Beiträge dieses Benutzers finden
Diese Nachricht in einer Antwort zitieren to top
17.03.2010, 11:22
Beitrag #4

Y-P Offline
☻ᴥᴥᴥ☻ᴥᴥᴥ☻
LVF-Team

Beiträge: 12.612
Registriert seit: Feb 2006

Developer Suite Core -> LabVIEW 2015 Prof.
2006
EN

71083
Deutschland
Zeitstempel in Datum/Zeit
Nicht EINstellung, sonder ERstellung. Ich meinte die Erstellung Deines Zeitstempels aus Deinem Screenshot.... und jetzt schau' ich mir mal Dein Bsp. an.

Gruß Markus

' schrieb:Hi Markus.

Ich kann dir die beiden VIs und die benötigten zum starten hochladen die ich gepostet hab. Ich weiß nicht genau was du mit Einstellunge meinst^^
Lv09_img2
[attachment=53694:LVF.rar]
CreateST ist das VI in dem der beschriebene Fehler auftritt und
GetParams wird unter anderem die Startzeit gesetzt.

Thomas

--------------------------------------------------------------------------
Bitte stellt mir keine Fragen über PM, dafür ist das Forum da - andere haben vielleicht auch Interesse an der Antwort !!
--------------------------------------------------------------------------
Alle Beiträge dieses Benutzers finden
Diese Nachricht in einer Antwort zitieren to top
17.03.2010, 11:27
Beitrag #5

Y-P Offline
☻ᴥᴥᴥ☻ᴥᴥᴥ☻
LVF-Team

Beiträge: 12.612
Registriert seit: Feb 2006

Developer Suite Core -> LabVIEW 2015 Prof.
2006
EN

71083
Deutschland
Zeitstempel in Datum/Zeit
Ich kann das nicht reproduzieren. Oder ich mache was falsch dabei. Bei mir sieht's aus wie in meinem letzten Beitrag im linken Screenshot.

Gruß Markus

--------------------------------------------------------------------------
Bitte stellt mir keine Fragen über PM, dafür ist das Forum da - andere haben vielleicht auch Interesse an der Antwort !!
--------------------------------------------------------------------------
Alle Beiträge dieses Benutzers finden
Diese Nachricht in einer Antwort zitieren to top
17.03.2010, 11:56 (Dieser Beitrag wurde zuletzt bearbeitet: 17.03.2010 11:59 von jg.)
Beitrag #6

eckilein Offline
LVF-Gelegenheitsschreiber
**


Beiträge: 129
Registriert seit: Jan 2008

2010 FDS
2008
de

59929
Deutschland
Zeitstempel in Datum/Zeit
Ich hab die beiden VIs mal in einem zusammengefasst und ein Beispieltelegramm als Konstante angesetzt.

Lv09_img2
Sonstige .vi  testts.vi (Größe: 6,52 KB / Downloads: 310)


Dieses VI einfach zu den anderen packen dann sollte das startbar sein. Wenn du es startest gehst in das Blockdiagramm von CreateST.vi. Dort kann man dann sehen, das im Zeitstempel 0.0.0,000 ankommt und nach dem "Datum/Zeit in Sekunden ermitteln" irgendwas im Jahr 55815 steht.

Thomas

There are 10 types of people in this world. Those who understand binary and those who don't.
Alle Beiträge dieses Benutzers finden
Diese Nachricht in einer Antwort zitieren to top
Anzeige
17.03.2010, 12:23
Beitrag #7

RoLe Offline
LVF-Guru
*****


Beiträge: 1.236
Registriert seit: Jul 2007

-
1997
en

0
Schweiz
Zeitstempel in Datum/Zeit
' schrieb:irgendwas im Jahr 55815 steht.
Das schreibst du ja auch im GetParams.vi


Angehängte Datei(en) Thumbnail(s)
   

.·´¯)--> Leben ist das, was dir passiert, wenn du eifrig dabei bist andere Pläne zu machen <--(¯`·.
Alle Beiträge dieses Benutzers finden
Diese Nachricht in einer Antwort zitieren to top
17.03.2010, 12:27
Beitrag #8

eckilein Offline
LVF-Gelegenheitsschreiber
**


Beiträge: 129
Registriert seit: Jan 2008

2010 FDS
2008
de

59929
Deutschland
Zeitstempel in Datum/Zeit
' schrieb:Das schreibst du ja auch im GetParams.vi

Ich weiß, das jahr ist schon richtig weil das nicht als "normale" Zahl übertragen wird.
Aber das erklärt nicht warum dann in dem Zeitstempel eben das nicht drinsteht. Bzw der Stempel im CreateST auf 0:0:0,000 DD MM YYYY steht obwohl ich was anderens reinschreibe.

There are 10 types of people in this world. Those who understand binary and those who don't.
Alle Beiträge dieses Benutzers finden
Diese Nachricht in einer Antwort zitieren to top
17.03.2010, 12:57
Beitrag #9

RoLe Offline
LVF-Guru
*****


Beiträge: 1.236
Registriert seit: Jul 2007

-
1997
en

0
Schweiz
Zeitstempel in Datum/Zeit
' schrieb:Ich weiß, das jahr ist schon richtig weil das nicht als "normale" Zahl übertragen wird.
Aber das erklärt nicht warum dann in dem Zeitstempel eben das nicht drinsteht. Bzw der Stempel im CreateST auf 0:0:0,000 DD MM YYYY steht obwohl ich was anderens reinschreibe.
Das LV2009 im Jahr 55815 noch verwendet wird, damit haben die LV-Entwickler wohl nicht gerechnet.
Könnte mir vorstellen, wenn unzuläsige Daten eingegeben werden, alles auf null geht.


Angehängte Datei(en) Thumbnail(s)
   

.·´¯)--> Leben ist das, was dir passiert, wenn du eifrig dabei bist andere Pläne zu machen <--(¯`·.
Alle Beiträge dieses Benutzers finden
Diese Nachricht in einer Antwort zitieren to top
17.03.2010, 13:02
Beitrag #10

eckilein Offline
LVF-Gelegenheitsschreiber
**


Beiträge: 129
Registriert seit: Jan 2008

2010 FDS
2008
de

59929
Deutschland
Zeitstempel in Datum/Zeit
[Solved]
Danke für Eure Mühen. Genau da lag das Problem :/
Hab passenderweise mal eine Konstane mit 2010 drangesetzt und zack.. es läuft.

There are 10 types of people in this world. Those who understand binary and those who don't.
Alle Beiträge dieses Benutzers finden
Diese Nachricht in einer Antwort zitieren to top
Antwort schreiben 


Möglicherweise verwandte Themen...
Themen Verfasser Antworten Views Letzter Beitrag
  Rechnen mit dem Datum meb2323 3 6.019 21.07.2025 14:20
Letzter Beitrag: martin95
  aktuelle Datum und Zeit anzeigen lassen heithem11 5 11.978 05.04.2017 14:37
Letzter Beitrag: heithem11
  Datum von VIs in llb Trinitatis 3 5.392 17.01.2014 11:24
Letzter Beitrag: Morpheus
  Datum/Zeit in Sekunden - Millisekunden labview2013 7 12.532 08.02.2013 14:13
Letzter Beitrag: labview2013
  Datum Zeit vergleich seitzo 10 15.442 19.09.2011 07:10
Letzter Beitrag: seitzo
  Zeitstempel formatieren, relative Zeit?! CarstenH 6 10.358 11.07.2011 13:53
Letzter Beitrag: CarstenH

Gehe zu: