INFO: Dieses Forum nutzt Cookies...
Cookies sind für den Betrieb des Forums unverzichtbar. Mit der Nutzung des Forums erklärst Du dich damit einverstanden, dass wir Cookies verwenden.

Es wird in jedem Fall ein Cookie gesetzt um diesen Hinweis nicht mehr zu erhalten. Desweiteren setzen wir Google Adsense und Google Analytics ein.


Antwort schreiben 

Messzeit im Diagramm darstellen und speichern



Wenn dein Problem oder deine Frage geklärt worden ist, markiere den Beitrag als "Lösung",
indem du auf den "Lösung" Button rechts unter dem entsprechenden Beitrag klickst. Vielen Dank!

09.06.2010, 10:28
Beitrag #21

wanze Offline
LVF-Gelegenheitsschreiber
**


Beiträge: 104
Registriert seit: May 2010

9/10
2009
DE


Deutschland
Messzeit im Diagramm darstellen und speichern
erstmal ein riesiges Dankeschön für die Hilfe. Du hast recht was die Ordnung an geht. bin halt ein Neuling Blush. Das Design verdient wieder einen Award für Juni.

Werde das VI in mein Programm integrieren und mich nochmal melden.

Vielen, vielen Dank

Grüße Wanze
Alle Beiträge dieses Benutzers finden
Diese Nachricht in einer Antwort zitieren to top
Anzeige
09.06.2010, 11:24
Beitrag #22

wanze Offline
LVF-Gelegenheitsschreiber
**


Beiträge: 104
Registriert seit: May 2010

9/10
2009
DE


Deutschland
Messzeit im Diagramm darstellen und speichern
Hopper das Program speichert meine Daten! :hopper:Einen kleinen Fehler gibt es jedoch noch. Habe dazu die Logfile hochgeladen.

Es werden mehr Messdaten aufgenommen als die Zeitdaten. Die Zeit hängt quasi hinterher. Wie kann ich in kleineren Abständen die Zeit speichern?


Angehängte Datei(en)
Sonstige .txt  logfile.txt (Größe: 426,81 KB / Downloads: 277)
Alle Beiträge dieses Benutzers finden
Diese Nachricht in einer Antwort zitieren to top
09.06.2010, 14:05
Beitrag #23

BsaiboT Offline
LVF-Stammgast
***


Beiträge: 449
Registriert seit: Nov 2009

2010
2007
kA

22459
Deutschland
Messzeit im Diagramm darstellen und speichern
Lad mal gerade dein VI hoch. Ich vermute der Fehler liegt bei dem "Wait Until Next ms Multiple" VI. Ich würde mir gern einmal das Gesamtkunstwerk anschauen. Aber pack auch deine eigenen (selbst erstellten) SubVI mit dazu; wenn die vom Gerätehersteller fehlen ist das jedoch nicht schlimm.

Grüße,
Tobias
Alle Beiträge dieses Benutzers finden
Diese Nachricht in einer Antwort zitieren to top
09.06.2010, 14:35 (Dieser Beitrag wurde zuletzt bearbeitet: 09.06.2010 14:35 von wanze.)
Beitrag #24

wanze Offline
LVF-Gelegenheitsschreiber
**


Beiträge: 104
Registriert seit: May 2010

9/10
2009
DE


Deutschland
Messzeit im Diagramm darstellen und speichern
an Wait Until Next ms Multiple liegt es nicht. Was meint ihr?

Smilie_saug_


snip09


Angehängte Datei(en)
Sonstige .vi  Messi.vi (Größe: 35,9 KB / Downloads: 244)
Alle Beiträge dieses Benutzers finden
Diese Nachricht in einer Antwort zitieren to top
09.06.2010, 16:01
Beitrag #25

BsaiboT Offline
LVF-Stammgast
***


Beiträge: 449
Registriert seit: Nov 2009

2010
2007
kA

22459
Deutschland
Messzeit im Diagramm darstellen und speichern
Aufgeräumt hab ich und auch die überflüssigen While-Schleifen beseitigt. Big Grin

Ich bin einfach viel zu nett... ich merke das wohl....

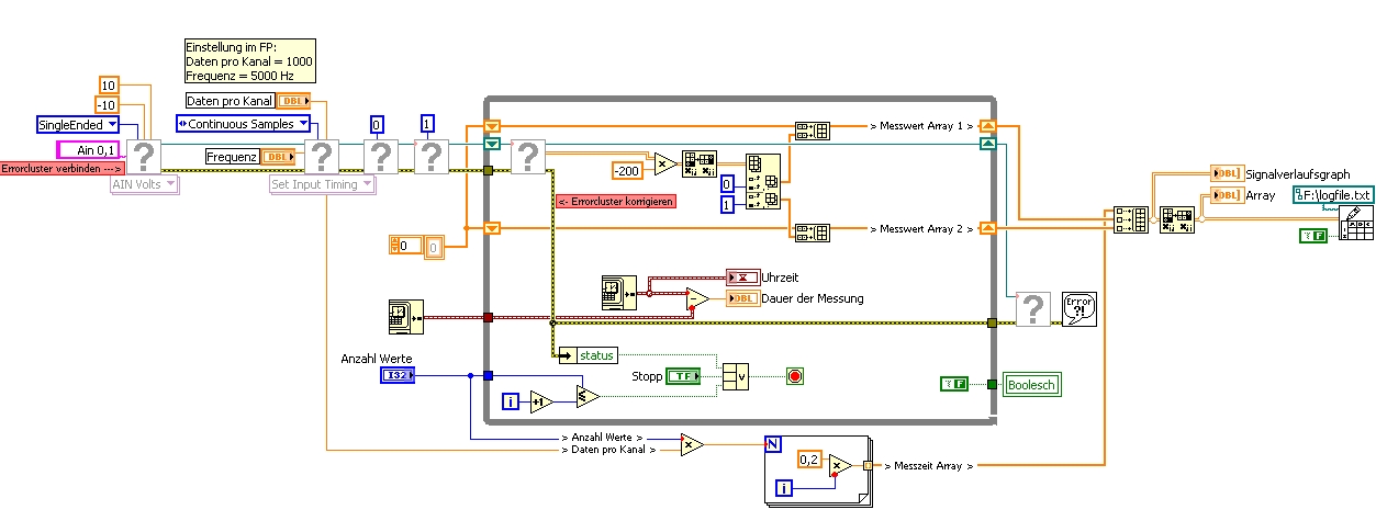
Wenn du jetzt noch die Errorcluster passend anschliesst (wie ich es mit meinen Kommentaren im VI zeige), dürfte es genauso laufen wie vorher. (Ich kann den errorcluster nicht komplett verkabeln, da mir die SubVIs fehlen.)

Der Grund weshalb du nur x Zeitwerte bekommst:
Du gibst mit "Anzahl Werte" eine Abbruchbedingung für die Messschleife vor. Das ist soweit auch ok. Allerdings liest du auch mit 5kHz jeweils 1000 Werte ein, welche du dann in der While-Schleife abrufst. Da du deine Abtastrate kennst, kennst du auch das Delta t und kannst somit die Zeit zu deinen Messwerten bestimmen. Bei 5kHz ist dt=0.2ms. Somit musst du ein Zeitarray mit 1000 Werten von 0 bis 199.8ms erzeugen, wenn du die Whileschleife nur einmal ausführst (Anzahl Werte = 1). Bei 2 Messungen wäre es dann entsprechend 0 bis 399.8ms und so weiter... Das bedeutet für dich, dass du die Erstellung des Zeitarrays erst nach Beenden der Messungen, ausserhalb der While-Schleife, erstellen, mit den Messwerten zusammenführen und abspeichern solltest. Das erhöht zugleich die Performance der Messschleife, da dort auf diverse Arrayoperationen verzichtet werden kann.


Lv09_img2

Sonstige .vi  Messi.vi (Größe: 22,73 KB / Downloads: 254)

   

Grüße,
Tobias
Alle Beiträge dieses Benutzers finden
Diese Nachricht in einer Antwort zitieren to top
09.06.2010, 17:23
Beitrag #26

wanze Offline
LVF-Gelegenheitsschreiber
**


Beiträge: 104
Registriert seit: May 2010

9/10
2009
DE


Deutschland
Messzeit im Diagramm darstellen und speichern
es funktioniert!!!Tupta Vielen Dank. Hatte eine ähnliche Idee mit dem dt. leider fehlte mir das Umsetzungsvermögen.

Müsste ich für eine mehrmalige Messung wieder eine While-Schleife einsetzten? Die Daten aus beiden Messungen sollen in ein GesamtArray gehen für Berechnungen.
Alle Beiträge dieses Benutzers finden
Diese Nachricht in einer Antwort zitieren to top
Anzeige
09.06.2010, 19:04 (Dieser Beitrag wurde zuletzt bearbeitet: 09.06.2010 19:04 von wanze.)
Beitrag #27

wanze Offline
LVF-Gelegenheitsschreiber
**


Beiträge: 104
Registriert seit: May 2010

9/10
2009
DE


Deutschland
Messzeit im Diagramm darstellen und speichern
Habe für weitere Messungen ein Menü aus 12 Buttons erstellt. Damit sollen mehrere Messungen ablaufen.

Wie schaffe ich es die Daten der jeweiligen Mesungen in ein Gesamtarray zu speichern? Wenn ich den Ablauf in CASE1 in CASE2 einfüge entsteht die doppelte Anzahl an Elementen im Fontpanel. Das ist leider fürn Staubsauger.

Gibt es eine Möglichkeit den CASE1 mehrmals zu wiederholen und die Daten jeweils an das Array anzuhängen. Sodas bei 2 Messungen Zeit,Messwert1a,Messwert1b, Zeit2, Messwert2a, Messwert2b in eine Datei geschrieben wird. Das Speichern der jeweiligen Messung würde dann entfallen.

@ Tobias: magst du Bier?Beer

snip09


Angehängte Datei(en)
Sonstige .vi  Messi1.vi (Größe: 37,92 KB / Downloads: 225)
Alle Beiträge dieses Benutzers finden
Diese Nachricht in einer Antwort zitieren to top
10.06.2010, 11:20
Beitrag #28

wanze Offline
LVF-Gelegenheitsschreiber
**


Beiträge: 104
Registriert seit: May 2010

9/10
2009
DE


Deutschland
Messzeit im Diagramm darstellen und speichern
werde die Idee mit den Buttons und den Messungen in den Case verwerfen. Konnte die Array Werte von zwei Messungen nicht aus der Case in einen Gesamtarray überführen. Woran kann das liegen?

Werde statt dessen nur einen Button verwenden, der mehrere Messungen startet. Gibt es eine Struktur ,die mir ohne doppelte Elemente im Frontpanel, helfen kann?
Alle Beiträge dieses Benutzers finden
Diese Nachricht in einer Antwort zitieren to top
10.06.2010, 11:25 (Dieser Beitrag wurde zuletzt bearbeitet: 10.06.2010 11:25 von GerdW.)
Beitrag #29

GerdW Offline
______________
LVF-Team

Beiträge: 17.531
Registriert seit: May 2009

LV2019 (LV2021)
1995
DE_EN

10×××
Deutschland
Messzeit im Diagramm darstellen und speichern
Hallo Wanze,

wie wäre es mit einem Enum (wenn die Anzahl der Tests feststeht) oder einem Ring (wenn die Anzahl der Tests variabel sein soll) zur Auswahl des nächsten Tests? Ein Element, viele mögliche Einträge...
Und man kann beides an eine Case-Struktur anschließen!

Alle Beiträge dieses Benutzers finden
Diese Nachricht in einer Antwort zitieren to top
10.06.2010, 13:07
Beitrag #30

wanze Offline
LVF-Gelegenheitsschreiber
**


Beiträge: 104
Registriert seit: May 2010

9/10
2009
DE


Deutschland
Messzeit im Diagramm darstellen und speichern
Hallo Gerd,

danke für die schnelle Antwort. Verwende dann einen Enum. Gibt es ein Tutorium dazu wie ich meine Case mit dem Enum kombinieren kann, sodass der Messablauf von Eintrag 25 über einen Button mehrmals abläuft?

Grüße
Alle Beiträge dieses Benutzers finden
Diese Nachricht in einer Antwort zitieren to top
30
Antwort schreiben 


Möglicherweise verwandte Themen...
Themen Verfasser Antworten Views Letzter Beitrag
  Synchrone Datenerfassung - Werte erfassen speichern darstellen goekhan1985 1 4.032 25.02.2015 08:55
Letzter Beitrag: GerdW
  Signalverlauf darstellen und speichern Cobbes 11 13.331 03.08.2011 22:06
Letzter Beitrag: Cobbes
  2D Array erstellen und in einem Diagramm darstellen kcccp 4 9.113 12.01.2010 14:16
Letzter Beitrag: kcccp
  Differenz der Messzeit pro Schleifendurchlauf ermitteln PiffPaff 12 16.734 25.08.2009 10:00
Letzter Beitrag: MichaDu
  dynamische Tabelle im Diagramm darstellen joe1234 8 8.387 12.06.2008 05:48
Letzter Beitrag: Achim
  Drehzahl über der Zeit im Diagramm darstellen 206racer 1 6.483 07.05.2008 15:23
Letzter Beitrag: Xaran

Gehe zu: