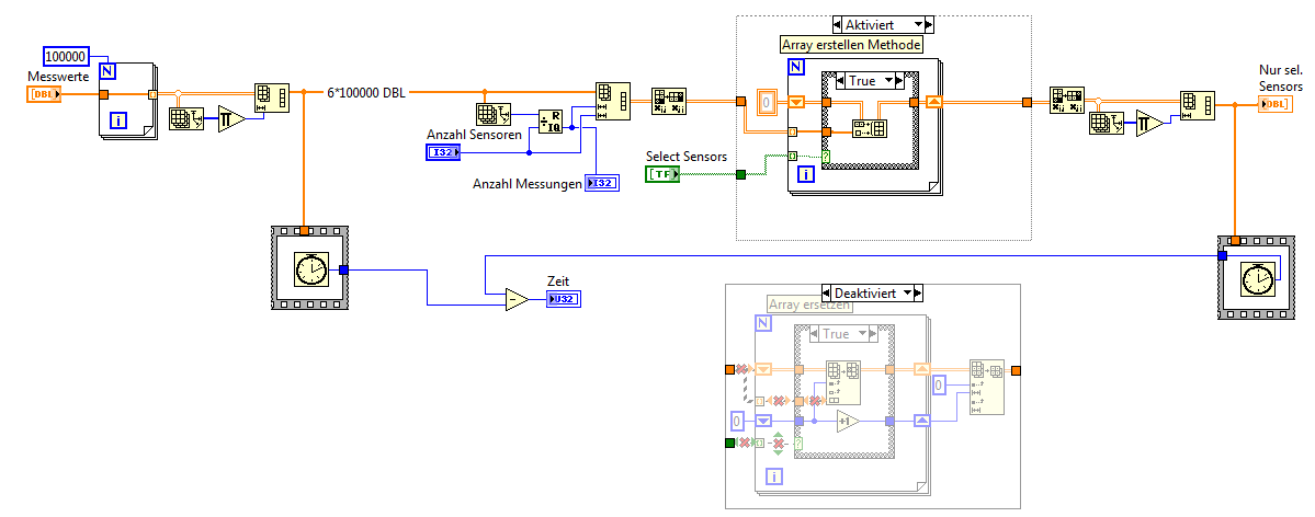
Bestimmte Werte aus Array löschen | 
		
Wenn dein Problem oder deine Frage geklärt worden ist, markiere den Beitrag als "Lösung",
indem du auf den "Lösung" Button rechts unter dem entsprechenden Beitrag klickst. Vielen Dank!
		
  | 
| 
				
	 | 
		
| Möglicherweise verwandte Themen... | |||||
| Themen | Verfasser | Antworten | Views | Letzter Beitrag | |
| Werte in Array schreiben- Mittelwert bilden und ausgeben | um0k | 10 | 10.664 | 
		25.08.2020 14:19  Letzter Beitrag: GerdW  | 
	|
| Bestimmte Zeilen im Array löschen wenn Bedingung nicht erfüllt ist | bachatero18 | 4 | 6.066 | 
		31.03.2020 14:49  Letzter Beitrag: bachatero18  | 
	|
| 2D Array Werte zuordnen | Floorhahn | 2 | 6.399 | 
		27.01.2020 13:27  Letzter Beitrag: Floorhahn  | 
	|
| Werte nacheinander in Array schreiben über ein Schieberegister | BlackEagle | 5 | 9.613 | 
		13.12.2019 13:40  Letzter Beitrag: GerdW  | 
	|
| Werte aus Array als Anzeigeelement | ares2013 | 11 | 11.072 | 
		30.04.2019 14:28  Letzter Beitrag: ares2013  | 
	|
| Aus einem Array festgelegte Werte zuweisen | Kahlua | 7 | 8.481 | 
		19.01.2018 13:42  Letzter Beitrag: Kahlua  | 
	|



 
  

