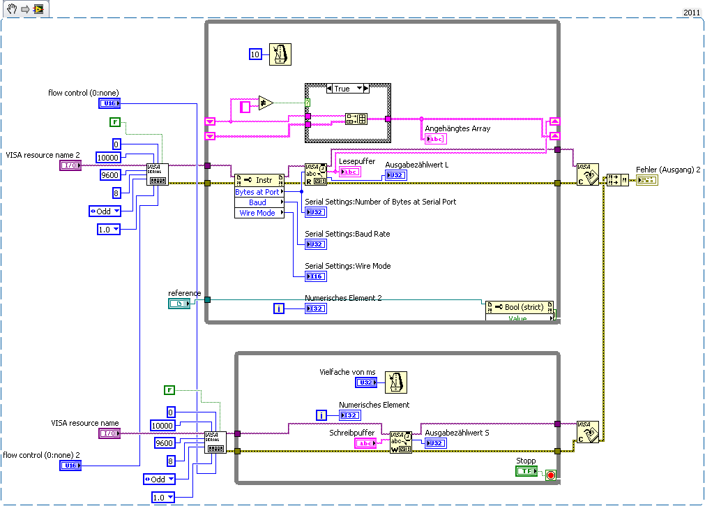
Probleme mit VISA und FTDI-USB auf RS422 chip |
Wenn dein Problem oder deine Frage geklärt worden ist, markiere den Beitrag als "Lösung",
indem du auf den "Lösung" Button rechts unter dem entsprechenden Beitrag klickst. Vielen Dank!
| 30
|
|
|
| Nachrichten in diesem Thema |
|
Probleme mit VISA und FTDI-USB auf RS422 chip - wernerIBN - 14.06.2012, 15:22
RE: Probleme mit VISA und FTDI-USB auf RS422 chip - snuz - 15.06.2012, 08:15
RE: Probleme mit VISA und FTDI-USB auf RS422 chip - wernerIBN - 15.06.2012, 08:39
RE: Probleme mit VISA und FTDI-USB auf RS422 chip - snuz - 15.06.2012, 10:27
RE: Probleme mit VISA und FTDI-USB auf RS422 chip - wernerIBN - 15.06.2012, 10:59
RE: Probleme mit VISA und FTDI-USB auf RS422 chip - snuz - 15.06.2012 11:09
RE: Probleme mit VISA und FTDI-USB auf RS422 chip - wernerIBN - 15.06.2012, 13:06
RE: Probleme mit VISA und FTDI-USB auf RS422 chip - snuz - 15.06.2012, 13:41
RE: Probleme mit VISA und FTDI-USB auf RS422 chip - wernerIBN - 18.06.2012, 08:26
|
| Möglicherweise verwandte Themen... | |||||
| Themen | Verfasser | Antworten | Views | Letzter Beitrag | |
| VISA: (Hex 0xBFFF0015) bei VISA read und im VISA Test Panel | rick | 3 | 15.616 |
10.11.2013 12:16 Letzter Beitrag: Y-P |
|
| Probleme beim VISA schreiben | sharth | 1 | 5.670 |
04.12.2011 15:49 Letzter Beitrag: sharth |
|
| Probleme mit VISA-READ | FuxDancer | 7 | 10.310 |
19.04.2010 09:42 Letzter Beitrag: GerdW |
|
| Probleme bei VISA mit Datenquelle und Datensenke | bernds76 | 6 | 7.325 |
16.10.2009 19:53 Letzter Beitrag: Y-P |
|
| Probleme mit Visa Schreiben | jojo2203 | 5 | 6.743 |
18.09.2009 12:03 Letzter Beitrag: jojo2203 |
|
| Problem mit FTDI USB Chip | stevenhiker | 14 | 19.668 |
10.03.2009 21:23 Letzter Beitrag: stevenhiker |
|







