INFO: Dieses Forum nutzt Cookies...
Cookies sind für den Betrieb des Forums unverzichtbar. Mit der Nutzung des Forums erklärst Du dich damit einverstanden, dass wir Cookies verwenden.

Es wird in jedem Fall ein Cookie gesetzt um diesen Hinweis nicht mehr zu erhalten. Desweiteren setzen wir Google Adsense und Google Analytics ein.


Antwort schreiben 

Pneumatikzylinder und Positionsdetektor steuern



Wenn dein Problem oder deine Frage geklärt worden ist, markiere den Beitrag als "Lösung",
indem du auf den "Lösung" Button rechts unter dem entsprechenden Beitrag klickst. Vielen Dank!

22.03.2019, 14:24 (Dieser Beitrag wurde zuletzt bearbeitet: 22.03.2019 14:32 von GerdW.)
Beitrag #20

GerdW Offline
______________
LVF-Team

Beiträge: 17.540
Registriert seit: May 2009

LV2019 (LV2021)
1995
DE_EN

10×××
Deutschland
RE: Pneumatikzylinder und Positionsdetektor steuern
Hallo Viewer,

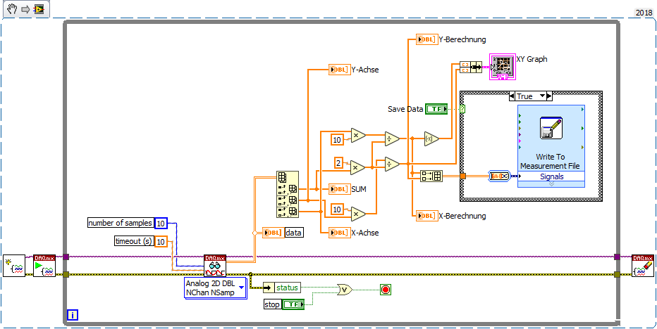
zum DAQmx: da gibt es doch jede Menge BeispielVIs im Beispiel-Finder!

So in etwa:
   

Basierend auf den Messwerten in den Charts sind die Berechnung danach korrekt ausgeführt worden.
Du benutzt aber immer noch AI3 für deine X-Werte, statt AI2 (trotz mehrmaliger Hinweise)…

Alle Beiträge dieses Benutzers finden
Diese Nachricht in einer Antwort zitieren to top
Antwort schreiben 


Nachrichten in diesem Thema
RE: Pneumatikzylinder und Positionsdetektor steuern - GerdW - 22.03.2019 14:24

Gehe zu: