INFO: Dieses Forum nutzt Cookies...
Cookies sind für den Betrieb des Forums unverzichtbar. Mit der Nutzung des Forums erklärst Du dich damit einverstanden, dass wir Cookies verwenden.

Es wird in jedem Fall ein Cookie gesetzt um diesen Hinweis nicht mehr zu erhalten. Desweiteren setzen wir Google Adsense und Google Analytics ein.


Antwort schreiben 

Dieses Thema hat akzeptierte Lösungen:

DLL Methoden richtig aufrufen



Wenn dein Problem oder deine Frage geklärt worden ist, markiere den Beitrag als "Lösung",
indem du auf den "Lösung" Button rechts unter dem entsprechenden Beitrag klickst. Vielen Dank!

13.06.2019, 14:32
Beitrag #1

Natalie1984 Offline
LVF-Gelegenheitsschreiber
**


Beiträge: 53
Registriert seit: Jun 2019

2016
-
DE



DLL Methoden richtig aufrufen
Hallo Zusammen,

es freut mich sehr, das ich hier auch mein Beitrag schreiben darf.
Ich bin seit 3 Monaten bei einem Unternehmen in Erlangen, wo wir Testautomationen mit NI Produkte entwickeln.

Nun, ich aber bin ein Newbie was Labview angeht.
Doch die Sprache ist nicht so schwer, wie ich mir das vorgestellt habe.
Wenn man sich da etwas anstrengt, kommt man sehr schnell in das Thematik hinein.

Meine Frage ist, würdet Ihr mich dabei unterstützen, beim Aufbau eine Bedienoberfläche für einen Ausgangsmodul.
Wir haben das Produkt bei uns im System zum Ein- bzw. Ausschalten von Testfälle integriert.

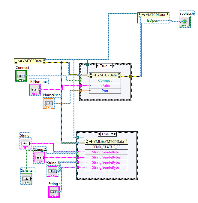
Ich habe mit Hilfe von Google, Youtube Videos etc. eine Oberfläche erstellt, auch im Blockdiagramm habe ich einen Konstruktorknoten eingefügt, wo ich dann die DLL von dem Ausgangsmodul integriert habe.
Mir ist gelungen, die DLL anzusprechen und eine Verbindung zum Modul herzustellen.

Nun, kann ich mich aber nicht mehr Disconnecten, auch ist es nicht möglich Daten zu senden.

Was mache ich hier falsch?
Wer kann mich dabei unterstützen?

VG
Natalie


Angehängte Datei(en) Thumbnail(s)
       
Alle Beiträge dieses Benutzers finden
Diese Nachricht in einer Antwort zitieren to top
Anzeige
30
Antwort schreiben 


Nachrichten in diesem Thema
DLL Methoden richtig aufrufen - Natalie1984 - 13.06.2019 14:32
RE: DLL Methoden richtig aufrufen - jg - 13.06.2019, 14:54
RE: DLL Methoden richtig aufrufen - jg - 13.06.2019, 18:27
RE: DLL Methoden richtig aufrufen - jg - 14.06.2019, 10:38
RE: DLL Methoden richtig aufrufen - jg - 14.06.2019, 10:55
RE: DLL Methoden richtig aufrufen - jg - 14.06.2019, 12:41
RE: DLL Methoden richtig aufrufen - jg - 14.06.2019, 13:22
RE: DLL Methoden richtig aufrufen - jg - 18.06.2019, 17:04
RE: DLL Methoden richtig aufrufen - jg - 18.06.2019, 18:54
RE: DLL Methoden richtig aufrufen - jg - 19.06.2019, 08:18
RE: DLL Methoden richtig aufrufen - jg - 19.06.2019, 11:03
RE: DLL Methoden richtig aufrufen - jg - 19.06.2019, 12:23
RE: DLL Methoden richtig aufrufen - jg - 19.06.2019, 13:53
RE: DLL Methoden richtig aufrufen - jg - 20.06.2019, 11:32

Möglicherweise verwandte Themen...
Themen Verfasser Antworten Views Letzter Beitrag
  Zugriffsprobleme auf .NET-Methoden F_aus_S 1 6.091 02.04.2012 11:12
Letzter Beitrag: jg
  ActiveX & Excel Übersicht über Methoden und Eigenschaften nemesismf 3 9.776 01.12.2011 13:26
Letzter Beitrag: nemesismf

Gehe zu: