INFO: Dieses Forum nutzt Cookies...
Cookies sind für den Betrieb des Forums unverzichtbar. Mit der Nutzung des Forums erklärst Du dich damit einverstanden, dass wir Cookies verwenden.

Es wird in jedem Fall ein Cookie gesetzt um diesen Hinweis nicht mehr zu erhalten. Desweiteren setzen wir Google Adsense und Google Analytics ein.


Antwort schreiben 

Doppelpuls Signal über CSV in Digitaldaten Tabelle und als Output schalten



Wenn dein Problem oder deine Frage geklärt worden ist, markiere den Beitrag als "Lösung",
indem du auf den "Lösung" Button rechts unter dem entsprechenden Beitrag klickst. Vielen Dank!

16.02.2021, 04:29 (Dieser Beitrag wurde zuletzt bearbeitet: 16.02.2021 04:30 von Lucky..)
Beitrag #19

Lucky. Offline
LVF-Grünschnabel
*


Beiträge: 33
Registriert seit: Jan 2021

20.0
2019
DE

24***
Deutschland
RE: Doppelpuls Signal über CSV in Digitaldaten Tabelle und als Output schalten
Hallo zusammen,

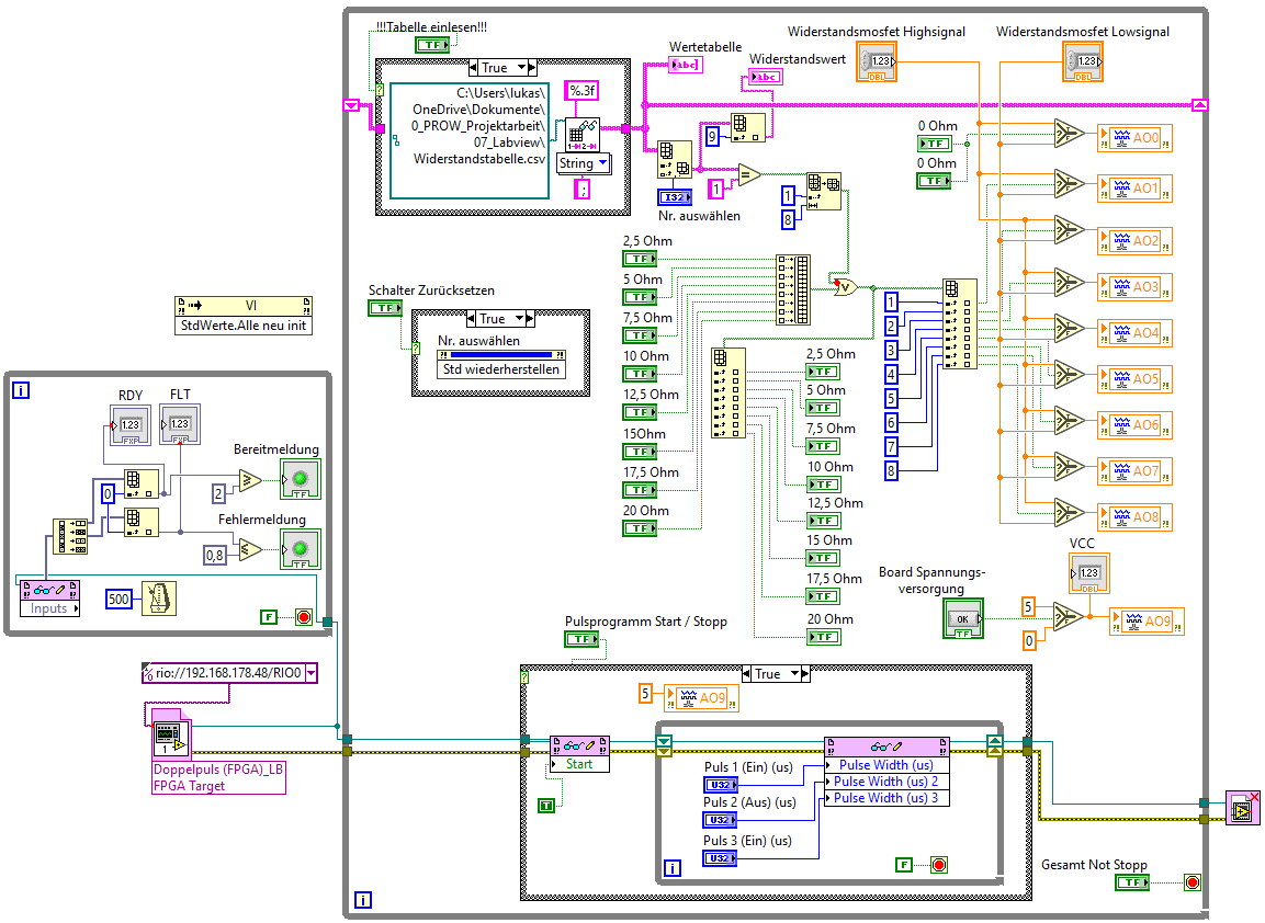
erstmal vielen Dank für die ganzen Hilfreichen Beiträge von euch. Wir sind nun entscheident vorran gekommen.
Hierzu werde ich euch mal ein aktuellen Stand da lassen :-)

Eine weitere Frage hätte ich da noch. Und zwar kann unser Chip (Datenblatt im Anhang) eine Temperatur, welche er im Mosfet misst, in ein PWM Signal wandeln und an unseren Controller ausgeben. Die Spezifikationen befinden sich im Datenblatt dazu. Ich habe mich nun etwa 8 Std damit beschäftig, nur leider komme ich zu keiner Lösung wie ich diese Signal auswerten und als Temperatur mir anzeigen lassen kann. Vielleicht wär einer so lieb und könnte mir ein Beispiel oder ein fertiges VI geben.

Ich freue mich auf eine Antwort :-)

Mfg
Lukas


Angehängte Datei(en) Thumbnail(s)
           

0.0 .pdf  ucc21710_Treiber.pdf (Größe: 2,42 MB / Downloads: 3900)
Alle Beiträge dieses Benutzers finden
Diese Nachricht in einer Antwort zitieren to top
30
Antwort schreiben 


Nachrichten in diesem Thema
RE: Doppelpuls Signal über CSV in Digitaldaten Tabelle und als Output schalten - Lucky. - 16.02.2021 04:29

Gehe zu: