INFO: Dieses Forum nutzt Cookies...
Cookies sind für den Betrieb des Forums unverzichtbar. Mit der Nutzung des Forums erklärst Du dich damit einverstanden, dass wir Cookies verwenden.

Es wird in jedem Fall ein Cookie gesetzt um diesen Hinweis nicht mehr zu erhalten. Desweiteren setzen wir Google Adsense und Google Analytics ein.


Antwort schreiben 

Doppelpuls Signal über CSV in Digitaldaten Tabelle und als Output schalten



Wenn dein Problem oder deine Frage geklärt worden ist, markiere den Beitrag als "Lösung",
indem du auf den "Lösung" Button rechts unter dem entsprechenden Beitrag klickst. Vielen Dank!

27.04.2021, 23:09
Beitrag #53

Lucky. Offline
LVF-Grünschnabel
*


Beiträge: 33
Registriert seit: Jan 2021

20.0
2019
DE

24***
Deutschland
RE: Doppelpuls Signal über CSV in Digitaldaten Tabelle und als Output schalten
Hallo zusammen, :-) Anniemacht_2

Mal zu meiner anderer Frage.

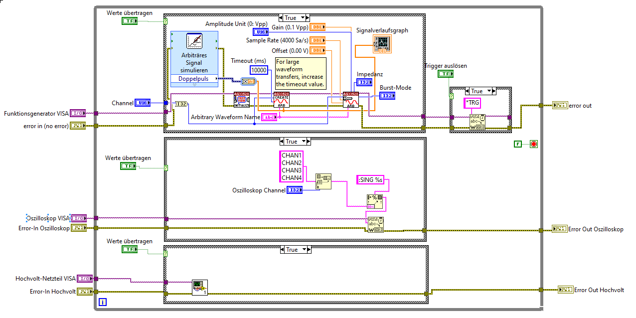
Ich habe nun einige VIs, welche die einzelnen Geräte per USB via SPCI ansteuern erstellt. Diese haben z.Bsp. einen Taster (Bsp.Trigger auslösen) in deren Fronpanel, welchen ich in einem Übergeordneten VI per Ablaufsteuerung ansteuern möchte. Wie macht man sowas?

Im Anhang habe ich das VI, welche vier Taster besitzt und in der Ablaufsteuerung angesteuert werden soll hinterlegt.
       

Meine andere Frage die noch offen steht. Ich möchte statt dem Express VI wo ich nun das Abiträre Signal generiere dem Anwender die möglichkeit geben die Pulsbreite des ersten Pulses und des zweiten zu Varieren. Ebenfalls soll die Sample/Samplerate einstellbar sein. Wie kann ich diese in dem Express VI angegeben Daten ggf. auf dem Frontpanel anzeigen und eingeben lassen? Hat jemand hierfür eine Lösung?

Habe ebenfalls dazu ein Bild angefügt.
   

Meine letzte Frage betrifft die Ansteuerung des Hochvoltnetzteil EA-PSB 11000-80. Dieses soll ebenfalls über SPCI angesteuert werden. Als erstes sendet man hierzu den Befehl das der USB Remote eingeschaltet werden soll. Dies geschieht mit dem Befehl "SYST:LOCK 1". Über NI MAX kann ich über die Serielle Schnittstelle direkt das Kommando versenden. Doch in dem VI, welches ich angehängt habe funktioniert dies leider nicht. Habt ihr eine Idee? Leider gibt es zu VISA Kommunikation zu diesem Netzteil keine Beispiele / Anleitungen. Der Hersteller löst das in seinen VI irgendwie mit der "Device scan" Methode, welcher er selbst implementiert hat. Diese ist jedoch für meine Zwecke nicht leicht nutzbar. Bedienungsanleitung zu den SPCI Befehlen liegt im Anhang.
   

Ich freue mich auf eine Antwort.
Lukas

20.0 .vi  Funktionsgenerator_Keysight33600A.vi (Größe: 375,57 KB / Downloads: 389)
Alle Beiträge dieses Benutzers finden
Diese Nachricht in einer Antwort zitieren to top
30
Antwort schreiben 


Nachrichten in diesem Thema
RE: Doppelpuls Signal über CSV in Digitaldaten Tabelle und als Output schalten - Lucky. - 27.04.2021 23:09

Gehe zu: