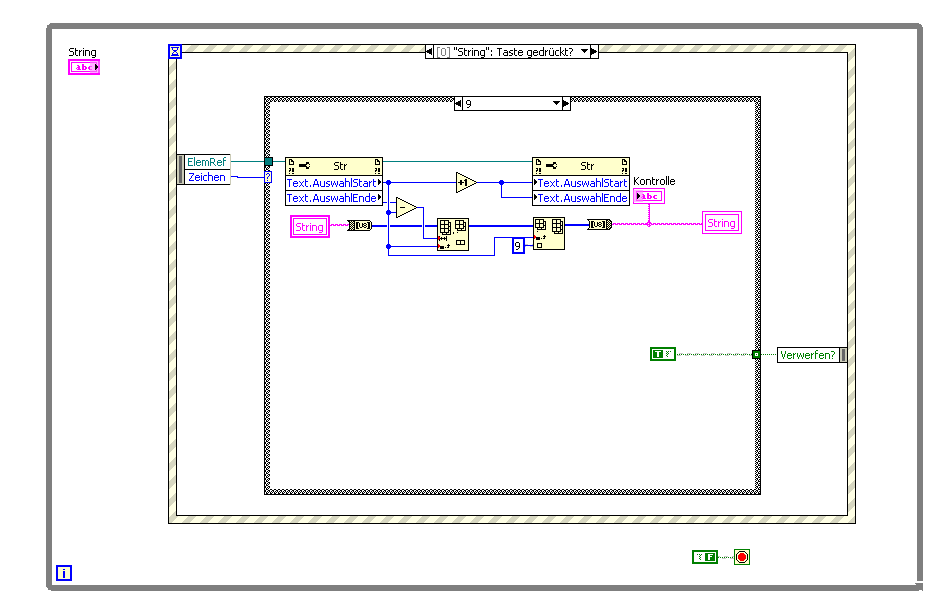
Tabulator im Eingabefeld |
Wenn dein Problem oder deine Frage geklärt worden ist, markiere den Beitrag als "Lösung",
indem du auf den "Lösung" Button rechts unter dem entsprechenden Beitrag klickst. Vielen Dank!
| 30
|
|
|
| Nachrichten in diesem Thema |
|
Tabulator im Eingabefeld - Maxwell - 06.07.2009, 14:33
Tabulator im Eingabefeld - schrotti - 06.07.2009 19:48
Tabulator im Eingabefeld - Y-P - 07.07.2009, 07:06
Tabulator im Eingabefeld - Maxwell - 08.07.2009, 16:11
Tabulator im Eingabefeld - Y-P - 08.07.2009, 16:43
Tabulator im Eingabefeld - Lucki - 08.07.2009, 23:11
Tabulator im Eingabefeld - Maxwell - 13.07.2009, 08:21
Tabulator im Eingabefeld - Y-P - 13.07.2009, 18:08
|
| Möglicherweise verwandte Themen... | |||||
| Themen | Verfasser | Antworten | Views | Letzter Beitrag | |
| Tabulator in String-Control einlesen | Abrow | 1 | 3.304 |
12.12.2022 10:12 Letzter Beitrag: jg |
|
| Eingabefeld löschen nach Eingabe | Gesetzt | 13 | 13.883 |
02.02.2015 22:11 Letzter Beitrag: jg |
|
| Eingabe in String-Eingabefeld behalten | GrEeHoRn | 5 | 9.253 |
28.02.2014 11:04 Letzter Beitrag: GrEeHoRn |
|
| Tabulator im Normal-Display | Schwand | 3 | 5.909 |
27.03.2012 15:54 Letzter Beitrag: Schwand |
|
| Tabulator | DDave | 14 | 19.594 |
19.08.2011 10:06 Letzter Beitrag: DDave |
|
| Bei Enter OK drücken, nicht Zeilenumbruch in Eingabefeld | DrHoas | 4 | 6.801 |
17.12.2010 13:08 Letzter Beitrag: GerdW |
|






