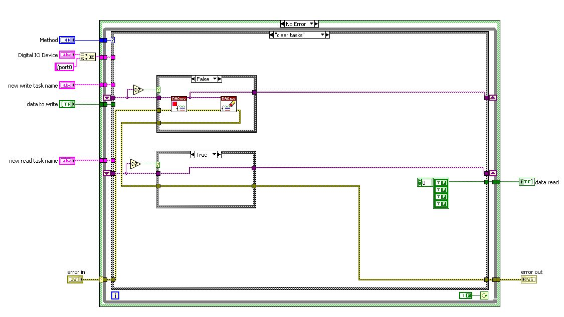
Prüfen ob ein Task existiert? |
Wenn dein Problem oder deine Frage geklärt worden ist, markiere den Beitrag als "Lösung",
indem du auf den "Lösung" Button rechts unter dem entsprechenden Beitrag klickst. Vielen Dank!
| 30
|
|
|
| Nachrichten in diesem Thema |
|
Prüfen ob ein Task existiert? - BsaiboT - 27.11.2009, 09:37
Prüfen ob ein Task existiert? - Y-P - 27.11.2009, 09:48
Prüfen ob ein Task existiert? - BsaiboT - 27.11.2009, 10:31
Prüfen ob ein Task existiert? - Y-P - 27.11.2009, 10:35
Prüfen ob ein Task existiert? - BsaiboT - 27.11.2009, 11:04
Prüfen ob ein Task existiert? - jg - 27.11.2009, 11:10
Prüfen ob ein Task existiert? - BsaiboT - 27.11.2009 11:32
|
| Möglicherweise verwandte Themen... | |||||
| Themen | Verfasser | Antworten | Views | Letzter Beitrag | |
| Create 2 Task, Fehler nach Start Task | Martin Heller | 1 | 5.926 |
09.09.2011 14:26 Letzter Beitrag: illuminus |
|
| Wie prüfen, ob Eingabefelder ausgefüllt sind? | angori | 9 | 9.784 |
07.08.2008 14:49 Letzter Beitrag: RoLe |
|
| Wiederholung prüfen | Only08 | 0 | 3.642 |
23.06.2008 13:59 Letzter Beitrag: Only08 |
|




an alle!

