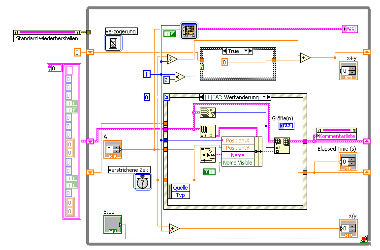
Wert in dem Mischsignalgraph darstellen |
Wenn dein Problem oder deine Frage geklärt worden ist, markiere den Beitrag als "Lösung",
indem du auf den "Lösung" Button rechts unter dem entsprechenden Beitrag klickst. Vielen Dank!
|
|
|
| Nachrichten in diesem Thema |
|
Wert in dem Mischsignalgraph darstellen - kcccp - 09.11.2009, 12:46
Wert in dem Mischsignalgraph darstellen - eckilein - 09.11.2009, 13:16
Wert in dem Mischsignalgraph darstellen - kcccp - 09.11.2009, 13:32
Wert in dem Mischsignalgraph darstellen - kcccp - 20.11.2009, 15:43
Wert in dem Mischsignalgraph darstellen - kcccp - 04.12.2009, 09:38
Wert in dem Mischsignalgraph darstellen - jg - 04.12.2009, 10:21
Wert in dem Mischsignalgraph darstellen - SeBa - 04.12.2009 10:29
|
| Möglicherweise verwandte Themen... | |||||
| Themen | Verfasser | Antworten | Views | Letzter Beitrag | |
| Signalverlauf und aktuellen Wert darstellen | antwort | 2 | 5.878 |
28.11.2017 11:40 Letzter Beitrag: Lucki |
|
| Mischsignalgraph aus Datensatz.txt erstellen | DeHe88 | 3 | 5.755 |
25.09.2017 12:38 Letzter Beitrag: DeHe88 |
|
| X-Achse bei Mischsignalgraph wandert nach links | Hasenfuss | 6 | 6.669 |
10.04.2017 08:53 Letzter Beitrag: jg |
|
| Diagramm im Mischsignalgraph? | gibsonuser | 6 | 7.753 |
19.01.2017 15:42 Letzter Beitrag: gibsonuser |
|
| PropertyNode-Einstellung im Mischsignalgraph wird nicht übernommen | Hasenfuss | 0 | 4.226 |
20.06.2016 08:30 Letzter Beitrag: Hasenfuss |
|
| Totalabsturz bei Mischsignalgraph! | ElBartscho | 1 | 3.958 |
12.03.2015 18:08 Letzter Beitrag: jg |
|






