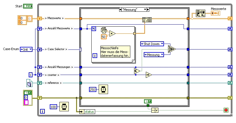
Messzeit im Diagramm darstellen und speichern |
Wenn dein Problem oder deine Frage geklärt worden ist, markiere den Beitrag als "Lösung",
indem du auf den "Lösung" Button rechts unter dem entsprechenden Beitrag klickst. Vielen Dank!
|
|
|
| Möglicherweise verwandte Themen... | |||||
| Themen | Verfasser | Antworten | Views | Letzter Beitrag | |
| Synchrone Datenerfassung - Werte erfassen speichern darstellen | goekhan1985 | 1 | 4.276 |
25.02.2015 08:55 Letzter Beitrag: GerdW |
|
| Signalverlauf darstellen und speichern | Cobbes | 11 | 14.032 |
03.08.2011 22:06 Letzter Beitrag: Cobbes |
|
| 2D Array erstellen und in einem Diagramm darstellen | kcccp | 4 | 9.429 |
12.01.2010 14:16 Letzter Beitrag: kcccp |
|
| Differenz der Messzeit pro Schleifendurchlauf ermitteln | PiffPaff | 12 | 17.417 |
25.08.2009 10:00 Letzter Beitrag: MichaDu |
|
| dynamische Tabelle im Diagramm darstellen | joe1234 | 8 | 8.875 |
12.06.2008 05:48 Letzter Beitrag: Achim |
|
| Drehzahl über der Zeit im Diagramm darstellen | 206racer | 1 | 6.758 |
07.05.2008 15:23 Letzter Beitrag: Xaran |
|






