INFO: Dieses Forum nutzt Cookies...
Cookies sind für den Betrieb des Forums unverzichtbar. Mit der Nutzung des Forums erklärst Du dich damit einverstanden, dass wir Cookies verwenden.

Es wird in jedem Fall ein Cookie gesetzt um diesen Hinweis nicht mehr zu erhalten. Desweiteren setzen wir Google Adsense und Google Analytics ein.


Antwort schreiben 

Kurvenaufzeichnung verlangsamen



Wenn dein Problem oder deine Frage geklärt worden ist, markiere den Beitrag als "Lösung",
indem du auf den "Lösung" Button rechts unter dem entsprechenden Beitrag klickst. Vielen Dank!

08.04.2015, 13:20
Beitrag #11

Hoffma Offline
LVF-Grünschnabel
*


Beiträge: 13
Registriert seit: Mar 2015

2013
-
kA



RE: Kurvenaufzeichnung verlangsamen
(08.04.2015 11:43 )GerdW schrieb:  Indem du diese Arrays Punkt für Punkt zusammenbaust - es gibt da so Funktionen wie BuildArray, die sehr gut mit Schieberegistern zusammenarbeiten können…

Bis hierhin erstmal Vielen Dank!

Eine Kurve wird jetzt schonmal aufgezeichnet. Nun weiß ich allerdings noch nicht wie ich eine der Kurven bekomme die an dem XY Graphen I anliegen. Kannst du mir da noch einen Tipp geben, was ich ändern muss?


Angehängte Datei(en) Thumbnail(s)
   
Alle Beiträge dieses Benutzers finden
Diese Nachricht in einer Antwort zitieren to top
Anzeige
08.04.2015, 13:27 (Dieser Beitrag wurde zuletzt bearbeitet: 08.04.2015 13:29 von GerdW.)
Beitrag #12

GerdW Offline
______________
LVF-Team

Beiträge: 17.528
Registriert seit: May 2009

LV2019 (LV2021)
1995
DE_EN

10×××
Deutschland
RE: Kurvenaufzeichnung verlangsamen
Hallo Hoffma,

hier mal ein Vorschlag:
   

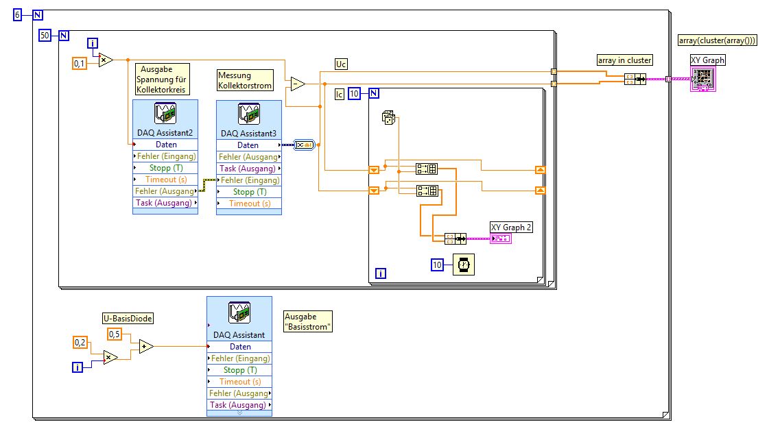
Was soll diese innere FOR-Loop in deinem Bild da eigentlich machen?
Warum erstellst du aus Ic/Uc und jeweils einem Zufallswert (Hmm) ein Array, um damit dann einen Plot zu erstellen???

Alle Beiträge dieses Benutzers finden
Diese Nachricht in einer Antwort zitieren to top
08.04.2015, 13:42
Beitrag #13

Hoffma Offline
LVF-Grünschnabel
*


Beiträge: 13
Registriert seit: Mar 2015

2013
-
kA



RE: Kurvenaufzeichnung verlangsamen
(08.04.2015 13:27 )GerdW schrieb:  Was soll diese innere FOR-Loop in deinem Bild da eigentlich machen?
Warum erstellst du aus Ic/Uc und jeweils einem Zufallswert (Hmm) ein Array, um damit dann einen Plot zu erstellen???

Die innere For-Schleife ist doch das Schieberegister. Zumindest habe ich das so verstanden. Mit dem Zufallswert habe ich gearbeitet, damit ich einen weiteren Wert für mein Array habe. Dass ich damit noch nicht auf die Lösung komme ist mir klar, ich habe das erstmal gemacht um zu verstehen wie es funktionieren könnte.

Welche Objekte hast du in dem Schieberegister genutzt? "Array erstellen ist es ja nicht, oder?
Alle Beiträge dieses Benutzers finden
Diese Nachricht in einer Antwort zitieren to top
08.04.2015, 13:45
Beitrag #14

GerdW Offline
______________
LVF-Team

Beiträge: 17.528
Registriert seit: May 2009

LV2019 (LV2021)
1995
DE_EN

10×××
Deutschland
RE: Kurvenaufzeichnung verlangsamen
Hallo Hoffma,

Zitat:Welche Objekte hast du in dem Schieberegister genutzt? "Array erstellen ist es ja nicht, oder?
Wieso nicht? Na klar ist das BuildArray, schließlich will ich doch ein (oder zwei) Array für meinen Plot erstellen…
Warüber reden wir hier eigentlich die ganze Zeit?

Tipp:
Solange der Fragende nur Text schreibt, bekommt er auch nur Text.
Zeigt er Bilder, bekommt er Bilder zurück.
Werden VIs bereitgestellt, ist die Chance hoch, dass auch korrigierte/verbesserte VIs als Antwort kommen…

Nur so als Tipp… Wink

Alle Beiträge dieses Benutzers finden
Diese Nachricht in einer Antwort zitieren to top
08.04.2015, 14:03
Beitrag #15

Hoffma Offline
LVF-Grünschnabel
*


Beiträge: 13
Registriert seit: Mar 2015

2013
-
kA



RE: Kurvenaufzeichnung verlangsamen
Hallo GerdW,

Das ganze soll die Aufzeichnung einer Transistorkennlinie werden. Die Aufzeichnung selber bekommen wir ohne Probleme hin, nur die Verlangsamung einer einzelnen Kurve nicht, soweit ja oben beschrieben.

Vielen Dank. Ich bekomme jetzt schon fast das was ich will Smile
Ich habe mal ein Bild von einem VI angehängt. Die Kurve wird dargestellt, es ist allerdings nur ein einzelner Punkt der die Kurve entlang springt, es ist also keine Linie zu sehen.


Angehängte Datei(en) Thumbnail(s)
   
Alle Beiträge dieses Benutzers finden
Diese Nachricht in einer Antwort zitieren to top
08.04.2015, 14:06
Beitrag #16

GerdW Offline
______________
LVF-Team

Beiträge: 17.528
Registriert seit: May 2009

LV2019 (LV2021)
1995
DE_EN

10×××
Deutschland
RE: Kurvenaufzeichnung verlangsamen
Hallo Hoffma,

Zitat:Die Kurve wird dargestellt, es ist allerdings nur ein einzelner Punkt der die Kurve entlang springt, es ist also keine Linie zu sehen.
Weil du es so programmiert hast.
In meinem Bild oben ist etwas anderes zu sehen - und bei mir wurde auch ein Linienzug dargestellt, der mit der Zeit länger wurde…

Das mit dem Tipp vorhin hast du auch noch nicht verstanden… Wall

Alle Beiträge dieses Benutzers finden
Diese Nachricht in einer Antwort zitieren to top
Anzeige
08.04.2015, 14:22
Beitrag #17

Hoffma Offline
LVF-Grünschnabel
*


Beiträge: 13
Registriert seit: Mar 2015

2013
-
kA



RE: Kurvenaufzeichnung verlangsamen
(08.04.2015 14:06 )GerdW schrieb:  Hallo Hoffma,

Zitat:Die Kurve wird dargestellt, es ist allerdings nur ein einzelner Punkt der die Kurve entlang springt, es ist also keine Linie zu sehen.
Weil du es so programmiert hast.
In meinem Bild oben ist etwas anderes zu sehen - und bei mir wurde auch ein Linienzug dargestellt, der mit der Zeit länger wurde…

Das mit dem Tipp vorhin hast du auch noch nicht verstanden… Wall

Hallo GerdW,

Dein Bild habe ich mir nochmal genauer angesehen, und meins dementsprechend noch etwas verändert. Mit einer Zufallszahl oder einer Konstanten bekomme ich auch einen Linienzug, der aber immer anders aussieht und seinen Ursprung immer an dem Punkt der Kurve hat die ich angezeigt haben möchte. D. h. aus dem Punkt den ich grade hatte der immer weiter gesprungen ist, bekomme ich immer Linien die in irgendeine Richtung zeigen.

Dann erklähr mir doch nochmal was du mit dem Tipp meinst. Ich habe doch ein Bild von einem VI geschickt.
Alle Beiträge dieses Benutzers finden
Diese Nachricht in einer Antwort zitieren to top
08.04.2015, 14:25 (Dieser Beitrag wurde zuletzt bearbeitet: 08.04.2015 14:25 von GerdW.)
Beitrag #18

GerdW Offline
______________
LVF-Team

Beiträge: 17.528
Registriert seit: May 2009

LV2019 (LV2021)
1995
DE_EN

10×××
Deutschland
RE: Kurvenaufzeichnung verlangsamen
Hallo Hoffma,

Zitat:Dann erklähr mir doch nochmal was du mit dem Tipp meinst.
Ich wiederhole:

Zitat:Tipp:
Solange der Fragende nur Text schreibt, bekommt er auch nur Text.
Zeigt er Bilder, bekommt er Bilder zurück.
Werden VIs bereitgestellt, ist die Chance hoch, dass auch korrigierte/verbesserte VIs als Antwort kommen…

Alle Beiträge dieses Benutzers finden
Diese Nachricht in einer Antwort zitieren to top
08.04.2015, 14:27
Beitrag #19

Hoffma Offline
LVF-Grünschnabel
*


Beiträge: 13
Registriert seit: Mar 2015

2013
-
kA



RE: Kurvenaufzeichnung verlangsamen
(08.04.2015 14:25 )GerdW schrieb:  Hallo Hoffma,

Zitat:Dann erklähr mir doch nochmal was du mit dem Tipp meinst.
Ich wiederhole:

Zitat:Tipp:
Solange der Fragende nur Text schreibt, bekommt er auch nur Text.
Zeigt er Bilder, bekommt er Bilder zurück.
Werden VIs bereitgestellt, ist die Chance hoch, dass auch korrigierte/verbesserte VIs als Antwort kommen…


Angehängte Datei(en)
13.0 .vi  TransistorTEST.vi (Größe: 157,79 KB / Downloads: 196)
Alle Beiträge dieses Benutzers finden
Diese Nachricht in einer Antwort zitieren to top
08.04.2015, 14:36
Beitrag #20

GerdW Offline
______________
LVF-Team

Beiträge: 17.528
Registriert seit: May 2009

LV2019 (LV2021)
1995
DE_EN

10×××
Deutschland
RE: Kurvenaufzeichnung verlangsamen
Hallo Hoffma,

dein VI sah immer noch anders aus als mein Bild:
- Warum hast du beim BuildArray in der Loop an beiden Eingängen denselben Draht angeschlossen?
- Warum hast du deinen skalaren Messwert per BuildArray (mit nur einem Eingang) in ein Array umgewandelt?
- Warum hast du nicht einfach das programmiert, was ich dir gezeigt hatte?

Wall

Im Attachment habe ich die ganzen DAQAssis gelöscht…


Angehängte Datei(en)
13.0 .vi  TransistorTEST.vi (Größe: 11,48 KB / Downloads: 198)

Alle Beiträge dieses Benutzers finden
Diese Nachricht in einer Antwort zitieren to top
Antwort schreiben 


Gehe zu: