INFO: Dieses Forum nutzt Cookies...
Cookies sind für den Betrieb des Forums unverzichtbar. Mit der Nutzung des Forums erklärst Du dich damit einverstanden, dass wir Cookies verwenden.

Es wird in jedem Fall ein Cookie gesetzt um diesen Hinweis nicht mehr zu erhalten. Desweiteren setzen wir Google Adsense und Google Analytics ein.


Antwort schreiben 

Programmstruktur vereinfachen



Wenn dein Problem oder deine Frage geklärt worden ist, markiere den Beitrag als "Lösung",
indem du auf den "Lösung" Button rechts unter dem entsprechenden Beitrag klickst. Vielen Dank!

12.02.2010, 09:38
Beitrag #11

Y-P Offline
☻ᴥᴥᴥ☻ᴥᴥᴥ☻
LVF-Team

Beiträge: 12.612
Registriert seit: Feb 2006

Developer Suite Core -> LabVIEW 2015 Prof.
2006
EN

71083
Deutschland
Programmstruktur vereinfachen
Meinst Du so?


Sonstige .vi  Arrays.vi (Größe: 9,19 KB / Downloads: 252)

Lv09_img2

Gruß Markus

--------------------------------------------------------------------------
Bitte stellt mir keine Fragen über PM, dafür ist das Forum da - andere haben vielleicht auch Interesse an der Antwort !!
--------------------------------------------------------------------------
Alle Beiträge dieses Benutzers finden
Diese Nachricht in einer Antwort zitieren to top
Anzeige
12.02.2010, 10:48
Beitrag #12

Burning_Man Offline
LVF-Gelegenheitsschreiber
**


Beiträge: 84
Registriert seit: Nov 2009

2009
2009
de

7
Deutschland
Programmstruktur vereinfachen
Hallo,

ich hatte gerade eine Eingebung und dahcte mir eien Lösung des Problems so:
Hier mein SubVI:

   

und hier mein HauptVI:

   

nur ist mein Problem dass das kombinierte Signal nicht ans SubVi übergeben werden kann (gestrichelte Linie) weil es nicht das selbe Format hat.
Ich schätze ich habe beim SubVI den falsch Anschluß bzw. Signaleingang gewählt.
Wer kann mir helfen?
Alle Beiträge dieses Benutzers finden
Diese Nachricht in einer Antwort zitieren to top
12.02.2010, 10:59 (Dieser Beitrag wurde zuletzt bearbeitet: 12.02.2010 11:01 von GerdW.)
Beitrag #13

GerdW Offline
______________
LVF-Team

Beiträge: 17.533
Registriert seit: May 2009

LV2019 (LV2021)
1995
DE_EN

10×××
Deutschland
Programmstruktur vereinfachen
Hi BurningMan,

also:
Warum hast du im subVI eine While-Schleife??? Was kommt raus, wenn man ein einfaches DBL auf mehrere "Kanäle" splitten will? (Ich habe da Probleme, nachzuvollziehen was an Daten dabei rauskommt als auch mir vorzustellen, wie das überhaupt gehen soll...)

Im subVI hast du ein einfaches DBL als Eingang. Das klappt natürlich nicht, wenn du ein Array of Waveforms (?) übergeben willst...
Du kannst im HauptVI einen Rechtsklick auf den gewünschten Draht machen und ein Control erzeugen. Dieses Control dann ins subVI verschieben und entsprechend verdrahten...

Alle Beiträge dieses Benutzers finden
Diese Nachricht in einer Antwort zitieren to top
12.02.2010, 11:13
Beitrag #14

Burning_Man Offline
LVF-Gelegenheitsschreiber
**


Beiträge: 84
Registriert seit: Nov 2009

2009
2009
de

7
Deutschland
Programmstruktur vereinfachen
Hallo

ja ich glaube die Whileschlife kann ich entfernen, ich bekomme ja die Taktung der Messzyklen durch die Schlife im HauptVI.
Mein Hauptproblem ist jetzt aber die Datenübergabe des kombinierten Signals an mein SubVI. Das es mit einem einfachen Double Eingang nicht geht war mir klar, aber wie geht es dann??
Wie erzeuge ich denn dieses "Control" mit Rechtsklick auf den Draht und wie kann ich einfach etwas von HuaptVI in ein SubVi verschieben?
Beim Rechtsklick auf den Draht habe ich diese Möglichkeit nicht gefunden.
Alle Beiträge dieses Benutzers finden
Diese Nachricht in einer Antwort zitieren to top
12.02.2010, 11:19 (Dieser Beitrag wurde zuletzt bearbeitet: 12.02.2010 11:25 von GerdW.)
Beitrag #15

GerdW Offline
______________
LVF-Team

Beiträge: 17.533
Registriert seit: May 2009

LV2019 (LV2021)
1995
DE_EN

10×××
Deutschland
Programmstruktur vereinfachen
Hallo BurningMan,

du entfernst die (fehlerhafte) Verbindung zu deinem subVI.

Dann auf den (dann fehlerlosen) Draht zwischen DAQ-Funktion und SignalSplit rechts-klicken und Create->Control - schwups, schon hast du ein passendes Control. Dieses dann per drag&drop aufs BD vom subVI ziehen und das DBL-Control damit ersetzen. ConnectorPane wieder verdrahten und im HauptVI auch wieder verdrahten...

Haste schon mal auf die oben verlinkten Online-Kurse geguckt?

Alle Beiträge dieses Benutzers finden
Diese Nachricht in einer Antwort zitieren to top
12.02.2010, 11:31
Beitrag #16

Burning_Man Offline
LVF-Gelegenheitsschreiber
**


Beiträge: 84
Registriert seit: Nov 2009

2009
2009
de

7
Deutschland
Programmstruktur vereinfachen
Hallo,

die Onlinekurse mus sich mal zuhause übers WE anschauen, da ist auch die Internetverbindung schneller.
Kann es sein dass die Control Funktion in der deutschen LV Version anders heißt?
Alle Beiträge dieses Benutzers finden
Diese Nachricht in einer Antwort zitieren to top
Anzeige
12.02.2010, 11:35
Beitrag #17

GerdW Offline
______________
LVF-Team

Beiträge: 17.533
Registriert seit: May 2009

LV2019 (LV2021)
1995
DE_EN

10×××
Deutschland
Programmstruktur vereinfachen
Hallo BurningMan,

sicherlich heißen die Elemente/Menüeinträge in der deutschen Version anders - ich arbeite halt nur mit der englischen Version. Die deutsche war mir zu inkonsequent übersetzt...

Suche mal nach Einträgen wie "Erstellen->Eingabeelement"...

Alle Beiträge dieses Benutzers finden
Diese Nachricht in einer Antwort zitieren to top
12.02.2010, 11:40 (Dieser Beitrag wurde zuletzt bearbeitet: 12.02.2010 11:50 von Lucki.)
Beitrag #18

Lucki Offline
Tech.Exp.2.Klasse
LVF-Team

Beiträge: 7.699
Registriert seit: Mar 2006

LV 2016-18 prof.
1995
DE

01108
Deutschland
Programmstruktur vereinfachen
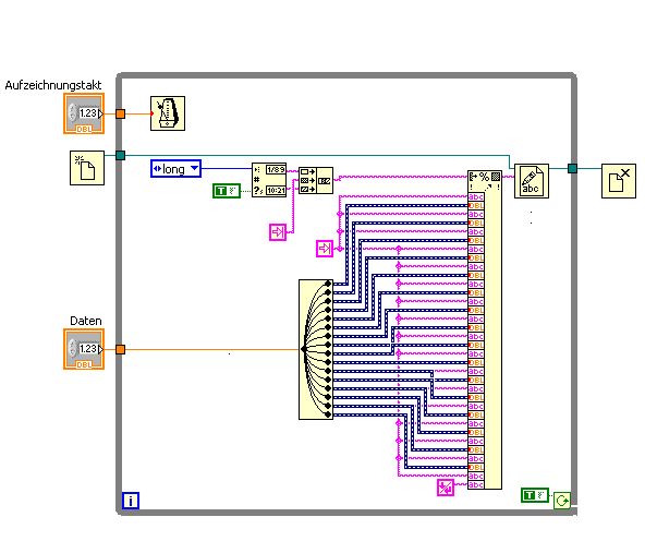
' schrieb:Ich möchte das gebündelte Signal in meinem HauptVI (siehe Bild) vor dem Aufspalten in Einzelsignale in mein SubVI weiterleiten. Wie kann ich aber dann in meinem SubVI bei das Eingangsignal aufspalten?
Wenn das "gebündelte Signal" ein Array ist - was bei gleichartigen Signalen wegen der einfachen Signalbehandlung die beste Bündelungsmethode ist -, und Du die Werte zusammen mit dem aktuellem Datum speichern willst, dann mußt Du überhaupt nichts aufspalten und brauchst nicht einml eine For-Schleife. Hier Dein VI eingedampft:
    Lv86_img
Sonstige .vi  FileIO.vi (Größe: 7,99 KB / Downloads: 248)

edit: ersetze addieren durch multipizieren
edit2: Falls Du das datenformat "dynamische Signal" von Express-VIs hast, dann gibt es zur Konvertierung in normales Array die Funktion "Von dynamischen Daten konvertieren"
Alle Beiträge dieses Benutzers finden
Diese Nachricht in einer Antwort zitieren to top
12.02.2010, 11:49 (Dieser Beitrag wurde zuletzt bearbeitet: 12.02.2010 12:04 von dimitri84.)
Beitrag #19

dimitri84 Offline
Astronaut
*****


Beiträge: 1.496
Registriert seit: Aug 2009

2020 Developer Suite
2009
DE_EN

53562
Deutschland
Programmstruktur vereinfachen
Diese Express VIs zum Bündeln und Entbündeln, die 'Dynamic Data' ausspucken, gehören echt verboten. Dabei entstehen manchmal Blockdiagramme die eher an moderne Kunst erinnen als an strukturierten Code. Da muss einem doch schon der Instinkt sagen, dass das besser geht. Was ist, wenn man mal 50 "Kanäle" oder mehr hat.

Entweder man läßt es als Array oder man nimmt 'Waveform(Signalverlauf)' und nutzt zu beiden das passende "Indizieren" VI oder die Autoindizierungsfunktion bei Schleifen.

„Sag nicht alles, was du weißt, aber wisse immer, was du sagst.“ (Matthias Claudius)
Webseite des Benutzers besuchen Alle Beiträge dieses Benutzers finden
Diese Nachricht in einer Antwort zitieren to top
12.02.2010, 12:57
Beitrag #20

Y-P Offline
☻ᴥᴥᴥ☻ᴥᴥᴥ☻
LVF-Team

Beiträge: 12.612
Registriert seit: Feb 2006

Developer Suite Core -> LabVIEW 2015 Prof.
2006
EN

71083
Deutschland
Programmstruktur vereinfachen
... was ich schon in Beitrag #5 erwähnt habe.

Gruß Markus

' schrieb:Entweder man läßt es als Array oder man nimmt 'Waveform(Signalverlauf)' und nutzt zu beiden das passende "Indizieren" VI oder die Autoindizierungsfunktion bei Schleifen.

--------------------------------------------------------------------------
Bitte stellt mir keine Fragen über PM, dafür ist das Forum da - andere haben vielleicht auch Interesse an der Antwort !!
--------------------------------------------------------------------------
Alle Beiträge dieses Benutzers finden
Diese Nachricht in einer Antwort zitieren to top
Antwort schreiben 


Möglicherweise verwandte Themen...
Themen Verfasser Antworten Views Letzter Beitrag
  Programmstruktur / Messwerte in Excel speichern? jörgroth 4 6.449 05.04.2007 15:55
Letzter Beitrag: jörgroth

Gehe zu: