INFO: Dieses Forum nutzt Cookies...
Cookies sind für den Betrieb des Forums unverzichtbar. Mit der Nutzung des Forums erklärst Du dich damit einverstanden, dass wir Cookies verwenden.

Es wird in jedem Fall ein Cookie gesetzt um diesen Hinweis nicht mehr zu erhalten. Desweiteren setzen wir Google Adsense und Google Analytics ein.


Antwort schreiben 

Relais-Problem



Wenn dein Problem oder deine Frage geklärt worden ist, markiere den Beitrag als "Lösung",
indem du auf den "Lösung" Button rechts unter dem entsprechenden Beitrag klickst. Vielen Dank!

02.09.2008, 12:39
Beitrag #11

cb Offline
LVF-SeniorMod


Beiträge: 1.734
Registriert seit: Feb 2006

2018SP1
2001
EN

40xxx
Deutschland
Relais-Problem
' schrieb:Allerdings sehr unuebersichtlich. Wir haben grosse Problem nachzuvollziehen, was da eigentlich passiert. Willst du es dir mal anschauen, dann poste ich es!

öhm:)Spaghetticode? *örgs* ... wenn ich ehrlich bin hab ich nicht wirklich Lust mich da durchzuwurschdeln (ich bekomm ja schon Zustände wenn jemand keine geraden Drähte zieht). Aber post mal, ich werf mal nen Blick drauf ... (und mach schnell wieder zu wenn's wirklich schlimmer Spaghetticode isWink)

https://www.rotabench.com - Prüftechnik für Elektromotoren
Webseite des Benutzers besuchen Alle Beiträge dieses Benutzers finden
Diese Nachricht in einer Antwort zitieren to top
Anzeige
02.09.2008, 12:45
Beitrag #12

jg Offline
CLA & CLED
LVF-Team

Beiträge: 15.864
Registriert seit: Jun 2005

20xx / 8.x
1999
EN

Franken...
Deutschland
Relais-Problem
' schrieb:öhm:)Spaghetticode? *örgs* ... wenn ich ehrlich bin hab ich nicht wirklich Lust mich da durchzuwurschdeln (ich bekomm ja schon Zustände wenn jemand keine geraden Drähte zieht). Aber post mal, ich werf mal nen Blick drauf ... (und mach schnell wieder zu wenn's wirklich schlimmer Spaghetticode isWink)
:hehe:Das wäre doch ein Härtetest für das Aufräumtool von LV8.6!

Gruß, Jens

Wer die erhabene Weisheit der Mathematik tadelt, nährt sich von Verwirrung. (Leonardo da Vinci)

!! BITTE !! stellt mir keine Fragen über PM, dafür ist das Forum da - andere haben vielleicht auch Interesse an der Antwort!

Einführende Links zu LabVIEW, s. GerdWs Signatur.
Alle Beiträge dieses Benutzers finden
Diese Nachricht in einer Antwort zitieren to top
02.09.2008, 12:56
Beitrag #13

of209 Offline
LVF-Grünschnabel
*


Beiträge: 16
Registriert seit: Jul 2008

8.00
2008
en

EX20 2SB
United Kingdom
Relais-Problem
' schrieb:öhm:)Spaghetticode? *örgs* ... wenn ich ehrlich bin hab ich nicht wirklich Lust mich da durchzuwurschdeln (ich bekomm ja schon Zustände wenn jemand keine geraden Drähte zieht). Aber post mal, ich werf mal nen Blick drauf ... (und mach schnell wieder zu wenn's wirklich schlimmer Spaghetticode isWink)


Aufraeumtool haette ich auch gern, aber Chef will kein Geld ausgeben fuer LabVIEW. Wir haben deswegen nur die 8.2 Version.

i2dx ist ist wirklich ganz schoener "Spaghetticode". Willst du dir das wirklich antun? Aber ich poste es trotzdem.

Gruesse
Oli


Angehängte Datei(en)
Sonstige .vi  Pilot_plant_T1___T2_gas_collection_26.08.08_sondeT1.vi (Größe: 1,28 MB / Downloads: 339)
Alle Beiträge dieses Benutzers finden
Diese Nachricht in einer Antwort zitieren to top
02.09.2008, 13:00
Beitrag #14

jg Offline
CLA & CLED
LVF-Team

Beiträge: 15.864
Registriert seit: Jun 2005

20xx / 8.x
1999
EN

Franken...
Deutschland
Relais-Problem
' schrieb:Aufraeumtool haette ich auch gern, aber Chef will kein Geld ausgeben fuer LabVIEW. Wir haben deswegen nur die 8.2 Version.
In diesem FallProfil_ergaenzen

Und erwarte keine Weltwunder von dieser Aufräumfunktion, noch hat sie mich nicht von den Socken gerissen.

' schrieb:i2dx ist ist wirklich ganz schoener "Spaghetticode". Willst du dir das wirklich antun? Aber ich poste es trotzdem.

Gruesse
Oli

Wer die erhabene Weisheit der Mathematik tadelt, nährt sich von Verwirrung. (Leonardo da Vinci)

!! BITTE !! stellt mir keine Fragen über PM, dafür ist das Forum da - andere haben vielleicht auch Interesse an der Antwort!

Einführende Links zu LabVIEW, s. GerdWs Signatur.
Alle Beiträge dieses Benutzers finden
Diese Nachricht in einer Antwort zitieren to top
02.09.2008, 13:09
Beitrag #15

cb Offline
LVF-SeniorMod


Beiträge: 1.734
Registriert seit: Feb 2006

2018SP1
2001
EN

40xxx
Deutschland
Relais-Problem
leck mich in de Täsch,

das ist die beste Tapete, die ich seit langem gesehn hab und ich hab schon nen 22 Zoll Monitor ...

kein Wunder, dass du da nich durchsteigst:Ddas ist feinster Spaghetti-Code mit jeder Menge lokalen Variablen. Mein Tip wäre: wegschmeissen, neu machen ... bis du das alles verstanden hast vergeht so viel Zeit, dass du's auch neu programmieren kannst ...

   

https://www.rotabench.com - Prüftechnik für Elektromotoren
Webseite des Benutzers besuchen Alle Beiträge dieses Benutzers finden
Diese Nachricht in einer Antwort zitieren to top
02.09.2008, 13:12
Beitrag #16

MikeS81 Offline
LVF-Gelegenheitsschreiber
**


Beiträge: 231
Registriert seit: Aug 2008

8.5
2005
de_en

81xxx
Deutschland
Relais-Problem
' schrieb:Aufraeumtool haette ich auch gern, aber Chef will kein Geld ausgeben fuer LabVIEW. Wir haben deswegen nur die 8.2 Version.

i2dx ist ist wirklich ganz schoener "Spaghetticode". Willst du dir das wirklich antun? Aber ich poste es trotzdem.

Gruesse
Oli

Hi of209,
wow, ich empfehle das dringend einmal zu überarbeiten. Die Build Array Funktion arbeitet auch mit numerischen Eingaben, nicht nur mit Arrays. Die vielen For Schleifen könnten dann schon einmal entfallen. Einige der lokalen Variablen lassen sich dadurch entfernen, das der Anschluß außerhalb der Case Struktur beschrieben wird. Bei der seriellen Kommunikation kann die Case Struktur entfallen, wenn du die Funktion "Format Into String" benutzt. Wink

Das war ersteinmal der Anfang. ;)Weiteres auf Anfrage.
Mike
Alle Beiträge dieses Benutzers finden
Diese Nachricht in einer Antwort zitieren to top
Anzeige
02.09.2008, 13:32
Beitrag #17

jg Offline
CLA & CLED
LVF-Team

Beiträge: 15.864
Registriert seit: Jun 2005

20xx / 8.x
1999
EN

Franken...
Deutschland
Relais-Problem
' schrieb:leck mich in de Täsch,

das ist die beste Tapete, die ich seit langem gesehn hab und ich hab schon nen 22 Zoll Monitor ...

kein Wunder, dass du da nich durchsteigst:Ddas ist feinster Spaghetti-Code mit jeder Menge lokalen Variablen. Mein Tip wäre: wegschmeissen, neu machen ... bis du das alles verstanden hast vergeht so viel Zeit, dass du's auch neu programmieren kannst ...

[attachment=41717:tapete.png]
Na, der Spaghetti-Anteil geht ja noch, aber eindeutig zu sehr Tapete (i.e. zu viel Code in einem BD). Da hat man als Aussenstehender so gut wie keine Chance, da durchzusteigen.

Dringender Rat: Sub-VIs, Sub-VIs und nochmal SubVIs.

Mir ist auf die Schnelle nur ein was aufgefallen: Irgendwo "unten" "in der Mitte" wird in 2 parallel laufenden Schleifen auf dieselbe Com-Schnittstelle (COM0) zugegriffen. Ob das gerade gut ist?!

Gruß, Jens

Wer die erhabene Weisheit der Mathematik tadelt, nährt sich von Verwirrung. (Leonardo da Vinci)

!! BITTE !! stellt mir keine Fragen über PM, dafür ist das Forum da - andere haben vielleicht auch Interesse an der Antwort!

Einführende Links zu LabVIEW, s. GerdWs Signatur.
Alle Beiträge dieses Benutzers finden
Diese Nachricht in einer Antwort zitieren to top
03.09.2008, 13:28
Beitrag #18

of209 Offline
LVF-Grünschnabel
*


Beiträge: 16
Registriert seit: Jul 2008

8.00
2008
en

EX20 2SB
United Kingdom
Relais-Problem
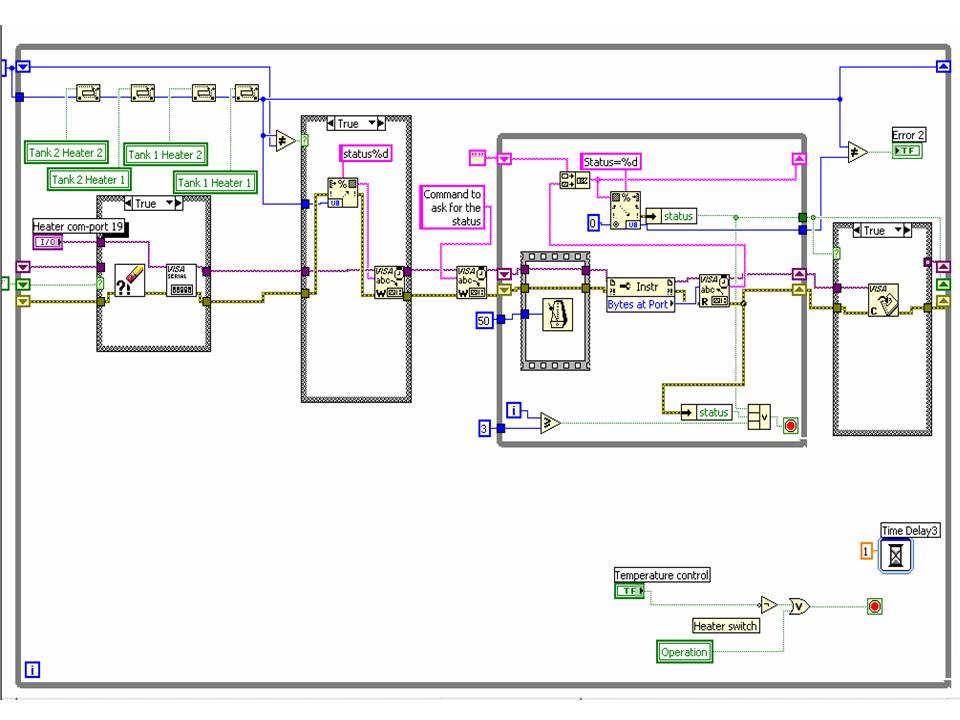
' schrieb:jau, das wäre auch mein Tip. Das müsste schon ein sehr billiges Gelumpe sein, wenn man nich wenigstens den Ist-Zustand mit einem wie auch immer gearteten Befehl abfragen könnte. Den würde ich dann kontinuierlich abfragen um sicherzustellen, dass die Kommunikation noch steht. Wenn es nun beim Abfragen des Zustandes irgendwann Aussetzer gibt, machst du die Schnittstelle zu und wieder auf. Und wenn du den COM Port z.B. 20 mal hintereinander immer wieder geschlossen und sofort wieder geöffnet hast würd ich aus sicherheitsgründen alles abschalten und die Anlage runterfahren.

ungefähr so:
[attachment=41709:rs232.png]

sorry, hab mal alles in ein BD gequetscht, damit man was sieht ...


Hi i2dx,
offensichtlich stimmt die Kommunikation zwischen dem Com19-Port und LabVIEW nicht. Hab' deine Struktur in unser Programm eingefuegt.(heater relay)
Aber es funktioniert leider nicht! Heater heizt die Tanks weiter. Was soll eigentlich genau passieren. Sorry, fuer die dumme Frage. Ich bin noch ein Novize was LabVIEW angeht!

Habe noch eine andere While-Schleife gepostet. (Temp control). Vielleicht faellt Euch da noch eine Loesung ein.

Mfg Oli


Angehängte Datei(en) Thumbnail(s)
       
Alle Beiträge dieses Benutzers finden
Diese Nachricht in einer Antwort zitieren to top
03.09.2008, 15:58
Beitrag #19

cb Offline
LVF-SeniorMod


Beiträge: 1.734
Registriert seit: Feb 2006

2018SP1
2001
EN

40xxx
Deutschland
Relais-Problem
' schrieb:Ich bin noch ein Novize was LabVIEW angeht!

Äh, ja ... merkt manWink

' schrieb:offensichtlich stimmt die Kommunikation zwischen dem Com19-Port und LabVIEW nicht. Hab' deine Struktur in unser Programm eingefuegt.(heater relay)

natürlich nicht;)die Strings "Command to ask for the status" und den String zum Parsen musst du natürlich noch durch die "richtigen" Strings ersetzen, d.h. lies mal das Handbuch zu dem USB-Relais gerät und such dir raus mit welchem Befehl man das Gerät dazu veranlassen kann einen Status zu senden und dann schaust du dir an, welches Format der Antwort String hat, daraus ergibt sich dann dein "format string" für die Primitive "Scan from String" ...

Im Moment schickst du die Zeichen "Command to ask for the status" an das Gerät und wunderst dich, dass es nix zurück schickt. Das Gerät widerum wundert sich "HÄ? watt soll datt denn heissen???" und macht gar nixWink

und dann zieh mal die Linien gerade, das sieht ja aus wie nach nem ErdbebenWink(ok, ich hab schon schlimmeres gesehn ...)

Die Loop Delay 3 ist mehr oder weniger sinnfrei, da die Schleife ja durch den Timer in der inneren While-Schleife gebremst wird ...

https://www.rotabench.com - Prüftechnik für Elektromotoren
Webseite des Benutzers besuchen Alle Beiträge dieses Benutzers finden
Diese Nachricht in einer Antwort zitieren to top
03.09.2008, 18:10
Beitrag #20

of209 Offline
LVF-Grünschnabel
*


Beiträge: 16
Registriert seit: Jul 2008

8.00
2008
en

EX20 2SB
United Kingdom
Relais-Problem
' schrieb:Äh, ja ... merkt manWink
natürlich nicht;)die Strings "Command to ask for the status" und den String zum Parsen musst du natürlich noch durch die "richtigen" Strings ersetzen, d.h. lies mal das Handbuch zu dem USB-Relais gerät und such dir raus mit welchem Befehl man das Gerät dazu veranlassen kann einen Status zu senden und dann schaust du dir an, welches Format der Antwort String hat, daraus ergibt sich dann dein "format string" für die Primitive "Scan from String" ...

Im Moment schickst du die Zeichen "Command to ask for the status" an das Gerät und wunderst dich, dass es nix zurück schickt. Das Gerät widerum wundert sich "HÄ? watt soll datt denn heissen???" und macht gar nixWink

und dann zieh mal die Linien gerade, das sieht ja aus wie nach nem ErdbebenWink(ok, ich hab schon schlimmeres gesehn ...)

Die Loop Delay 3 ist mehr oder weniger sinnfrei, da die Schleife ja durch den Timer in der inneren While-Schleife gebremst wird ...

Sorry,
fuer solche Fragen. Werde es ausprobieren!

Dankeschoen!

Oli
Alle Beiträge dieses Benutzers finden
Diese Nachricht in einer Antwort zitieren to top
30
Antwort schreiben 


Möglicherweise verwandte Themen...
Themen Verfasser Antworten Views Letzter Beitrag
  Zeitsteuerung für Relais Starlancer 2 5.376 06.06.2013 11:31
Letzter Beitrag: Starlancer
  5v Relais schalten nicht! NI USB 6008! Bitt um Hilfe Su27_Kos 6 11.122 16.04.2009 19:20
Letzter Beitrag: Lucki
  Relais ansteuern sifiland 0 6.027 29.04.2005 12:34
Letzter Beitrag: sifiland

Gehe zu: