INFO: Dieses Forum nutzt Cookies...
Cookies sind für den Betrieb des Forums unverzichtbar. Mit der Nutzung des Forums erklärst Du dich damit einverstanden, dass wir Cookies verwenden.

Es wird in jedem Fall ein Cookie gesetzt um diesen Hinweis nicht mehr zu erhalten. Desweiteren setzen wir Google Adsense und Google Analytics ein.


Antwort schreiben 

x-y-Graph



Wenn dein Problem oder deine Frage geklärt worden ist, markiere den Beitrag als "Lösung",
indem du auf den "Lösung" Button rechts unter dem entsprechenden Beitrag klickst. Vielen Dank!

15.01.2008, 11:57
Beitrag #1

obivan Offline
LVF-Neueinsteiger


Beiträge: 8
Registriert seit: Oct 2007

8.00
2005
kA

89335
Deutschland
x-y-Graph
Hallo Leute,

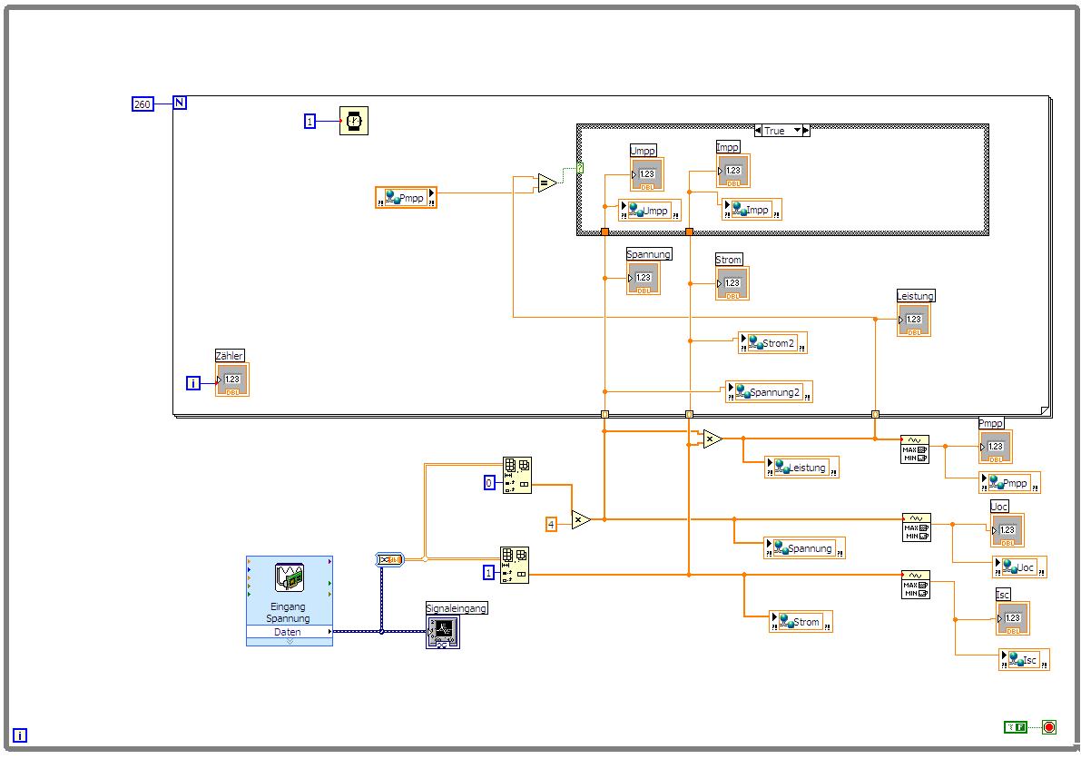
Ich habe ein Problem mit der Darstellung einer Strom-Spannungskennlinie.
Hierbei verbindet es beim xy-Graphen immer den End- mit dem Anfangspunkt
und zieht so einen Strich durch die ganze Anzeige.

Ist auch im Screenshot zu sehen.


Danke für eure Hilfe und Grüße

Andi


Angehängte Datei(en) Thumbnail(s)
   
Alle Beiträge dieses Benutzers finden
Diese Nachricht in einer Antwort zitieren to top
15.01.2008, 12:01
Beitrag #2

Achim Offline
*****
*****


Beiträge: 4.226
Registriert seit: Nov 2005

20xx
2000
EN

978xx
Deutschland
x-y-Graph
Poste mal das Array mit den Daten!

"Is there some mightier sage, of whom we have yet to learn?"

"Opportunity is missed by most people because it is dressed in overalls and looks like work." (Thomas Edison)
Alle Beiträge dieses Benutzers finden
Diese Nachricht in einer Antwort zitieren to top
15.01.2008, 12:09 (Dieser Beitrag wurde zuletzt bearbeitet: 15.01.2008 12:20 von obivan.)
Beitrag #3

obivan Offline
LVF-Neueinsteiger


Beiträge: 8
Registriert seit: Oct 2007

8.00
2005
kA

89335
Deutschland
x-y-Graph
' schrieb:Poste mal das Array mit den Daten!


Hi Achim,


Danke für die schnelle Antwort. Des Ding hängt an nem Mosfet, der liefert kontinuierlich die aktuellen Strom- und Spannungswerte.


Andi


Angehängte Datei(en) Thumbnail(s)
   
Alle Beiträge dieses Benutzers finden
Diese Nachricht in einer Antwort zitieren to top
15.01.2008, 12:25
Beitrag #4

Achim Offline
*****
*****


Beiträge: 4.226
Registriert seit: Nov 2005

20xx
2000
EN

978xx
Deutschland
x-y-Graph
' schrieb:Hi Achim,
Danke für die schnelle Antwort. Des Ding hängt an nem Mosfet, der liefert kontinuierlich die aktuellen Strom- und Spannungswerte.
Andi

Wenn das ne kontinuierliche Messung/Anzeige ist, warum verwendest du nen XY-Graph (= Signaleingang?)? Dafür ist doch der WaveformGraph/Chart gedacht!

Darin liegt vermutlich auch dein Fehler begründet...ein XY-Graph erwartet immer Arrays aus X- und Y-Werten, die liefert der DAQ-Assi aber nicht so einfach!

Oder hab ich deinen Screenshot falsch interpretiert?

A.

"Is there some mightier sage, of whom we have yet to learn?"

"Opportunity is missed by most people because it is dressed in overalls and looks like work." (Thomas Edison)
Alle Beiträge dieses Benutzers finden
Diese Nachricht in einer Antwort zitieren to top
15.01.2008, 12:59
Beitrag #5

obivan Offline
LVF-Neueinsteiger


Beiträge: 8
Registriert seit: Oct 2007

8.00
2005
kA

89335
Deutschland
x-y-Graph
Hast du schon richtig verstanden. Habs jetzt mal mit dem Waveform-Graph probiert...

Also der Waveform Graph zeigt Strom und Spannung des 2D-Arrays getrennt an. Ich benötige aber das xy-Signal.
Der gebündelte Ausgangs-Cluster der dieses Signal liefert lässt sich jedoch nicht mit dem Waveform-Graph verbinden.


thx.


Angehängte Datei(en) Thumbnail(s)
   
Alle Beiträge dieses Benutzers finden
Diese Nachricht in einer Antwort zitieren to top
15.01.2008, 13:03
Beitrag #6

Achim Offline
*****
*****


Beiträge: 4.226
Registriert seit: Nov 2005

20xx
2000
EN

978xx
Deutschland
x-y-Graph
' schrieb:Hast du schon richtig verstanden. Habs jetzt mal mit dem Waveform-Graph probiert...

Also der Waveform Graph zeigt Strom und Spannung des 2D-Arrays getrennt an. Ich benötige aber das xy-Signal.
Der gebündelte Ausgangs-Cluster der dieses Signal liefert lässt sich jedoch nicht mit dem Waveform-Graph verbinden.
thx.

Sind beide Kanäle gleich lang, d.h. die Array haben gleich viele Punkte?

"Is there some mightier sage, of whom we have yet to learn?"

"Opportunity is missed by most people because it is dressed in overalls and looks like work." (Thomas Edison)
Alle Beiträge dieses Benutzers finden
Diese Nachricht in einer Antwort zitieren to top
Anzeige
15.01.2008, 13:05
Beitrag #7

jg Offline
CLA & CLED
LVF-Team

Beiträge: 15.864
Registriert seit: Jun 2005

20xx / 8.x
1999
EN

Franken...
Deutschland
x-y-Graph
Wenn die Linie im XY-Graphen wieder zum Anfang zurückgezeichnet wird, dann ist halt dein erster und letzter Messwert in den Arrays auch identisch. Der XY-Graph zeichnet genau das, was du ihm eingibst.

Deshalb die Frage nach den Originaldaten als TXT-Datei (o.ä.).

MfG, Jens

Wer die erhabene Weisheit der Mathematik tadelt, nährt sich von Verwirrung. (Leonardo da Vinci)

!! BITTE !! stellt mir keine Fragen über PM, dafür ist das Forum da - andere haben vielleicht auch Interesse an der Antwort!

Einführende Links zu LabVIEW, s. GerdWs Signatur.
Alle Beiträge dieses Benutzers finden
Diese Nachricht in einer Antwort zitieren to top
15.01.2008, 13:08
Beitrag #8

obivan Offline
LVF-Neueinsteiger


Beiträge: 8
Registriert seit: Oct 2007

8.00
2005
kA

89335
Deutschland
x-y-Graph
Ja, die haben beide 1500 Elemente.
Alle Beiträge dieses Benutzers finden
Diese Nachricht in einer Antwort zitieren to top
15.01.2008, 13:09
Beitrag #9

Achim Offline
*****
*****


Beiträge: 4.226
Registriert seit: Nov 2005

20xx
2000
EN

978xx
Deutschland
x-y-Graph
Zeichne die Kanäle mal in ne Datei auf und poste diese!

"Is there some mightier sage, of whom we have yet to learn?"

"Opportunity is missed by most people because it is dressed in overalls and looks like work." (Thomas Edison)
Alle Beiträge dieses Benutzers finden
Diese Nachricht in einer Antwort zitieren to top
15.01.2008, 13:18 (Dieser Beitrag wurde zuletzt bearbeitet: 15.01.2008 13:19 von obivan.)
Beitrag #10

obivan Offline
LVF-Neueinsteiger


Beiträge: 8
Registriert seit: Oct 2007

8.00
2005
kA

89335
Deutschland
x-y-Graph
' schrieb:Zeichne die Kanäle mal in ne Datei auf und poste diese!


Angehängte Datei(en)
Sonstige .txt  test.txt (Größe: 178,81 KB / Downloads: 274)
Alle Beiträge dieses Benutzers finden
Diese Nachricht in einer Antwort zitieren to top
30
Antwort schreiben 


Gehe zu: