|
04.01.2008, 19:47
Beitrag #1
|
sumnus
LVF-Grünschnabel

Beiträge: 31
Registriert seit: Nov 2007
9
2006
de
2103
Oesterreich
|
Exportieren von Daten
Hey leute,
hoffe ihr könnt mir wiedermal aus der patsche helfen.
ich würde gerne meine daten exportieren. dazu verwende ich das erste was ich hochgladen habe. so weit ich weiß kann man damit 1 ode 2 dimensionale Zahlen-Arrays exportieren bzw. abspeichern. was ist, und wo finde ich das zweite was ich hochgeladen habe. das hab ich aus einem alten skript von meiner uni gefunden. soweit ich weiß kann man damit string-Arrays exportieren bzw. abspeichern.
Exportieren_von_Arrays.doc (Größe: 29 KB / Downloads: 383)
habt ihr vielleicht eine idee?
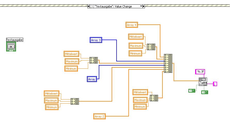
eigentlich möchte ich ja 4 arrays und 12 einzelwerte in ein textfile exportieren. toll wärs wenn ich in diesem Textfile nicht nur die werte dann stehen hätte, sondern auch
z.B. Reaktionszeiten: (und hier steht dann die erste tabelle)
Mittelwert: (ein einzelwert)
Maximum: (zweiter einzelwert)
Aktionszeiten: (zweite tabelle)
usw.
weiß jemand was ich da machen könnte bzw. was ich dazu brauche??
Danke schon mal, mfg. steini
|
|
|
|
|
04.01.2008, 20:38
Beitrag #2
|
sumnus
LVF-Grünschnabel

Beiträge: 31
Registriert seit: Nov 2007
9
2006
de
2103
Oesterreich
|
Exportieren von Daten
ganz kurz (und wahrscheinlich dumme) Fragen:
Weiß jemand was dieses Zeichen ist und wo ich das herbekomme???
Exportieren_von_Arrays.doc (Größe: 71,5 KB / Downloads: 349)
Danke, mfg. sumnus
|
|
|
|
|
04.01.2008, 20:57
Beitrag #3
|
dc6xs
registered alien
   
Beiträge: 762
Registriert seit: Aug 2006
6.1,7.00
2006
kA
79106
Sonstige
|
Exportieren von Daten
Hallo sumnus,
würde Dir ja gerne weiterhelfen, nur mit nem .doc-Dokument kann ich momentan nicht viel anfangen, daher wäre es besser, wenn Du demnächst Screenshots als .png/.jpg über die Bilderhochlade-Funkion des Forums einbindest!
Gruß,
Rob
Bitte Beachten:
Die obenstehenden Texteile können unter Umständen Sarkasmus und Ironie enthalten, für nicht erkannten Sarkasmus oder nicht erkannte Ironie wird keine Haftung übernommen.
N.B.:
"Multiple exclamation marks, " he went on, shaking his head, "are a sure sign of a deseased mind." - Terry Pratchett
|
|
|
|
|
04.01.2008, 21:17
Beitrag #4
|
sumnus
LVF-Grünschnabel

Beiträge: 31
Registriert seit: Nov 2007
9
2006
de
2103
Oesterreich
|
Exportieren von Daten
anbei sind die screenshots
beim ersten würd ich nur gern wissen was das für ein zeichen ist und wo ich es finde
beim zweiten sieht man meine daten, die ich exportieren möchte. bis jetzt sinds lauter arrays. die zu exportieren ist kein problem, aber ich würde gerne strings dazwischen dazu exportieren. wie genau hab ich in meinem Thema: "Exportieren von Daten" beschrieben.
vielleicht ist es jetzt besser verständlich.
mfg. sumnus
|
|
|
|
|
04.01.2008, 21:41
Beitrag #5
|
dc6xs
registered alien
   
Beiträge: 762
Registriert seit: Aug 2006
6.1,7.00
2006
kA
79106
Sonstige
|
Exportieren von Daten
Zu deinem ersten Problem, drück mal STRG+H und fahr dann mit der Maus über das Dir unbekannte VI, dann sollte im kleinen Hilfefenster stehen, welches VI das ist.
Zum zwoten Problem: Warum nicht erst die "ersten" Arrays ins File Schreiben, dann der "Trenn"-String[1], dann zweiten Arrays, etc.. also für jede Gruppe, die Geschrieben werden soll ein Schreib-VI, und nicht erst alles in ein Array zusammenfassen und dann in die Datei jagen..
Gruß, Rob
[1] bei den Strings auch auf eventuell nicht vorhandene Zeilenumbrüche achten.
Bitte Beachten:
Die obenstehenden Texteile können unter Umständen Sarkasmus und Ironie enthalten, für nicht erkannten Sarkasmus oder nicht erkannte Ironie wird keine Haftung übernommen.
N.B.:
"Multiple exclamation marks, " he went on, shaking his head, "are a sure sign of a deseased mind." - Terry Pratchett
|
|
|
|
|
04.01.2008, 21:57
Beitrag #6
|
jg
CLA & CLED
Beiträge: 15.864
Registriert seit: Jun 2005
20xx / 8.x
1999
EN
Franken...
Deutschland
|
Exportieren von Daten
Erst mal
Wie auch schon im anderen Thread gesagt, Screenshots bitte als Bilder, net als Word-Dokument hochladen (igitt).
Jetzt etwas zur Frage:
Was du brauchst, sind einerseits String-Funktionen (schau mal die String-Palette, da findest du Funktionen zum Umwandeln von Zahlen nach String und zum Zusammenfügen von Strings) und dann eigentlich nur noch die WriteToFile-Funktion aus der File-Palette.
MfG, Jens
Wer die erhabene Weisheit der Mathematik tadelt, nährt sich von Verwirrung. (Leonardo da Vinci)
!! BITTE !! stellt mir keine Fragen über PM, dafür ist das Forum da - andere haben vielleicht auch Interesse an der Antwort!
Einführende Links zu LabVIEW, s. GerdWs Signatur.
|
|
|
|
|
06.01.2008, 16:23
Beitrag #8
|
sumnus
LVF-Grünschnabel

Beiträge: 31
Registriert seit: Nov 2007
9
2006
de
2103
Oesterreich
|
Exportieren von Daten
aber die write to file funktion geht doch nur bei zahlen, oder?
kann ich das irgendwie ändern?
mfg. steini
|
|
|
|
06.01.2008, 16:25
(Dieser Beitrag wurde zuletzt bearbeitet: 06.01.2008 16:25 von Y-P.)
Beitrag #9
|
Y-P
☻ᴥᴥᴥ☻ᴥᴥᴥ☻
Beiträge: 12.612
Registriert seit: Feb 2006
Developer Suite Core -> LabVIEW 2015 Prof.
2006
EN
71083
Deutschland
|
Exportieren von Daten
Hallo,
Zum Zweiten:
Schreiben kannst Du (String-)Arrays doch mit "Write to Spreadsheet-File" oder "Write to binary File".
Zum Ersten:
Das hat wohl auch die Funktion String-Arrays zu schreiben, wurde aber wohl jetzt in den neueren LabVIEW-Versionen durch "Write to Spreadsheet-File" abgelöst. Mir sagt das nichts....
Gruß Markus
' schrieb:zum ersten. ich kann leider nicht anzeigen was das ist, weil ich es nur aus einem word-document ausgeschnitten habe. ich hab mir gedacht irgendjemand hier müsste das doch schon mal gesehen haben.
und zum zweiten. ich versteh leider nicht genau was du meinst. ich kann nicht unterschiedliche datentypen in einem array eportieren. ich kann leider nicht einmal string arrays exportieren weil ich nicht weiß wie das geht. ich kann nur zahlen arrays exportieren, aber dann kann ich halt nichts reinschreiben.
es wäre schon cool, wenn ich meine zahlenwerte in strings umwandeln könnte. nur dann müsst ich auch noch erfahren wie ich ein string array exportieren, bzw. extern abspeichere.
ich komm einfach nicht drauf.
könnte mir da bitte jemand helfen. super wärs, wenn ihr mir die vi-namen oder sogar screenshots von den sachen schickt die ich dazu brauche. das wäre echt cool.
danke, mfg. sumnus
--------------------------------------------------------------------------
Bitte stellt mir keine Fragen über PM, dafür ist das Forum da - andere haben vielleicht auch Interesse an der Antwort !!
--------------------------------------------------------------------------
|
|
|
|
06.01.2008, 16:28
(Dieser Beitrag wurde zuletzt bearbeitet: 06.01.2008 16:30 von Y-P.)
|
Y-P
☻ᴥᴥᴥ☻ᴥᴥᴥ☻
Beiträge: 12.612
Registriert seit: Feb 2006
Developer Suite Core -> LabVIEW 2015 Prof.
2006
EN
71083
Deutschland
|
Exportieren von Daten
.......... und noch was:
Ich habe die Themen verbunden, weil Doppelposts hier gar nicht gerne gesehen werden. Beim nächsten Mal bitte nur einmal posten.
Gruß Markus
' schrieb:Hallo,
Zum Zweiten:
Schreiben kannst Du (String-)Arrays doch mit "Write to Spreadsheet-File" oder "Write to binary File".
Zum Ersten:
Das hat wohl auch die Funktion String-Arrays zu schreiben, wurde aber wohl jetzt in den neueren LabVIEW-Versionen durch "Write to Spreadsheet-File" abgelöst. Mir sagt das nichts....
Gruß Markus
--------------------------------------------------------------------------
Bitte stellt mir keine Fragen über PM, dafür ist das Forum da - andere haben vielleicht auch Interesse an der Antwort !!
--------------------------------------------------------------------------
|
|
|
|
| |