INFO: Dieses Forum nutzt Cookies...
Cookies sind für den Betrieb des Forums unverzichtbar. Mit der Nutzung des Forums erklärst Du dich damit einverstanden, dass wir Cookies verwenden.

Es wird in jedem Fall ein Cookie gesetzt um diesen Hinweis nicht mehr zu erhalten. Desweiteren setzen wir Google Adsense und Google Analytics ein.


Antwort schreiben 

LV 6.0.1 auf LV8.2.1



Wenn dein Problem oder deine Frage geklärt worden ist, markiere den Beitrag als "Lösung",
indem du auf den "Lösung" Button rechts unter dem entsprechenden Beitrag klickst. Vielen Dank!

07.11.2007, 14:28
Beitrag #1

Mamado Offline
LVF-Gelegenheitsschreiber
**


Beiträge: 50
Registriert seit: Nov 2007

8.2.1
2007
kA


Deutschland
LV 6.0.1 auf LV8.2.1
Hallo Zusammen,

ich bin einsteiger was LV progrmmierung angeht und versuche jetzt ein Programm der mit 6.0.1 geschrieben ist auf 8.2.1 zu konvertieren hab aber viele fehlermeldungen die ich nicht verstehe hoffe das ihr mir helfen könnt.
ich poste mal die Warnungen und Fehlermeldungen hier.
diese Programm lief aud eine alte rechner jetzt soll auf eine neue rechner laufen,hab die pci mit AD karte umgebaut und konfig nun das programm läuft nicht

Danke,


Angehängte Datei(en)
Sonstige .txt  Warnings.txt (Größe: 2,17 KB / Downloads: 339)

Sonstige .txt  Fehlermeldung.txt (Größe: 171 Bytes / Downloads: 282)

Sonstige .txt  Warnings.txt (Größe: 2,17 KB / Downloads: 229)
Alle Beiträge dieses Benutzers finden
Diese Nachricht in einer Antwort zitieren to top
Anzeige
07.11.2007, 16:14
Beitrag #2

VDB Offline
LVF-Stammgast
***


Beiträge: 426
Registriert seit: Oct 2005

2010-2011
1997
kA

52134
Deutschland
LV 6.0.1 auf LV8.2.1
Auf jeden Fall scheinen diese Dateien zu fehlen:

[code]Blockdiagrammfehler
Alle Beiträge dieses Benutzers finden
Diese Nachricht in einer Antwort zitieren to top
07.11.2007, 16:28
Beitrag #3

Mamado Offline
LVF-Gelegenheitsschreiber
**


Beiträge: 50
Registriert seit: Nov 2007

8.2.1
2007
kA


Deutschland
LV 6.0.1 auf LV8.2.1
[quote='']Auf jeden Fall scheinen diese Dateien zu fehlen:

[code]Blockdiagrammfehler
Alle Beiträge dieses Benutzers finden
Diese Nachricht in einer Antwort zitieren to top
08.11.2007, 09:42
Beitrag #4

Mamado Offline
LVF-Gelegenheitsschreiber
**


Beiträge: 50
Registriert seit: Nov 2007

8.2.1
2007
kA


Deutschland
LV 6.0.1 auf LV8.2.1
Guten Morgen zusammen,

Ich hab jetzt alle fehler beseitigt,beim ausführen bekommen ich die Meldung:Fehler 7 trat auf bei Open File+.vi:Open File.

Mögliche Gründe:

LabVIEW:Datei nicht gefunden

Oder

NI-488:Karte existiert nicht.

ich kann leider damit nichts anfangen
kann mir eine helfen

danke
Alle Beiträge dieses Benutzers finden
Diese Nachricht in einer Antwort zitieren to top
08.11.2007, 09:51
Beitrag #5

VDB Offline
LVF-Stammgast
***


Beiträge: 426
Registriert seit: Oct 2005

2010-2011
1997
kA

52134
Deutschland
LV 6.0.1 auf LV8.2.1
' schrieb:Guten Morgen zusammen,

Ich hab jetzt alle fehler beseitigt,beim ausführen bekommen ich die Meldung:Fehler 7 trat auf bei Open File+.vi:Open File.

Mögliche Gründe:

LabVIEW:Datei nicht gefunden

Oder

NI-488:Karte existiert nicht.

ich kann leider damit nichts anfangen
kann mir eine helfen

danke

Das ist kein LabVIEW Fehler mehr, da wird versucht eine benutzerspezifische Datei zu öffnen. Da musst du mal schauen welche Datei genau.

VDB
Alle Beiträge dieses Benutzers finden
Diese Nachricht in einer Antwort zitieren to top
08.11.2007, 10:00 (Dieser Beitrag wurde zuletzt bearbeitet: 02.12.2007 14:58 von jg.)
Beitrag #6

Mamado Offline
LVF-Gelegenheitsschreiber
**


Beiträge: 50
Registriert seit: Nov 2007

8.2.1
2007
kA


Deutschland
LV 6.0.1 auf LV8.2.1
' schrieb:Das ist kein LabVIEW Fehler mehr, da wird versucht eine benutzerspezifische Datei zu öffnen. Da musst du mal schauen welche Datei genau.

VDB

Es ist die Datei wo die messung gespeichert werden sollen,ich hab diese ordner richtig gelegt in CMessdaten ich poste mal das VI für den pfad:

(VI LV 6.0)


Angehängte Datei(en)
Sonstige .vi  Pfadeingabe.vi (Größe: 31,99 KB / Downloads: 203)
Alle Beiträge dieses Benutzers finden
Diese Nachricht in einer Antwort zitieren to top
Anzeige
08.11.2007, 10:19
Beitrag #7

VDB Offline
LVF-Stammgast
***


Beiträge: 426
Registriert seit: Oct 2005

2010-2011
1997
kA

52134
Deutschland
LV 6.0.1 auf LV8.2.1
Wie wird die Datei denn geöffnet?

open
replace
create
open or create
replace or create
replace or create with confirmation

im ersten Fall würdest du die Fehlermeldung kriegen, da die Datei noch nicht existiert. Am besten "open or create" benutzen.

VDB
Alle Beiträge dieses Benutzers finden
Diese Nachricht in einer Antwort zitieren to top
08.11.2007, 10:30 (Dieser Beitrag wurde zuletzt bearbeitet: 08.11.2007 13:09 von Y-P.)
Beitrag #8

Mamado Offline
LVF-Gelegenheitsschreiber
**


Beiträge: 50
Registriert seit: Nov 2007

8.2.1
2007
kA


Deutschland
LV 6.0.1 auf LV8.2.1
' schrieb:Wie wird die Datei denn geöffnet?

open
replace
create
open or create
replace or create
replace or create with confirmation

im ersten Fall würdest du die Fehlermeldung kriegen, da die Datei noch nicht existiert. Am besten "open or create" benutzen.

VDB
ich Poste den Programm Hier ist aber mit 6.0.2

ANMERKUNG: Der VI-Anhang wurde auf Wunsch des Post-Verfassers nachträglich entfernt! Gruß Markus (Y-P)
Alle Beiträge dieses Benutzers finden
Diese Nachricht in einer Antwort zitieren to top
08.11.2007, 11:11
Beitrag #9

VDB Offline
LVF-Stammgast
***


Beiträge: 426
Registriert seit: Oct 2005

2010-2011
1997
kA

52134
Deutschland
LV 6.0.1 auf LV8.2.1
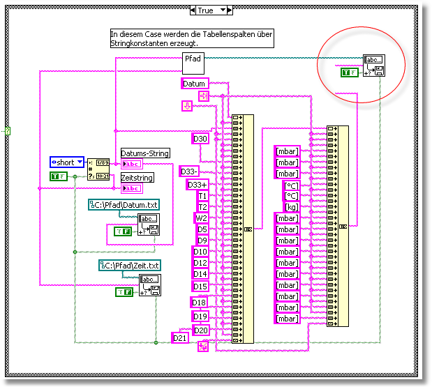
Hier:

   

muss das True auf False gesetzt werden, dann sollte es klappen.

VDB
Alle Beiträge dieses Benutzers finden
Diese Nachricht in einer Antwort zitieren to top
08.11.2007, 12:03
Beitrag #10

Mamado Offline
LVF-Gelegenheitsschreiber
**


Beiträge: 50
Registriert seit: Nov 2007

8.2.1
2007
kA


Deutschland
LV 6.0.1 auf LV8.2.1
' schrieb:Hier:

[attachment=36512:Clip1.png]

muss das True auf False gesetzt werden, dann sollte es klappen.

VDB


klappt leider nicht
Alle Beiträge dieses Benutzers finden
Diese Nachricht in einer Antwort zitieren to top
30
Antwort schreiben 


Gehe zu: