INFO: Dieses Forum nutzt Cookies...
Cookies sind für den Betrieb des Forums unverzichtbar. Mit der Nutzung des Forums erklärst Du dich damit einverstanden, dass wir Cookies verwenden.

Es wird in jedem Fall ein Cookie gesetzt um diesen Hinweis nicht mehr zu erhalten. Desweiteren setzen wir Google Adsense und Google Analytics ein.


Antwort schreiben 

RS232 Ereignissgesteuert



Wenn dein Problem oder deine Frage geklärt worden ist, markiere den Beitrag als "Lösung",
indem du auf den "Lösung" Button rechts unter dem entsprechenden Beitrag klickst. Vielen Dank!

06.12.2006, 09:36
Beitrag #1

stephan0607 Offline
LVF-Neueinsteiger


Beiträge: 3
Registriert seit: Oct 2006

7.2 und 2011
2002
EN

40885
Deutschland
RS232 Ereignissgesteuert
Hallo,

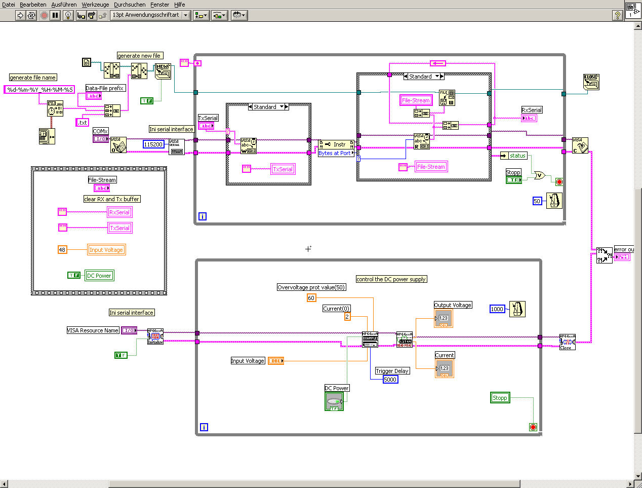
ich möchte gerne die serielle Schnittstelle permanant abfragen und ab und zu auch etwas darauf senden und parallel dazu auch eine Meßgerät über VISA GPIB ansteuern.
Leider funktioniert das nicht so richtigt. Die Kommunikation mit dem GPIB Gerät funktioniert, aber die Komunikation mit dem seriellen Gerät funktioniert nur manchmal oder gar nicht. Ich habe schon ein wenig mit den verzögerungen gearbearbeitet. Aber wirklich viel hat es nicht gebracht.
Nun meine Fragen.
Hat einer eine Idee was in dem vi falsch ist?
Macht es Sinn die Abfrage der seriellen Schnittstelle über eine Ereignisgesteuerte Schleife laufen zu lassen?
Hat einer ein Beispiel zu einer Ereignisgesteuerten abfrage der seriellen Schnittstelle.

Vorab schon mal vielen Dank

Gruß
Stephan        
Alle Beiträge dieses Benutzers finden
Diese Nachricht in einer Antwort zitieren to top
Anzeige
06.12.2006, 10:34
Beitrag #2

eg Offline
LVF-SeniorMod


Beiträge: 3.868
Registriert seit: Nov 2005

2016
2003
kA

66111
Deutschland
RS232 Ereignissgesteuert
Zwei Sachen sind mir gleich aufgefallen:

was ist es für ein Case "Standard"? Ich kenne nur "Default"

Die Variable "File Stream" wird nicht zum eindeutigen Zeitpunkt geleert(Race Conditions). Da muss man was anderes überlegen.

Gruss, Eugen


Angehängte Datei(en) Thumbnail(s)
   

Webseite des Benutzers besuchen Alle Beiträge dieses Benutzers finden
Diese Nachricht in einer Antwort zitieren to top
06.12.2006, 10:52
Beitrag #3

maze Offline
LVF-Gelegenheitsschreiber
**


Beiträge: 85
Registriert seit: Sep 2006

8.0
2006
kA


Deutschland
RS232 Ereignissgesteuert
ich hab gedacht, dass 'Standard' in der deutschen Ausgabe genau 'Default' ist. Mich haben diese Standard dinger aber auch verwundert und besonders bie der zweiten Case. Wenn ich bei mir einer Casestructure einen Zahlenwert zuweise als Case, dann muss man doch auch eine zahl nenne. Also genau die zahl Bytes, die du auslesen willst. Wenn jetzt eine andere Anzahl Bytes am Port anliegt, kommt die Casestructure meiner Ansicht nach nicht zurecht.
Mein Vorschlag wäre, vor die Read Casestructure eine warteschleife einzusetzen, die wartet bis deine gewünsche Bytezahl am port anliegt.
außerdem dachte ich, man konfiguriert den port erst bevor man den open block anspricht.
Alle Beiträge dieses Benutzers finden
Diese Nachricht in einer Antwort zitieren to top
Antwort schreiben 


Gehe zu: