INFO: Dieses Forum nutzt Cookies...
Cookies sind für den Betrieb des Forums unverzichtbar. Mit der Nutzung des Forums erklärst Du dich damit einverstanden, dass wir Cookies verwenden.

Es wird in jedem Fall ein Cookie gesetzt um diesen Hinweis nicht mehr zu erhalten. Desweiteren setzen wir Google Adsense und Google Analytics ein.


Antwort schreiben 

Array indizieren



Wenn dein Problem oder deine Frage geklärt worden ist, markiere den Beitrag als "Lösung",
indem du auf den "Lösung" Button rechts unter dem entsprechenden Beitrag klickst. Vielen Dank!

14.06.2006, 13:42
Beitrag #1

sneube Offline
LVF-Gelegenheitsschreiber
**


Beiträge: 53
Registriert seit: Mar 2006

7.1
2006
kA


Deutschland
Array indizieren
Hallo,
ich habe ein Problem mit Arrays.
Aus einer Messwertaufnahme erhalte ich ein Array mit 401 Feldern, in jedem Feld steht ein Messwert.
Aus einer Berechnung erhalte ich ein Array mit 9 Feldern, in jedem Feld steht eine Zahl zwischen 0 und 401. Diese sollen nachher die Indices des grossen Arrays sein.
Nun soll in einem dritten Array folgendes ausgegeben werden:

- die Werte des kleinen Array sind die Indices des grossen Arrays
- für jeden Index, der im kleinen Array steht, soll aus dem grossen Array der Messwert ausgegeben werden.

zB:
steht an erster Stelle des kleinen Arrays der Wert 50, bedeutet das, dass der 50. Wert des grossen Arrays ausgegeben werden soll.

Vielen dank im voraus
Stefan
Alle Beiträge dieses Benutzers finden
Diese Nachricht in einer Antwort zitieren to top
Anzeige
14.06.2006, 13:49
Beitrag #2

Kvasir Offline
LVF-Freak
****


Beiträge: 642
Registriert seit: May 2006

10
2004
DE_EN

0000
Oesterreich
Array indizieren
So kannst du das realisieren


Angehängte Datei(en) Thumbnail(s)
   

A few weeks of developement and testing can save a WHOLE afternoon in the library!
Alle Beiträge dieses Benutzers finden
Diese Nachricht in einer Antwort zitieren to top
14.06.2006, 14:22 (Dieser Beitrag wurde zuletzt bearbeitet: 14.06.2006 14:28 von sneube.)
Beitrag #3

sneube Offline
LVF-Gelegenheitsschreiber
**


Beiträge: 53
Registriert seit: Mar 2006

7.1
2006
kA


Deutschland
Array indizieren
Hallo Kvasir,
vielen Dank für deine Hilfe.
Leider funktioniert die Sache bei mir nícht so.
Das liegt wohl daran, dass die Arrays mit Hilfe von Schieberegistern erstellt werden. Bei der ersten Ausführen erhalte ich ein Array mit Achtmal den Wert Null, führe ich das Programm ein zweites Mal aus, werden 16 Mal Werte in das Array reingeschrieben, die aber nicht mit dem grossen Array übereinstimmen. irgendwie stimmt die Synchronisation nicht.
Grüße
Stefan


Angehängte Datei(en) Thumbnail(s)
       
Alle Beiträge dieses Benutzers finden
Diese Nachricht in einer Antwort zitieren to top
14.06.2006, 14:23
Beitrag #4

tobey Offline
LVF-Grünschnabel
*


Beiträge: 27
Registriert seit: Apr 2006

LabVIEW 7.1 Englisch
2006
kA


Deutschland
Array indizieren
Sollte man nicht der Vollständigkeitshalber der For-Schleife die Anzahl der Durchläufe angeben (auch wenn das nicht notwendig ist)?
' schrieb:So kannst du das realisieren
Alle Beiträge dieses Benutzers finden
Diese Nachricht in einer Antwort zitieren to top
14.06.2006, 14:34
Beitrag #5

Achim Offline
*****
*****


Beiträge: 4.226
Registriert seit: Nov 2005

20xx
2000
EN

978xx
Deutschland
Array indizieren
Hi,

mal abgesehen davon, dass das tatsächlich unnötig ist (und damit auch Quatsch!): Das ist ja nur ein Beispiel, im realen Programm ist das ja kein statisches Array, sonder je nach Programmzustand werden da vermutlich unterschiedlich große Arrays "angeliefert" (z.b. aus nem übergeordneten VI)!

Gruss
Achim

"Is there some mightier sage, of whom we have yet to learn?"

"Opportunity is missed by most people because it is dressed in overalls and looks like work." (Thomas Edison)
Alle Beiträge dieses Benutzers finden
Diese Nachricht in einer Antwort zitieren to top
14.06.2006, 14:39
Beitrag #6

sneube Offline
LVF-Gelegenheitsschreiber
**


Beiträge: 53
Registriert seit: Mar 2006

7.1
2006
kA


Deutschland
Array indizieren
Die Anzahl der Durchgänge der for - Schleifen ergeben sich ja dadurch, wieviel Messwerte aufgenommen wurden und welche bzw wieviele Messwerte ausgegeben werden sollen.
Wenn jemand einen Vorschlag hat, wie ich anderweitig ein Array erstellen kann, wäre ich dafür sehr dankbar.
Grüße
Stefan
Alle Beiträge dieses Benutzers finden
Diese Nachricht in einer Antwort zitieren to top
Anzeige
14.06.2006, 14:48
Beitrag #7

Kvasir Offline
LVF-Freak
****


Beiträge: 642
Registriert seit: May 2006

10
2004
DE_EN

0000
Oesterreich
Array indizieren
@tobey: Genau das ist der Vorteil der For Shleife bei Arrays. Du musst die Anzahl nicht angeben und kannst alle Einträge bearbeiten, auch wenn dir die Länge des Arrays gar nicht bekannt ist.


@sneube: Dein Problem ist, dass dein großer Array ein mehrdimensionaler Array ist. Was genau soll denn die For Schleife erwirken, in der du deinen großen Array erzeugst. So wie du sie nun hast erzeugt sie einen N- dimensionalen Array.

A few weeks of developement and testing can save a WHOLE afternoon in the library!
Alle Beiträge dieses Benutzers finden
Diese Nachricht in einer Antwort zitieren to top
14.06.2006, 14:53 (Dieser Beitrag wurde zuletzt bearbeitet: 14.06.2006 14:55 von Achim.)
Beitrag #8

Achim Offline
*****
*****


Beiträge: 4.226
Registriert seit: Nov 2005

20xx
2000
EN

978xx
Deutschland
Array indizieren
Hi,

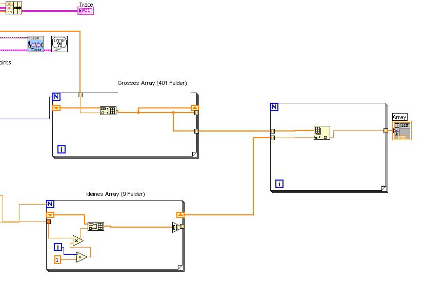
das Problem ist hier: Du erzeugst ein 2D-Array (doppelte Linie), und das wird dann aufgespalten, außerdem läuft die hintere FOR-Schleife sooft, wie das 1D-Array Elemente hat (bei zwei angeschlossenen Arrays wird nämlich immer die kleinere Anzahl Elemente bearbeitet - so als ob du am "N" eine Zahl angibst, die kleiner ist wie die Anzahl der Element im Array).

Außerdem musst du zum zusammenfügen der Array keine separate Schleife verwenden, du musst das "Array erstellen" nur umschalten auf "Arrays verketten" (Concatenate Array).

Hier mal ein Bild:

   


Gruss
Achim

"Is there some mightier sage, of whom we have yet to learn?"

"Opportunity is missed by most people because it is dressed in overalls and looks like work." (Thomas Edison)
Alle Beiträge dieses Benutzers finden
Diese Nachricht in einer Antwort zitieren to top
14.06.2006, 14:55
Beitrag #9

sneube Offline
LVF-Gelegenheitsschreiber
**


Beiträge: 53
Registriert seit: Mar 2006

7.1
2006
kA


Deutschland
Array indizieren
Hallo Kvasir,
das große Array sind Leistungspegel aus einem Spektrumanalysator.
Der Spektrumanalysator liefert mir in einem Frequenzbereich, den ich vorher angeben kann, ein Array mit 401 Feldern, bei dem jedes Feld ein Leistungspegel ist.
Die Leistungspegel werden vom Spektrumanalysator in einem Cluster ausgegeben. Ich kann auf die Werte aus dem Cluster nur zugreifen, wenn ich die Werte mit der for - Schleife in das Array schreibe.
Grüße
stefan
Alle Beiträge dieses Benutzers finden
Diese Nachricht in einer Antwort zitieren to top
14.06.2006, 14:55 (Dieser Beitrag wurde zuletzt bearbeitet: 14.06.2006 15:04 von tobey.)
Beitrag #10

tobey Offline
LVF-Grünschnabel
*


Beiträge: 27
Registriert seit: Apr 2006

LabVIEW 7.1 Englisch
2006
kA


Deutschland
Array indizieren
Das ist mir schon klar, aber ich kann mir ja die Länge des Array ohne Probleme berechnen lassen, und somit muss mir die Länge des Arrays davor auch nicht bekannt sein! Und ich bleibe so mit auch dynamisch!!!
(also keine direkter Quatsch!, sondern eher doppelt gemoppelt *g*)
Und ich wollt ja nur wissen ob das nicht gegen irgendwelchen Style-Guides verstößt...

So hab jetzt etwas rumgestöbert und herausgefunden, dass das so voll und ganz legitim ist und meine Variante nur übertriebene Sicherheit wäreRolleyes

' schrieb:@tobey: Genau das ist der Vorteil der For Shleife bei Arrays. Du musst die Anzahl nicht angeben und kannst alle Einträge bearbeiten, auch wenn dir die Länge des Arrays gar nicht bekannt ist.
@sneube: Dein Problem ist, dass dein großer Array ein mehrdimensionaler Array ist. Was genau soll denn die For Schleife erwirken, in der du deinen großen Array erzeugst. So wie du sie nun hast erzeugt sie einen N- dimensionalen Array.
Alle Beiträge dieses Benutzers finden
Diese Nachricht in einer Antwort zitieren to top
Antwort schreiben 


Möglicherweise verwandte Themen...
Themen Verfasser Antworten Views Letzter Beitrag
  in Schleife indizieren maxxillian 5 6.552 23.09.2016 09:26
Letzter Beitrag: jg
  Array Indizieren - Teilarray ersetzen durch Kommawerte stromflo 19 19.561 26.05.2010 15:31
Letzter Beitrag: dimitri84
  Letztes Element aus einem Array indizieren TSC 7 11.514 25.11.2008 13:17
Letzter Beitrag: TSC
  Cluster indizieren jeffrey 10 13.509 30.11.2007 15:16
Letzter Beitrag: jeffrey
  Cluster indizieren uwe 2 5.155 16.06.2005 13:27
Letzter Beitrag: uwe

Gehe zu: