INFO: Dieses Forum nutzt Cookies...
Cookies sind für den Betrieb des Forums unverzichtbar. Mit der Nutzung des Forums erklärst Du dich damit einverstanden, dass wir Cookies verwenden.

Es wird in jedem Fall ein Cookie gesetzt um diesen Hinweis nicht mehr zu erhalten. Desweiteren setzen wir Google Adsense und Google Analytics ein.


Antwort schreiben 

Daten erfassen und speichern



Wenn dein Problem oder deine Frage geklärt worden ist, markiere den Beitrag als "Lösung",
indem du auf den "Lösung" Button rechts unter dem entsprechenden Beitrag klickst. Vielen Dank!

07.08.2011, 12:43 (Dieser Beitrag wurde zuletzt bearbeitet: 14.08.2011 10:38 von Dennis.Moser.)
Beitrag #1

johnny_blaze Offline
LVF-Neueinsteiger


Beiträge: 6
Registriert seit: Jun 2011

2009
2011
EN

9470
Schweiz
Daten erfassen und speichern
Hallo

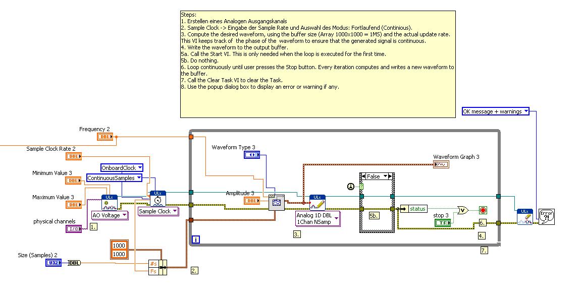
Ich muss mit einer I/O Karte über einen Analogausgang eine Wechselpannung von +-10V ausgeben. (Funktionsgenerator 1Hz bis 10kHz - Bild 2). Schaltung von 2 Kondensatoren -> Einer ist unbekannt. Dann kann ich eine Ferroelektrische Hysteresekurve (Bild 3) auf einem X-Y Graph anzeigen wenn ich Spannung X (C1) und Spannung Y (C2) mit der Datenerfassungskarte wieder erfasse.

Kurzer Beschrieb Programm (Bild 1):
-Ausserhalb des äussersten Case links: 2 Eingangskanäle erfassen
-Oben links: for-Schleife Erfassung 10x eine Periode = 10 Schwingungen (2 Sinussignale)
-Unten links: Berechnungen (werden noch optimiert - nicht relevant)
-Oben rechts: Speicherung der Daten (zwei Spalten) mit Header

Fragen:

1) Da immer 10 Schwingungen gemessen werden und sich die Frequenz ändert erhalte ich jedes Mal eine andere Anzahl Messwerte. Möglichkeit damit ich immer gleiche Anzahl habe?

2) Ich möchte das Signal gerne linearisieren aber wie kann ich dies bei einer Hystereseschleife machen? (normale Fitting VIs machen nur eine Linie pro Quadrant)

3) Wie kann ich Start der Messung steuern um immer bei 0Grad zu starten (Nulllinie)?

4) Signal 1 ist auf der Nullinie aber Signal 2 ist immer unterhalb der Nullinie anstelle auf der Nulllinie. Kann mir jemand sagen wieso dies so ist?

Ich habe die Grösse bereits bestmöglichst reduziert. Besser gings leider nicht.


Freundliche Grüsse

Kevin

Lv09_img2


Angehängte Datei(en) Thumbnail(s)
           

2009 .vi  Messung P-E 3.vi (Größe: 200,72 KB / Downloads: 405)
Alle Beiträge dieses Benutzers finden
Diese Nachricht in einer Antwort zitieren to top
Anzeige
12.08.2011, 12:32 (Dieser Beitrag wurde zuletzt bearbeitet: 12.08.2011 12:34 von johnny_blaze.)
Beitrag #2

johnny_blaze Offline
LVF-Neueinsteiger


Beiträge: 6
Registriert seit: Jun 2011

2009
2011
EN

9470
Schweiz
RE: Daten erfassen und speichern
(07.08.2011 12:43 )johnny_blaze schrieb:  4) Signal 1 ist auf der Nullinie aber Signal 2 ist immer unterhalb der Nullinie anstelle auf der Nulllinie. Kann mir jemand sagen wieso dies so ist?

Zu Punkt 4) Nach einigen Abklärungen mit der Firma Meilhaus Electronics haben wir rausgefunden, dass der DC Offset durch den internen Aufbau der Hardware (Eingangstransistor arbeitet nicht optimal bei zu niedrigem Stromfluss) hervorgerufen wird. Die Lösung ist ein 1MOhm Potentiometer zwischen den Analog In (mit DC Offset) und dem +5V DC Output anzuschliessen und diesen einzustellen bis der DC Offset eliminiert ist.
Alle Beiträge dieses Benutzers finden
Diese Nachricht in einer Antwort zitieren to top
30
Antwort schreiben 


Möglicherweise verwandte Themen...
Themen Verfasser Antworten Views Letzter Beitrag
  Daten ausgeben, erfassen und speichern johnny_blaze 5 8.195 07.08.2011 19:14
Letzter Beitrag: jg

Gehe zu: