INFO: Dieses Forum nutzt Cookies...
Cookies sind für den Betrieb des Forums unverzichtbar. Mit der Nutzung des Forums erklärst Du dich damit einverstanden, dass wir Cookies verwenden.

Es wird in jedem Fall ein Cookie gesetzt um diesen Hinweis nicht mehr zu erhalten. Desweiteren setzen wir Google Adsense und Google Analytics ein.


Antwort schreiben 

Dieses Thema hat akzeptierte Lösungen:

Probleme mit Messwertaufzeichnung



Wenn dein Problem oder deine Frage geklärt worden ist, markiere den Beitrag als "Lösung",
indem du auf den "Lösung" Button rechts unter dem entsprechenden Beitrag klickst. Vielen Dank!

23.07.2013, 09:44
Beitrag #1

Sebo Offline
LVF-Grünschnabel
*


Beiträge: 33
Registriert seit: Mar 2013

2012
2013
DE



Probleme mit Messwertaufzeichnung
Hallo zusammen,

ich bin kompletter LV Neuling und habe auch wenig Programmiererfahrung. Ich wurde auf die Labview Core 1 Schulung geschickt um bei mir in der Arbeit eine Messwertaufzeichnung zu programmieren mit LV.

Ich soll 4x Temperatur erfassen über ein NI 9211 Modul.

Jetzt habe ich schon ein VI angefertigt und es funktioniert soweit schon ganz gut, doch das Problem ist sobald ich eine WHILE-Schleife gestoppt habe kann ich sie nicht wieder starten ohne das gesamte VI anzuhalten.

Kann mir bitte jemand weiterhelfen?

   
   
   
Alle Beiträge dieses Benutzers finden
Diese Nachricht in einer Antwort zitieren to top
Anzeige
23.07.2013, 09:57
Beitrag #2

jg Offline
CLA & CLED
LVF-Team

Beiträge: 15.864
Registriert seit: Jun 2005

20xx / 8.x
1999
EN

Franken...
Deutschland
RE: Probleme mit Messwertaufzeichnung
Hat man dir in Core-1 nicht das Datenflussprinzip eingebläut?

Du erzeugst einen AI-Task mit den 4 Temperaturen.

Diesen EINE Task-Ref leitest du jetzt an 4 parallele Erfassungsschleifen weiter.
Sobald eine diese Schleifen gestartet und danach gestoppt wurde, kommt ein Clear-Task, somit der DAQmx-Task beendet und zerstört.
Nochmal starten geht natürlich bei dieser Konstellation nach Neustart des VI.

Mehrere Event-Strukturen parallel solltest du ebenfalls unbedingt vermeiden, s. hierzu die Hinweise zur Verwendung der Event-Struktur in der LV-Hilfe.

Gruß, Jens

Wer die erhabene Weisheit der Mathematik tadelt, nährt sich von Verwirrung. (Leonardo da Vinci)

!! BITTE !! stellt mir keine Fragen über PM, dafür ist das Forum da - andere haben vielleicht auch Interesse an der Antwort!

Einführende Links zu LabVIEW, s. GerdWs Signatur.
Alle Beiträge dieses Benutzers finden
Diese Nachricht in einer Antwort zitieren to top
23.07.2013, 10:26 (Dieser Beitrag wurde zuletzt bearbeitet: 23.07.2013 11:26 von Y-P.)
Beitrag #3

Sebo Offline
LVF-Grünschnabel
*


Beiträge: 33
Registriert seit: Mar 2013

2012
2013
DE



RE: Probleme mit Messwertaufzeichnung
(23.07.2013 09:57 )jg schrieb:  Hat man dir in Core-1 nicht das Datenflussprinzip eingebläut?

Du erzeugst einen AI-Task mit den 4 Temperaturen.

Diesen EINE Task-Ref leitest du jetzt an 4 parallele Erfassungsschleifen weiter.
Sobald eine diese Schleifen gestartet und danach gestoppt wurde, kommt ein Clear-Task, somit der DAQmx-Task beendet und zerstört.
Nochmal starten geht natürlich bei dieser Konstellation nach Neustart des VI.

Mehrere Event-Strukturen parallel solltest du ebenfalls unbedingt vermeiden, s. hierzu die Hinweise zur Verwendung der Event-Struktur in der LV-Hilfe.

Gruß, Jens
Vielen Dank für deine schnelle Antwort.

Wie schon gesagt ich bin aboluter LV Neuling und hab vorher auch noch nie mit ähnlichen Programmen gearbeitet und schon eine Ewigkeit gebraucht bis
ich das so überhaupt zusammenbekommen habe.

Was muss ich machen um das Datenflussprinzip zu beachten?

Ich muss diese 4 Temperaturen ja in einen Task packen sonst kommt ja ständig der Fehler mit dieser Reservierung eines Tasks.

Das Problem mit den Eventstrukturen ist mir bewusst nur mir fehlt das Wissen um es anders zu machen.
Alle Beiträge dieses Benutzers finden
Diese Nachricht in einer Antwort zitieren to top
23.07.2013, 10:32 (Dieser Beitrag wurde zuletzt bearbeitet: 23.07.2013 10:34 von GerdW.)
Beitrag #4

GerdW Offline
______________
LVF-Team

Beiträge: 17.533
Registriert seit: May 2009

LV2019 (LV2021)
1995
DE_EN

10×××
Deutschland
RE: Probleme mit Messwertaufzeichnung
Hallo Sebo,

- ein DAQmx-Task = eine Schleife, in der die Daten mit DAQmxRead abgefragt werden.
- du brauchst nur einen Startknopf, um einen DAQmx-Task zu starten. Ein Knopf, eine Eventstruktur.
- um Werte in einem Array zu indizieren, nimmt man IndexArray und nicht SplitSignal
- Offsets etc. lassen sich als DAQmx-Skalierung konfigurieren...
- man kann mehrere Kanäle mit einmal zum Task hinzufügen, wenn man die Channel-Referenz richtig vorgibt. Einfach mal die Hilfe dazu lesen...
- verzichte soweit wie möglich auf ExpressVIs und den DDT-Datentyp, das erleichtert das Verständnis ungemein...

Alle Beiträge dieses Benutzers finden
Diese Nachricht in einer Antwort zitieren to top
23.07.2013, 10:57
Beitrag #5

Sebo Offline
LVF-Grünschnabel
*


Beiträge: 33
Registriert seit: Mar 2013

2012
2013
DE



RE: Probleme mit Messwertaufzeichnung
Hättet ihr vielleicht einen Tipp wie es aussehen müsste?
Alle Beiträge dieses Benutzers finden
Diese Nachricht in einer Antwort zitieren to top
23.07.2013, 11:28
Beitrag #6

Y-P Offline
☻ᴥᴥᴥ☻ᴥᴥᴥ☻
LVF-Team

Beiträge: 12.612
Registriert seit: Feb 2006

Developer Suite Core -> LabVIEW 2015 Prof.
2006
EN

71083
Deutschland
RE: Probleme mit Messwertaufzeichnung
Wie Gerd gesagt hat.

Gruß Markus

(23.07.2013 10:57 )Sebo schrieb:  Hättet ihr vielleicht einen Tipp wie es aussehen müsste?

--------------------------------------------------------------------------
Bitte stellt mir keine Fragen über PM, dafür ist das Forum da - andere haben vielleicht auch Interesse an der Antwort !!
--------------------------------------------------------------------------
Alle Beiträge dieses Benutzers finden
Diese Nachricht in einer Antwort zitieren to top
Anzeige
24.07.2013, 09:42 (Dieser Beitrag wurde zuletzt bearbeitet: 24.07.2013 09:42 von Sebo.)
Beitrag #7

Sebo Offline
LVF-Grünschnabel
*


Beiträge: 33
Registriert seit: Mar 2013

2012
2013
DE



RE: Probleme mit Messwertaufzeichnung
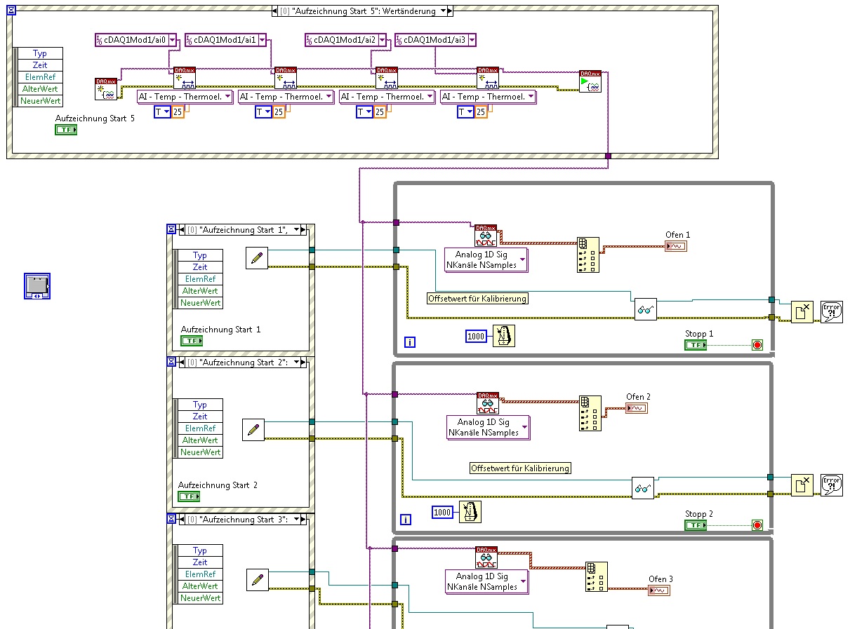
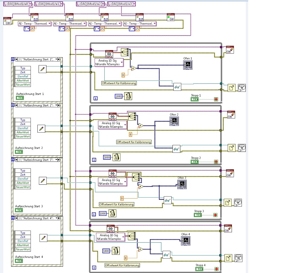
Das Problem ist nun das ich jetzt den Index Array hernehme doch beim Aufzeichnen zeigt er mir immer nur 0,00°C an.

Wie muss ich diesen Index Array Baustein verwenden? Habe schon alles in der Hilfe gelesen nur ich komme einfach nicht dahinter!!
Das Problem ist nun das ich jetzt den Index Array hernehme doch beim Aufzeichnen zeigt er mir immer nur 0,00°C an.

Wie muss ich diesen Index Array Baustein verwenden? Habe schon alles in der Hilfe gelesen nur ich komme einfach nicht dahinter!!
Alle Beiträge dieses Benutzers finden
Diese Nachricht in einer Antwort zitieren to top
24.07.2013, 09:44 (Dieser Beitrag wurde zuletzt bearbeitet: 24.07.2013 09:46 von GerdW.)
Beitrag #8

GerdW Offline
______________
LVF-Team

Beiträge: 17.533
Registriert seit: May 2009

LV2019 (LV2021)
1995
DE_EN

10×××
Deutschland
RE: Probleme mit Messwertaufzeichnung
Hallo Sebo,

wenn nicht der Wert herauspurzelt, den du erwartest, wird wohl irgendwo was verkehrt angeschlossen sein.
Glas1
Du könntest ja mal wieder ein Bild zeigen statt den Text doppelt zu posten. Oder gleich das VI (in LV2011-Version)...

Alle Beiträge dieses Benutzers finden
Diese Nachricht in einer Antwort zitieren to top
24.07.2013, 09:56 (Dieser Beitrag wurde zuletzt bearbeitet: 24.07.2013 09:58 von Sebo.)
Beitrag #9

Sebo Offline
LVF-Grünschnabel
*


Beiträge: 33
Registriert seit: Mar 2013

2012
2013
DE



RE: Probleme mit Messwertaufzeichnung
Entschuldigung ich weiß nicht warum er das immer doppelt macht.

   
Alle Beiträge dieses Benutzers finden
Diese Nachricht in einer Antwort zitieren to top
24.07.2013, 09:58 (Dieser Beitrag wurde zuletzt bearbeitet: 24.07.2013 10:01 von GerdW.)
Beitrag #10

GerdW Offline
______________
LVF-Team

Beiträge: 17.533
Registriert seit: May 2009

LV2019 (LV2021)
1995
DE_EN

10×××
Deutschland
RE: Probleme mit Messwertaufzeichnung
Hallo Sebo,

und wo kommt jetzt "0,0" heraus?

- Warum immer noch 4 Messschleifen? Packe alle "Ofen"-Anzeigen in eine Schleife oder (noch besser) lasse alle auf einem Graph/Chart anzeigen...
- Warum immer noch 4 Eventstrukturen?
- Die Art und Weise, wie du die DAQmx-Referenz verdrahtest, führt auf Grund von DATAFLOW dazu, dass du auch alle "Messungen" in der richtigen Reihenfolge starten musst. Schon einmal das Highlighting-Debugging benutzt? Vielleicht kommt deshalb ja (anscheinend) "0,0" irgendwo heraus?

Alle Beiträge dieses Benutzers finden
Diese Nachricht in einer Antwort zitieren to top
30
Antwort schreiben 


Gehe zu: