INFO: Dieses Forum nutzt Cookies...
Cookies sind für den Betrieb des Forums unverzichtbar. Mit der Nutzung des Forums erklärst Du dich damit einverstanden, dass wir Cookies verwenden.

Es wird in jedem Fall ein Cookie gesetzt um diesen Hinweis nicht mehr zu erhalten. Desweiteren setzen wir Google Adsense und Google Analytics ein.


Antwort schreiben 

Bug oder Programmierfehler??



Wenn dein Problem oder deine Frage geklärt worden ist, markiere den Beitrag als "Lösung",
indem du auf den "Lösung" Button rechts unter dem entsprechenden Beitrag klickst. Vielen Dank!

21.08.2013, 15:35 (Dieser Beitrag wurde zuletzt bearbeitet: 21.08.2013 15:38 von Bernhart55.)
Beitrag #1

Bernhart55 Offline
LVF-Gelegenheitsschreiber
**


Beiträge: 50
Registriert seit: Jul 2013

2012
2013
DE



Bug oder Programmierfehler??
Hallo

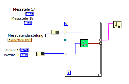
Ich habe in meinem Frontpannel eine Registerkarte mit 4 Registern angelegt.
Im ersten habe ich die Signaldarstellung. (Siehe Bilder im Anhang)

Leider sehe ich, wenn ich das Programm starte, den schwarzen Hintergrund auf jeder Registerkarte.
Ab und zu sieht man auch die Bedienfelder, von den anderen Registerkarten, die unter dem schwaren Rechteck.

was kann man dagegen tun???

mfg


Angehängte Datei(en) Thumbnail(s)
               
Alle Beiträge dieses Benutzers finden
Diese Nachricht in einer Antwort zitieren to top
Anzeige
21.08.2013, 15:44
Beitrag #2

GerdW Offline
______________
LVF-Team

Beiträge: 17.534
Registriert seit: May 2009

LV2019 (LV2021)
1995
DE_EN

10×××
Deutschland
RE: Bug oder Programmierfehler??
Hallo Bernhart,

bitte VI (für LV2011?) anhängen. Du kannst alles aus dem BD löschen, nur die Controls müssen bleiben...

Bemerkung: der Hinweis auf die Testversion wird üblicherweise über allen Controls eingeblendet. Bei dir verschwindet er aber hinter dem schwarzen Kasten. Hast du dort irgendein ActiveX-Control o.ä. verwendet?

Alle Beiträge dieses Benutzers finden
Diese Nachricht in einer Antwort zitieren to top
22.08.2013, 08:07
Beitrag #3

Bernhart55 Offline
LVF-Gelegenheitsschreiber
**


Beiträge: 50
Registriert seit: Jul 2013

2012
2013
DE



RE: Bug oder Programmierfehler??
kein problem, ich hab gleich das ganze projekt im anhang


Angehängte Datei(en)
0.0 .rar  LabVIEW Projekt Marko.rar (Größe: 288,06 KB / Downloads: 235)
Alle Beiträge dieses Benutzers finden
Diese Nachricht in einer Antwort zitieren to top
22.08.2013, 08:22 (Dieser Beitrag wurde zuletzt bearbeitet: 22.08.2013 08:25 von GerdW.)
Beitrag #4

GerdW Offline
______________
LVF-Team

Beiträge: 17.534
Registriert seit: May 2009

LV2019 (LV2021)
1995
DE_EN

10×××
Deutschland
RE: Bug oder Programmierfehler??
Hallo Bernhart,

ich nehme an, du hast Probleme mit "Messung Daten Mit Auswahlmenu einzeln.vi"?

Bei mir sieht das FP gut aus. Ein Chart auf dem ersten Reiter des Tab-Containers, auf den anderen Reitern kein schwarzes Rechteck...

Nochmaliger Hinweis:
Gleichartige Operationen sollten vorzugsweise mit Arrays und Loops erledigt werden. Das verhindert riesige BDs mit wiederholenden Tapetenmustern...

Allgemeiner Hinweis zur UX (User-eXperience):
Es wirkt schnell unübersichtlich, wenn zu viele verschiedene Fonts/Fontgrößen/Fontschnitte auf einer Bedienoberfläche benutzt werden...

Allgemeiner Hinweis zum Font-Handling in LabVIEW:
LabVIEW hat (aufgrund seines Multi-OS-Ansatzes) Probleme mit der Fontdarstellung auf unterschiedlichen OS(-Versionen). Deine Bedienoberfläche wirkt bei mir vollkommen "derangiert", da die Zeichensätze unterschiedlich sind. Du solltest dir angewöhnen, mit festen Fonts zu arbeiten, ich verwende z.B. "Tahoma 13" als Grundeinstellung in allen LV-Versionen. Damit erzielt man ein identisches Aussehen auf allen Rechnern - wichtig, wenn du anfängst, Executables zu deployen...

Alle Beiträge dieses Benutzers finden
Diese Nachricht in einer Antwort zitieren to top
22.08.2013, 08:31
Beitrag #5

jg Offline
CLA & CLED
LVF-Team

Beiträge: 15.864
Registriert seit: Jun 2005

20xx / 8.x
1999
EN

Franken...
Deutschland
RE: Bug oder Programmierfehler??
In Ergänzung zu Gerds Kritikpunkten, die ich voll und ganz unterstütze:

Du setzt in JEDEM Schleifendurchlauf gefühlte hunderte Eigenschaften deines Chart, auch wenn das vielleicht gar nicht nötig ist, da sich der Eingangswert gar nicht geändert hat. Aber beachte: Das Setzen JEDER PropertyNode erzwingt einen Wechsel in den UI-Thread inkl. Update des Frontpanels. Mglw. hängen damit deine Probleme zusammen.

Gruß, Jens

Wer die erhabene Weisheit der Mathematik tadelt, nährt sich von Verwirrung. (Leonardo da Vinci)

!! BITTE !! stellt mir keine Fragen über PM, dafür ist das Forum da - andere haben vielleicht auch Interesse an der Antwort!

Einführende Links zu LabVIEW, s. GerdWs Signatur.
Alle Beiträge dieses Benutzers finden
Diese Nachricht in einer Antwort zitieren to top
22.08.2013, 08:57 (Dieser Beitrag wurde zuletzt bearbeitet: 22.08.2013 09:03 von Bernhart55.)
Beitrag #6

Bernhart55 Offline
LVF-Gelegenheitsschreiber
**


Beiträge: 50
Registriert seit: Jul 2013

2012
2013
DE



RE: Bug oder Programmierfehler??
(22.08.2013 08:22 )GerdW schrieb:  Hallo Bernhart,
Nochmaliger Hinweis:
Gleichartige Operationen sollten vorzugsweise mit Arrays und Loops erledigt werden. Das verhindert riesige BDs mit wiederholenden Tapetenmustern...

Ja wie meinst du das? ich möchte zu jeder Zeit mein Eingangskanal wechseln können dazu die Poltfarbe und die zugehörige y-Achse.
Ich benötige doch für jeden Kanal eine Auswahlenum, Anzeige, Farbe und die y-Achsenauswahl. Wie soll ich das dann mit einer Schleife machen?

Achso. bitte nur auf das VI "Messung Daten Mit Auswahlmenu einzeln.vi" konzentrieren.

Die anderen sind ältere Versionen.
Alle Beiträge dieses Benutzers finden
Diese Nachricht in einer Antwort zitieren to top
Anzeige
22.08.2013, 09:12
Beitrag #7

jg Offline
CLA & CLED
LVF-Team

Beiträge: 15.864
Registriert seit: Jun 2005

20xx / 8.x
1999
EN

Franken...
Deutschland
RE: Bug oder Programmierfehler??
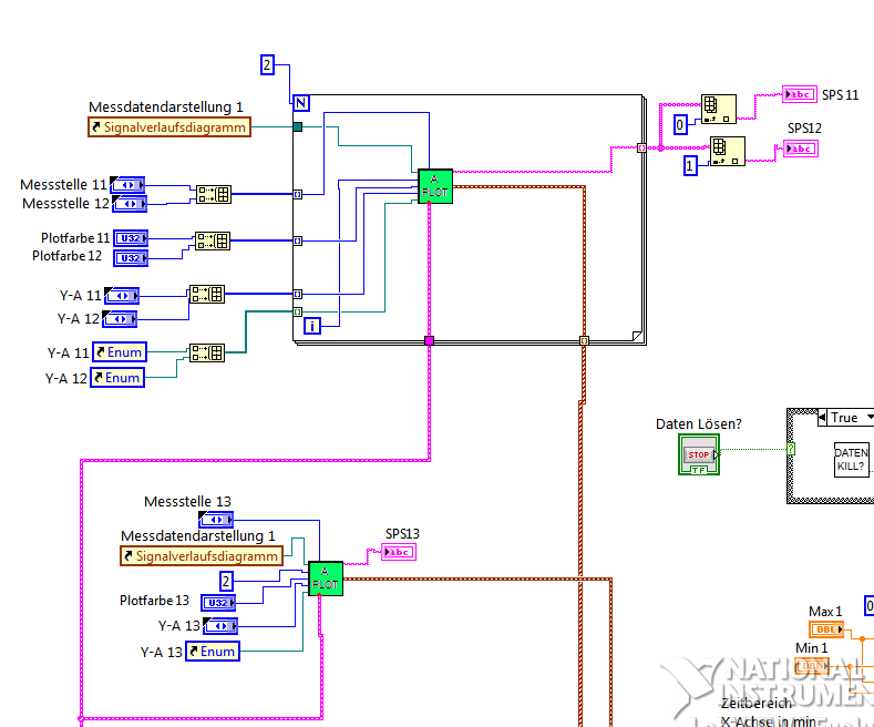
Nur der Anfang, so z.B.:
   
Noch besser wäre die Verwendung einer Event-Struktur, denn wie Gerd schon hier geschrieben hat - und ich ja jetzt auch, es ist gar nicht gut, in jeder Iteration ALLE Eigenschaften des Graphen zu setzen, selbst wenn sie sich gar nicht geändert haben.

Gruß, Jens

Wer die erhabene Weisheit der Mathematik tadelt, nährt sich von Verwirrung. (Leonardo da Vinci)

!! BITTE !! stellt mir keine Fragen über PM, dafür ist das Forum da - andere haben vielleicht auch Interesse an der Antwort!

Einführende Links zu LabVIEW, s. GerdWs Signatur.
Alle Beiträge dieses Benutzers finden
Diese Nachricht in einer Antwort zitieren to top
22.08.2013, 10:08
Beitrag #8

Bernhart55 Offline
LVF-Gelegenheitsschreiber
**


Beiträge: 50
Registriert seit: Jul 2013

2012
2013
DE



RE: Bug oder Programmierfehler??
Ich hab es gerade mal probiert mit der For-Schleife.

Jetzt kommt immer Die fehlermeldung 1055
mögliche Ursache: "ungültige Objektreferens"

wie kann ich die Beheben?
Alle Beiträge dieses Benutzers finden
Diese Nachricht in einer Antwort zitieren to top
22.08.2013, 10:09
Beitrag #9

GerdW Offline
______________
LVF-Team

Beiträge: 17.534
Registriert seit: May 2009

LV2019 (LV2021)
1995
DE_EN

10×××
Deutschland
RE: Bug oder Programmierfehler??
Hallo Bernhart,

ich würde eine gültige Objektreferenz anschließen...

Mal ehrlich: welche Antwort erwartest du bei dieser Informationslage?

Alle Beiträge dieses Benutzers finden
Diese Nachricht in einer Antwort zitieren to top
22.08.2013, 10:35
Beitrag #10

Bernhart55 Offline
LVF-Gelegenheitsschreiber
**


Beiträge: 50
Registriert seit: Jul 2013

2012
2013
DE



RE: Bug oder Programmierfehler??
ja ist ja richtig.

also ich hab meine schleife genauso gemacht wie im Bild von Jens.

Warum ist das auf einmal eine ungültige Objektreferenz??


Angehängte Datei(en) Thumbnail(s)
   
Alle Beiträge dieses Benutzers finden
Diese Nachricht in einer Antwort zitieren to top
Antwort schreiben 


Möglicherweise verwandte Themen...
Themen Verfasser Antworten Views Letzter Beitrag
  Rectangle auf Chart oder Graph oder Intensity tetef 4 7.416 07.12.2010 14:09
Letzter Beitrag: unicorn

Gehe zu: