Hallo GerdW,
danke nochmal für die schnellen Antworten.
Mit der Samplerate komme ich hier irgendwie auch nicht weiter. Er zeichnet den Verlauf dabei nicht in Realzeit in die Graphen und bricht vorzeitig ab.
Du hast recht, auf Bildausschnitten sieht man nicht viel ^^
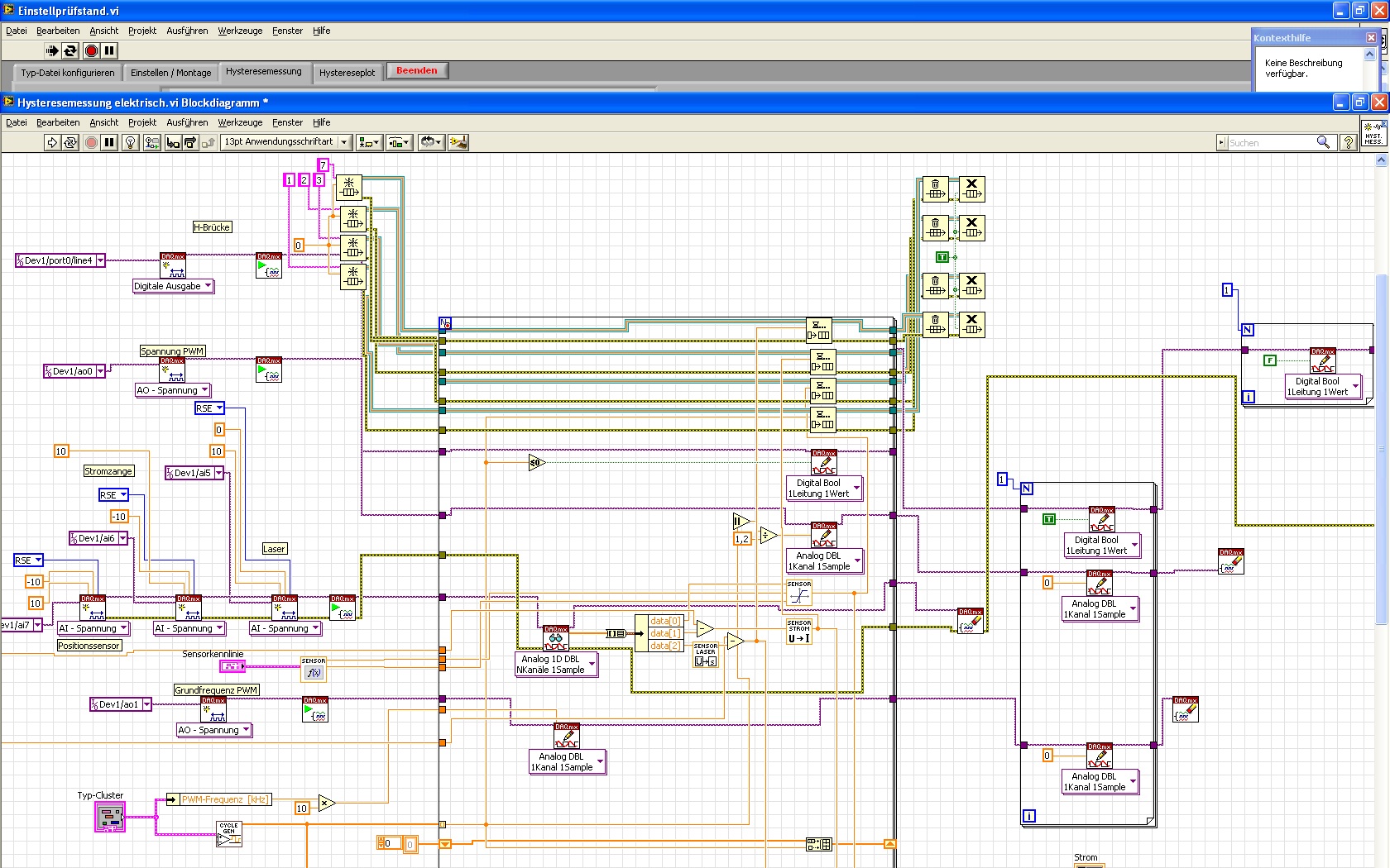
Deswegen sind die notwenigen VI's in der Anlage. Nur das Haupt- VI kann ich aufgrund von Datenschutz nicht herrausgeben (interessierender Bildausschnitt in der Anlage unter Aufruf.jpg).
Also ich generiere einen Fahrverlauf meines E-Motors/Stellers mit Freifahren und Messdurchlauf, dann rufe ich diesen Verlauf auf und fahre ihn ab. Ab diesem Zeitpunkt zeichne ich die Position des Stellers sowie den fließenden Strom auf...
Die Abtastrate ist dabei 100Hz (warum auch immer) und ich möchte diese auf mindestens 1000Hz erhöhen / besser 10.000Hz erhöhen.
Mit dem im VI Hysteresemessung elektrisch vorhandenen Metronom ist es so, dass wenn ich es unter 10ms einstelle er nur die ersten 14 Schleifen des Messvorganges fährt.

Ich glaube es ist ein Fehler in der Erstellung der Prüfzeit bzw Zyklus zwischen Zyklus generieren, druchführen und auslesen. Nur leider finde ich nichts.
Hoffe du/ihr könnt mir helfen.