INFO: Dieses Forum nutzt Cookies...
Cookies sind für den Betrieb des Forums unverzichtbar. Mit der Nutzung des Forums erklärst Du dich damit einverstanden, dass wir Cookies verwenden.

Es wird in jedem Fall ein Cookie gesetzt um diesen Hinweis nicht mehr zu erhalten. Desweiteren setzen wir Google Adsense und Google Analytics ein.


Antwort schreiben 

Alle Array-Werte korrigieren mit Look up Table / Kalibrationstabelle



Wenn dein Problem oder deine Frage geklärt worden ist, markiere den Beitrag als "Lösung",
indem du auf den "Lösung" Button rechts unter dem entsprechenden Beitrag klickst. Vielen Dank!

10.10.2013, 13:47
Beitrag #1

JoS Offline
LVF-Neueinsteiger


Beiträge: 4
Registriert seit: Oct 2013

2012
2012
DE_EN



Alle Array-Werte korrigieren mit Look up Table / Kalibrationstabelle
Hallo liebe Labviewgemeinde, ich habe folgendes anliegen:

Ich bekomme sekündlich ein 2D-Array mit Temperaturwerten aus einer Thermokamera.

Da ich aber optische Störeinflüsse habe muss ich diese Werte korrigieren.

Dazu habe ich eine Look-up Table, welche mir die gemessenen Temperaturen der Thermokamera mit den tatsächlichen gegenüberstellt.

Wie kann ich alle Arraywerte mit dieser Kalibrationstabelle (am besten in einem Satz) korrigieren.

Linear reicht aus.
Alle Beiträge dieses Benutzers finden
Diese Nachricht in einer Antwort zitieren to top
10.10.2013, 14:05 (Dieser Beitrag wurde zuletzt bearbeitet: 10.10.2013 14:08 von GerdW.)
Beitrag #2

GerdW Offline
______________
LVF-Team

Beiträge: 17.540
Registriert seit: May 2009

LV2019 (LV2021)
1995
DE_EN

10×××
Deutschland
RE: Alle Array-Werte korrigieren mit Look up Table / Kalibrationstabelle
Hallo JoS,

so sieht das für einen Temperaturwert aus:
   
Oder du nutzt die zweite Funktion direkt mit einem Punkte-Array:
   
Für ein 2D-Array von Werten benötigst du noch zwei FOR-Loops drumherum...

Alle Beiträge dieses Benutzers finden
Diese Nachricht in einer Antwort zitieren to top
11.10.2013, 15:59
Beitrag #3

JoS Offline
LVF-Neueinsteiger


Beiträge: 4
Registriert seit: Oct 2013

2012
2012
DE_EN



RE: Alle Array-Werte korrigieren mit Look up Table / Kalibrationstabelle
Danke dir GerdW,

das hilft mir schon mal weiter. Für einen einzelnen Wert ist das genau der richtige Ansatz.

Da ich wenig Programmiererfahrung habe scheitert es bei mir noch an den zwei For-loops.

Muss ich den den Schleifenindex N überhaupt vorher festlegen oder macht sich das LV selbst?

Ich habe meinen inkorrekten Versuch angehängt.

Danke im Voraus.


Angehängte Datei(en) Thumbnail(s)
   
Alle Beiträge dieses Benutzers finden
Diese Nachricht in einer Antwort zitieren to top
11.10.2013, 16:04 (Dieser Beitrag wurde zuletzt bearbeitet: 11.10.2013 16:06 von GerdW.)
Beitrag #4

GerdW Offline
______________
LVF-Team

Beiträge: 17.540
Registriert seit: May 2009

LV2019 (LV2021)
1995
DE_EN

10×××
Deutschland
RE: Alle Array-Werte korrigieren mit Look up Table / Kalibrationstabelle

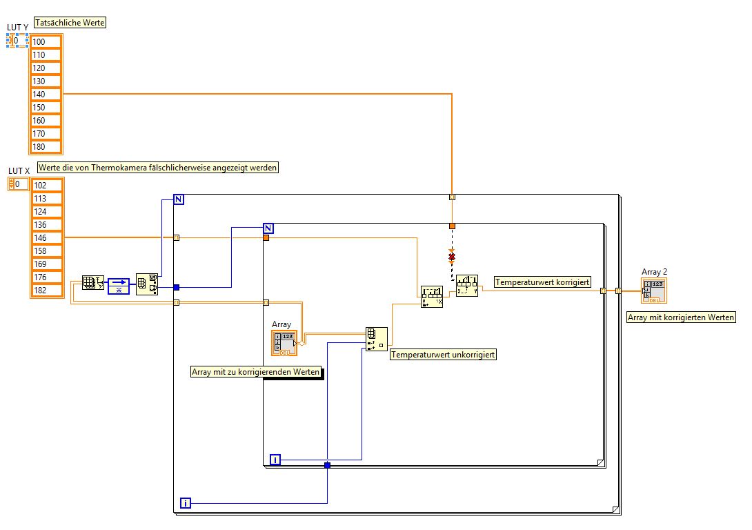
Akzeptierte Lösung

Hallo JoS,

"inkorrekt" trifft es schon ganz gut... Big Grin
Was willst du damit erreichen, wenn du ArrayMinMax benutzt, um die Anzahl der Schleifendurchläufe zu bestimmen? Hmm

Mache dich bitte mit der "Autoindizierung" bei der (FOR-)Loop vertraut. Lies die Hilfe dazu, schau dir mitgelieferte Beispiel-VIs an!

So sollte es funktionieren:
   
Achte auf die unterschiedlich dargestellten Tunnel an den Schleifenrändern, die haben eine Bedeutung!

Zitat:Muss ich den den Schleifenindex N überhaupt vorher festlegen oder macht sich das LV selbst?
Nein, die Autoindizierung erledigt das für dich!

Alle Beiträge dieses Benutzers finden
Diese Nachricht in einer Antwort zitieren to top
11.10.2013, 16:48
Beitrag #5

JoS Offline
LVF-Neueinsteiger


Beiträge: 4
Registriert seit: Oct 2013

2012
2012
DE_EN



RE: Alle Array-Werte korrigieren mit Look up Table / Kalibrationstabelle
Tolle Sache Danke. (Anfängerfehler)

Jetz funktionierts. Wird Montag gleich in der Maschine getestet.

So viel dazu aus der Labviewhelp:

"Wenn ein Array mit einer For-Schleife oder While-Schleife verbunden wird, kann mit Hilfe der automatischen Indizierung jedes Element aus dem Array ausgelesen und verarbeitet werden. Wenn Sie ein Array aus einem externen Knoten mit einem Eingangstunnel am Schleifenrand verbinden und für diesen Eingangstunnel die Auto-Indizierung aktivieren, werden die einzelnen Elemente des Arrays (angefangen beim ersten) nacheinander an die Schleife übergeben. "
Alle Beiträge dieses Benutzers finden
Diese Nachricht in einer Antwort zitieren to top
30
Antwort schreiben 


Möglicherweise verwandte Themen...
Themen Verfasser Antworten Views Letzter Beitrag
  x und y Werte in Array schreiben Juli3 3 6.872 14.02.2009 08:42
Letzter Beitrag: kpa

Gehe zu: