INFO: Dieses Forum nutzt Cookies...
Cookies sind für den Betrieb des Forums unverzichtbar. Mit der Nutzung des Forums erklärst Du dich damit einverstanden, dass wir Cookies verwenden.

Es wird in jedem Fall ein Cookie gesetzt um diesen Hinweis nicht mehr zu erhalten. Desweiteren setzen wir Google Adsense und Google Analytics ein.


Antwort schreiben 

Wartet nur noch auf "CanBus" Events, Buttons funktionieren nicht mehr



Wenn dein Problem oder deine Frage geklärt worden ist, markiere den Beitrag als "Lösung",
indem du auf den "Lösung" Button rechts unter dem entsprechenden Beitrag klickst. Vielen Dank!

03.04.2014, 21:16
Beitrag #1

MHS-Elektronik Offline
LVF-Neueinsteiger


Beiträge: 5
Registriert seit: Aug 2011

6.1
2011
DE_EN


Deutschland
Wartet nur noch auf "CanBus" Events, Buttons funktionieren nicht mehr
Hallo,

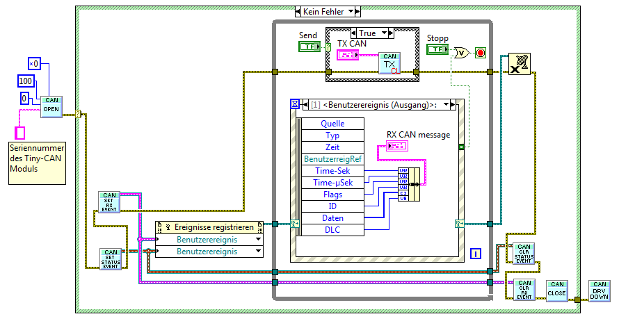
ich habe die LabView Unterstützung meiner CAN-Adapter für Event Steuerung erweitert,
was soweit auch funktioniert :-)
Lieder wird aber die Senden Funktion nicht mehr aufgerufen, auch kann ich das Programm
nicht mehr beenden.
Warum ist mir auch klar, weil er auf die beiden "CAN" Ereignisse wartet, wie kann ich dieses Problem lösen ?
Könnte man da für das "Senden" einen 2. Thread erzeugen ?

Ich bin C Programmierer, in LabView bin ich eine totale Null!
Danke schon mal.

Grüße
Klaus


Angehängte Datei(en) Thumbnail(s)
   

0.0 .zip  labview_tiny_can.zip (Größe: 306,19 KB / Downloads: 223)
Alle Beiträge dieses Benutzers finden
Diese Nachricht in einer Antwort zitieren to top
Anzeige
03.04.2014, 21:31
Beitrag #2

jg Offline
CLA & CLED
LVF-Team

Beiträge: 15.864
Registriert seit: Jun 2005

20xx / 8.x
1999
EN

Franken...
Deutschland
RE: Wartet nur noch auf "CanBus" Events, Buttons funktionieren nicht mehr
2 parallele Schleifen verwenden.
Oder auf die Event Struktur verzichten und stattdessen selber die Ereignisse per Polling erkennen.
Oder den Timeout Case der Event Struktur mit einem Timeout ungleich -1 verwenden.

Generell: Datenfluss Prinzip von LabVIEW verstehen und dann anwenden.

Gruß, Jens

Wer die erhabene Weisheit der Mathematik tadelt, nährt sich von Verwirrung. (Leonardo da Vinci)

!! BITTE !! stellt mir keine Fragen über PM, dafür ist das Forum da - andere haben vielleicht auch Interesse an der Antwort!

Einführende Links zu LabVIEW, s. GerdWs Signatur.
Alle Beiträge dieses Benutzers finden
Diese Nachricht in einer Antwort zitieren to top
30
Antwort schreiben 


Möglicherweise verwandte Themen...
Themen Verfasser Antworten Views Letzter Beitrag
  Network enabled shared variable datet nicht mehr up bigfudge 4 5.874 31.01.2013 10:17
Letzter Beitrag: bigfudge
  Email mit Anhang (Datei kann nicht mehr geöffnet werden) WeberEng 5 8.526 21.10.2011 14:30
Letzter Beitrag: Dennis.Moser
  Unterschied zwischen CanBus und RS232 lememe 0 5.305 17.05.2011 10:45
Letzter Beitrag: lememe

Gehe zu: