INFO: Dieses Forum nutzt Cookies...
Cookies sind für den Betrieb des Forums unverzichtbar. Mit der Nutzung des Forums erklärst Du dich damit einverstanden, dass wir Cookies verwenden.

Es wird in jedem Fall ein Cookie gesetzt um diesen Hinweis nicht mehr zu erhalten. Desweiteren setzen wir Google Adsense und Google Analytics ein.


Antwort schreiben 

Error 7 nach Versionswechsel von 8.5 auf 2009



Wenn dein Problem oder deine Frage geklärt worden ist, markiere den Beitrag als "Lösung",
indem du auf den "Lösung" Button rechts unter dem entsprechenden Beitrag klickst. Vielen Dank!

12.04.2010, 22:06
Beitrag #1

degenar Offline
LVF-Neueinsteiger


Beiträge: 2
Registriert seit: Apr 2010

2009
2010
EN

1080
Oesterreich
Error 7 nach Versionswechsel von 8.5 auf 2009
Hallo,

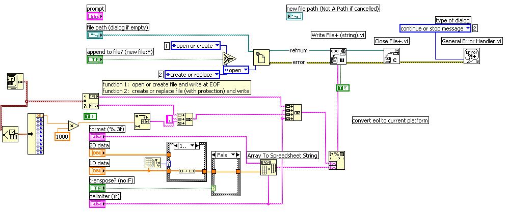
letzte Woche habe ich LV 2009 installiert und unser Programm zur Messdatenerfassung versucht auszuführen. Dabei kommt eine Fehlermeldung mit Error 7, also Datei nicht gefunden, an dem Punkt wo die Daten in die Datei geschrieben werden.
Die Dateipfade werden innerhalb des Programms aber ordnungsgemäß weitergegeben, auch in die SubVI's. Unter LV 8.5 funktionert die ganze Prozedur auch ohne Probleme.
Ich habe das VI und die Einbindugsstelle mal als Bilder hinterlegt.
Vielleicht weis einer von euch ob es an irgendwelchen Versionsunterschieden liegt.

Ich hoffe auf eure Hilfe, bin für jeden Tipp dankbar.

Mathias


Angehängte Datei(en) Thumbnail(s)
       
Alle Beiträge dieses Benutzers finden
Diese Nachricht in einer Antwort zitieren to top
Anzeige
12.04.2010, 22:30
Beitrag #2

jg Offline
CLA & CLED
LVF-Team

Beiträge: 15.864
Registriert seit: Jun 2005

20xx / 8.x
1999
EN

Franken...
Deutschland
Error 7 nach Versionswechsel von 8.5 auf 2009
Baust du dir irgendwie dynamisch Pfade zusammen? Vielleicht mit "Current VI's Paths" als Ausgangspunkt? Tritt der Fehler in einer LV-Exe auf oder auch in der Entwicklungsumgebung=

Es gibt da eine Änderung, wie in LV2009 die VIs in einer Exe zusammengeführt werden. Bis zu den 8er Versionen werden in einer Exe alle VIs in dieselbe Hierachie-Ebene gespeichert, in LV2009 standardmäßig nicht mehr. Es gibt bei der Erstellung einer Exe aber eine entsprechende Option.

Gruß, Jens

P.S.: Die Write-VIs, die du in ersten Screenshot verwendest, sind schon in allen 8er Versionen eigentlich veraltet. Vielleicht wäre es gut, auch hier mal aufzuräumen. Alternativ ein Tip zur Fehlersuche, erstelle Indikatoren der Dateipfade im Frontpanel, und schau einmal, was da so alles drin steht.

Wer die erhabene Weisheit der Mathematik tadelt, nährt sich von Verwirrung. (Leonardo da Vinci)

!! BITTE !! stellt mir keine Fragen über PM, dafür ist das Forum da - andere haben vielleicht auch Interesse an der Antwort!

Einführende Links zu LabVIEW, s. GerdWs Signatur.
Alle Beiträge dieses Benutzers finden
Diese Nachricht in einer Antwort zitieren to top
16.04.2010, 08:19
Beitrag #3

degenar Offline
LVF-Neueinsteiger


Beiträge: 2
Registriert seit: Apr 2010

2009
2010
EN

1080
Oesterreich
Error 7 nach Versionswechsel von 8.5 auf 2009
Hallo,

ja ich baue dynamische Pfade mit Strings auf und wandle diese dann.
Die veralteten VI's habe ich jetzt durch die aktuellen ersetzt, leider ohne Erfolg, was das Schreiben der Daten in die Spreadsheets angeht.
Ich bin dem Problem eventuell auf die Schliche gekommen, mir ist auf gefallen das die Übergabe der Pfade nicht klappt wenn ich den Pfad als String über das FrontPanel eingebe.
In den beiden Bildern sieht man einmal die Eingabe mit Pfad, und einmal ohne Pfad, also nur den Dateinamen, der dann automatisch auf C: angelegt wird.
Die erste Version läuft nicht, die zweite schon.
Hat vielleicht jemand eine Erklärung dafür?

Bin für jeden Tipp dankbar.

Mathias


Angehängte Datei(en) Thumbnail(s)
       
Alle Beiträge dieses Benutzers finden
Diese Nachricht in einer Antwort zitieren to top
16.04.2010, 09:10
Beitrag #4

IchSelbst Offline
LVF-Guru
*****


Beiträge: 3.708
Registriert seit: Feb 2005

11, 14, 15, 17, 18
-
DE

97437
Deutschland
Error 7 nach Versionswechsel von 8.5 auf 2009
' schrieb:Hat vielleicht jemand eine Erklärung dafür?
Welchen Wert hat denn der String "Pfad"? Dieser Wert könnte inkompatible zu einer Pfadangabe sein.

Jeder, der zur wahren Erkenntnis hindurchdringen will, muss den Berg Schwierigkeit alleine erklimmen (Helen Keller).
Alle Beiträge dieses Benutzers finden
Diese Nachricht in einer Antwort zitieren to top
30
Antwort schreiben 


Möglicherweise verwandte Themen...
Themen Verfasser Antworten Views Letzter Beitrag
  File I/O für SD-Karte bei LV 2009 Embedded ARM amin 14 12.045 02.10.2009 18:57
Letzter Beitrag: jg

Gehe zu: