INFO: Dieses Forum nutzt Cookies...
Cookies sind für den Betrieb des Forums unverzichtbar. Mit der Nutzung des Forums erklärst Du dich damit einverstanden, dass wir Cookies verwenden.

Es wird in jedem Fall ein Cookie gesetzt um diesen Hinweis nicht mehr zu erhalten. Desweiteren setzen wir Google Adsense und Google Analytics ein.


Antwort schreiben 

Kommunikation mit Generator via PXI-8516



Wenn dein Problem oder deine Frage geklärt worden ist, markiere den Beitrag als "Lösung",
indem du auf den "Lösung" Button rechts unter dem entsprechenden Beitrag klickst. Vielen Dank!

17.11.2014, 17:39 (Dieser Beitrag wurde zuletzt bearbeitet: 17.11.2014 17:48 von Anton R..)
Beitrag #1

Anton R. Offline
LVF-Grünschnabel
*


Beiträge: 12
Registriert seit: May 2014

2014
2014
DE


Deutschland
Kommunikation mit Generator via PXI-8516
Hallo, folgendes Problem:
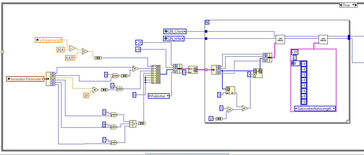
Ein Generator soll Mittels LIN über ein PXI-8516 angesteuert werden. Ich habe schon einiges probiert, bin aber noch auf keinen grünen Zweig gekommen. Anbei einer meiner Versuche.
Problem hier ist, dass nicht einmal etwas rausgeschrieben wird, laut XNET-Busmonitor. Wenn ich die „XNET-Clear“ weglasse, sehe ich zwar Datenausgang am Monitor, allerdings mekert dann der Eigenschaftsknoten, dass man eine Aktion auf einem gestarteten Interface ausführen möchte.
Was mir noch aufgefallen ist, dass wenn ich das VI so wie ich es hier hochgeladen habe im Light-Modus ausführe werden auch Daten auf den Bus geschrieben.
Empfangen habe ich leider bis jetzt noch nichts…
Den Generator Nachrichtenkatalog habe ich auch angehängt. Zuvor war der Generator über ein USB-Modul an ein PC angeschlossen, dort war es so, dass zuerst immer der Steuer_Frame gesendet wurde, dann ein Leerer Status Frame, worauf der Generator Antwortete und die Daten ausgelesen wurden. einen Screenshot davon habe ich auch noch beigefügt.
Leider findet man zu LIN Kommunikation mit XNET Hardware sehr wenig im Netz und auch die Beispiele von NI haben mich nicht zum Ziel gebracht.
Ich glaub Fast, dass das Problem in meiner Datenbank liegt, diese ist auch anbei, wäre super, wenn mir jemand weiterhelfen könnte. Oder mache ich grundsätzlich im Blockdiagramm etwas falsch?


Angehängte Datei(en) Thumbnail(s)
   

0.0 .zip  Generator.zip (Größe: 63,35 KB / Downloads: 266)
Alle Beiträge dieses Benutzers finden
Diese Nachricht in einer Antwort zitieren to top
Anzeige
17.11.2014, 20:16
Beitrag #2

GerdW Online
______________
LVF-Team

Beiträge: 17.529
Registriert seit: May 2009

LV2019 (LV2021)
1995
DE_EN

10×××
Deutschland
RE: Kommunikation mit Generator via PXI-8516
Hallo Anton,

mal rein interessehalber: handelt es sich um einen Generator (aka "Lichtmaschine") der Firma Valeo?

Alle Beiträge dieses Benutzers finden
Diese Nachricht in einer Antwort zitieren to top
17.11.2014, 20:53
Beitrag #3

Anton R. Offline
LVF-Grünschnabel
*


Beiträge: 12
Registriert seit: May 2014

2014
2014
DE


Deutschland
RE: Kommunikation mit Generator via PXI-8516
Ja genau, es handelt sich um einen Generator von Valeo.
Hast du schon Erfahrungen damit gemacht?
Alle Beiträge dieses Benutzers finden
Diese Nachricht in einer Antwort zitieren to top
17.11.2014, 21:24 (Dieser Beitrag wurde zuletzt bearbeitet: 17.11.2014 21:26 von GerdW.)
Beitrag #4

GerdW Online
______________
LVF-Team

Beiträge: 17.529
Registriert seit: May 2009

LV2019 (LV2021)
1995
DE_EN

10×××
Deutschland
RE: Kommunikation mit Generator via PXI-8516
Hallo Anton,

ja, sowas habe ich schon gesteuert. Allerdings mit einem CAN-zu-LIN-Umsetzer und eben einem CAN-Port…

Dieser Beitrag bezog sich darauf…

Alle Beiträge dieses Benutzers finden
Diese Nachricht in einer Antwort zitieren to top
18.11.2014, 09:18
Beitrag #5

Anton R. Offline
LVF-Grünschnabel
*


Beiträge: 12
Registriert seit: May 2014

2014
2014
DE


Deutschland
RE: Kommunikation mit Generator via PXI-8516
Ah ja, hab ich mir fast gedacht.
Ist es zufällig möglich, dass du mir das vi. hier hochlädst? Evetuell hilft mir das weiter...
Alle Beiträge dieses Benutzers finden
Diese Nachricht in einer Antwort zitieren to top
18.11.2014, 09:47
Beitrag #6

GerdW Online
______________
LVF-Team

Beiträge: 17.529
Registriert seit: May 2009

LV2019 (LV2021)
1995
DE_EN

10×××
Deutschland
RE: Kommunikation mit Generator via PXI-8516
Hallo Anton,

ich glaube kaum, dass dir das hilft. Ich habe hier mit einem cRIO gearbeitet und die CAN-Kommunikation über den FPGA "handgestrickt" erledigt.
Das Erstellen der Steuer-Botschaft sieht so aus:
   
Die Grundauswertung der Generator-Statusmeldung übernimmt auch der FPGA (Zerlegen der Botschaft in die einzelnen Signale), auf dem cRIO erfolgt dann nur noch die Skalierung in "Realgrößen":
   
(Anhand der Skalierungswerte solltest du die zugehörigen Werte erkennen…)

Die eigentliche LIN-Kommunikation läuft (bei mir) sehr komfortabel über den CAN-LIN-Umsetzer, der sich um das Timing der einzelnen LIN-Messages kümmert…

Alle Beiträge dieses Benutzers finden
Diese Nachricht in einer Antwort zitieren to top
Anzeige
18.11.2014, 11:01
Beitrag #7

Anton R. Offline
LVF-Grünschnabel
*


Beiträge: 12
Registriert seit: May 2014

2014
2014
DE


Deutschland
RE: Kommunikation mit Generator via PXI-8516
Ok, aber trotzdem danke!

Ich hätte noch ein paar Grudsätzliche XNET Fragen, evtl. kannst du mir da ja auch helfen, oder jemand anderes weis es:

Wann verwende ich eigt. "Stream", "Queued" und wann "Single Point", wenn ich einen Frame schreiben, bzw. lesen will.
Was ist der Unterschied zwischen "Single Point", "Waveform" und "XY", bei Signal IN/OUTput außer das Datenformat?
Alle Beiträge dieses Benutzers finden
Diese Nachricht in einer Antwort zitieren to top
30
Antwort schreiben 


Gehe zu: