Vielen Dank, genau das war der Fehler.
Wusste doch das die Lösung eigentlich ganz einfach ist.
...hab das auch schon in der richtigen Steuerung ausprobiert, hier funktioniert es leider nur von "manuell" nach "automatisch", aber nicht umgekehrt.
Folgendermaßen sieht das richtige Programm ca. aus:
- Manuelle Steuerung ist im Prinzip nichts anderes, als das Bsp von vorhin, weshalb es wohl auch funktioniert.
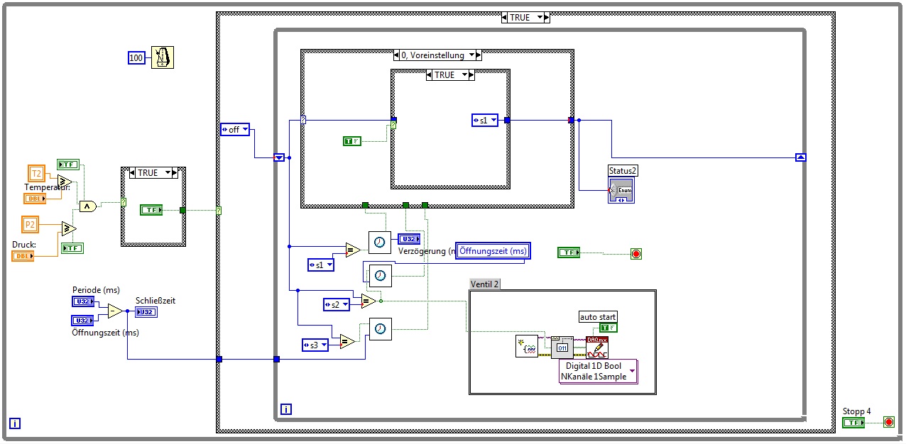
- Automatisch: Hier besitzt jedes Ventil nochmal eigene States (ähnlich wie bei der Menüsteuerung),
möglicherweise ist hier der Fehler dass die Schleife nicht beendet wird?!
Bild der Automatischen Steuerung:
Edit: Fehler gefunden!!

.... die äußerste While-Schleife musste einfach weggelassen werden.
Vielen Dank nochmal für die schnelle Hilfe,
Gruß Dominik