INFO: Dieses Forum nutzt Cookies...
Cookies sind für den Betrieb des Forums unverzichtbar. Mit der Nutzung des Forums erklärst Du dich damit einverstanden, dass wir Cookies verwenden.

Es wird in jedem Fall ein Cookie gesetzt um diesen Hinweis nicht mehr zu erhalten. Desweiteren setzen wir Google Adsense und Google Analytics ein.


Antwort schreiben 

Statistik Programm



Wenn dein Problem oder deine Frage geklärt worden ist, markiere den Beitrag als "Lösung",
indem du auf den "Lösung" Button rechts unter dem entsprechenden Beitrag klickst. Vielen Dank!

12.10.2019, 12:46 (Dieser Beitrag wurde zuletzt bearbeitet: 12.10.2019 15:23 von Niko1912.)
Beitrag #1

Niko1912 Offline
LVF-Grünschnabel
*


Beiträge: 15
Registriert seit: Apr 2018

2009,2016,2018
2014
DE_EN

26721
Deutschland
Video Statistik Programm
Moin Zusammen,

ich habe mir in den Kopf gesetzt ein Statistik Programm mit LabVIEW zu programmieren.
Ich möchte damit Handball Statistiken während eines Spieles aufzeichnen können.

Geplanter Programmablauf:
- Spielerliste & Gegnerliste erstellen
- Per drag&drop können die Spieler aufs Feld geschoben werden(Hier soll dann die Zeit mitlaufen)
- Es kann ein Spieler(per Mausklick) fokussiert werden, dann kann dieser zum Beispiel werfen und ein Tor erzielen
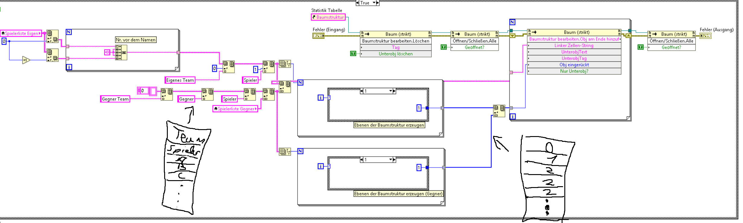
- Das ganze wird in einem 2D-Array gespeichert, mit diesem Array soll dann die Baumstruktur erzeugt werden
- Später vielleicht eine Speicherung der Daten, um Spiel übergreifend Statistiken führen zu können

Bis jetzt kann ich einen Spieler, der auf dem Feld ist, fokussieren und Werfen lassen. Die Statistik wird im Array dann geführt. Ich möchte nun diesen Eintrag in der Baumstruktur hinzufügen,
leider fällt mir nichts gescheites ein, damit ich in der richtigen Zeile lande...
Generelle Frage: Muss ich die Baumstruktur in einem rutsch erzeugen ? Oder kann ich erstmal die Namen einfügen und dann im nachhinein die Spalten füllen ?

Ich würde gerne diesen Thread nutzen um weitere Fragen stellen zu können, daher lad ich mal das gesamte Projekt hoch.
Ist leider noch nicht gut strukturiert, hab erstmal einfach angefangen, um zu schauen ob das was ich vorhabe auch realisierbar ist.

Zum Problem:
So erzeuge ich den Baum, zum Einrücken mache ich ein 1D-Array. Weil die Spieleranzahl Variablen sind, habe ich das mit zwei for-Schleifen gelöst. Eine Für das Heim Team und eine für den Gegner, diese werden anschließend zusammengepackt. Nun habe ich in der 4ten Spalte die Wurfquote als String : zb. 5/10=50% (5 Getroffen / 10 Würfe = 50% Quote), diesen String möchte ich in die richtige Spalte und Zeile schreiben. "UnterobjText" lässt mich in die Spalten schreiben leider aber nicht in die richtige Zeile, muss ich Leerzeilen einfügen ?
   

[Edit] Konnte es mit den Leerzeilen lösen, kommt mir aber sehr umständlich vor.


Generell habe ich das Gefühl mit der falschen Struktur hier zu arbeiten, das ganze wäre Objektorientiert wahrscheinlich einfacher. Hab versucht eine Klasse zu erstellen , aber bin daran leider gescheitert. Vielleicht kann mir hier jemand weiterhelfen. Am Einfachsten wäre ein Basisklassenzeiger (oder Array), wo jeder Spieler seine Attribute (Statistiken) hat. So könnte ich auch den Torhüter mit rein nehmen.
Bsp. Basisklasse Handballer -> Abgeleitete Klasse Feldspieler
-> Abgeleitete Klasse Torhüter


Ich freue mich auf Unterstützung und ein paar gute Ideen.

Grüße Niko Angel_not

Projekt ist mit LabVIEW 2016 erstellt worden. Weiß nicht warum er 2008 anzeigt Bahn

8.0 .zip  Projekt.zip (Größe: 313,76 KB / Downloads: 247)
Alle Beiträge dieses Benutzers finden
Diese Nachricht in einer Antwort zitieren to top
Anzeige
12.10.2019, 16:03
Beitrag #2

jg Offline
CLA & CLED
LVF-Team

Beiträge: 15.864
Registriert seit: Jun 2005

20xx / 8.x
1999
EN

Franken...
Deutschland
RE: Statistik Programm
Offtopic2
(12.10.2019 12:46 )Niko1912 schrieb:  Projekt ist mit LabVIEW 2016 erstellt worden. Weiß nicht warum er 2008 anzeigt Bahn
Weil du eine Zip-Datei hochgeladen hast - zufälligerweise wird hier an der "richtigen" Stelle im Header derselbe String wie bei einem LabVIEW-8 VI drinnen stehen, weshalb dann automatisch das LabVIEW 8 Icon hinzugefügt wurde.

Gruß, Jens

Wer die erhabene Weisheit der Mathematik tadelt, nährt sich von Verwirrung. (Leonardo da Vinci)

!! BITTE !! stellt mir keine Fragen über PM, dafür ist das Forum da - andere haben vielleicht auch Interesse an der Antwort!

Einführende Links zu LabVIEW, s. GerdWs Signatur.
Alle Beiträge dieses Benutzers finden
Diese Nachricht in einer Antwort zitieren to top
12.10.2019, 17:13
Beitrag #3

Niko1912 Offline
LVF-Grünschnabel
*


Beiträge: 15
Registriert seit: Apr 2018

2009,2016,2018
2014
DE_EN

26721
Deutschland
RE: Statistik Programm
Danke für den Hinweis, das Projekt kann ich aber nur gezippt anhängen oder ?
Mir ist grad aufgefallen das ich meinen Beitrag nur im Inline-Editor bearbeiten kann.. Ist das normal ?

Hätte gerne die Projekt-Daten aktualisiert.

Kann nun die Baumstruktur erstellen, mit vorinitialisierten Werten. Mir gefällt das ganze Array gefummel aber nicht, empfinde das für zu umständlich.
Hoffentlich hat da jemand noch ne Idee, wie das einfacher geht.

Grüße

LV 16 - Neu

8.0 .zip  Projekt.zip (Größe: 354,23 KB / Downloads: 255)
Alle Beiträge dieses Benutzers finden
Diese Nachricht in einer Antwort zitieren to top
30
Antwort schreiben 


Möglicherweise verwandte Themen...
Themen Verfasser Antworten Views Letzter Beitrag
  programm in anderem Programm einbinden maier_m 1 4.871 04.04.2006 09:19
Letzter Beitrag: eg
  Statistik mit LabVIEW Uli 1 4.727 17.11.2005 09:30
Letzter Beitrag: hansidergute

Gehe zu: