INFO: Dieses Forum nutzt Cookies...
Cookies sind für den Betrieb des Forums unverzichtbar. Mit der Nutzung des Forums erklärst Du dich damit einverstanden, dass wir Cookies verwenden.

Es wird in jedem Fall ein Cookie gesetzt um diesen Hinweis nicht mehr zu erhalten. Desweiteren setzen wir Google Adsense und Google Analytics ein.


Antwort schreiben 

LV2024Q3, cRIO-9049 mit DAQmx, DAQmx Fehler -209836



Wenn dein Problem oder deine Frage geklärt worden ist, markiere den Beitrag als "Lösung",
indem du auf den "Lösung" Button rechts unter dem entsprechenden Beitrag klickst. Vielen Dank!

22.11.2024, 09:41
Beitrag #1

IchSelbst Offline
LVF-Guru
*****


Beiträge: 3.708
Registriert seit: Feb 2005

11, 14, 15, 17, 18
-
DE

97437
Deutschland
LV2024Q3, cRIO-9049 mit DAQmx, DAQmx Fehler -209836
Hat jemand Erfahrungen mit DAQmx auf cRIO-9049 unter LabVIEW 2024 Q3?

Der MAX erkennt alles, wie er soll: cRIO-9049, diverse Steckkarten (2xAIn, Ctrl, AInFast, 2xDIO). Jeweils ein AIn und DIO sind für FPGA konfiguriert. DIO 2 für Scan-Engine. AIn, Ctrl und AInFast für DAQmx. Im MAX sind zwei Tasks definiert: AIn und Ctrl. Beide Tasks laufen jeweils einzeln im MAX fehlerfrei.

Im LV-Programm (für cRIO) funktionieren diese Tasks nicht, weder einzeln noch zusammen. Verwendet werden die Task-Konstanten, nicht ein umgewandelter Code.

Die Tasks gehen nicht starten: Es kommt der Fehler -209836. Das Start-VI braucht für diese Erkenntnis etwa eine Sekunde. Auch das Lese-VI endet (nach einer Sekunde) mit diesem Fehler.

Verwendet man AIn in der Scan-Engine, besteht Zugriff auf die Karte (die im DAQmx nicht funktioniert).

Diverse Vorschläge nach der Suche in NI.com bringen keinen Erfolg.

Mit dem FPGA auf dem cRIO ist noch gar nichts gemacht.

Jeder, der zur wahren Erkenntnis hindurchdringen will, muss den Berg Schwierigkeit alleine erklimmen (Helen Keller).
Alle Beiträge dieses Benutzers finden
Diese Nachricht in einer Antwort zitieren to top
22.11.2024, 11:58
Beitrag #2

GerdW Offline
______________
LVF-Team

Beiträge: 17.528
Registriert seit: May 2009

LV2019 (LV2021)
1995
DE_EN

10×××
Deutschland
RE: LV2024Q3, cRIO-9049 mit DAQmx, DAQmx Fehler -209836
Hallo DuSelbst,

Zitat:Die Tasks gehen nicht starten: Es kommt der Fehler -209836. Das Start-VI braucht für diese Erkenntnis etwa eine Sekunde. Auch das Lese-VI endet (nach einer Sekunde) mit diesem Fehler.
Der Fehler sagt: die Tasks lassen sich nicht synchronisieren.
Erwartest du denn irgendeine Synchronisierung?

Alle Beiträge dieses Benutzers finden
Diese Nachricht in einer Antwort zitieren to top
22.11.2024, 13:47
Beitrag #3

IchSelbst Offline
LVF-Guru
*****


Beiträge: 3.708
Registriert seit: Feb 2005

11, 14, 15, 17, 18
-
DE

97437
Deutschland
RE: LV2024Q3, cRIO-9049 mit DAQmx, DAQmx Fehler -209836
(22.11.2024 11:58 )GerdW schrieb:  Erwartest du denn irgendeine Synchronisierung?
Nein. Erwarten tue ich nur, dass es funktioniert.

Ob der Task mit oder ohne Synchronisation funktioniert, ist mir egal. Explizit habe ich nichts mit Synchronisation im Sinn. Der Fehler kommt beim Starten der Task.

Auch wenn ich nur eine einzige Task, z.B. AIn, verwende, kommt diese Fehlermeldung. Also auch dann, wenn gar nichts zum synchronisieren vorhanden ist. Angefangen hab ich mit der Ctrl-Task (Sample OnboardTakt). Die bringt beim Starten auch diesen Fehler. Hab ich gedacht: naja, vielleicht braucht Ctrl einen Takt von Ain (/ai/SampleTakt, wie bisher immer verwendet). Ging aber alles nicht.

Ich lese aus der Fehlermeldung, dass kein Sample-Takt vorhanden ist bzw. nicht generiert werden kann. Kein Sample-Takt könnte heißen "keine Synchronisation zwischen Steckkarte und cRIO(-Controller) möglich".

Wo ich noch ratlos bin, ist die Tatsache, dass die selbe Task im MAX funktioniert, in LV aber nicht.

Jeder, der zur wahren Erkenntnis hindurchdringen will, muss den Berg Schwierigkeit alleine erklimmen (Helen Keller).
Alle Beiträge dieses Benutzers finden
Diese Nachricht in einer Antwort zitieren to top
22.11.2024, 14:03
Beitrag #4

GerdW Offline
______________
LVF-Team

Beiträge: 17.528
Registriert seit: May 2009

LV2019 (LV2021)
1995
DE_EN

10×××
Deutschland
RE: LV2024Q3, cRIO-9049 mit DAQmx, DAQmx Fehler -209836
Zitat:Wo ich noch ratlos bin, ist die Tatsache, dass die selbe Task im MAX funktioniert, in LV aber nicht.
Kannst du den Task dann nicht in MAX oder im Projekt definieren und als vordefinierten Task aufrufen?

Alle Beiträge dieses Benutzers finden
Diese Nachricht in einer Antwort zitieren to top
22.11.2024, 14:46
Beitrag #5

IchSelbst Offline
LVF-Guru
*****


Beiträge: 3.708
Registriert seit: Feb 2005

11, 14, 15, 17, 18
-
DE

97437
Deutschland
RE: LV2024Q3, cRIO-9049 mit DAQmx, DAQmx Fehler -209836
(22.11.2024 14:03 )GerdW schrieb:  Kannst du den Task dann nicht in MAX oder im Projekt definieren und als vordefinierten Task aufrufen?
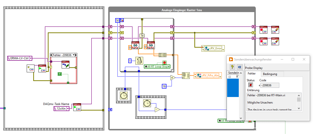
Der Task ist im MAX definiert. Dieser Task, ohne weitere Verarbeitung, wird in LV verwendet. Der Task wird direkt an DQXmx-StartTask-VI angeschlossen.

Bild anbei:

"12xAIn" ist in MAX definiert, funktioniert dort, wird in LV verwendet => Fehler sowohl beim Starten als auch beim Lesen

Der andere Pfad war mal ein Task aus dem MAX ("4xCtrl Weg"), wurde in Code umgewandelt und in LV verwendet. In LV Fehler.

NI-Forum und KnowledgeBase sind nicht hilfreich: Alle Anfrage anderer User, die ich bisher gefunden habe, verlaufen in Sande ...


Angehängte Datei(en) Thumbnail(s)
   

Jeder, der zur wahren Erkenntnis hindurchdringen will, muss den Berg Schwierigkeit alleine erklimmen (Helen Keller).
Alle Beiträge dieses Benutzers finden
Diese Nachricht in einer Antwort zitieren to top
23.11.2024, 14:09
Beitrag #6

Martin.Henz Offline
LVF-Team
LVF-Team

Beiträge: 446
Registriert seit: Jan 2005

2.5.1 bis 20
1992
kA

74363
Deutschland
RE: LV2024Q3, cRIO-9049 mit DAQmx, DAQmx Fehler -209836
(22.11.2024 14:46 )IchSelbst schrieb:  NI-Forum und KnowledgeBase sind nicht hilfreich: Alle Anfrage anderer User, die ich bisher gefunden habe, verlaufen in Sande ...

Wenn das so ist, dann kann ich ja auch mal etwas dazu schreiben ...
Guck doch mal bei den Chassis Properties nach "Scan Interface" und ob das aktiviert ist (IMHO darf das nicht ausgewählt sein).

Martin Henz
Webseite des Benutzers besuchen Alle Beiträge dieses Benutzers finden
Diese Nachricht in einer Antwort zitieren to top
Anzeige
25.11.2024, 09:06
Beitrag #7

IchSelbst Offline
LVF-Guru
*****


Beiträge: 3.708
Registriert seit: Feb 2005

11, 14, 15, 17, 18
-
DE

97437
Deutschland
RE: LV2024Q3, cRIO-9049 mit DAQmx, DAQmx Fehler -209836
(23.11.2024 14:09 )Martin.Henz schrieb:  Guck doch mal bei den Chassis Properties nach "Scan Interface" und ob das aktiviert ist (IMHO darf das nicht ausgewählt sein).
Bei den Chassis Properties? Kann ich kucken. Die Karte jedenfalls ist (im MAX) auf DAQmx eingestellt.

Ich will aber alles drei verwenden: Scan Interface, FPGA und DAQmx. Und zusätzlich noch jede Menge Netzwerk-Variablen.

Jeder, der zur wahren Erkenntnis hindurchdringen will, muss den Berg Schwierigkeit alleine erklimmen (Helen Keller).
Alle Beiträge dieses Benutzers finden
Diese Nachricht in einer Antwort zitieren to top
25.11.2024, 09:24
Beitrag #8

GerdW Offline
______________
LVF-Team

Beiträge: 17.528
Registriert seit: May 2009

LV2019 (LV2021)
1995
DE_EN

10×××
Deutschland
RE: LV2024Q3, cRIO-9049 mit DAQmx, DAQmx Fehler -209836
Hallo Du,

Zitat:Ich will aber alles drei verwenden: Scan Interface, FPGA und DAQmx.
Warum nimmst du DIO2 nicht einfach auch in den FPGA?
Warum willst du hier die ScanEngine verwenden?

Zitat:Und zusätzlich noch jede Menge Netzwerk-Variablen.
Ich empfehle andere Methoden zur Datenübertragung an einen Host, wenn es keine zwingenden Gründe für NSVs gibt…

Alle Beiträge dieses Benutzers finden
Diese Nachricht in einer Antwort zitieren to top
25.11.2024, 09:41
Beitrag #9

IchSelbst Offline
LVF-Guru
*****


Beiträge: 3.708
Registriert seit: Feb 2005

11, 14, 15, 17, 18
-
DE

97437
Deutschland
RE: LV2024Q3, cRIO-9049 mit DAQmx, DAQmx Fehler -209836
(25.11.2024 09:24 )GerdW schrieb:  Warum nimmst du DIO2 nicht einfach auch in den FPGA?
Die DIOs (lediglich Licht ein/aus, Tür schließen/geschlossen) gehen/kommen vom PC. Relevant im FPGA sind sie nicht.

Zitat:Warum willst du hier die ScanEngine verwenden?
1. Weil es funktionieren sollte. Eigentlich bin ich der Meinung, dass für 11.000 Euro alles parallel laufen sollte.
2. FPGA mach ich eher ganz ganz selten (letztes Projekt LV2018): Kann man zwischen FPGA und PC in Echtzeit übertragen? Ist jetzt zwar nicht notwendig für DIOs, aber für AIn. Es sollen auch noch AIn in 48kHz gesampelt werden. Daten sind nur für PC relevant, nicht für FPGA oder cRIO - die Karte steckt aber im cRIO.

Zitat:Ich empfehle andere Methoden zur Datenübertragung an einen Host, wenn es keine zwingenden Gründe für NSVs gibt…
Es ist halt immer schön, wenn es Methoden gibt (wie die Netzwerk-Variablen), die leicht zu handhaben sind. Allerdings sollten sie auch intuitiv funktioniert und das halten, was man erwartet.

Warum sollte ich keine NSV verwenden? Was sonst?

Jeder, der zur wahren Erkenntnis hindurchdringen will, muss den Berg Schwierigkeit alleine erklimmen (Helen Keller).
Alle Beiträge dieses Benutzers finden
Diese Nachricht in einer Antwort zitieren to top
25.11.2024, 12:05
Beitrag #10

GerdW Offline
______________
LVF-Team

Beiträge: 17.528
Registriert seit: May 2009

LV2019 (LV2021)
1995
DE_EN

10×××
Deutschland
RE: LV2024Q3, cRIO-9049 mit DAQmx, DAQmx Fehler -209836
Hallo Du,

Zitat:Die DIOs (lediglich Licht ein/aus, Tür schließen/geschlossen) gehen/kommen vom PC. Relevant im FPGA sind sie nicht.
1. Weil es funktionieren sollte. Eigentlich bin ich der Meinung, dass für 11.000 Euro alles parallel laufen sollte.
2. FPGA mach ich eher ganz ganz selten (letztes Projekt LV2018): Kann man zwischen FPGA und PC in Echtzeit übertragen? Ist jetzt zwar nicht notwendig für DIOs, aber für AIn. Es sollen auch noch AIn in 48kHz gesampelt werden. Daten sind nur für PC relevant, nicht für FPGA oder cRIO - die Karte steckt aber im cRIO.
Auch wenn DIOs "nicht relevant" sind im FPGA, kann man diese IO-Zugriffe trotzdem dort sehr einfach erledigen.
Zu 1: Da gebe ich dir recht. Die ScanEngine war für mich aber immer sehr limitierend, selbst bei einfachen DIOs. Deshalb habe ich auch DIO gern im FPGA erledigt, vor allem, wenn ich anderes dort sowieso erledige.
Zu 2: Definiere "in Echtzeit übertragen"! Du hast Netzwerk-Kommunikation zwischen cRIO und PC, da wirst du (sehr wahrscheinlich) keinerlei "Echtzeit"-Spezifikationen haben… Und ja, man kann auch 48kHz-Signale vom FPGA zum RT per FIFO übertragen und von dort dann zum PC. Aber dafür würde ich bei den aktuellen cRIOs eben DAQmx verwenden.

Zitat:Allerdings sollten sie auch intuitiv funktioniert und das halten, was man erwartet.
Damit hatte ich so meine Probleme…
- NSVs sind verhältnismäßig langsam.
- Das Deploy kann hakelig sein.

NetworkStreams sollten "angenehmer" sein. Oder auch einfaches "eigenes" TCP oder UDP…

Alle Beiträge dieses Benutzers finden
Diese Nachricht in einer Antwort zitieren to top
30
Antwort schreiben 


Gehe zu: