INFO: Dieses Forum nutzt Cookies...
Cookies sind für den Betrieb des Forums unverzichtbar. Mit der Nutzung des Forums erklärst Du dich damit einverstanden, dass wir Cookies verwenden.

Es wird in jedem Fall ein Cookie gesetzt um diesen Hinweis nicht mehr zu erhalten. Desweiteren setzen wir Google Adsense und Google Analytics ein.


Antwort schreiben 

String Vergleich



Wenn dein Problem oder deine Frage geklärt worden ist, markiere den Beitrag als "Lösung",
indem du auf den "Lösung" Button rechts unter dem entsprechenden Beitrag klickst. Vielen Dank!

11.01.2010, 19:31
Beitrag #1

echtzeit Offline
LVF-Grünschnabel
*


Beiträge: 39
Registriert seit: Oct 2009

8.6.1 und Labview 2009 SP1
2008
de

1099
Deutschland
String Vergleich
Hallo,
Ich gebe einem controller einen Befehl als string per TCP/IP. Da ich sichergehen will, ob der controller verstanden hat, was er machen soll, habe ich eingestellt, dass er mir den Befehl als echo zurückgibt.
Jetzt möchte ich lediglich die beiden 2 strings miteinander vergleichen.
Warum funktioniert mein Beispiel nicht?Dry

Danke,


P.S.:Ich verwende LV8.6


Angehängte Datei(en)
Sonstige .vi  stringvergleich.vi (Größe: 6,26 KB / Downloads: 595)
Alle Beiträge dieses Benutzers finden
Diese Nachricht in einer Antwort zitieren to top
Anzeige
11.01.2010, 20:28
Beitrag #2

echtzeit Offline
LVF-Grünschnabel
*


Beiträge: 39
Registriert seit: Oct 2009

8.6.1 und Labview 2009 SP1
2008
de

1099
Deutschland
String Vergleich
Ich finde grade den "editier-Button" nicht....

   
Alle Beiträge dieses Benutzers finden
Diese Nachricht in einer Antwort zitieren to top
11.01.2010, 21:17
Beitrag #3

schrotti Offline
LVF-Freak
****


Beiträge: 842
Registriert seit: Feb 2008

2009 - 2011
2006
kA

70180
Deutschland
String Vergleich
Wenn du deine beiden Strings noch postest könnte dir geholfen werden.

Gruß Julius
Empfehlungen: expressionflow, LavaG , mooregoodideas, OpenG, JKI Blog
Tipp
Alle Beiträge dieses Benutzers finden
Diese Nachricht in einer Antwort zitieren to top
11.01.2010, 21:18
Beitrag #4

Novgorod Offline
LVF-Gelegenheitsschreiber
**


Beiträge: 65
Registriert seit: Oct 2008

2016
2006
EN

0
Sonstige
String Vergleich
Doch, das sollte funktionieren, zumindest das auf dem Screenshot.. Wenn beide Strings exakt gleich sind, gibts true zurück.. Was genau funktioniert denn da nicht? Vielleicht sind die Strings nicht exakt gleich (z.B. irgendwelche whitespaces vorne/hinten)...?
Alle Beiträge dieses Benutzers finden
Diese Nachricht in einer Antwort zitieren to top
12.01.2010, 11:05
Beitrag #5

echtzeit Offline
LVF-Grünschnabel
*


Beiträge: 39
Registriert seit: Oct 2009

8.6.1 und Labview 2009 SP1
2008
de

1099
Deutschland
String Vergleich
Hallo,
das Problem war, dass egal welche strings ich eingegeben habe, es niemals zu einer Übereinstimmung kam.
Also egal ob beide strings "768" oder "AAB" oder sonstwie hießen.
Wenn man Konstanten anschließt statt string controls funktioniert die Sache wieder.

Ich habe also erstmal aus den controls constanten erzeugt. In diesen Konstanten konnte ich jetzt alle von mir gemachten Eingaben sehen (d.h. das string control löscht seine "Historie" nicht automatisch).
Somit wird jedesmal die gesamte Historie der beiden controls verglichen. Falls jemals verschiedene strings miteinander verglichen worden sind, liefert der Vergleich also niemals mehr TRUE.
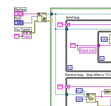
Ich habe mich an das LabVIEW-Beispiel "TCP communicator active" erinnert. Dort wird beim Programmstart der Inhalt (besser der Wert "Value") des indicators "You typed" gelöscht.
   

Nachdem ich das nachgestellt habe, funktioniert auch mein Beispiel....

   

Wacko
Alle Beiträge dieses Benutzers finden
Diese Nachricht in einer Antwort zitieren to top
12.01.2010, 14:55
Beitrag #6

BsaiboT Offline
LVF-Stammgast
***


Beiträge: 449
Registriert seit: Nov 2009

2010
2007
kA

22459
Deutschland
String Vergleich
Also bei mir hat schon dein erstes Beispiel funktioniert....
Huh

aBc == abc ? => FALSE
aBc == aBc ? => TRUE

Also ich konnte Dein Problem nicht reproduzieren, aber schön, dass Du es gelöst hast!
Alle Beiträge dieses Benutzers finden
Diese Nachricht in einer Antwort zitieren to top
Anzeige
12.01.2010, 16:35
Beitrag #7

BerndDasBrot Offline
LVF-Gelegenheitsschreiber
**


Beiträge: 128
Registriert seit: Feb 2008

8.2.1, 2012, 2017, 2020
2007
EN

7206
Schweiz
String Vergleich
Hallo

Ich glaube, es liegt an der Einstellung "Limit to single line". Wenn man für die String-Controls diese Option setzt, dann tritt der Fehler nicht mehr auf. Durch Eingabe "Enter" verschwindet der String aus der Anzeige, aber nicht aus dem Control!

Gruss BDB
Alle Beiträge dieses Benutzers finden
Diese Nachricht in einer Antwort zitieren to top
12.01.2010, 16:49 (Dieser Beitrag wurde zuletzt bearbeitet: 12.01.2010 16:51 von GerdW.)
Beitrag #8

GerdW Offline
______________
LVF-Team

Beiträge: 17.540
Registriert seit: May 2009

LV2019 (LV2021)
1995
DE_EN

10×××
Deutschland
String Vergleich
Hallo Bernd,

also lag der Fehler darin, das du das String-Control nicht groß genug gemacht hast? Big Grin

Wenn du die Return-Taste drückst, fügst du einen Zeilenvorschub in den String ein - was sich durch die von dir beschriebene Option verhindern lässt.
String-controls haben übrigens keine "Historie": sie merken sich nur (wie alle anderen Controls auch) alle Eingaben, die du machst!

Alle Beiträge dieses Benutzers finden
Diese Nachricht in einer Antwort zitieren to top
12.01.2010, 16:57
Beitrag #9

echtzeit Offline
LVF-Grünschnabel
*


Beiträge: 39
Registriert seit: Oct 2009

8.6.1 und Labview 2009 SP1
2008
de

1099
Deutschland
String Vergleich
Also mir ist völlig unklar warum mein LabVIEW gestern dieses Verhalten gezeigt hat...Ich hatte extra meinen Rechner einmal neu gestartet..ohne Erfolg.

Ich habe das gleiche Beispiel gerade nocheinmal "programmiert" (ohne die "Limit to single line"-Option zu nutzen und ebenfalls ohne Einsatz des Property Node...)
Diesmal arbeitet das Programm genauso wie man es erwartet...

..Problem gelöst. LabVIEW spinnt halt auch manchmal...Smile
Alle Beiträge dieses Benutzers finden
Diese Nachricht in einer Antwort zitieren to top
12.01.2010, 17:34
Beitrag #10

BerndDasBrot Offline
LVF-Gelegenheitsschreiber
**


Beiträge: 128
Registriert seit: Feb 2008

8.2.1, 2012, 2017, 2020
2007
EN

7206
Schweiz
String Vergleich
Hallo Gerd

Ich dachte eher, dass echtzeit die vorher eingegebenen Zeilen nicht gesehen hat.

Ich weiss schon, dass man das Control vergrössern kann.

Gruss, BDB
Alle Beiträge dieses Benutzers finden
Diese Nachricht in einer Antwort zitieren to top
30
Antwort schreiben 


Möglicherweise verwandte Themen...
Themen Verfasser Antworten Views Letzter Beitrag
  Vergleich zweier Zahlen LabViewPete 13 16.129 27.10.2020 12:52
Letzter Beitrag: THL
  Mehrfach Vergleich auf Gleichheit MicroScoop 7 8.109 13.08.2019 14:21
Letzter Beitrag: MicroScoop
  String Vergleich erklären 911tom 3 6.054 12.07.2017 17:51
Letzter Beitrag: jg
  Array-Vergleich und Mittelwertbildung domdom 4 6.246 15.05.2017 10:59
Letzter Beitrag: jg
  Vergleich und Neusortierung zweier Arrays domdom 6 7.212 30.11.2016 09:13
Letzter Beitrag: domdom
  Beim vergleich kommt anscheinend schon kein boolscher Wert raus noled 3 5.869 04.12.2015 09:35
Letzter Beitrag: Lucki

Gehe zu: