INFO: Dieses Forum nutzt Cookies...
Cookies sind für den Betrieb des Forums unverzichtbar. Mit der Nutzung des Forums erklärst Du dich damit einverstanden, dass wir Cookies verwenden.

Es wird in jedem Fall ein Cookie gesetzt um diesen Hinweis nicht mehr zu erhalten. Desweiteren setzen wir Google Adsense und Google Analytics ein.


Antwort schreiben 

Ereignisse



Wenn dein Problem oder deine Frage geklärt worden ist, markiere den Beitrag als "Lösung",
indem du auf den "Lösung" Button rechts unter dem entsprechenden Beitrag klickst. Vielen Dank!

21.07.2009, 14:11
Beitrag #1

kalle Offline
LVF-Grünschnabel
*


Beiträge: 43
Registriert seit: May 2009

6.1 und 8.5
2008
de

18000
Deutschland
Ereignisse
Hallo,

seit längerem trete ich in einer Frage auf der Stelle, vielleicht habt ihr ja einen tipp. Ich erzeuge in einem VBA Makro oder VB-Script das Objekt "LabVIEW.Application" welches einige Methoden und Eigenschaften liefert. Allerdings finde ich nicht heraus ob dieses Objekt auch Ereignisse erzeugen kann um diese dann zu behandeln. Irgendwie finde ich dazu nichts. Wahrscheinlich gibt es keine Ereignisse?
Alle Beiträge dieses Benutzers finden
Diese Nachricht in einer Antwort zitieren to top
Anzeige
21.07.2009, 14:52
Beitrag #2

eg Offline
LVF-SeniorMod


Beiträge: 3.868
Registriert seit: Nov 2005

2016
2003
kA

66111
Deutschland
Ereignisse
Das sollte mit ActiveX Callback möglich sein.

Webseite des Benutzers besuchen Alle Beiträge dieses Benutzers finden
Diese Nachricht in einer Antwort zitieren to top
21.07.2009, 20:53
Beitrag #3

kalle Offline
LVF-Grünschnabel
*


Beiträge: 43
Registriert seit: May 2009

6.1 und 8.5
2008
de

18000
Deutschland
Ereignisse
ja mit dem activex callback kann man auf ereignisse, die in der excel applikation auftreten, in LabVIEW reagieren. In der Hilfe hab ich dazu sogar ein Beispiel gefunden. Aber wie steht es mit dem umgekehrten fall, also wenn LabVIEW als server fungiert und man in LabVIEW ein ereignis auslöst auf das die excel apllikation reagieren soll? Wenn ich bspw. in LabVIEW einen schalter umlege und dieses ereignis von excel erkannt werden soll? Dazu findet man irgendwie nichts...
Alle Beiträge dieses Benutzers finden
Diese Nachricht in einer Antwort zitieren to top
22.07.2009, 07:37 (Dieser Beitrag wurde zuletzt bearbeitet: 22.07.2009 07:38 von rolfk.)
Beitrag #4

rolfk Offline
LVF-Guru
*****


Beiträge: 2.318
Registriert seit: Jun 2007

alle seit 6.0
1992
EN

2901GG
Niederlande
Ereignisse
Soviel ich weiss unterstützt das LabVIEW Automation Interface keinerlei Events. Auf was für Events hoffst Du denn? Die meisten Methoden sind doch synchron, d.h. kehren erst zurück wenn die Operation abgeschlossen ist.

Rolf Kalbermatter

Rolf Kalbermatter
Technische Universität Delft, Dienst Elektronik und Mechanik
https://blog.kalbermatter.nl
Webseite des Benutzers besuchen Alle Beiträge dieses Benutzers finden
Diese Nachricht in einer Antwort zitieren to top
27.07.2009, 10:19
Beitrag #5

kalle Offline
LVF-Grünschnabel
*


Beiträge: 43
Registriert seit: May 2009

6.1 und 8.5
2008
de

18000
Deutschland
Ereignisse
Hallo Rolf,
dass mit den Ereignissen habe ich verworfen, weil ich nichts herausfinden konnte. Ich habe es umschifft, aber nun hat ein anderes Problem mich ins Stocken gebracht. Siehe Anhang, ich möchte eine refnum von einer Schleife in eine andere bekommen. Mit lokaler Variable geht es nicht. Einfach ein Strich rüber ziehen geht auch nicht. Geht das überhaupt, kann ich eine refnum aus einer Schleife in eine andere parallele Schleife bekommen?


Angehängte Datei(en) Thumbnail(s)
   
Alle Beiträge dieses Benutzers finden
Diese Nachricht in einer Antwort zitieren to top
27.07.2009, 11:10
Beitrag #6

IchSelbst Offline
LVF-Guru
*****


Beiträge: 3.708
Registriert seit: Feb 2005

11, 14, 15, 17, 18
-
DE

97437
Deutschland
Ereignisse
' schrieb:Mit lokaler Variable geht es nicht.
Huh
Erst am Ausgang des Propertynode mit "Erstelle Anzeigeelement" einen Zwischenspeicher erzeugen. Von diesem Anzeigeelement kannst du dann eine lokale Variable erstellen - und in der parallelen Schleife verwenden.

Jeder, der zur wahren Erkenntnis hindurchdringen will, muss den Berg Schwierigkeit alleine erklimmen (Helen Keller).
Alle Beiträge dieses Benutzers finden
Diese Nachricht in einer Antwort zitieren to top
Anzeige
27.07.2009, 14:39 (Dieser Beitrag wurde zuletzt bearbeitet: 27.07.2009 14:42 von kalle.)
Beitrag #7

kalle Offline
LVF-Grünschnabel
*


Beiträge: 43
Registriert seit: May 2009

6.1 und 8.5
2008
de

18000
Deutschland
Ereignisse
Big Grin Besten Dank für den Tipp, das funktioniert !!! Auf manchen Sachen kommt man einfach nicht...
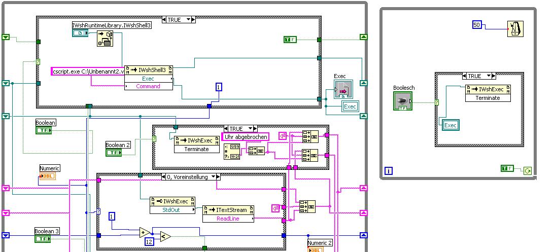
Ein Problem habe ich noch, wenn die Methode Readline keine Zeile liest (weil das Exec Objekt keine errzeugt) bleibt die linke Schleife stehen. Unzwar solange bis eine Zeile kommt. Für diesen Fall wollte ich daher die Methode Terminate von der lrechten Schleifen aufrufen, um abzubrechen. Allerdings bleibt dann die rechte Schleife auch stehen. Ich komm dann aus solch Zustand nicht wieder raus.
Alle Beiträge dieses Benutzers finden
Diese Nachricht in einer Antwort zitieren to top
27.07.2009, 15:43
Beitrag #8

IchSelbst Offline
LVF-Guru
*****


Beiträge: 3.708
Registriert seit: Feb 2005

11, 14, 15, 17, 18
-
DE

97437
Deutschland
Ereignisse
' schrieb:Für diesen Fall wollte ich daher die Methode Terminate von der lrechten Schleifen aufrufen, um abzubrechen. Allerdings bleibt dann die rechte Schleife auch stehen. Ich komm dann aus solch Zustand nicht wieder raus.
Mal davon abgesehen, dass deine Verdrahtung unter aller Sau ist, gehört in die rechte Schleife (so wie sie gepostet ist) eine Wartezeit hinein.

Hab ich dich richtig verstanden: Die rechte Schleife bricht die linke Schleife ab, sodass die linke Schleife praktisch verlassen wird? Dadurch bricht auch die rechte Schleife ab, sodass auch diese verlassen wird? Oder bleibt die rechte Schleife einfach stehen und tut nichts mehr?

Jeder, der zur wahren Erkenntnis hindurchdringen will, muss den Berg Schwierigkeit alleine erklimmen (Helen Keller).
Alle Beiträge dieses Benutzers finden
Diese Nachricht in einer Antwort zitieren to top
27.07.2009, 16:18
Beitrag #9

kalle Offline
LVF-Grünschnabel
*


Beiträge: 43
Registriert seit: May 2009

6.1 und 8.5
2008
de

18000
Deutschland
Ereignisse
Das VI hab ich mit der try and error methode zusammensgestückelt, daher die hässliche VerdrahtungWink
In der untersten Case Struktur ruf ich die Methode "Readline" auf. Wenn die Methode eine Zeile einliest geht die linke Schleife in die nächste Runde. Wenn aber keine Zeile eingelesen wird (weil das Exec Objekt was im obersten Case aufgerufen ist keine Zeile ausgibt) bleibt die linke Schleife stehen (i=konstant), und zwar solange bis wieder eine Zeile eingelesen werden kann. Schließen kann ich das Exec-Objekt wenn ich die Methode Terminate aufrufe (mittlerer Case). Steht die linke Schleife komm ich aber nicht zu diesem Punkt. Daher wollte ich die refnum an eine externe Schleife routen die immer dreht. Das hinrouten der Refnum klappt auch, aber wenn die linke Schleife steht und ich versuche über die rechte Schleife die Methode Terminate aufzurufen steht auch die rechte Schleife. Ganz schön verworren.


Angehängte Datei(en) Thumbnail(s)
   
Alle Beiträge dieses Benutzers finden
Diese Nachricht in einer Antwort zitieren to top
27.07.2009, 18:21
Beitrag #10

IchSelbst Offline
LVF-Guru
*****


Beiträge: 3.708
Registriert seit: Feb 2005

11, 14, 15, 17, 18
-
DE

97437
Deutschland
Ereignisse
Hallo kalle
' schrieb:Schließen kann ich das Exec-Objekt wenn ich die Methode Terminate aufrufe (mittlerer Case). Steht die linke Schleife komm ich aber nicht zu diesem Punkt. Daher wollte ich die refnum an eine externe Schleife routen die immer dreht. Das hinrouten der Refnum klappt auch,

Ich hab mir das Bild nochmals angekuckt und muss sagen: Du solltest dich mal mit weiteren Programmiertechniken auseinandersetzen. z.B. mit Event-Cases. Der Button BOOLEAN, der die Schnittstelle zum Excel-Sheet öffnen, gehört als Event gehandelt. Ggf. kann die linke While-Schleife durch eine Statemachine ersetzt werden. Sollte es bei dem Excel-Interface keine Events geben (Event: "Eine Zeile ist da!") so gibt es vielleich eine Polling-Methode ("Ist eine Zeile da?"). Dass eine Methode solange wartet, bis etwas da ist ("ReadLine") finde ich nicht gut. Mit dem Polling/Event fiele auch die rechte While-Schleife weg.

Warum die rechte While-Schleife stehenbleibt, kann ich von hier aus nicht erklären. Möglicherweise hängt das damit zusammen, dass der Terminate mehrmals hintereinander gemacht wird. Und das liegt eben daran, weil der Button BOOLESCH gepollt und nicht per Event verarbeitet wird.

Jeder, der zur wahren Erkenntnis hindurchdringen will, muss den Berg Schwierigkeit alleine erklimmen (Helen Keller).
Alle Beiträge dieses Benutzers finden
Diese Nachricht in einer Antwort zitieren to top
Antwort schreiben 


Gehe zu: